Неисправности и тестирование параллельных портов
Тестирование параллельных портов целесообразно начинать с проверки их наличия в системе. Список адресов установленных портов обычно появляется в таблице заставки, выводимой BIOS на экран перед загрузкой ОС. Кроме этой таблицы, список можно посмотреть и с помощью тестовых программ или прямо в BIOS DATA AREA с помощью любого отладчика.
Если BIOS обнаруживает меньше портов, чем установлено физически, скорее всего, каким-либо двум портам присвоен один адрес. Программное тестирование порта без диагностической заглушки (Loop Back) не покажет ошибок, поскольку при этом читаются данные выходных регистров, а они у всех конфликтующих (по отдельности исправных портов) совпадут. Именно такое тестирование и производит BIOS при проверке на наличие портов. Разбираться с такой ситуацией имеет смысл последовательно устанавливая порты и наблюдая за адресами, появляющимися в списке.
Если физически установлен только один порт и его не обнаруживает BIOS, то либо он отключен при конфигурировании, либо вышел из строя скорее всего из-за нарушений правил подключения.
Тестирование портов с помощью диагностических программ позволяет проверить их выходные регистры, а при использовании специальных заглушек — и входные линии. Поскольку количество выходных линий порта (12) и входных (5) различно, то полная проверка порта с помощью пассивной заглушки принципиально невозможна. Разные программы тестирования требуют применения специально на них ориентированных заглушек (рис. 1),

Рис. 1. Схема заглушки для тестирования LPT-порта программой Checkit
Большинство неприятностей при работе с LPT-портами доставляют разъемы и кабели. Для проверки порта, кабеля и принтера можно воспользоваться специальными тестами из популярных диагностических программ (Checkit, PCCheck и т. п.), а можно вывести на принтер какой-либо символьный файл.
Если вывод файла с точки зрения DOS проходит (копирование файла на устройство с именем LPTn или PRN проходит быстро и успешно), а принтер (исправный) не напечатал ни одного символа — скорее всего, это обрыв (неконтакт в разъеме) цепи STROBES.
Если принтер по своему индикатору находится в состоянии On Line, a появляется сообщение о его неготовности (Not Ready Error), то причину следует искать в линии Busy.
Если принтер искажает информацию при печати, возможен обрыв (или замыкание) линий данных. В этом случае удобно воспользоваться файлом, содержащим последовательность кодов всех печатных символов (его можно создать с помощью простой программы, написанной даже на языке Basic, — ее текст приведен ниже).
10 OPEN "bincod. chr" FOR OUTPUT AS #1
20 FORJ=2T015
30 FOR 1=0 ТО 15
40 PRINT#1, CHR$(16*J+I);
50 NEXT I 60 PRINT#1,
70 NEXTJ
80 CLOSE #1
90 END
Файл BINCOD. CHR, созданный данной программой, представляет собой таблицу всех печатных символов (управляющие коды пропущены), расположенных по 16 символов в строке. Если файл печатается с повтором некоторых символов или их групп, по периодичности повтора можно легко вычислить оборванный провод данных интерфейса. Этот же файл удобно использовать для проверки аппаратной руссификации принтера.
Если принтер, подключенный к порту, в стандартном режиме (SPP) печатает нормально, а при переходе на ЕСР начинаются сбои, следует проверить кабель — соответствует ли он требованиям IEEE 1284. Кабели с неперевитыми проводами нормально работают на скоростях 50-100 Кбайт/с, но при скорости 1-2 Мбайт/с, обеспечиваемой ЕСР, они могут не работать, особенно при длине более 2 метров.
Если при установке драйвера РпР-принтера появилось сообщение о необходимости применения «двунаправленного кабеля», проверьте наличие связи контакта 17 разъема DB-25 с контактом 36 разъема Centronics.
Аппаратные прерывания от LPT-порта используются далеко не всегда. Неисправности, связанные с цепью прерывания от порта, проявляются не часто. Однако по-настоящему многозадачные ОС (например, сервер NetWare) стараются работать с портом именно по прерываниям. Тестировать линию прерывания можно, только подключив к порту периферийное устройство или специальную заглушку.
Лекция 13. Программируемые таймеры и счетчики событий.
Довольно часто требуется устройство формирования временных интервалов для процессора и внешних устройств, подсчета внешних событий и ввода показаний в процессор, а также генерирования внешней синхронизации, которую может программировать процессор. Такое устройство называется программируемым интервальным таймером/счетчиком событий. Некоторыми областями применение такого устройства являются:
прерывание операционной системы с разделением времени через равномерные интервалы, чтобы она осуществляла переключение программ;
вывод точных временных сигналов с программируемыми периодами в устройство ввода-вывода (например, в аналого-цифровой преобразователь);
программируемая генерация скорости передачи в бодах;
измерение временной задержки между внешними событиями;
подсчет числа появлений событий во внешнем эксперименте и ввод показания в компьютер;

Рис. 9.25. Типичный интервальный таймер/счетчик событий
прерывание процессора после появления запрограммированного числа внешних событий.
Типичная организация интервального таймера/счетчика событий показана на рис. 9.25. Слева находятся четыре доступных компьютеру регистра: два верхних являются выходними портами, а два нижних - входными. Сам счетчик прямо процессору не доступен, но может инициализироваться из регистра начального счета и считывается посредством передачи его содержимого в выходной регистр счетчика. Счетчик запускается с начального значения и отсчитывает до 0. Вход CLK определяет скорость счета, сигнал GATE разрешает и запрещает вход CLK и, возможно, выполняет другие функции, а выход OUT-становится активным при достижении счетчиком 0 или, возможно, при подаче сиг-нала АТЕ. Выход OUT подключается к линии запроса прерывания в системной шине, поэтому прерывание возникает при достижении счетчиком 0; его же можно подключить к устройству ввода-вывода для инициирования необходимых действий.
Устройство вводит значение в регистр начального счета, передает его в счетчик и выполняет счет "назад" (т. е. вычитание) импульсами со входа CLK. Текущее содержимое счетчика в любой момент можно ввести в процессор, не нарушая работы счетчика, посредством передачи его в выходной регистр счетчика с последующим считыванием из этого регистра. При буферировании содержимого счетчика не требуется вводить его в процессор немедленно. Индикация нуля в счетчике обычно фиксируется на выходе OUT и в одном бите регистра состояния. Поэтому для обнаружения нуля допускается применять Программный ввод-вывод и ввод-вывод по прерываниям.
Регистр управления определяет режим работы и выполняет другие функции. Режим точно определяет, что происходит при достижении счетчиком 0 и (или) при подаче сигнала на вход GATE. Возможными действиями являются:
вход GATE применяется для разрешения и запрещения входа CLK;
вход GATE вызывает реинициализацию счетчика;
[ i. вход GATE прекращает счет и формирует высокий уровень на выходе OUT;
- при достижении 0 счетчик выдает сигнал OUT и останавливается;
при достижении 0 счетчик выдает сигнал OUT и автоматически реинициализируется из регистра начального счета.
Режимы могут также определяться комбинациями перечисленных возможностей. Рассмотрим, например, применение интервального таймера в операционной системе разделением времени. В этом случае на вход CLK подаются сигналы синхронизации, ) выход OUT подключается к линии запроса прерывания, возможно, немаскируемой прерывания. Вход GATE здесь не требуется. При включении системы в регистр начального счета загружается значение
начальный счет == частота синхронизации Х Т,
где Т - продолжительность каждого временного кванта в секундах. Задается такой режим, что при достижении счетчиком 0 содержимое регистра начального счета вновь загружается в счетчик, а выход OUT становится активным. Поскольку сигнал OUT используется как запрос прерывания, процедура прерывания для переключения программ будет выполняться с интервалом Т секунд.
9.3.1 Программируемый интервальный таймер
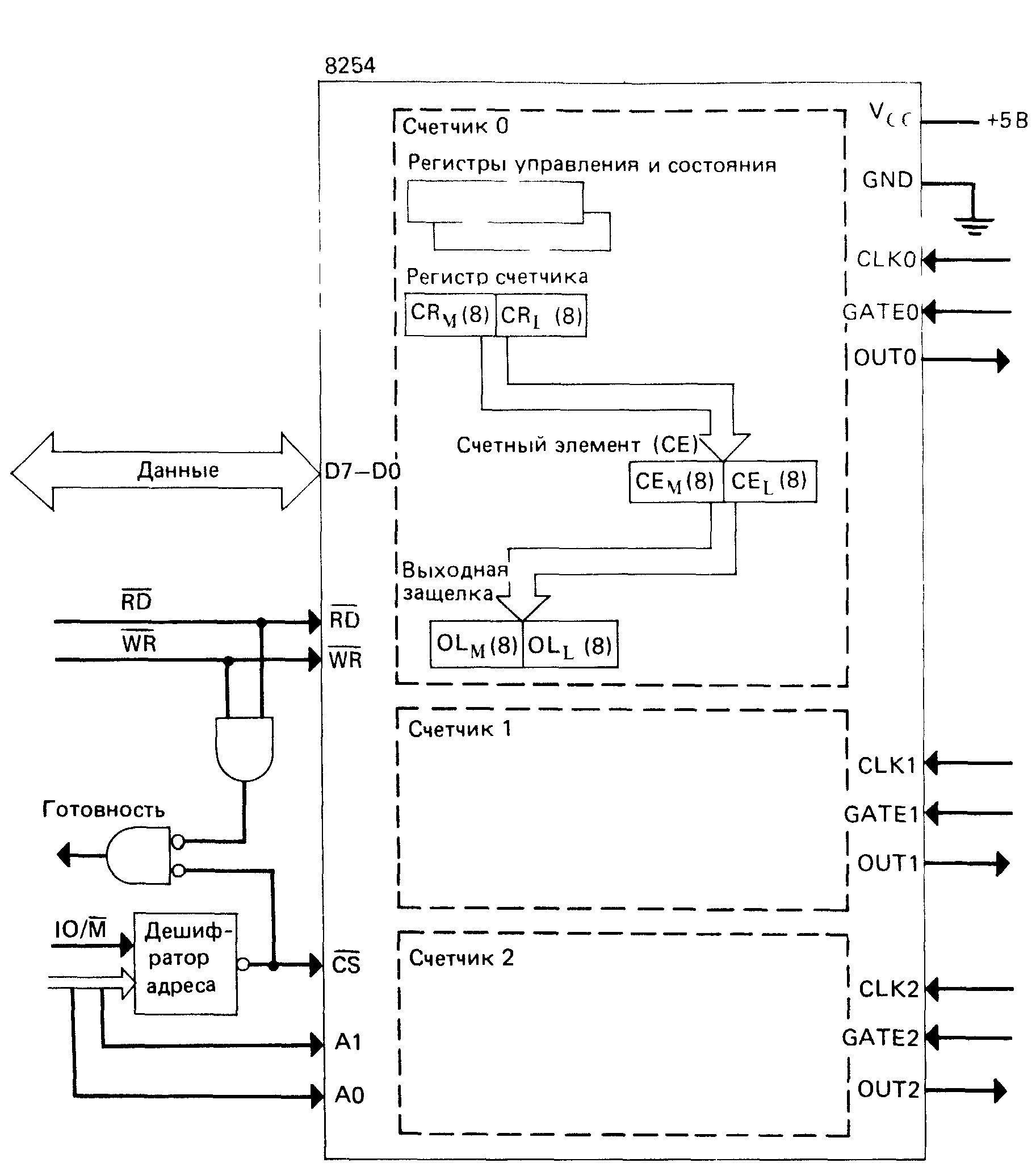
На рис. 9.26 представлена схема интервального таймера/счетчика событий 8254 фирмы Intel. В нем имеются три одинаковые счетные схемы со своими входами CLK и GATE и выходом OUT. Каждая схема имеет регистр управления и состояния, регистр счетчика (CR) для приема начального счета, счетного элемента (СЕ) , который выполняет счет, но непосредственно процессору недоступен, и выходного регистра-защелки (OL) для фиксации содержимого СЕ, так что его может считать процессор. Полагается, что CR, СЕ и OL представляют собой пары 8-битных регистров. (Реальные схемы несколько отличаются от приведенных, но для программиста рисунок абсолютно точен.)
Обращения к регистрам производятся в соответствии с табл. 9.3.
Таблица 9.3
Обращения к регистрам таймера/счетчика 8254

Все остальные комбинации приводят к тому, что линии данных переводятся в высокоимпедансное состояние. Когда А1 = АО = 1, выполнение записи в регистр управления или выдачи приказа зависит от старшего бита выводимого байта. В последних трех комбинациях считывание OL или регистра состояния определяет предыдущий приказ.
Имеются два вида приказов. Приказ фиксации счетчика заставляет соответствующий OL зафиксировать содержимое СЕ счетчика, определяемого двумя старшими битами приказа. Приказ обратного считывания фиксирует комбинацию СЕ или "готовит" комбинацию регистров состояния для считывания. Подготовка регистра состояния означает

Рис. 9.26. Схема таймера/счетчика 8254
его считывание, когда в следующей операции считывания осуществляется ввод из счетчика. Состояния 00, 01 и 10 двух старших бит показывают приказ фиксации счетчика, а состояние 11 - приказ обратного считывания. В приказе фиксации биты 5 и 4 должны быть нулевыми, а остальные биты не используются. Приказ обратного считывания имеет следующий формат:
|
Из за большого объема этот материал размещен на нескольких страницах:
1 2 3 4 5 6 7 8 9 10 11 12 13 14 15 16 17 18 19 20 21 22 23 24 25 26 27 28 29 30 31 32 33 34 35 36 37 38 39 40 41 42 43 44 45 46 47 48 49 50 51 52 53 54 55 56 57 58 |



