- на приопорных участках длиной 1/4 пролета (в зоне максимальной поперечной силы):
при h ≤ 450 мм. . . . . . . . . . . . . . . . . . не более h/2 и не более 150 мм;
при h > 450 мм. . . . . . . . . . . . . . . . . . не более h/3 и не более 500 мм;
- на остальной части пролета. . . . . . . . . . . . не более 3h/4 и не более 500 мм.
Расстояния между продольными стержнями сварных и вязаных каркасов приведены в СНиП 2.03.01-84* «Бетонные и железобетонные конструкции».
7.4. Расчет сечений изгибаемых балок по
предельным состояниям I группы
7.4.1. Общий способ расчета прочности по нормальным сечениям
Рассмотрим однопролетную железобетонную балку (рис. 25), свободно лежащую на двух опорах, симметрично загруженную двумя сосредоточенными силами. На определенной ступени загружения в балке образуются нормальные и наклонные трещины, в соответствии с этим прочность изгибаемых элементов рассчитывают как по нормальным, так и по наклонным сечениям.
Прочность изгибаемых железобетонных конструкций рассчитывают по III стадии НДС.
Рис. 25. Схема изгибаемой железобетонной балки:
а-а – нормальное сечение; б-б – наклонное сечение.
Рис. 26. Схема усилий при расчете прочности изгибаемых элементов
по нормальному сечению.
В расчетной схеме усилий (рис. 26) принимают, что на элемент действует изгибающий момент M, а в арматуре и бетоне действуют усилия, соответствующие напряжениям, равным расчетным сопротивлениям (при условии, что характер разрушения сечения соответствует 1 случаю III стадии НДС, когда в растянутой арматуре и сжатом бетоне достигнуты предельные сопротивления).
В бетоне сжатой зоны сложную криволинейную эпюру напряжений заменяют прямоугольной, т. е. напряжение в бетоне Rb принимают одинаковым по всей высоте сжатой зоны. При этом принимают, что бетон растянутой зоны не работает σbt = 0.
Сечение элемента может быть любой симметричной формы.
В растянутой зоне имеется арматура площадью сечения As с расчетным сопротивлением растяжению Rs, в сжатой зоне - арматура площадью сечения A’s с расчетным сопротивлением сжатию Rsc.
Равнодействующие нормальных напряжений в арматуре и бетоне:
;
;
,
где
- площадь сечения бетона сжатой зоны.
Из уравнения равенства нулю суммы проекций всех нормальных усилий на продольную ось элемента можно определить площадь сечения бетона Ab сжатой зоны, а по ней высоту сжатой зоны х.
.
Общее условие прочности изгибаемых элементов по нормальным сечениям: момент внешних сил не должен превосходить момента внутренних усилий, т. е. прочность элемента достаточна, если внешний расчетный изгибающий момент не превосходит расчетной несущей способности сечения, выраженной в виде обратно направленного момента внутренних сил.
.
Условие прочности при моментах, взятых относительно оси, проходящей через точку приложения равнодействующей усилий в растянутой арматуре As:
.
Высоту сжатой зоны х для сечений, характер разрушения которых соответствует 2 случаю III стадии НДС, когда разрушение происходит по сжатому бетону хрупко, а напряжения в растянутой арматуре предельного значения не достигают, также определяют из условия равенства нулю суммы проекций всех нормальных усилий на продольную ось элемента, но в этом случае Rs заменяют напряжением
.
На основе экспериментов установлено, что напряжение
зависит от относительной высоты сжатой зоны бетона
.
Граничная относительная высота сжатой зоны бетона
, при которой растягивающие напряжения в арматуре начинают достигать предельных значений
, зависит от класса бетона и класса арматуры и находится по формуле (25) СНиП 2.03.01-84* «Бетонные и железобетонные конструкции».
Таким образом, сечения, работающие по 1 случаю III стадии НДС, удовлетворяют условию:
.
Сечения, не удовлетворяющие данному условию, соответствуют 2 случаю.
7.4.2. Расчет прочности по нормальным сечениям элементов
прямоугольного и таврового профилей
Элементы прямоугольного профиля с одиночной арматурой (рис. 27).
Высоту сжатой зоны х определяют из уравнения равенства нулю суммы проекций всех нормальных усилий на продольную ось элемента:
.

Рис. 27. Прямоугольное сечение с одиночной арматурой и схема усилий.
Условие прочности по сжатой зоне:
. (1)
Условие прочности по растянутой арматуре:
. (2)
Данные формулы применяют при условии
.
В практике для расчета прямоугольных сечений с одиночной арматурой используют табличный метод. С этой целью формулы (1) и (2) преобразуют следующим образом:
![]()
![]()
![]()
![]()
![]()
![]()
,
где
;
;
.
. (3)
![]()
![]()
.
. (4)
Для коэффициентов
,
и
составлена таблица (приложение 1). По формуле (3) определяют
, затем по таблице в зависимости от
находят соответствующие
и
. Проверяют условие
. Если условие выполняется, находят требуемое количество арматуры по формуле (4).
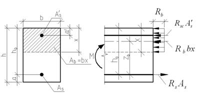
Элементы прямоугольного профиля с двойной арматурой (рис. 28).
Если при расчете прочности элемента прямоугольного профиля с одиночной арматурой оказалось, что
, значит прочности сжатой зоны бетона недостаточно и арматура в этой зоне требуется по расчету.

Рис. 28. Прямоугольное сечение с двойной арматурой и схема усилий.
Условие прочности по сжатой зоне изгибаемого элемента, армированного двойной арматурой:
. (5)
Из уравнения равенства нулю суммы проекций всех нормальных усилии на продольную ось элемента:
.
|
Из за большого объема этот материал размещен на нескольких страницах:
1 2 3 4 5 6 7 8 9 10 11 12 13 14 15 16 |



