Лопасти рабочих колес направлены не по образующей цилиндра, а под небольшим углом к ней. Тем самым смягчается “ударное” взаимодействие лопаток с языком вентилятора при вращении колеса и снижается уровень шума.
Осевого типа
В промышленных завесах используются вентиляторы осевого типа и центробежного.
Осевые вентиляторы с внешнероторными двигателями установлены в ряд и совместной работой подают воздух в камеру с воздухораспределительной щелью.
Центробежного типа
Представлены промышленными моделями на базе канальных вентиляторов и вентиляторов в корпусе типа “улитка”.
Источники тепла
Электрические
В качестве электрических источников тепла используются трубчатые электрические нагреватели (ТЭНы) из нержавеющей стали.
Завесы с электрическим источником тепла снабжены устройством аварийного отключения ТЭНов в случае перегрева корпуса. Перегрев может наступить по следующим причинам:
· входное и выходное окна завесы загромождены посторонними предметами (или сильно загрязнены);
· вышел из строя вентилятор;
· тепловая мощность завесы сильно превышает теплопотери помещения, в котором она работает (например, в тамбуре небольшого объема).
Кроме того, все электрические завесы снабжены автоматической задержкой выключения вентилятора при выключении завесы через пульт управления. Вентилятор продолжает продувку до тех пор, пока температура ТЭНов не снизится до заданной величины (1-2 мин.). Это позволяет увеличить срок службы ТЭНов.
Водяные
Водяные двухходовые теплообменники, выполненные из медных труб с насадными пластинчатыми алюминиевыми ребрами. Теплообменник является неразборным узлом. Теплоноситель подается в теплообменник и отводится из него через патрубки выступающие из корпуса. Во избежание размораживания теплообменника завесы при аварийном отключении горячей воды в зимнее время, во всех моделях предусмотрена возможность слива теплоносителя. На торце обоих трубчатых коллекторов теплообменника имеются резьбовые заглушки для организации слива.
Без источника тепла
Дешевые модели, часто небольшой мощности без функции нагрева.
Энергосбережение при установке тепловых завес
Через открытые незащищенные завесой ворота внутрь помещения врывается поток холодного наружного воздуха под действием гравитационной разности давлений и ветрового напора. Расход воздуха через открытые ворота для современного “герметичного” здания без зенитных и светоаэрационных фонарей приведен в табл. 1.
Таблица 1
|
Температура наружного воздуха |
Расход воздуха, м3/ч при размерах проема, м | |
|
3х3 |
4х4 | |
|
-25°С |
34000 |
67200 |
|
-40°С |
38800 |
74000 |
Если ворота открываются 5 раз в смену по 2 минуты (всего 10 минут), то теплопотери составят величины, приведенные в табл. 2.
Таблица 2
|
Температура наружного воздуха |
Теплопотери, кДж/смена (Гкал/смена) при | |
|
3х3 |
4х4 | |
|
-25°С |
350000 (1,47) |
684000 (2,87) |
|
-40°С |
570000 (2,39) |
1080000 (4,54) |
Для компенсации этих теплопотерь, например, в течение 10 минут после закрывания ворот потребовались бы воздухонагревательные устройства с мощностью от 120 до 360 кВт.
Защиту приведенных в примере ворот необходимо организовать завесами, суммарный расход воздуха и тепловая мощность которых приведены в табл. 3.
Таблица 3
|
Температура наружного воздуха |
Расход воздуха, м3/час / Тепловая мощность | |
|
3х3 |
4х4 | |
|
-25°С |
14000 / |
30000/ |
|
-40°С |
16000 / |
34000 / |
При действии указанных в табл.3 завес, через защищенные открытые ворота внутрь помещения втекает поток с температурой 12°С. Затраты энергии на работу завес и на компенсационный подогрев втекающего потока воздуха до 18°С приведены в табл. 4.
Таблица 4
|
Температура наружного воздуха |
Энергозатраты на работу завес + на подогрев втекающего потока до 18°С, кДж | |
|
3х3 |
4х4 | |
|
-25°С |
84600 + 25130 |
181200 + 53840 |
|
-40°С |
141600 + 28700 |
300000 + 61020 |
Если сопоставить энергозатраты на защиту ворот завесами по табл. 4, включая компенсационный подогрев втекающих в ворота масс воздуха, с теплопотерями через открытые ворота по табл.2, то экономия энергии составит 60 – 70%.
Типы завес по конструктивному исполнению
Диаметрального типа
Осевого типа промышленные

Канального типа промышленные

Центробежного типа промышленные
Раздел СФО-Ц
Рекомендации по подключению водяных завес к системе теплоснабжения
Следует помнить, что непринятие мер по выпуску воздуха из воздухонагревателя может привести к образованию воздушных пробок с последующим замерзанием теплоносителя и разрывом трубок.
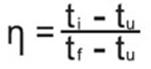
Двусторонняя вертикальная установка завес
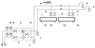
На рисунке вертикальная двусторонняя завеса 1 из четырех секций подключена к отопительной сети через смесительный узел 8.
Прямая (Т1) и обратная (Т2) магистрали имеют в верхних точках воздуховыпускные отводы с кранами 4 и 5, а в нижних точках сливные патрубки с кранами 6. В смесительном узле имеются шаровые краны 2 и 3. Для пуско-наладки завесы прямая и обратная магистрали сети должны быть оснащены манометрами 10 и термометрами 9. Краны 11 на входных и выходных патрубках воздухонагревателей предназначены для подключения к сети воздухонагревателей.
Завесы оснащены воздухонагревателем, имеющим два выпускных клапана 12 и 13. Это допускает любую ориентацию воздухонагревателя по вертикали.
Порядок подключения
1) Температура в помещении должна быть выше 0°С.
2) Установить и закрепить завесу на кронштейнах возле проема.
3) Через гибкие патрубки и краны 11 присоединить входные и выходные патрубки завесы к сети.
4) Заполнить систему водой, открыв кран 3 (кран 2 закрыт), все краны 11,5 и кран 7 на магистрали Т2. После прекращения выхода воздуха через краны 7 и 5 их следует закрыть.
5) Закрыть краны 11. Вывернуть резьбовые заглушки клапанов 12 и 13 в верхних частях завес. Надеть на них резиновые трубки и поместить концы трубок в сосуды с водой. Открыть краны 11. После видимого выхода воздуха из трубок (прекращение выхода пузырьков воздуха) закрыть краны Постановить резьбовые заглушки на место.
6) Открыть краны 11,2,4 и 5 для окончательного выпуска воздуха из системы. Закрыть краны 4 и 5.
При расположении кранов 6 не в самой нижней точке (на рисунке – слева) слив воды из воздухонагревателей. осуществляется через клапаны 12.
Горизонтальная установка завес
|
Смесительные узлы водяных завес
Раздел Пульты управления и системы микроклимата
Термостаты защиты от замерзания водяных завес
Термостаты защиты от замерзания погружные или накладные, предназначены для сигнализации при уменьшении температуры воды в обратном трубопроводе ниже +5°С. При этом вентиляторы завесы должны быть выключены, для чего необходимо подключать завесу через контакты термостата. Также возможна сигнализация на
пульт диспетчеру (наличие сухих контактов у термостата). Дополнительная комплектация.
КОНЦЕВЫЕ ВЫКЛЮЧАТЕЛИ
Для управления завесой посредством концевого выключателя его необходимо подключить в соответствии с приведенной схемой, при этом для управления в автоматическом режиме нижний скользящий переключатель пульта управления необходимо перевести в среднее положение (пульт управления выключен).
При открытии ворот получает питание пульт управления, который включает вентилятор (на установленной на пульте управления скорости) и режим максимального нагрева (без термостата).
После закрытия ворот и окончания режима продувки, завеса выключается. Дополнительная комплектация.
Для водяных завес (при наличии смесительного узла) питание подается на привод клапана, который открывается на максимальный расход теплоносителя.
Следует помнить, что при работе завесы с концевым выключателем, при открытых воротах, режим нагрева будет всегда включен вне зависимости от установки термостата пульта управления. Для отключения режима нагрева необходимо перевести завесу в ручной режим.
Время полного нагрева ТЭНов завес составляет 1-2 мин, время полного открытия клапана такого же порядка. Поэтому в первые минуты открывания ворот из завесы выходит струя, постепенно нагревающаяся от температуры всасываемого воздуха до температуры, определяемой подводимой тепловой мощностью.
Цены от производителя
8 (4
Рекуператоры “воздух-воздух”
Цены от производителя
8 (4
Общие данные
Введение
Рекупера́ция (от лат. recuperatio — «обратное получение») — возвращение части материалов или энергии для повторного использования в том же технологическом процессе. Что с удорожанием энергоресурсов становится все актуальнее. По данным расчетов ученых, к 2017г. стоимость восстанавливаемых и невосстанавливаемых энергоресурсов сравняется, тенденцию чего каждый уже ощущает на себе. Забирая в холодное время года с наружи свежий воздух, для притока системы вентиляции его необходимо обязательно подогревать. Подготовленный воздух попадает в помещения и затем забирается оттуда вытяжными системами, т. е. нагретый, теплый воздух в прямом смысле улетает в трубу, как и средства на его нагрев. В случае с воздухом, рекуператор устройство в котором происходит теплообмен, в случае холодного периода года, то передается тепло от вытяжного воздуха – приточному, а в теплый период года теплый наоборот. Существуют типы рекуператоров приумножающие тепло, забранное от вытяжного воздуха с помощью фреонового контура в разы и имеющие за счет этого "тепловое КПД" 450-550%, но о них ниже. Беря во внимание любое типовое здание, которое выполнено согласно действующих строительных нормативов (действующих в Украине, России или ЕС), доля затрат на приточную вентиляцию в холодный период года в таком здании, по расчетам будет выше затрат на отопление (компенсацию теплопотерь). Энергосбережение с помощью рекуператоров "воздух-воздух" уже поняли и давно эксплуатируют многие крупные сети супермаркетов, магазинов, владельцы бизнесс-центров сдающие их в аренду, владельцы элитных квартир в многоэтажках, в промышленности. Но строительство в Украине жилых зданий оборудованных энергосберегающими установками редкость. Обусловлено это часто заблуждениями. Например многие потребители считают, что в расчете мощности отопления заложены мощности на нагрев наружного воздуха, что совсем не так. Да, заложена инфильтрация – неконтроллированный приток воздуха через неплотности стройконструкций, но никак не вентиляция или так сказать воздух для дыхания. Никто же не пожелает дышать, например через теплоизоляцию. Да и затраты на инфильтрацию в расчете теплопотерь отопления часто не превышают 10-15%, т. к. ее доля невелика и такой мощности крайне недостаточно для приточной вентиляции. Со всего вышесказанного, приходит неутешительный вывод – часто, да практически всегда, в современных системах жилого строительства не учтены затраты в зимний период года на приточную вентиляцию (нагрев наружного воздуха), т. е. на воздух для дыхания! Вам по сегодняшней тенденции без механической, приточной вентиляции просто дышать не предусмотрено вообще еще на стадии проектирования здания. Вот возьмите типовой проект коттеджа, он обычно без приточной механической вентиляции, там нагрузки на отопление и ГВС, а про воздух совсем забыли, точнее им повсеместно пренебрегают. Наверно потому что воздух прозрачный, думаю воду с желтым оттенком они бы вряд-ли бы пили, хотя "убегают" от мегаполиса за чистым воздухом и водой. Ситуация на нашем рынке радикально изменилась с появлением современных, высококачественных окон с высокоплотными притворами и стеклопакетами, которые практически на нет сводят долю приточного воздуха. Не даром и сами рекуператоры пришли к нам из ЕС с первыми поставками вентиляционного оборудования производимого в ЕС, еще в 90х, тогда европейцы быстро осознали проблемы воздухообмена и энергосбережения требующих первоочередного решения. На сегодня в ЕС чаще встретишь новый дом с рекуператором, чем без него. В морозы потребители без приточной вентиляции, в ущерб воздухообмену, что бы не мерзнуть закрывают приток воздуха (нет мощностей на его нагрев). Даже не много приоткрытое окно, почти не заметное при положительной температуре наружного воздуха, будет восприниматься как крайне не желательное и создающее тепловой дискомфорт при глубоко отрицательной температуре наружного воздуха (Киев расчетная -220C), что все же вынудит человека закрыть окно. Ранее, в эпоху "советстких" окон их конопатили для уменьшения расхода приточного воздуха, обрекая себя и своих детей на герметичнозамкнутое помещение – "стах и ужас" сегодняшнего строительства прописанный во многих научных общедоступных трудах. Снижается уровень кислорода, повышается содержание углекислого газа, радона и пр., что отрицательно сказывается и на текущем самочувствии, и на общем состоянии здоровья людей. Столкнувшись с этим, люди, порой даже не осознавая причин повышенной утомляемости, снижения работоспособности и других симптомов недомогания, формулируют свое видение проблемы очень просто — «в помещении душно», и открывают (приоткрывают) окна, тем самым сводя практически на нет их энергосберегающую функцию. Отсюда и проблемы "плачущих окон", обратной тяги и существенное превышение мощностей при эксплуатации в морозы. При увеличении перепада температур внутри и снаружи помещения, соответственно увеличивается приток наружного воздуха ("тяга") и неконтролированный расход наружного воздуха вносит холод и влагу. Напомним, расчетная влажность в холодный период согласно СНиП 2.01.01-82 "Строительная климатологи и геофизика", г. Киев – 87%. Поэтому ответственные производители окон сообщают потребителю о необходимости организации приточной вентиляции, в России обыденностью стало прописывать ее наличие в договорах, опасаясь ранее частых судебных исков из-за повреждения помещений конденсатом и грибком, ухудшением самочувствия. В Европе в связи с начавшимся, после замены ранее установленных окон на современные энергосберегающие, ускоренным процессом разрушения зданий, стоявших до этого столетия, даже сформировался термин «синдром больного здания» и в настоящее время запрещена установка таких окон без выполнения специальных мер, обеспечивающих необходимую вентиляцию.
Расчет эффективности рекуператора
Для удобства расчеты приведены на примере притока наружного воздуха, взятого с параметрами, согласно СНиП 2.01.01-82 "Строительная климатологи и геофизика", что составляет в холодный период года, для г. Киева: tнач = -220С – температура начальная (снаружи); tкон = +220С – температура конечная (внутри помещения).
Затраты энергии на нагрев или охлаждение наружного воздуха, Вт:
Q = 0,335 х L х (tкон – tнач), где:
L – расход воздуха, м3/ч; tнач – температура начальная, 0С tкон - температура конечная, 0С Согласно СНиП 2.04.05-91У "Отопление и вентиляция", необходимо 3м3/ч на 1 м2 площади или на одного человека 60м3/ч наружного воздуха (большее из значений с учетом работы вытяжных систем), что при -220С составит на человека (площадь неизвестна): Q = 0,335 х 60м3/ч х (+220С – -220С) = 844Вт. Кто-то скажет, что 60м3/ч это реально много воздуха для физических потребностей только человека, прямого дыхания в легкие. Конечно, но в случае если Вы наденете акваланг и будете дышать на прямую. Сам по себе свежий воздух не будет летать именно за Вашим носом, а только загрязненный лететь в вытяжной канал улетая по-дальше от Вас. Плюс обычно люди передвигаются по помещениям. И на сегодняшний день наша цивилизация дошла только до целенаправленной подачи свежего воздуха, как раз системами механической вентиляции, особенно в воздушном душировани.

Для удобства в расчетах и принимая в учет работу вытяжных систем на полную мощность для "добротного" коттеджа, в размере 1000м3/ч наружного воздуха для компенсации вытяжного, мы получим затраты необходимые на его нагрев без рекуператора: Q = 0,335 х 1000м3/ч х (+220С – -220С) = 14738Вт = 14,7кВт. 1000м3/ч обоснованная цифра в наших рекомендациях – расход воздуха выше, это уже другой тип оборудования, значительно дороже повсеместно. К тому же имеет смысл использовать вентилятор на средних оборотах в обычном режиме эксплуатации, а при пиковой нагрузке включать на полную производительность, при этом шум конечно возрастет.
Энерго-эффективность или тепловой КПД рекуператора, Вт:
У различных типов рекуператоров КПД различное. Например, если мы берем пластинчатый перекрестный рекуператор с КПД, n=57%, то его энергосбережение, при таком перепаде температур будет Е = Q x n = 14738 х 0,57 = 8400Вт = 8,4кВт, где: Q – затраты энергии на нагрев или охлаждение воздуха, Вт; n – КПД рекуператора своей конструкции. Замечу, чем выше перепад температур, тем конечно выше КПД рекуператора любого типа. При детальном расчете следует учесть продолжительность отопительного периода при определенной температуре наружного воздуха. Но и даже такая величина, после рекуператора не учтена в расчете систем отопления, т. к. отопление и вентиляция это различные системы. Конечно КПД рекуператора, в любом случае ниже 100% и для догрева на недостающую тепловую мощность (все типы) и 100% мощности нагрева наружного воздуха в режиме байпаса (для пластинчатого типа), после рекуператора устанавливается нагреватель – калорифер, в зависимости от энергоносителя, часто электрический или водяной, но существует газовый, фреоновый типы. Следует заметить, что не только воздух необходим для дыхания, а часто вытяжные потребители воздуха, такие как: кухонные зонты, сан-узлы, котлы, камины, печи и другое технологическое оборудование, диктуют расход приточного воздуха на компенсацию вытяжного. И обычно этот расход, в разы выше расхода воздуха для дыхания, соответственно и затраты на его нагрев. Почему-то даже люди с высшим строительным образованием подсознательно считают что вся вентиляция это только вытяжные каналы, а вот как и откуда воздух в них попадет совершенно не задумываются, т. е. нет понимания, что на замену вытяжному воздуху необходим приток, а приточный воздух холодный и расчетная наружная температура холодного периода для Киева -220С. Современные здания, в которых не заложена тепловая мощность на потребности вентиляции крайне нуждаются в рекуператорах, а в свете подорожания энергоресурсов их рекомендовано закладывать в новые проекты, что на сегодня часто выполняется. В случая наличия рекуператора энерго-эффективность или тепловой КПД рекуператора, Вт:
tu – температура наружного воздуха; tf - температура удаляемого воздуха (до рекуперации); ti - температура приточного воздуха (после рекуперации). До недавнего времени рекуператоры часто являлись составной частью крупных, промышленных приточно-вытяжных установок (с советских времен), но сегодня компактные моноблочные или секции рекуператоров доступны для любого объекта в чем Вы убедитесь ниже сами. Компактные рекуператоры еще совсем недавно промышленностью не выпускались, т. к. по объективным причинам не были востребованы, а потому были не известны не только потребителям, но и профессионалам, работающим в соответствующих областях техники.
Типы рекуператоров
В зависимости от конструктива и возможности применения рекуператоры делятся на: 1. Пластинчатые 1 секция (классический тип) 2 секции 4 секции 2. Трубные Теплообменный аппарат ТТАИ 3. Роторные бытовые компактные промышленные 4. С промежуточным теплоносителем фреон-фреон - тепловые насосы вода-вода водяные калориферы где энергоноситель вода с добавками на базе этилегликоля 5. Тепловые трубы 6. Для дымоходов
Пластинчатые рекуператоры
Воздушные потоки разделены пластинами через которые происходит теплообмен. Принцип теплообмена (рекуперации) происходит без физического смешивания встречных потоков воздуха. Тепло удаляемого из помещения воздуха передаётся приточному воздуху посредством целлюлозных пластин теплообменных кассет. Движение воздушных потоков в кассетах перекрёстное. В таких секциях приточных установок нет подвижных частей, что продлевает срок их эксплуатации и делает относительно дешевыми.
Односекционные
В таких рекуператорах на пластинах может образовываться некоторое количество конденсата, а потому они должны быть оборудованы отводами для слива конденсата. В комплект пластинчатых рекуператоров стандартно входит штуцер, который устанавливается на съемную панель. Конструкция съемной панели представляет собой своеобразный поддон, в котором скапливается конденсат. Конденсатосборники имеют водяной затвор, не позволяющий вентилятору захватывать и подавать воду в канал. Из-за выпадения конденсата существует серьезный риск образования льда в холодное время года. КПД таких установок в обычном режиме около 70%, но при температурах ниже С выпадает конденсат и необходимо срабатывание системы оттайки рекуператора.
Существуют различные системы оттайки рекуператора пластинчатого. Некоторые, самые распостраненные у нас на рынке системы оттайки, могут даже привести к человеческим жертвам. Отнеситесь серьезно к системе оттайки.
Отсутствие у вас в пластинчатом рекуператоре системы оттайки и ваше надежда на высокое КПД, при работе без сбоев, говорит только о ошибке в подборе рекуператора. Это значит, что у вас в рекуператоре высокие скорости и банально теплообмен незначителен, конденсат если и выпадает то незначительно и учтите еще, что испарение при высоких скоростях происходит значительно быстрее. Т. е. ваш рекуператор имеет низкое КПД из-за высокой скорости в сечении.
Следует отметить приемы халтурщиков с лицензией на проектирование систем микроклимата, которые по инженерной тупости или умышленно для выигрыша тендера, проектируют рекуператор такого же сечения, что и вентилятор, фильтр, калорифер, шумоглушитель и т. д. Хотя конструктивно ясно даже по схеме выше, что потоки разделены пополам, на приточную и вытяжную линии. По сравнению с сечением вентилятора уменьшение сечения в два раза значит увеличение скорости в два раза, а значит СУЩЕСТВЕННОЕ ПАДЕНИЕ КПД.
Будьте бдительны!
Эффективность пластинчатых рекуператоров в зависимости от скорости потока воздуха одной типовой секции:
Установка на теплообменнике байпасного клапана позволяет предотвратить остановку системы и несколько снизить допустимую температуру наружного воздуха, но увеличивает и без того высокую стоимость теплообменника. Кроме того, обязательным условием является совмещение приточки и вытяжки в одной установке. Системы автоматики оттайки могут быть реализованы несколькими способами. Рекуператоры пластинчатые представлены как секциями для наборных приточно-вытяжных установок, так и как полностью закомплектованное оборудование в приточно-вытяжных установках Секция пластинчатого рекуператора для подсоединения воздуховодов:


Смонтированный и обвязанный воздуховодами пластинчатый рекуператор. Односекционные рекуператоры часто используются в промышленных приточно-вытяжных установках. Приточно-вытяжная установка на базе пластинчатого перекрестного рекуператора для нескольких помещений:



Двухсекционные
С главной проблемой рекуператоров – обмерзание – справляются, перекрывая забор воздуха с улицы и обогревая теплым вытягиваемым воздухом рекуператор. При низких уличных температурах пластинчатый рекуператор практически не выходит из обмерзшего состояния. Обмерзания рекуператора не происходит, установки прекрасно работают при температуре -250C. Немаловажным достоинством установки является отсутствие конденсата и тем самым, при монтаже, исключено неудобство вывода дренажного шланга.


Описание условных обозначений: М1 – вытяжной вентилятор;
М2 – приточный вентилятор;
S1 – датчик температуры уличного воздуха;
S2 – датчик температуры вытяжного воздуха*;
S3 – датчик температуры приточного воздуха;
DP1 – датчик загрязнённости фильтра;
TR1 – защитный термостат эл. нагревателя;
E1 – электрический нагреватель (возможно водяной);
F1 – воздушный фильтр вытяжного воздуха;
F2 – воздушный фильтр приточного воздуха;
K1, К2 – кассеты теплообменников рекуператора.
Подвесной монтаж оборудования и на основание.


Четырехсекционные и более
В установках эффективность энергосбережения путем набора секций может достигать 91%, что является высшим показателем в области. Немаловажным достоинством установки является отсутствие конденсата и тем самым, при монтаже, исключено неудобство вывода дренажного шланга.

Описание условных обозначений: M1 – Вытяжной вентилятор; M2 – Приточный вентилятор; S1 – Датчик температуры уличного воздуха; S2 – Датчик температуры вытяжного воздуха*; S3 – Датчик температуры приточного воздуха; DP1 – Датчик загрязнённости фильтра; TR1 – Защитный термостат эл. нагревателя; E1 – Электрический нагреватель; F1 – Воздушный фильтр вытяжного воздуха; F2 – Воздушный фильтр приточного воздуха; K1.1, К2.1, K1.2, К2.2 – Теплообменные кассеты.

Теплообменный аппарат ТТАИ
Такие рекуператоры, конструктивно представляя из себя одну из модификаций теплообменников ТТАИ для небольших помещений с расходом воздуха 30-130м3/ч (приток и вытяжка). Степень рекуперации декларируется 71%. Встроенные маломощные по давлению вентиляторы не позволяют подключать воздуховоды. Воздух на выходе из рекуператора низкой температуры и накладывает свою нагрузку на систему отопления, что в принципе инженерно не верно, т. к. эти нагрузки немаловажны, но не учтены в расчете теплопотерь систем отопления. В идеале установка калорифера для догрева до комнатной температуры. что возможно выполнить.


Монтироваться рекуператор может прямо на стене, или в специально предусмотренных нишах в стене (в этом случае есть вариант расположения корпуса рекуператора перпендикулярно плоскости стены), или в виде отдельного элемента интерьера помещения (например, будучи декоративно оформлен в виде полуколонны) и пр. При этом обеспечивается энергосбережение, комфортный тепловой режим и предусмотренные санитарными нормами уровни воздухообмена.

Роторные рекуператоры
Воздушные потоки разделены, теплообмен за счет лопастей вращающегося ротора между приточной и вытяжной линиями, при этом происходит смешивание воздуха около 5%. Один из самых энергоэфективных типов рекуператоров. Она позволяет рекуперировать не только тепло, но и влажность (естественно, при специальном исполнении ротора), что очень важно в зимний период. Возможность обмерзания ротора предотвращается уменьшением его скорости вращения, что, однако, сказывается на эффективности работы рекуператора. Основным недостатком этой системы является попадание воздуха из вытяжного канала в подающий канал, что исключает ее применение в «чистых» помещениях. Наличие вращающихся узлов (опоры, ремни, двигатель с редуктором) усложняет обслуживание системы и сильно повышает ее стоимость. Энергосбережение самое высокое, после "сложных" и более "дорогих" фреоновых, у роторных рекуператоров, – до 75-90%, в отличии от пластинчатых, – до 50-57% (величины % усредненные). Сферы их применения так же различны. Т. к. в роторных рекуператорах происходит смешивание приточного и удаляемого воздуха, то и нет той стерильности, что требуется, например, для больниц, а в коттедже никто не будет совмещать вытяжку с кухни или сан. узла с приточным воздухом (это запрещено СНиП). Но, в офисных и незагазованных производственных помещениях при воздухообмене больше 6000м3/ч уже через 2 года Вы сможете спокойно вспомнить, что «скупой платит дважды» и радоваться Вашей расторопности, т. к. цены на энергоносители, скорее всего, только вырастут. Так же, как и в системе с перекрестным теплообменником, необходимо объединение приточки и вытяжки в одной установке. Минус это стоимость по сравнению, например с пластинчатым типом, т. к. на сегодняшний день секции роторов на территории Украины не производятся, импортной поставки. Актуальны для систем с большим расходов воздуха.
|
Из за большого объема этот материал размещен на нескольких страницах:
1 2 3 4 5 6 7 8 |



После заполнения системы теплоносителем необходимо посредством кранов 4,5 удалить воздух из системы и воздушно-тепловых завес. Требуемый расход воды устанавливают балансировочным 

