Представлены вентиляторами канальными по типам:
- свободное колесо прямоугольные;
- горизонтальное колесо прямоугольные;
- боксовые прямоугольные;
- свободное колесо круглые.
Канальные вентиляторы свободное колесо прямоугольного сечения КВСП
В поисках рынка сбыта вентиляторов (предполагался запуск производственных мощностей) на украинском рынке нас в 2005г. посетила прибалтийская организация (с германскими инвестициями) . Нам была предложена роль представительства в Украине торговой марки EVR. Детально проведя анализ и сравнив технические характеристики всех представленных на тот момент канальных вентиляторов с колесом на боку, далее КВГП (канальный вентилятор с горизонтальным расположением колеса прямоугольного живого сечения) мы пришли к выводу, что канальные вентиляторы со "свободным колесом" значительно превосходят по давлению аналоги на базе КВГП.
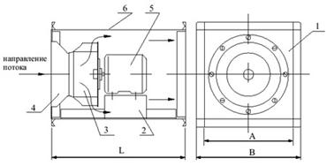
Свободное колесо это когда поток воздуха проходит насквозь вентилятора, прямолинейно, без поворотов как в канальнике с "горизонтальным колесом". За счет этого меньше потери давления, т. к. у канальника с "горизонтальным колесом" воздух заходит в колесо под прямым углом. От КВГП, вентиляторы со «свободным колесом» отличаются значительной повышенной производительностью по давлению (от 600 до 1600 Па), что дает возможность применять их в наборных приточных установках вместо дорогостоящих приточных камер. Отсутствие зажатия входного и выходного сечений вентиляторов, по сравнению с КВГП, позволяет получить более высокий КПД. [Gallery not found] Так в 2006г. мы вышли на международную выставку микроклимата в Киеве с первым в Украине вентиляторами со "свободным колесом", тип КВСП (канальный вентилятор со свободным расположением колеса прямоугольного сечения) и начали на своих объектах повсеместно их применять. На тот момент на рынке были представлены вентиляторы со "свободными" колесами, но они стоили значительно дороже "горизонтальных", были кубической формы, т. е. проигровали по габаритам (высоте, что актуально для потолков) и стоимости. Канальные вентиляторы, серий КВСП разработаны для установки непосредственно в сеть воздуховодов. [Gallery not found] Вентиляторы представляют собой конструкцию типа «свободное колесо» в котором крыльчатка установлена на валу электродвигателя. Корпус вентиляторов выполнен из оцинкованной стали, на фланцевом подсоединении. Модели 220В и 380В.
Компоненты:
1. Корпус.
2. Опора с регулированием "выноса" электродвигателя.
3. Крыльчатка на валу электродвигателя.
4. Диффузор.
5. Электродвигатель.
Канальные вентиляторы горизонтальное колесо прямоугольного сечения
Известны как обыкновенные "канальники", давно присутствуют на рынке. Если грубо, то это тот же вентилятор типа "улитка", но по бокам обшит стальными листами. За счет необходимости поступления воздуха в колесо под углом в 900 характеризуются потерей КПД вентилятора. Единственное преимущество – габариты по высоте и универсальность при монтаже, за счет типовых размеров живого сечения. В неизолированном, изолированном исполнении корпуса. Модели 220В и 380В.
В неизолированном исполнении корпуса КВГП
При использовании вентилятора на приток до калорифера его необходимо теплоизолировать рулонным, фольгированным, изоляционным материалом, во избежании выпадения конденсата, что дает преимущество в подавлению уровня шума к окружению.
Необходима установка шумоглушителей и гибких вставок для подавления аэродинамического и механического типов шума.
Неудобство обслуживания при использовании рулонной изоляции виду необходимости доступа к вентилятору (разрезать или расклеивать изоляцию).
Корпус выполнен из оцинкованной стали, на фланцевом подсоединении.
В тепло-шумо изолированном исполнении корпуса
КВГПИ
Изоляция уменьшает вероятность выпадения конденсата снаружи корпуса вентилятора.
Необходима установка шумоглушителей и гибких вставок для подавления аэродинамического и механического типов шума.
Значительно понижает уровень шума к окружению ввиду шумоизоляции корпуса.
Корпус выполнен из сендвич-панелей из оцинкованной стали (по желанию окраска), на фланцевом подсоединении.
Канальные вентиляторы боксовые прямоугольного сечения (КВБ)
Вентиляторный бокс состоит из вентилятора, электродвигателя, клиноременной передачи и рамы, помещенных в шумоизолирующий корпус, который представляет собой каркасную конструкцию, состоящую из ригелей и стоек специального профиля, соединенных между собой угловыми элементами. К каркасу через уплотнительные прокладки крепятся панели ограждения, выполненные из двух слоев металла, пространство между которыми заполнено звукоизолирующим материалом. Для доступа к вентилятору корпус со стороны обслуживания оборудован специальными дверцами или съемными панелями. Основной конструктивный материал, применяемый в боксах – листовая оцинкованная.
В установках используются вентиляторы двустороннего всасывания. Использование клиноременной передачи позволяет точно подобрать необходимые параметры вентилятора. В настоящее время предлагаемый типоразмерный ряд покрывает диапазон расходов от 500 до 40 000 м3/ч, и позволяют развивать давление до 3000 Па. Возможно внутреннее и наружное исполнение боксов. Вентиляторные боксы выгодно отличаются от канальных вентиляторов при рабочей точке с высокими расходами воздуха и давлении. Позволяют существенно удешевить и создать более «гибкую» систему вентиляции отказавшись от приточных установок. Вентиляторы могут комплектоваться электродвигателями с разной частотой вращения и различными диаметрами шкивов, что позволяет при одинаковом типоразмере подобрать оптимальную рабочую точку.
Канальные вентиляторы свободное колесо круглого сечения (КВСК)
Изобретены шведской фирмой "Kanalflakt", от которого впоследствии ушел недовольный разработчик и партнер создав шведскую "Ostberg". Эти организации вместе с германским "MAICO" доминировали с начала 90-х на рынке вентиляционного оборудования пока в новом тысячелетии не пришли аналоги с Италии, Испании, Турции, России.
Все вентиляторы возможно комплектовать ЕС двигателями или частотными, ступенчатыми (трансформаторными) регуляторами оборотов, соответственно производительности.
Цены от производителя
8 (4
Шумоглушители
Цены от производителя
8 (4

Общие данные
Низкий уровень шума при работе систем вентиляции и кондиционирования воздуха является очень важным показателем. Шум является одним из основных источников нарушения комфортного состояния. Поэтому при разработке систем и подборе соответствующего оборудования обязательно должен учитываться акустический фактор.
Шумы и звуки создаются волнами, возникающими при сжатии и расширении, в воздухе, воздуховодах системе гидравлики, в жидкостях, передвигающихся по трубам. Скорость распространения звука в воздухе – около 340 м/с.
Основным параметром шума является его частота. Она соответствует количеству колебаний в секунду волн расширения и сжатия. Единицей измерения частоты является герц. Один герц (1 Гц) равен одному колебанию в секунду. Человек способен различать звуки в пределах от 20 Гц до 20000 Гц.
При нормальных условиях работы систем вентиляции и кондиционирования воздуха рассмотрению подлежит узкий спектр частот, как правило, от 63 Гц до 8000 Гц. Полоса частот подразделяется на восемь стандартных групп волн, называемых "октавными полосами частот" Каждая группа определяется средней для нее частотой волн: 63 Гц, 125 Гц, 250 Гц, 500 Гц, 1000 Гц, 2000 Гц, 4000 Гц, 8000 Гц. Подразделение по октавным полосам частот помогает представить звуковой спектр шума с распределением звуковой энергии по разным частотам.
Для правильного осуществления контроля за уровнем шума при работе систем вентиляции и кондиционирования воздуха важно учитывать следующие основополагающие правила:
- наличие некоторого шума в помещении неизбежно;
- система вентиляции и кондиционирования может непосредственно является источником шума либо передавать его в другие помещения с меньшим уровнем шума;
- для обеспечения максимальной эффективности при умеренных затратах меры по контролю за уровнем шума должен предусматриваться на стадии проектирования системы.
Одним из наиболее эффективных способов снижения уровня шума в системах вентиляции и кондиционирования воздуха является наличие в системе шумоглушителей, которые снижают уровень шума создаваемый агрегатами вентиляционной системы.
Метод подбора глушителя шума
Шум – это случайные колебания звуков различной интенсивности и частоты. В обиходе шумом принято называть нежелательный, мешающий человеку звук. Подобно любому другому волновому процессу, звук характеризуется частотой колебаний. Частота колебаний (f) связана со скоростью звука и длиной волны следующим выражением:
![]()
где
– длина волны, м; с – скорость звука, м/с (в воздухе с = 340 м/с).
За единицу частоты принят герц (Гц), равный одному колебанию в секунду (1/с). Частота звука, воспринимаемого ухом человека, лежит в пределах от 20 Гц доГц. Звуковые колебания с частотой меньшей 20 Гц называют инфразвуком, большеГц – ультразвуком.
В каждой точке звукового поля при распространении звуковой волны будут попеременно возникать деформации сжатия и разрежения, что приведет к изменению давления в среде по сравнению с атмосферным давлением. Разность между атмосферным давлением при отсутствии звукового воздействия и давлением в каждой точке звукового поля называется звуковым давлением (p). Фазе сжатия соответствует положительное значение звукового давления, фазе разрежения – отрицательное. Единицей измерения звукового давления является паскаль (Па). Величина звукового давления слышимого человеком звука изменяется в очень больших пределах – в 107 раз. Учитывая трудности, связанные с использованием абсолютных значений звукового давления, эту величину принято оценивать в относительных логарифмических уровнях звукового давления, измеряемых в децибелах (дБ). Каждое значение этой логарифмической шкалы соответствует изменению звукового давления в определенное число раз.
Уровень звукового давления, выраженный в логарифмической шкале, находится по формуле
![]()
где рср – среднеквадратичное значение звукового давление, Па; р0ср – среднеквадратичное значение звукового давления, соответствующее порогу слышимости и принятое за начало отсчета, р0ср=2×10-5 Па.
Введение уровня звукового давления позволило преобразовать огромный диапазон звукового давления в практически удобный диапазон уровней звукового давления. Например, болевому порогу восприятия звука человеком соответствует звуковое давление pср = 2×102 Па. Подставляя это значение в формулу (2), получим, что относительно порога слышимости изменение уровней звукового давления составит 140 дБ, а не 107 раз, как для звукового давления.
Другое преимущество звукового давления заключается в том, что изменение его на 1 дБ приблизительно соответствует минимальному, едва ощутимому человеком изменению громкости звука.
При работе вентилятора и движении воздуха по элементам сети возникают колебания частиц воздуха, служащие источником шума. Также посторонние шумы могут передаваться из помещения в помещение по соединяющим их вентиляционным каналам (так называемый вторичный шум). Рассмотрим основные источники шума.
1. ШУМ ОТ ВЕНТИЛЯТОРА.
Вентилятор является основным источником шума в вентиляционных системах. Его шум складывается из аэродинамической и механической составляющих.
Аэродинамический шум вентилятора вызывается пульсациями давления и скорости потока воздуха в проточной части вентилятора и в примыкающих воздуховодах. Основная (критическая) частота этого шум (fs) зависит от частоты вращения рабочего колеса:
![]()
где n – число оборотов вентилятора, об/мин; s – число лопаток вентилятора.
Механический шум возникает от работы электродвигателя, подшипников и т. п. Этот шум имеет широкий спектр, который имеет как частоты, кратные частоте вращения вентилятора, так и частоты ударного возбуждения механических колебаний деталей конструкции.
2. АЭРОДИНАМИЧЕСКИЙ ШУМ, ВОЗНИКАЮЩИЙ В ВОЗДУХОВОДАХ.
Аэродинамический шум в воздуховодах в первую очередь образуется, когда поток воздуха проходит острые грани, заслонки, зауженные участки, направляющие лопатки в прямоугольных отводах и т. п. Любая острая грань или препятствие на пути потока воздуха создает турбулентность потока и шум.
3. СТРУКТУРНЫЙ ШУМ.
Структурным называют шум при излучении его строительными конструкциями здания, жестко связанными с каким-либо вибрирующим механизмом, например, корпусом вентилятора. Для его снижения необходимо применять резиновые или пружинные виброизолирующие аммортизаторы под опоры вибрирующих агрегатов, гибкие вставки в воздуховоды и т. п.
Нормирование шума
Для оценки уровней шума в помещениях весь частотный диапазон был разбит на отдельные полосы – октавы. Среднегеометрические частоты октавных полос, на которых производится нормирование шума, строго стандартизированы: 63, 125, 250, 500, 1000, 2000, 4000 и 8000 Гц. Шум считается допустимым, если измеренные с помощью шумомера или теоретически определенные уровни звукового давления (L) во всех октавных полосах нормируемого диапазона частот (31,5 – 8000 Гц) не превышают нормативных
значений.
Применяют и другой метод нормирования шума, основанный на интегральной оценке всего частотного диапазона «одним числом» при измерении шума с помощью характеристики «А» шумомера. В этом случаев спектре шума уменьшаются составляющие на низких и средних частотах (до 1000 Гц), что примерно соответствует характеру восприятия шума человеком на различных частотах. Определяемый уровень при этом называется уровнем звука (LA) и характеризуется одним числом в дБА.
Нормирование шума производится в соответствии с требованиями СНиП «Защита от шума». Предельно допустимые уровни шума для жилых комнат квартир, номеров гостиниц, помещений офисов и кафе зависят не только от времени суток, но и от категории комфортности здания: А – высококомфортные условия, Б – комфортные условия, В – предельно допустимые условия. Кроме того, предельно допустимые уровни шума от оборудования систем вентиляции и кондиционирования воздуха следует принимать на 5 дБ (или 5дБА) ниже указанных в СНиП. Предельно допустимые уровни звукового давления в октавных полосах частот и уровни звука в дБА от работы систем вентиляции и кондиционирования воздуха представлены в СНиП с учетом поправки –5 дБ (дБА).
ОПРЕДЕЛЕНИЕ УРОВНЕЙ ЗВУКОВОГО ДАВЛЕНИЯ В ПОМЕЩЕНИИ ПРИ РАБОТЕ ВЕНТИЛЯЦИОННОЙ СИСТЕМЫ
Для того, чтобы правильно подобрать необходимый тип глушителя шума прежде всего необходимо определить уровни шума, которые создает в помещении работающая вентиляционная система. Данный расчет проводится в соответствии с требованиями СНиП и Руководства по расчету и проектированию шумоглушения вентиляционных установок.
Расчет уровней звукового давления проводиться для восьми октавных полос нормируемого диапазона частот со среднегеометрическими частотами 63; 125; 250; 500; 1000; 2000; 4000; 8000 Гц. Рассмотрим пример – шум от вентилятора распространяется по воздуховодам и излучается в помещение через воздухораспределительную решетку. В этом случае решетка будет являться источником шума (ИШ) в помещении.
Исходные данные для расчета: тип помещения – офис, категории по комфортности Б, площадь помещения – 50 м2, высота – 3 м, объём – 150 м3. Вентиляционная система включает в себя вытяжной вентилятор, три воздуховода сечением 500×300 мм длиной l1 = 5 м, l2 = 2 м, l3 = 1 м. Воздухоприемная решетка имеет размеры 150×100 мм и расположена под потолком посередине стены. Расстояние от середины решетки до расчетной точки (рабочее место) r = 1,5 м.
Расчет включает в себя несколько основных этапов:
1) В помещении необходимо выбрать расчетную точку (РТ), в которой будет производиться расчет уровней звукового давления, и определить расстояние от нее до источника шума (решетка). Внутри помещений их следует выбирать на рабочих местах, ближайших к источникам шума (на высоте 1,2 – 1,5 м от уровня пола). В нашем примере расстояние от середины решетки до ближайшей расчетной точки
(рабочее место) r = 1,5 м.
2) Определяются характеристики каждого элемента вентиляционной системы:
а) Октавные уровни звуковой мощности (УЗМ) вентилятора, LР, дБ – определяются по техническому паспорту вентилятора.
б) Снижение октавных УЗМ вентилятора на прямолинейных участках вентиляционных каналов, dL, дБ – определяются по таблице, в зависимости от типа поперечного сечения канала (прямоугольное, круглое) и от его гидравлического диаметра
![]()
где: S, мм2 – площадь поперечного сечения канала; P, мм – периметр канала.
в) Снижение октавных УЗМ вентилятора на поворотах под углом 90o, dL, дБ – определяются по таблице в зависимости от ширины канала в месте поворота.
г) Снижение октавных УЗМ вентилятора за счет отражения звука от открытого конца воздуховода (от решетки), dL, дБ – определяются по таблице в зависимости от геометрических параметров решетки и от ее расположения в помещении.
д) Суммарное снижение октавных УЗМ вентилятора всеми элементами вентиляционной сети, dLсети, дБ – определяется путем сложения вышеперечисленных характеристик элементов сети (кроме пункта а).
Определение характеристик вентиляционной сети для рассматриваемого примера приведено в таблице.
3) Определяется вклад помещения в УЗМ, создаваемые вентиляционной системой.
Влияние помещения необходимо учитывать, потому что за счет обработки поверхностей помещения, наличия людей, мебели и т. п. шум вентиляционной системы поглощается и рассеивается.
![]()
где Ф – фактор направленности излучения источника шума на расчетную точку (определяется по паспортным данным на решетку; при ориентировочных расчетах принимается Ф = 1);
W – пространственный угол излучения источника шума, радиан (определяется по табл. 5 в зависимости от расположения ИШ относительно поверхностей помещения);
r – расстояние от акустического центра ИШ до РТ, м (определяется в зависимости от расположения рабочих мест в помещении);
В = В1000. m – постоянная помещения, м2; В1000 – постоянная помещения на частоте 1000 Гц, м2 (определяется по таблице в зависимости от типа и объема помещения); m – частотный множитель (определяется по таблице в зависимости от объема помещения).
Определение вклада помещения в УЗМ вентиляционной системы для рассматриваемого примера приведено в таблице.
4). Определяются октавные уровни звукового давления (УЗД), создаваемые в помещении вентиляционной системой:
![]()
где LР – октавные УЗМ вентилятора, дБ; dLсети – суммарное снижение октавных УЗМ вентилятора всеми элементами вентиляционной сети, дБ; dLпом – вклад помещения в УЗМ вентиляционной системы, дБ.
Определение октавных УЗД для рассматриваемого примера приведено в таблице.
4.1) Если объем помещения не превышает 120 м3, а расчетная точка расположена на расстоянии не ближе 2 м от источника шума (решетки), то октавные уровни звукового давления определяются по упрощенной формуле:
![]()
где LР – октавные УЗМ вентилятора, дБ; dLсети – суммарное снижение октавных УЗМ вентилятора всеми элементами вентиляционной сети, дБ;
В = В1000 x m – постоянная помещения, м2; В1000 – постоянная помещения на частоте 1000 Гц, м2 (определяется по табл. 6 в зависимости от типа и объема помещения); m – частотный множитель (определяется по табл. 7 в зависимости от объема помещения).
4.2) Если в помещении расположены несколько вентиляционных решеток, относящиеся к одной вентиляционной системе, то в формулах (5) и (6) величину dLсети следует определять только до первой решетки, которая выходит в помещение.
4.3) Если в помещении расположены несколько вентиляционных решеток, относящиеся к разным вентиляционным системам (например, отдельные приточная и вытяжная системы), то уровни звукового давления следует определять отдельно для каждой системы, а затем их энергетически суммировать для каждой октавной частоты по формуле:
![]()
где L1, L2, …, Ln – уровни звукового давления, создаваемые соответствующими источниками в расчетной точке; n – количество источников шума (вентиляционных решеток) в помещении.
Формула (7) также может использоваться для суммирования уровней шума вентиляционной системы с уровнями шума других источников, находящихся в помещении (например, шум технологического оборудования, шум из соседних помещений и т. п.)
ОПРЕДЕЛЕНИЕ ТРЕБУЕМОГО СНИЖЕНИЯ УРОВНЕЙ ЗВУКОВОГО ДАВЛЕНИЯ В ПОМЕЩЕНИИ
Величина требуемого снижения УЗД, создаваемых вентиляционной системой, определяется в зависимости от допустимых уровней шума, установленных СНиП . Допустимые уровни шума для различных типов помещений от работы систем вентиляции приведены в табл. 1
![]()
где L – октавные УЗД, создаваемые в помещении вентиляционной системой, дБ; Lдоп – допустимые октавные УЗД в помещении, дБ.
Определение требуемого снижения УЗД для рассматриваемого примера приведено в таблице.
ВЫБОР ТРЕБУЕМОГО ГЛУШИТЕЛЯ ШУМА ДЛЯ ВЕНТИЛЯЦИОННОЙ СИСТЕМЫ
При выборе глушителя шума необходимо соблюдать простое правило: акустическая эффективность глушителя (статическое снижение шума глушителем) должна быть выше требуемого снижения УЗД в помещении для всех октавных частот:
![]()
где D – статическое снижение шума глушителем, дБ (определяется по каталогу); dLтреб – требуемое снижение УЗД в помещении, дБ.
Для того чтобы обеспечить эффективное снижение шума в помещении, рекомендуется выбирать глушители, имеющие акустическую эффективность на 10-30% больше, чем требуемое снижение УЗД на всех октавных частотах. Это позволяет учесть возможные пиковые повышения уровней шума при включении-выключении вентилятора.
Основные серийно производимые типы

ГЛУШИТЕЛИ ТРУБЧАТЫЕ КРУГЛЫЕ ГТК-01Конструкция состоит из двух цилиндров, один из которых расположен внутри другого, а пространство между ними заполнено изоляцией, понижающей шумы. Внутренний слой поглотителя шума перфорированный, на концах имеются специальные переходники для монтажа в круглый воздуховод. Корпус выполнен из оц. стали. с одним фальцевым швом, крепление боковых частей выполнено фальцем (без заклепок и саморезов). .
Трубчатые шумоглушители, как правило, устанавливаются на воздуховоды диаметром до 500мм.
|
Цены от производителя
8 (4
Клапаны вентиляционные
Цены от производителя
8 (4
Обратные типа "бабочка" ОКК круглый и ОКП прямоугольный

Обратные гравитационные клапаны ГКК и ГКП
Клапан гравитационный предназначен для вентиляции одностороннего действия.
Положение лопаток определяется силой воздушного потока.
Клапаны гравитационные выполнены из стального профиля.
Вид климатического исполнения клапана – УХЛ 4 по ГОСТ .
Клапан может быть установлен как в горизонтальном, так и в вертикальном участках воздуховода. При установке в вертикальном воздуховоде поток воздуха должен быть направлен снизу вверх.

Запорно-регулирующие жалюзийные под привод или с ручным управлением ЖК
Клапаны воздушные применяются для плавного регулирования расхода воздуха подаваемого в системы вентиляции и кондиционирования воздуха. Клапаны воздушные предназначены для пропуска воздуха или невзрывоопасных смесей, не содержащих липких и волокнистых веществ и с температурой от 400С до +700С. Клапаны воздушные предназначены для работы при перепаде давления до 1 800 Па без деформации при длине створок 1 м.
Максимально допустимая скорость воздушного потока 15 м/с.


Дроссель под привод или с ручным управлением
Дроссель клапаны предназначены для регулирования количества проходящего через воздуховоды воздуха. Дроссель клапаны изготавливаются из оцинкованной стали на ниппельном или фланцевом соединении и состоят из корпуса, узла управления и полотна.

Шиберы
Шиберы представляют из себя металлический карман, внутри которого поступательно перемещается заслонка. Шиберы используются для регулирования потока воздуха, проходящего через воздуховоды. Кроме того шибер может использоваться в качестве заглушки во время запуска вентилятора для предотвращения перегрузки его электродвигателя.

Наша компания производит любые типы вышеуказанных клапанов.
Цены от производителя
8 (4
Тепловые завесы
Цены от производителя
8 (4

Общие данные
Назначение
Воздушно-тепловые завесы для (ворот, дверей, окон) проемов это энергосберегающий элемент систем отопления и вентиляции зданий всех типов и назначений. Тепловые завесы, как правило, используются в помещениях с большой проходимостью людей и частым открыванием дверей (например, в складских(промышленных помещениях) помещениях, гаражах, автомойках и т. д.). Это приводит к проникновению холодного воздуха в помещение. Для того чтобы разделить воздушные зоны на теплую и холодную по обе стороны проемов дверей и окон, создается зона повышенного давления. Горизонтальные или вертикальные воздушные завесы располагаются над дверным проемом или по бокам дверных проемов и благодаря высокоскоростному воздушному потоку создают невидимый барьер между помещением и улицей. Благодаря этому, холодный воздух практически не проникает вовнутрь и не дает теплому воздуху выходить наружу.
Образование в плоскости проема ворот воздушной струи создает преграду на пути проникновения холодного или теплого наружного воздуха. Воздушная струя по мере продвижения от щели завесы смешивается с одной стороны с наружным воздухом, с другой с воздухом внутри помещения, приобретая некоторую среднюю температуру. В правильно подобранной завесе средняя температура струи tсм в самой дальней от щели точке проема ворот должна находиться в нормируемых пределах.

Значение средней температуры струи tсм зависит от следующих исходных данных:
- температуры воздуха на выходе из щели завесы – tз, °С;
- температуры наружного воздуха tн, °С;
- температуры воздуха внутри помещения tв, °С;
- скорости ветра V, м/с;
- скорости воздуха на выходе из щели завесы V, м/с;
- размера ворот вдоль распространения струи В, м;
- ширины щели b, м.
Устройство
Завеса имеет корпус, изготовленный из листовой стали, внутри которого расположены воздухонагреватель (электрический или водяной), вентилятор, сопло для выхода струи (фильтр). Вентилятор всасывает воздух из помещения, поток воздуха нагревается в воздухонагревателе и выбрасывается через сопло в виде струи в плоскости проема или под углом к ней.
Завесы устанавливаются горизонтально над проемом или вертикально возле проема (одно - и двусторонние). Как правило, струя, истекающая из завесы, должна иметь размах, равный ширине или высоте проема. Поэтому важнейшим из габаритных размеров завесы является ее длина. Если размер стороны проема, вдоль которой устанавливается завеса, больше длины завесы, то выстраивают в ряд несколько примыкающих друг к другу завес, перекрывающих суммарной длиной сторону проема.
Вентилятор
Диаметрального типа
В подавляющем большинстве бытовых и полупромышленных завес использованы вентиляторы диаметрального типа (cross-fow-fan). Длинное рабочее колесо (от 6 до 9 диаметров) такого вентилятора располагается вдоль корпуса завесы. Это позволяет организовать равномерное по длине завесы всасывание воздуха и его подачу в сопло, что способствует правильному формированию истекающей из завесы заградительной струи.
|
Из за большого объема этот материал размещен на нескольких страницах:
1 2 3 4 5 6 7 8 |











