Измерение вибраций, ускорений и шумности. В приборах измерения параметров колебаний и вибраций широко применяют колебательные системы. Из теории колебаний известно, что перемещения у массы т (рисунок 48, а) связаны с ускорением j выражением
,
где ω0 =
- частота собственных колебаний массы m на упругом элементе жесткостью С;
А - коэффициент пропорциональности, зависящий от отношения частот d и степени демпфирования ε.

а - силовом; б - кинематическом
Рисунок 48 Схема колебательной системы с одной степенью свободы при различном возбуждении колебаний
Величина
d = ΩB/ ω0,
где ΩB - частота вынужденных колебаний, возбуждаемых силой
Р = РаsinΩВt.
Степень демпфирования (коэффициент апериодичности)
,
где kд - коэффициент сопротивления демпфера.
Из рисунок 49 видно, что при отношении Ωв/ω0 = 0÷0,5 определяющая амплитудно-частотную характеристику системы величина А ≈ 1, а при ΩB/ω0 = 2÷3 значения А → 0.


Рисунок 49 Амплитудно-частотная характеристика колебаний системы
Длина участков, а значит и частотный диапазон, на котором величину А можно считать постоянной, задаваясь допустимым отклонением, зависит от степени демпфирования ε. При оптимальном демпфировании можно получить наибольший диапазон рабочих частот, в пределах которого упругую систему можно использовать как преобразователь ускорения.
В первичных преобразователях вибрации измеряется смещение корпуса упругой системы относительно неподвижной инерционной массы, сохраняющей свое положение в пространстве при увеличении частоты колебаний, начиная с величины (2-3) ω0. Отношение относительного перемещения инерционной массы и корпуса прибора уотн к перемещению корпуса qK вместе с исследуемой точкой (см. рисунок 48, б)
.
Когда коэффициент А → 0, отношение перемещений уотн/qK → -1. Знак минус свидетельствует о смене фазы между перемещениями. Таким образом, для измерения вибраций и ускорений можно использовать одно и то же устройство, но частотный диапазон измерителя вибрации должен быть больше (2-3) ω0. Нижний предел диапазона частот зависит от величины демпфирования, а верхний - ограничен частотными характеристиками усилительной или регистрирующей аппаратуры.
Конструкция преобразователей ускорения и вибрации зависит от способа преобразования перемещений инерционной массы в электрический сигнал. Например, в тензометрических преобразователях тензорезисторы реагируют на деформацию упругих элементов, поддерживающих инерционную массу. В этом случае можно применять типовую тензоаппаратуру.
В индуктивных преобразователях перемещение инерционной массы вызывает изменение индуктивности обмоток, что регистрируется специальной аппаратурой, например, ВИ6-5МА. В некоторых видах виброаппаратуры применяют пьезоэлектрические преобразователи, в которых ЭДС возникает под действием инерционной нагрузки. Пьезоэлектрические преобразователи могут иметь массу всего в несколько граммов, а использовать их можно в широком диапазоне частот. Однако для измерения постоянных составляющих процессов они не пригодны. В этом случае применяют индуктивные или тензорезисторные преобразователи.
Рассмотрим преобразователи виброаппаратуры ВИ6-5МА. Пластины 1 (инерционная масса) преобразователя ускорений ДУ-5 (рисунок 50, а) замыкают магнитный поток сердечника через воздушный зазор.

а - ускорений ДУ-5; б - вибрации ДВ-1
Рисунок 50 Схемы и характеристики преобразователей
Они закреплены на пластинчатых пружинах 2. На сердечнике 3 размещены измерительные 4, а также питающая обмотки. При смещении пластин под действием сил инерции изменяется индуктивность обмоток. Это изменение фиксируется аппаратурой. Преобразователь не имеет жидкостного демпфирования, его характеристику (кривая А, рисунок 50, а) корректируют с помощью фильтра (кривая Б, рисунок 50, а).
Преобразователь вибрации ДВ-1 имеет жидкостное демпфирование (рисунок 50, б). Инерционная масса 5 цилиндрической формы является сердечником концентрических катушек 4. Упругие элементы 3 так же, как в преобразователях ускорения, выполнены пластинчатыми. Устройства для измерения вертикальных и горизонтальных вибраций различаются установкой пружин. Корпус 1 закрыт крышками 2.
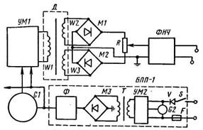
В генераторно-усилительном блоке аппаратуры ВИ6-5МА (рисунок 51) генератор G1 несущей частоты 6 кГц подает напряжение на усилитель мощности УМ1 всех каналов.

Рисунок 51 Блок-схема виброаппаратуры ВИ6-5МЛ
Напряжение 16 В с каскадов подается на питающие обмотки W1 преобразователя Д. В двух измерительных обмотках W2 и W3 наводится ЭДС, величина которой зависит от положения подвижного сердечника. Если сердечник находится в среднем положении, то величина наводимых ЭДС в обеих обмотках одинакова. При смещении сердечника в одной обмотке напряжение уменьшается, а в другой - увеличивается. Напряжения, снимаемые с этих обмоток, поступают на выпрямительные мосты Ml и М2, которые соединены между собой так, что при суммировании напряжения вычитаются. В цепь между мостами включен переменный резистор R, с помощью которого можно получить нулевой ток в любом положении сердечника. Ток, поступающий с выпрямительных мостов, несет частоту генератора, модулированную входным сигналом. На выпрямительных мостах выделяется полярность сигнала, а несущая частота задерживается фильтром низкой частоты ФНЧ. Особенность ФНЧ заключается в том, что он не только задерживает несущую частоту, но и исправляет характеристику преобразователя ускорения (см. кривую А, рисунок 50, а). Поскольку преобразователь ускорения не имеет своего демпфирования, то остро настроенный фильтр срезает резонансный пик этого устройства. В результате расширяется рабочий диапазон частот Ωраб, а общая характеристика системы «преобразователь-усилитель-фильтр» становится близкой к характеристике, получаемой при оптимальном демпфировании. Нарушение настройки и характеристики фильтра или изменение частоты собственных колебаний преобразователя приводит к резкому ухудшению рабочей характеристики аппаратуры (см. кривую В, рисунок 50, а).
В блоке питания БПП-1 низкое напряжение постоянного тока (24-27 В) преобразуется в напряжение, необходимое для работы ламп усилительного блока с помощью транзисторного генератора G2, который вырабатывает ток с частотой 800 Гц. Напряжение от этого генератора подается на усилитель мощности УМ2, собранный на двух полупроводниковых триодах, и затем на повышающий трансформатор Т, выпрямитель МЗ и сглаживающий фильтр Ф. Таким образом получают высокое напряжение постоянного тока. Для защиты от нарушения полярности питания применен диод V, а от перегрузки - плавкий предохранитель F. Питание включают тумблером S.
В комплект виброизмерительной аппаратуры ВИ6-5МА помимо преобразователей ускорения входят преобразователи давления и перемещения, основанные на индуктивном способе.
В некоторых типах виброаппаратуры использованы пьезоэлектрические преобразователи для измерения ускорений и вибраций. Так, например, аппаратурой «Кристалл-ЗП» можно измерять ускорение (0,02-3000) g в диапазоне частот 0,2-16 кГц. В аппаратуре девять каналов, в нее помимо преобразователей, предварительного усилителя, фильтра низких частот, измерительного усилителя включен блок измерения среднеквадратичного отклонения.
В виброаппаратуре может быть использован набор пьезоэлектрических преобразователей. С их помощью измеряют ускорения в широком диапазоне частот. При необходимости измерения амплитуды вибраций применяют специальные блоки, которые дважды интегрируют сигнал, поступающий с преобразователей ускорения.
Для калибровки вибропреобразователей применяют специальные механические и электродинамические вибростенды, на которых с высокой точностью можно задавать величины ускорений и вибраций. Часто преобразователи ускорений калибруют по ускорению свободного падения, поворачивая их так, чтобы измерительная ось совпадала с вертикалью. Такая тарировка является статической и позволяет проверить лишь начальный участок амплитудно-частотной характеристики при частоте вынужденных колебаний ΩB = 0.
Для измерения отрицательных ускорений постоянной величины применяют деселерометры жидкостного и маятникового типов. При замедлении в жидкостном приборе происходит перемещение жидкости в U-образной трубке относительно неподвижнoй шкалы, а в маятниковом - отклонение маятника.
Уровень шума определяют по шкале шумомера. При измерениях на микрофон надевают специальные насадки для улучшения его чувствительности в данных условиях испытаний. С помощью микрофона можно проводить измерения в широком диапазоне частот, например микрофон 4138 фирмы «Брюль и Къер» позволяет проводить измерение звуковых колебаний с частотой f = 30÷140 кГц. Для анализа используют набор фильтров, которые корректируют линейную характеристику 1 шумомера (рисунок 52).

Рисунок 52 Характеристики шумомера
Таким образом получены характеристики А, В, С и D. По этим характеристикам оценивают уровень шума L в различных частотных диапазонах, например в диапазоне слышимости человека (кривая А, рисунок 52). Для более детального изучения составляющих шума применяют специальные частотные анализаторы.
По своим характеристикам шумомеры близки к вибрационной аппаратуре и в ряде случаев для измерения параметров тех и других процессов может быть применена одна и та же аппаратура. Так, например, шумомером можно определить вибрацию. Для этого необходимо вместо микрофона использовать адаптер и акселерометр, включив интегратор между акселерометром и шумомером. Для оценки уровня вибрации используют те же фильтры и частотные анализаторы.
Измерение температур. Измерительную аппаратуру выбирают в зависимости от диапазона рабочих температур исследуемого агрегата. Для определения температур до 120-150° С используют аэротермометры. Эти приборы состоят из баллона, заполненного рабочим телом, капиллярной трубки и стрелочного указателя. При погружении баллона в жидкость, температуру которой надо измерить, давление рабочего тeлa увеличивается и передается через капиллярную трубку к указателю, перемещая его стрелку.
В качестве рабочего тела используют газ (азот, гелий), пар низкокипящих жидкостей (хлорметила, хлорэтила, этилового эфира и т. д.), а также жидкости, которые при нагревании значительно увеличивают свой объем (ртуть, метиловый спирт). Аэротермометры обеспечивают высокую точность измерения установившихся температур (газовые до 1,5%, паровые и жидкостные до 2%), но обладают значительной инерционностью.
Температуры до 300-350˚ С определяют с помощью проволочных (терморезисторов) и полупроводниковых (термисторов) термометров сопротивления. В терморезисторе чувствительный элемент помещен внутрь внешнего чехла с клеммовой головкой. Термисторы получают спеканием смеси порошкообразных окислов меди, железа, никеля, марганца и других металлов при высокой температуре. Термисторы превосходят терморезисторы по чувствительности и имеют достаточно высокое сопротивление. Недостатком термисторов является неустойчивость их характеристик (с отклонениями до 20%).
Термометры сопротивления включают в измерительную цепь, составленную из резисторов по схеме четырехплечего моста. Низкоомный термометр сопротивления RT (рисунок 53, а) включают последовательно, а высокоомный (рисунок 53, б) - параллельно какому-либо плечу моста.
На рисунке 53, в показана схема тарировки моста с термометром сопротивления. Параллельно одному плечу моста включен тарировочный термометр сопротивления RT, а параллельно другому - термометр сопротивления RTX. Тарировочный термометр RT помещают в кипящую воду, температура которой равна 100° С, а термометр сопротивлением RTX находится на воздухе при температуре окружающей среды. Калибровочный сигнал, вызванный разбалансом, пропорционален разности температур кипящей воды и окружающего воздуха.

а - низкоомного; б - высокоомного; в - тарировочного
Рисунок 53 Схемы включения термометров сопротивления в измерительный мост
Температуры выше 300-350° С измеряют с помощью термопары. При нагреве спая двух проводников, выполненных из разнородных металлов, в них возникают термо-ЭДС, которая вызывает электрический ток при замыкании проводников. Сила тока, пропорциональная разности температур (t1 - t2) горячего 1 и холодного 2 спаев (рисунок 54), измеряется прибором 3. Для испытаний агрегатов автомобилей рекомендуется применять хромель-копелевую термопару, имеющую высокую термо-ЭДС и верхний температурный предел 600-800° С.

Рисунок 54 Схема прямого подключения термопары к измерительному прибору
Рассмотрим установку термопары в нажимной диск сцепления или маховик автомобиля. Концы проволок сваривают под слоем буры, образуя металлический шарик диаметром 1,5-2 мм. В диске просверливают отверстие так, чтобы шарик входил в него с натягом 0,1 мм на 0,1-0,2 мм от поверхности трения. Концы электродов, выходящие из отверстия, заливают жидким стеклом, которое выдерживает температуру до 500° С.
Погрешности измерения температур посредством термопар вызваны различием материалов проводов и проводников термопары, температур концов соединительных проводов, а также изменением температуры холодного спая. Для компенсации погрешности, возникающей при изменении температуры холодного спая, последовательно с термопарой можно включить мостовую схему с термосопротивлением, которое находится в одинаковых температурных условиях с холодным спаем и при изменении его температуры компенсирует возникающую погрешность. В некоторых случаях температуру холодного спая измеряют отдельно и вносят поправку в показания термопары, однако это не совсем точно, особенно при нелинейной характеристике термопары.
Более точным является так называемый нулевой метод (рисунок 55). С помощью термостата 6 и регулятора 4 устанавливают показание прибора 9, связанного с холодным спаем 8, на нуль. По показаниям прибора 5, соединенного с холодным спаем 7, определяют термопарой 1 температуру исследуемой детали 10 в момент нулевого показания прибора 9.

Рисунок 55 Компенсационная схема включения термопары в измерительную цепь
При измерении температуры на вращающихся деталях используют токосъемные устройства 2 и 3. Часто применяемые контактные токосъемные устройства с сухим контактом имеют нестабильное переходное сопротивление. Для уменьшения погрешностей, вызванных этими явлениями, следует применять общие способы повышения стабильности переходного сопротивления, а также специальные схемы включения, например мостовую. При монтаже измерительной схемы или ее части следует учитывать действие центробежной силы и тщательно изолировать провода и спаи.
Измерение расхода топлива. При испытаниях автомобиля для измерения расхода топлива используют два метода: объемный и весовой. Весовой метод применяют при лабораторных испытаниях. При этом методе измеряется время израсходования некоторого количества топлива, определяемого взвешиванием. В автоматических устройствах измерения расхода топлива весовым методом время прохождения заданной массы топлива определяется электронным секундомером с помощью фотоэлектрических преобразователей, контролирующих положение весов. Заполнение прибора и управление расходом топлива производится электромагнитными клапанами. При использовании этого метода на результатах измерений не сказываются погрешности, связанные с изменением плотности топлива при изменении температуры.
Объемные методы более многообразны и находят применение как в стендовых, так и в дорожных испытаниях. Наиболее просто можно измерить расход открытым мерным цилиндром или другой емкостью, например, сферической формы (рис. 29, а). В дорожных условиях на участке замера двигатель работает на топливе, поступающем из мерной емкости. Израсходованный объем топлива определяют по шкале мерного цилиндра или по числу сферических емкостей.
При наиболее простом способе включения мерного цилиндра непосредственно перед карбюратором погрешность измерения связана с уменьшением давления подачи топлива из мерной емкости (приблизительно 1 м столба топлива по сравнению с 3-4 м, которые создает бензонасос). Для устранения этого недостатка можно использовать дополнительный бензонасос. В случае установки мерного цилиндра между баком и топливным насосом необходимо предварительно заполнить мерный цилиндр.
Иногда применяют закрытые мерные емкости, давление в которых соответствует давлению топлива, развиваемому бензонасосом (рисунок 56, б). При использовании мерных емкостей погрешность измерения может быть связана с начальным заполнением трубопроводов и поплавковой камеры в момент включения.

а - открытого; б - закрытого
Рисунок 56 Емкости для измерения расхода топлива двух типов
Универсальными приборами для измерения расхода топлива малыми дозами являются расходомеры или топливомеры. Мерные камеры этих устройств (обычно две) попеременно наполняют топливом, которое затем поступает в систему питания двигателя. Объем камер известен, а число циклов работы определяется специальным счетчиком (например, топливомер Т4П-2).
Другим видом расходомера является устройство с U-образной стеклянной трубкой, заполненной ртутью (рисунок 57).
При подаче топлива в одну из трубок ртуть перемещается и замыкает контакты, впаянные в стекло, что приводит к срабатыванию электрической схемы и переключению клапанов. Топливо поступает в другую трубку, а из первой выходит в карбюратор. При минимальной силе трения, которая создает гидравлическое сопротивление проходу жидкости, не снижается давление подачи топлива. Недостатком прибора следует считать повышенную токсичность ртути, значительно ограничивающую применение этого прибора. Существует диафрагменный или мембранный расходомер, работающий по тому же принципу.
Для определения мгновенных расходов используют приборы типа флоуметра и ротаметра. Флоуметр измеряет разность давлений в трубопроводе, имеющем калибровочное отверстие (жиклер). В ротаметрах поплавок, который несколько тяжелее вытесняемого объема топлива, расположен в коническом раструбе широкой стороной вверх. В узкую часть снизу поступает топливо, которое приподнимает поплавок на величину, пропорциональную расходу жидкости. Оба эти прибора имеют достаточную точность измерения установившихся процессов (при постоянной температуре).

1 - измерительная U-образная трубка; S1 - переключатель для изменения мерной дозы; 2 - клапанный механизм; S2 - тумблер для отключения мерных устройств; К - реле; СЧ - счетчик импульсов, R1 - R5 - резисторы; VI и V2 - транзисторы; D - диод
Рисунок 57 Схема автоматического устройства для измерения расхода топлива малыми дозами
В некоторых случаях применяют калориметрические устройства. В поток жидкости помещают деталь, которая нагревается от специального нагревателя. Интенсивность охлаждения детали зависит от расхода топлива. Для того чтобы исключить погрешность, связанную с изменением температуры самого топлива, устанавливают температурный компенсатор, который омывается медленно движущейся жидкостью.
Турбинные измерители расхода жидкости представляют миниатюрную турбину или крыльчатку, установленную в цилиндрический корпус, диаметр которого соответствует диаметру топливопровода. Турбина опирается на подшипники. Частота ее вращения пропорциональна расходу жидкости и определяется с помощью импульсного преобразователя электромагнитного типа. Погрешность измерения составляет 0,5%. Приборы ДР-25 и ДРМ устанавливают в трубопровод диаметром соответственно 4 и 10 мм. Пределы измерения в первом случае составляют 3,5-35 см3, а во втором 80-800 см3 соответственно при давлении до 25,0 МПа и до 8,0 МПа, но при значительном гидравлическом сопротивлении (до 0,5 МПа).
1.11.9 Регистрирующая аппаратура и устройства обработки данных измерений
Информация, поступающая от различных преобразователей, должна быть переработана, классифицирована и представлена в виде, удобном для оперирования. В некоторых случаях при измерении постоянных величин установившихся процессов достаточно показаний стрелочных приборов. При переменных процессах результаты исследований можно подать на устройства обработки (классификаторы, анализаторы, режимомеры и т. д.) или записать на самописцы, осциллографы, магнитографы и т. д. Устройства для непосредственной обработки позволяют получить необходимые результаты сразу же после окончания измерений, но они не дают полного представления об исследуемом процессе. Устройства записи хранят информацию в полном объеме.
Рассмотрим некоторые виды записывающих устройств, применяемых для регистрации процессов.
Самописцы записывают параметры процесса специальными чернилами или мастикой на бумажную ленту, в некоторых случаях на термочувствительную бумагу, верхний слой которой плавится от нагретого пера самописца. Иногда применяют копировальную ленту, которая движется вместе с рабочей лентой и копирует перемещение пера.
В более простых самописцах (гальванометрах) процесс записывается пером, которое закреплено на конце стрелки. Эти приборы характеризуются значительной инерционностью и малой чувствительностью. С их помощью можно записывать сигналы достаточной мощности медленно изменяющих процессов. В некоторых самописцах двигатель перемещает каретку с пером на величину, пропорциональную измеряемому сигналу. Такие самописцы имеют промежуточный преобразователь, который усиливает входной сигнал до необходимой величины, достаточной для управления устройством записи. Это позволяет повысить чувствительность прибора и расширить частотный диапазон записывающего устройства.
Осциллографы светолучевые, самопишущие, магнитоэлектрической системы по сравнению с самописцами могут записывать большее число измеряемых величин. Число каналов в них может превышать 14-20, набор сменных чувствительных элементов (гальванометров) позволяет проводить регистрацию в весьма широком диапазоне частот и уровней сигнала. Движение светового луча по светочувствительной фотоленте происходит за счет поворота зеркальца, укрепленного на подвижной системе миниатюрного гальванометра, на который передается электрический сигнал измеряемого процесса. Угол поворота зеркальца прямо пропорционален чувствительности гальванометра и величине сигнала.
Световой луч подается на зеркало от специального источника света с помощью оптической системы осциллографа. Яркость луча изменяют в зависимости от частоты измеряемого процесса и скорости протяжки ленты. Если в осциллографе предусмотрена установка ртутной лампы, то применяют специальную фотобумагу типа УФ, которая не требует фотохимической обработки (проявления и фиксирования). Перематывают фотоленту с различной скоростью лентопротяжным механизмом. При очень большой скорости записи часто применяют барабанную кассету. В этом случае запись производится всего на один виток фотоленты, укрепленной на барабане, который предварительно разгоняется до заданной скорости.
Осциллограф имеет ряд дополнительных устройств: пульт дистанционного управления; отметчик времени; контрольно-измерительные приборы. Пульт дистанционного управления позволяет размещать осциллограф в любом заданном месте, а также проводить испытания, как с оператором, так и без него, с передачей части его функций водителю-испытателю.
Осциллографы наиболее удобны в случае регистрации единичного процесса при условии, что длина осциллограммы не превышает нескольких метров. Обработка осциллограмм большей длины представляет значительные трудности, а в некоторых случаях практически невозможна.
Магнитографы, применяемые при испытаниях автомобилей, позволяют широко использовать различные устройства (включая ЭЦВМ) автоматической обработки результатов исследуемого процесса. Кроме того, при записи на магнитограф выше точность регистрации параметров процесса и больше плотность записи и ее длительность, чем при записи на осциллограф.
Сигналы на магнитную ленту заносятся в режимах частотной (ЧМ) и частотно-импульсной (ЧИМ) модуляции, а также в режиме непосредственной или прямой записи (ПЗ). Режимы ЧМ и ЧИМ используют при записи параметров низкочастотных, а также постоянных процессов. При более высокочастотных процессах применяют режим ПЗ.
При обработке магнитограмм можно изменить масштаб времени, задаваясь разной скоростью записи и воспроизведения. Кроме того, запись на участке магнитной ленты, склеенной в кольцо, можно обрабатывать как для периодического процесса.
Перфораторы применяют в тех случаях, когда результаты измерений получают дискретными величинами на перфокартах или перфолентах. Эти устройства позволяют перенести информацию в двоичный или двоично-десятичный код на какой-либо носитель и хранить ее для последующего ввода в ЭЦВМ. При использовании перфораторов следует иметь в виду, что частота следования импульсов должна быть достаточно высокой, чтобы без значительных погрешностей представить измеряемый процесс в цифровом коде. В то же время скорость перфорации устройств (например, типа ПЛ-80/8 и ПЛ-150) относительно небольшая (соответственно 80 и 150 цифр/с), что значительно ограничивает диапазон частот регистрируемых процессов. Диапазон частот можно расширить, если производить запись на большой скорости, а воспроизводить перед выходом на перфоратор на меньшей.
Цифропечатающие устройства используют в том случае, когда получаемые данные носят дискретный характер и могут быть восприняты без дополнительной обработки. При многоточечных измерениях напряжений с помощью тензомоста ЦТМ-3 с большой скоростью фиксируют данные до 100 измеряемых точек. Значения относительных деформаций и номера измеряемых точек печатаются на бумажной ленте. Скорость печати устройством МП 16-2 достигает 25 строк в секунду, а число разрядов равно 16. Аналогичные устройства применяют при работе с другими цифровыми измерительными устройствами (частотомер 43-32, система ЧЕК-1, «пятое колесо» с цифровой печатью и т. д.).
Счетчики импульсные применяют для подсчета числа однотипных импульсов, например, при измерении частоты вращения колес и валов, пройденного пути, времени. Широко используют электромеханические импульсные счетчики и счетные устройства на цифровых индикаторных лампах. Электромеханические счетчики имеют сравнительно невысокую скорость счета (25 Гц у счетчика типа БЕ-1Р-6идо 100 Гц у СБ-1М/100). Значительно большими возможностями располагают устройства на индикаторных лампах типа ИН-1 и МН. Так, например, цифровой частотомер 43-32 позволяет измерить угловую скорость вращения вала до 600 1/с. Скоростную кинокамеру применяют в тех случаях, когда заранее неизвестен характер деформации или перемещения какого-либо объекта, причем частоту этих перемещений не воспринимает глаз человека. Масштаб времени можно в значительной степени изменить, увеличив разность скоростей съемки и проекции полученного изображения. Так, например, производя съемку со скоростью 4800 кадров в секунду при просмотре пленки со скоростью 24 кадра в секунду, реальный процесс замедляется в 200 раз.
Метод скоростной киносъемки используют при исследовании работы клапанных пружин, приводных ремней двигателя, деформации кузова легкового автомобиля и кабины грузового автомобиля, процесса столкновения автомобиля с неподвижным препятствием и т. д. Скоростной кинокамерой СКС-1м можно снимать со скоростью до 4000 кадров в секунду. Питание камеры осуществляется от источника постоянного тока напряжением 24-27 В.
Перед работой с кинокамерой ее следует правильно разместить и закрепить на автомобиле. Если не удается полностью исключить перемещения камеры, то в кадр следует дать отметку (систему координат), от которой можно вести отсчет перемещений. Иногда применяют метод двойной экспозиции, когда предварительно на всю пленку снимают изображение неподвижного объекта, а затем рабочий процесс. В результате на каждом кадре получается изображение объекта в рабочем положении и неподвижном, что позволяет наглядно оценить характер и величину перемещений.
Устройства обработки данных измерений. Для сбора и обработки данных испытаний применяют режимомеры. С помощью режимомеров можно регистрировать число выполненных операций (произведенных переключений передач, включений сцепления, торможений и т. д.), определять некоторые параметры узлов (работу буксования сцепления, торможения, углы поворота рулевого колеса и т. д.), регистрировать напряжения, силы и моменты в деталях автомобиля. Результаты обработки выводятся на счетчики или на цифровую печать. По их показаниям можно получить гистограммы распределений или корреляционные таблицы.
При работе режимомера вся информация, не представляющая интереса для данного метода обработки, отбрасывается. Поэтому иногда параллельно с режимомером включают устройство записи, которое осуществляет контроль только в определенные моменты.
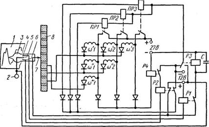
На рисунке 58 показана принципиальная схема режимомера типа РМ-ЗА, который измеряет число импульсов на определенных уровнях напряжений.

Рисунок 58 Принципиальная схема режимомера типа РМ-ЗА
Сигналы от тензорезисторов 1, наклеенных на исследуемую деталь, через выпрямитель 2 поступают к модулятору 3, который преобразует изменяющееся напряжение в прямоугольные импульсы. Через полупроводниковые диоды 5, сортирующие импульсы по знаку, и усилители 6 сигнал поступает к амплитудным анализаторам 7, пересчетным схемам 8, которые снижают частоту импульсов от 500 до 4 Гц, к двухкаскадным усилителям постоянного тока 9 и к импульсным счетчикам 10. Нулевой счетчик подсчитывает суммарное число импульсов за время работы прибора. Питание прибора осуществляется от аккумулятора 12 через преобразоваи фильтр 4.
По схеме описанного режимомера работает классификатор фирмы «Shenk» KS-16/T, который производит систематизацию случайных процессов методом счета пересечений заданных уровней. Классификатор KS-16/RT приспособлен для совместной работы с различными приставками, дающими возможность или расширять частотный диапазон исследуемых процессов, или изменять способ систематизации случайных процессов.
Разновидностью режимомера является информационно-измерительная система ЧЕК-1, которая позволяет регистрировать одновременно шесть параметров процесса. Система включает тензоусилители и устройство обработки, которое вычисляет средние значения функций измеряемых процессов, а также суммарную частоту вращения за заданный промежуток времени (7,5-240 с). Результаты обработки выдаются на устройство цифровой печати и цифровое табло, а параметры процессов могут быть записаны на осциллограф. Установка питается от источника постоянного тока напряжением 24 В и силой тока 12 А. Установка размещается на автомобиле УАЗ-452.
Для нахождения средних значений параметров измеряемых процессов за длительный промежуток времени применяют химотроны, определяющие интегральное значение силы тока в течение заданного времени. Ртутный химотрон представляет собой герметично запаянный капилляр, заполненный ртутью, которая разделена капелькой электролита. Принцип работы химотрона основан на явлении электролиза. Под действием силы тока ртуть смещается к катоду, перемещая капельку электролита. По положению капли можно судить об интегральном значении силы тока:
,
где UM - напряжение питания моста тензорезисторов;
Rx - сопротивление химотрона;
Си - постоянный коэффициент;
ε(t) - деформация в функции от времени t;
t0 - время измерения.
Поделив полученные значения I на время измерения t0, получим среднее значение измеряемой величины. Преимуществом химотрона является возможность его использования без промежуточных усилителей (сигналы поступают непосредственно от тензорезисторов). В случае применения квадрирующего диода можно получить среднеквадратичное отклонение значений параметра измеряемого процесса.
К режимомерам следует отнести и автометры, которые регистрируют скорость движения, пройденный путь, время движения и время остановок, а иногда и загрузку автомобиля. Запись в виде диаграммы производится на бумаге, которая движется от часового механизма в течение длительного времени (несколько суток). Для расшифровки записей применяют специальные приспособления настольного типа, которые упрощают процесс обработки.
Для статистической обработки записей наблюдений типа осциллограмм используют различные полуавтоматические устройства, имеющие одинаковую методику обработки, по которой оператор обводит кривую специальным указателем (стрелкой) во время протягивания ленты на приборе.
На рисунке 59 показана схема устройства для обработки осциллограмм по методу корреляционного счета.

Рисунок 59 Схема устройства корреляционного счета экстремальных значений
При обработке осциллограммы 1 оператор с помощью рукоятки 2 перемещает двуплечий рычаг 3 так, чтобы стрелка-указатель следовала за кривой. При этом скользящий контакт 7 перемещается по контактным пластинам 8 коммутаторного устройства и одновременно замыкает контакты 5-4 или 5-6 переключателя в зависимости от направления движения стрелки-указателя.
С переменой направления движения при достижении минимума замыкаются контакты 5-6 и включается реле Р2, которое подает на контакт 7 напряжение 12 В. Это напряжение через пластину 8, на которой в данный момент находится контакт 7, включает одно из поляризованных реле ПР1-ПРЗ; через замкнутые контакты реле РЗ. При этом фиксируется значение минимума на кривой. Реле Р4, получая питание от контактов реле ПР1-ПРЗ, включает реле Р2 и обесточивает контакт 7.
При достижении максимума замыкаются контакты 5-4 переключателя, что приводит к включению реле Р1, которое соединяет контакт 7 с отрицательным полюсом источника тока напряжением 27 В. Через контактную пластину 8, на которой оказался контакт 7,проходит ток и срабатывает счетчик, подключенный к положительному полюсу источника питания напряжением 27 В с помощью контактов включенного реле ПР1-ПРЗ. При этом происходит фиксирование события, параметры минимума и максимума которого определены положением счетчика в корреляционной таблице. Ток срабатывания счетчика включает реле РЗ, которое выключает поляризованное реле ПР1-ПРЗ и обмотку W счетчика. При достижении очередного минимума цикл повторяется.
Преобразователь графиков ФОО6 используют для автоматической обработки осциллограмм с помощью ЭЦВМ. Этот прибор позволяет считывать с осциллограммы сразу две кривые, измеряя (с определенным шагом) их амплитуды и преобразовывая их значения в цифровой код. В таком виде информация может быть введена в ЭЦВМ или выведена на перфоратор ПЛ-20, устройство цифровой печати или цифровое табло.
|
Из за большого объема этот материал размещен на нескольких страницах:
1 2 3 4 5 6 7 8 9 10 11 12 13 14 15 16 17 18 |



