,
![]()
– коэффициент в i-й точке для всех положительных моментов, а также в опорных точках (указаны на рис14). Значения b i для отрицательных моментов в пролетах даны в табл.5.
Поперечные силы определяются по следующим формулам: на крайней свободной опоре
;
на первой промежуточной опоре слева

Это связано с тем, что
в первом пролете находится не в середине пролета, а на расстоянии ![]()
На первой промежуточной опоре справа и на всех остальных опорах:
.

Рис. 15. Эпюры усилий во второстепенных балках
3.3.3. КОНСТРУКТИВНЫЙ РАСЧЕТ СЕЧЕНИЙ.
Расчет по подбору продольной арматуры необходимо провести в двух пролетах по пяти сечениям. Задаемся материалами и определяем их расчетные характеристики по таблицам [1].
Размеры сечения уточняются по моменту на первой промежуточной опоре. Поскольку расчет ведется по выровненным моментам, принимаем x= 0,3…0,4,
;
, затем унифицируем размеры и подбирают рабочую арматуру в расчетных нормальных сечениях:
1) в первом (I-I) и среднем (IV-IV) пролетах как для таврового сечения (приложение 5);
2) на первой промежуточной опоре (II-II) и средних опорах (V-V) как для прямоугольного сечения (приложение 4);
3) на действие отрицательного момента в средних пролетах (III-III) как для прямоугольного сечения (приложение 4).
Расчет по наклонным сечениям на действие поперечной силы выполняем для трех расчетных сечений:
1) на крайней свободной опоре (QA);
2) на первой промежуточной опоре слева (
) и справа (
).
При расчете на действие поперечной силы определяют диаметр и шаг поперечных стержней (приложение 6). Затем строим эпюру материалов. Расчет ведется в табличной форме (табл. 6).
Таблица 6
№ сечения | d обрываемого стержня | Оставшаяся арматура | b | ho | x=(Rs As)/(Rb b) | ho-0,5 x | M = Rs As (ho-0,5x_ | Q тто, кН | S шаг поперечных стержней в приопорной части | q | W | ||
Æ класс | As, см2 | Rs, МПа | |||||||||||
3.3.4. КОНСТРУИРОВАНИЕ ВТОРОСТЕПЕННЫХ БАЛОК.
Второстепенные балки армируются в пролете плоскими каркасами, обычно двумя, которые соединяются в пространственный приваркой горизонтальных стержней диаметром, назначенным из условия сварки и шагом 1,0…1,5 м. Каркасы доводят до грани главных балок.
На опорах второстепенные балки армируют сетками. Места обрыва надопорных сеток устанавливаются в соответствии с эпюрой отрицательных моментов. Отрицательные моменты в пролете за местом обрыва сеток воспринимаются верхней арматурой каркасов балки.
Каркасы второстепенных балок связывают между собой по низу стыковыми стержнями диаметром d ³ 0,5d1, но не менее 10 мм, где d1 – диаметр рабочих стержней второстепенных балок. Стыковочные стержни заводят за грани главной балки не менее 15 d. Пример армирования второстепенной балки см. в приложении 7.
3.4. РАСЧЕТ И КОНСТРУИРОВАНИЕ ГЛАВНОЙ БАЛКИ.
3.4.1. РАСЧЕТНАЯ СХЕМА И РАСЧЕТНОЕ СЕЧЕНИЕ ГЛАВНОЙ БАЛКИ.
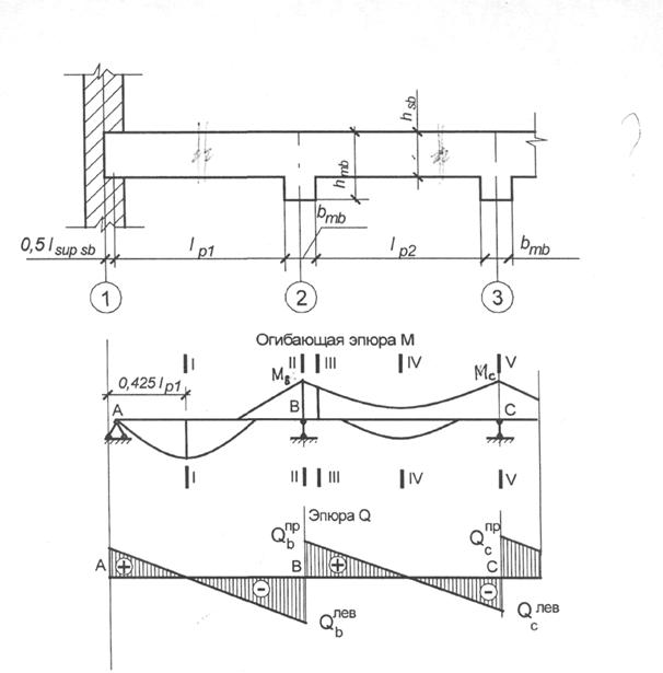
Расчетная схема главной балки (рис. 16) представляет собой неразрезную равнопролетную балку. Расчетные величины пролетов принимаются равными расстоянию между осями опор, а для крайних пролетов – расстоянию от середины площадки опирания ( lsup mb) главной балки на стену до оси колонны. Разница между пролетами не должна превышать 10 %.
Нагрузку, передаваемую второстепенными балками на главную, учитывают в виде сосредоточенных сил без учета неразрезности второстепенных балок. Если число второстепенных балок, опирающихся на главную, больше трех в пролете, то сосредоточенные силы заменяют на равномерно распределенную эквивалентную нагрузку. В этом случае эпюры моментов от сосредоточенных сил и равномерно распределенной нагрузки очень близки по значениям.
Сбор нагрузок ведется в табличной форме (табл. 7). Грузовая площадь
.
Таблица 7
Вид нагрузки | Подсчет | Нормативная нагрузка, кН/м | Коэффициент надежности по нагрузке gf | Расчетная нагрузка, кН/м |
Постоянная нагрузка | ||||
Вес пола | кН/м3 ·lsb · Ssb= |
| 1,3 |
|
Вес плиты | hs· Ssb · lsb · 25 кН/м3= |
| 1,1 |
|
Вес ребра второстепенной балки | (hsb-hs) ·bsb · lsb ·25 кН/м3= |
| 1,1 |
|
Вес ребра главной балки | (hmb-hs) ·bmb · Ssb ·25 кН/м3= |
| 1,1 |
|
Итого | ||||
Временная нагрузка | ||||
Полезная нагрузка | vн · lsb ·Sb |
|
| V= |
Если vн>2кПа | то gf =1,2 | |||
Если vн£2 кПа | то gf =1,3 |
![]() |
Рис. 16. Расчетная схема главной балки
![]() |
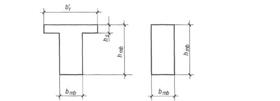
Расчетные сечения главной балки (рис. 17) принимаются в пролете таврового сечения с шириной полки
Рис. 17. Расчетные сечения главной балки
3.4.2. СТАТИЧЕСКИЙ РАСЧЕТ ГЛАВНОЙ БАЛКИ.
Главные балки рассчитываются как упругая система. Для этого сначала рассчитывают их как статически неопределимую систему на действие расчетной постоянной нагрузки и различных случаев невыгодного расположения расчетной временной нагрузки.
Огибающие эпюры моментов и поперечных сил строят по таблицам Винклера (для равномерно-распределенной нагрузки) и Менша (для сосредоточенных сил):
Mi=MG+Mv,
Qi=QG+Qv.
3.4.3. КОНСТРУКТИВНЫЙ РАСЧЕТ ГЛАВНОЙ БАЛКИ.
Расчетные характеристики материалов принимаем по таблицам [1].
При подборе сечений в первую очередь уточняем размер поперечного сечения балки по усилию, действующему на грани опоры В, т. е. по грани колонны
,
где
- наименьшая поперечная сила на опоре В (по эпюре Q); hc - высота сечения колонны.
Задаемся x=0,3…0,4; am=x(1-0,5x).
.
Определяем hmb=h0mb+a. В местах пересечения второстепенных и главной балок в верхней зоне над колонной пересекается верхняя арматура трех элементов: плиты, второстепенной балки и главной балки. Поэтому на опоре главной балки в зависимости от числа рядов арматуры принимаем а =60 – 90 мм. Затем унифицируем размеры сечения главной балки.
По расчету нормальных сечений подбираем арматуру в пролетах на действие положительного момента (приложение 5), на опорах и в пролете – на действие отрицательного момента ( приложение 4).
Поперечная арматура и ее шаг определяются из расчета по наклонному сечению на действие поперечных сил (приложение 6). Обрыв стержней или каркасов в пролетах и на опорах определяют по эпюре моментов.
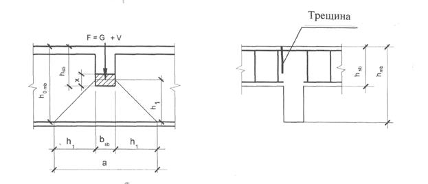
На главную балку нагрузка передается через сжатую зону на опоре второстепенной балки – в средней части высоты главной балки (рис.18).

Рис. 18. Схема передачи нагрузки на главную балку
Эта местная сосредоточенная нагрузка воспринимается поперечной арматурой главной балки и дополнительными сетками в местах опирания второстепенных балок. Площадь сечения арматуры дополнительной сетки определяется из условия [п.3.43.1]
.
Длина зоны, в пределах которой устанавливается дополнительная сетка,
a = bsb+ 2h1;
;![]()
F = G + V,
где F – отрывающая сила;
расстояние от уровня передачи отрывающей силы на элемент до центра тяжести сечения продольной арматуры;
- сумма поперечных усилий, воспринимаемых хомутами, устанавливаемыми дополнительно по длине зоны отрыва.
3.4.4. КОНСТРУИРОВАНИЕ ГЛАВНЫХ БАЛОК.
Главную балку армируют в пролете двумя или тремя плоскими каркасами. Два плоских каркаса доводят до грани колонн, а третий, если он есть, обрывают в пролете по эпюре материалов. Возможен также обрыв в пролете части стержней каркасов.
На опоре главную балку армируют самостоятельными каркасами, заводимыми сквозь арматурный каркас колонн.
В местах сопряжения второстепенной балки с главной устанавливают дополнительные сетки на действие местной нагрузки.
Пример армирования главной балки дан в приложении 8.
4. Основные технико-экономические показатели
СПЕЦИФИКАЦИИ
На все элементы перекрытия составляют спецификацию расхода арматуры.
Таблица 8
1 | Обозначение 2 | Наименование 3 | К-во 4 | Масса единицы, кг | Примечание |
5 | 6 | ||||
Перекрытие | |||||
сборочные единицы | |||||
сетки арматурные | |||||
С-1 |
| n | |||
1 | Æ d Вр-1 | n | |||
2 | Æ dw Вр-1 | n | |||
Каркасы | |||||
Таблица 9
Выборка арматуры
|
Из за большого объема этот материал размещен на нескольких страницах:
1 2 3 4 5 |





