Эти приборы относятся к точным измерительным приборам с механическим преобразованием малых перемещений измерительного наконечника в большие перемещения стрелки относительно шкалы прибора. Эта группа приборов получила название «пружинных», так как в качестве чувствительного элемента используется завитая от середины в разные стороны пружина из тонкой бронзовой ленты.
|
|
а | б |
Рис.1. |
Ленточная пружина 2 закреплена на угольнике 1 и консольной плоской пружине 4, установленной на жестком выступе (рис.1,а). Изменяя положение пружины 4, с помощью винтов регулируют натяжение ленточной пружины. Измерительный стержень 7 подвешен на мембранах 6 и жестко связан с угольником 1. Перемещение измерительного стержня вызывает поворот угольника вокруг точки «а» и растяжение пружины 2. Измерительное усилие создается конической пружиной 5. К средней части бронзовой закрученной ленты приклеена кварцевая стрелка 3. Растяжение пружины 2 вызывает поворот стрелки 3 относительно шкалы.
Пружинные измерительные головки применяют для высокоточных относительных измерений размеров изделий, а также отклонений формы и расположения поверхностей. Точность контролируемых изделий может быть от 2го до 6го квалитета.
Для измерений приборы крепятся в стойках (рис.1,б) типа С – 1 и С – 2 или в специальных приспособлениях за трубку 7 диаметром 28 мм. При настройке на нулевое положение по блоку концевых мер используется микроподача стола стойки.
Во время транспортировки измерительный стержень зажимается поворотом фиксатора в основание трубки.
Пружинные измерительные головки выпускаются следующих модификаций: 01ИГП; 02ИГП; 05ИГП; 1ИГП; 2ИГП; 5ИГП; 10ИГП и имеют цену деления шкалы прибора соответственно: 0,0001; 0,0002; 0,0005; 0,001; 0,002; 0,005; и 0,01 мм.
ПОРЯДОК ВЫПОЛНЕНИЯ РАБОТЫ
1. Изучить устройство, принцип измерения и метрологические характеристики микрокатора на стойке С – 1 или С – 2. Записать в отчет основные метрологические характеристики прибора (цена деления шкалы прибора, диапазон измерения по шкале прибора).
2. Получить у преподавателя калибр – пробку для измерений.
3. По маркировке на калибре определить, для проверки какого отверстия он предназначен (номинальный диаметр отверстия, отклонение поля допуска отверстия и квалитет).
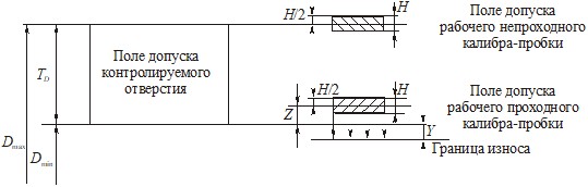
4. По ГОСТ – 25347 – 82 (СТ СЭВ 144 – 75) определить предельные отклонения размера отверстия, а затем построить схему расположения поля допуска отверстия (рис.2)
5. По ГОСТ – 24853 – 81 (СТ СЭВ 157 – 75) для заданного калибра – пробки найти допуски, предельные отклонения и построить схему расположения поля допуска на калибр.
6. Подсчитать предельные размеры калибра и проставить эти размеры на схему.
7. Выбрать по схеме размер, относительно которого прибор настраивается на ноль с помощью концевых мер длины.
8. Из набора плоскопараллельных концевых мер длины взять меру или несколько мер для составления блока, размер которых равен размеру, выбранному по схеме.
9. Концевые меры, столик прибора промыть бензином, протереть мягкой тканью. Протертые меры притереть друг к другу и к столику.
10. Настроить прибор на нуль. Для этого (рис.1,б), освободив стопорный винт 2 столика 3 вращением микрометрической гайки 1, опускается предметный столик с притертым блоком концевых мер в нижнее положение. Затем, освободив стопорный винт 10 кронштейна 9, вращением кольца – гайки 11 опускается кронштейн 9 с микрокатором до касания наконечника с поверхностью концевой меры или блока. О моменте касания судят по началу движения стрелки. В этом положении кронштейн 9 стопорится винтом 10.
Внимание!!!
Кронштейн следует опускать плавно, не допуская удара наконечника о концевую меру! Нельзя трогать регулировочные винты 14 столика, так как это нарушит установку
столика
Окончательная установка прибора на нуль осуществляется при помощи гайки 1; столик 3 поднимается до тех пор, пока стрелка микрокатора не совместится с нулевым делением шкалы. В этом положении стол стопорится винтом 2 и проверяется установка на нуль путем подъема и опускания измерительного наконечника 4 с помощью арретира 5.
Точная установка прибора на нуль осуществляется винтом 8, который может смещать шкалу относительно стрелки в пределах ±5 делений.
11. Нажав на арретир, поднять измерительный наконечник и убрать концевую меру или блок (блок концевых мер не разбирать).
12. Поместить на предметный столик калибр – пробку и, плотно прижимая калибр двумя пальцами к столику, медленно прокатывать его под наконечником и следить за движением стрелки. Наибольшее отклонение стрелки в «плюс» или «минус» по шкале определяет действительное отклонение размера пробки в данном сечении относительно настроечного размера концевой меры или блока. Чтобы убедиться в правильности полученного отклонения, измерения повторяют два – три раза. Каждый раз должна быть четкая повторяемость показаний приборка. Такие измерения следует провести в трех сечениях по длине пробки и в двух плоскостях (рис.3). Результаты измерений занести в таблицу отчета.
13. Определить действительные размеры пробки в контролируемых сечениях, которые равны алгебраической сумме размера концевой меры или блока и показания прибора. Результат занести в таблицу отчета.
14. Проверить нулевое показание прибора. Для этого, нажав на арретир, убирается со столика калибр и под измерительный наконечник вновь устанавливается концевая мера или блок. Приподнимая и опуская два – три раза наконечник, убеждаются в установке стрелки на ноль.
Отклонения стрелки от нулевого штриха не должно превышать половины деления шкалы прибора, если отклонение больше, то нужно повторить настройку прибора на ноль и измерения калибра.
Полученные данные по результатам измерений заносятся в отчет.
Содержание отчета
1. Цель работы.
2. Название измерительного прибора и его основные метрологические характеристики (пределы измерения по шкале прибора, цена деления шкалы).
3. Тип калибра, который контролируется, и его маркировка.
4. Схема полей допусков на изделие и калибр с простановкой предельных размеров в мм и отклонений в мкм (рис.2).

Рис.2
5. Выбор концевой меры или блока концевых мер для настройки прибора на нуль.
6. Схема измерений калибра (рис.3) и результаты измерений с заполнением таблицы.

Рис.3.
Результаты измерений
Размеры концевой меры | Проходная сторона Р – ПР | Непроходная сторона Р – НЕ | |||
Сечения | Сечения | ||||
1 | 2 | 3 | 1 | 2 | 3 |
Показания | Плоскость | I – I | |||
II – II | |||||
Действительные размеры калибра в мм | Плоскость | I – I | |||
II – II |
7. Заключение о годности калибра.
Контрольные вопросы
Устройство, принцип действия и метрологические характеристики пружинных головок – микрокаторов. Какую область применения имеют микрокаторы. Метод измерения и настройка микрокатора для измерений. Как располагаются на схемах поля допусков гладких предельных калибров – пробок и калибров – скоб? Почему для оценки годности калибра – пробки надо пользоваться измерительными приборами типа микрокатор? Как формулируется заключение о годности калибра?
Лабораторно-практическая работа №5
ШЕРОХОВАТОСТЬ ПОВЕРХНОСТИ
Цель работы
Изучить основные параметры шероховатости и обозначение шероховатости на чертежах. Познакомиться со способами измерения и приборами для оценки шероховатости поверхности деталей машин.
ОСНОВНЫЕ ПОНЯТИЯ
Шероховатостью поверхности называют совокупность неровностей поверхности с относительно малыми шагами, выделенную с помощью базовой длины (ГОСТ 25142 – 82).
Базовая длина
– длина базовой линии, используемая для выделения неровностей, характеризующих шероховатость поверхности.
Числовые значения шероховатости поверхности определяют от единой базы, за которую принята средняя линия профиля m, т. е. базовая линия, имеющая форму номинального профиля и проведенная так, что в пределах базовой длины среднее квадратическое отклонение профиля до этой линии минимально. Длина оценки
– длина, на которой оценивается реальный профиль. Она может содержать одну или несколько базовых длин
(рис. 1).

Рис. 1. Профилограмма и основные параметры шероховатости поверхности
НОРМИРУЕМЫЕ ПАРАМЕТРЫ ШЕРОХОВАТОСТИ
Параметры шероховатости в направлении высоты неровностей. Среднее арифметическое отклонение профиля
– среднее арифметическое из абсолютных значений отклонений профиля в пределах базовой длины:
или приближенно
,
|
Из за большого объема этот материал размещен на нескольких страницах:
1 2 3 4 5 6 7 |





