По результатам аттестации предприятию вручен Государственный сертификат соответствия работ по охране труда (сертификат безопасности) № 000 от 01.01.01 года.
ПОВЫШЕНИЕ КАЧЕСТВА ВИБРОЗАЩИТЫ
Сибирская государственная автомобильно-дорожная академия,
г. Омск.
В статье рассмотрена возможность использования пакета SimMechanics для изучения распространения вибрации и повышения качества виброзащиты
Современные программные продукты позволяют значительно упростить математическое моделирование механических частей проектируемых машин. Это позволяет прогнозировать уровень вибрации на ранних стадиях проектирования.
Для этой цели можно использовать пакет SimMechanics. SimMechanics – это отдельная библиотека пакета Simulink среды MATLAB, предназначенная для моделирования механического движения твердых тел. Основное ее назначение – это моделирование пространственных движений твердотельных машин и механизмов на стадии инженерного проектирования, используя законы теоретической механики.
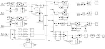
На рисунке 1 представлена математическая модель коммунальной машины на базе колесного трактора ЗТМ 82.
В модели блок Machine Environment задает внешние условия, действующие на механизм. С помощью этого блока задается сила тяжести, действующая на объект.

Рисунок 1 – Математическая модель коммунальной машины на базе колесного трактора ЗТМ 82
Блок Ground представляет собой неподвижное основание, жестко связанное с абсолютной инерциальной системой координат Земли. Этот блок необходим для задания неподвижных точек механизма относительно глобальной системы координат. Координаты этих точек задаются в окне настройки блока Ground.
Блок Custom Joint задает степень свободы тел относительно друг друга. Степени свободы задаются в окне настройки блока.
Блоки Body (в модели: Prav_Pered_Koleso, Lev_Pered_Koleso, Prav_Zad_Koleso, Lev_Zad_Koleso, Peredn_Most, Otval, Rama, Kabina, Kreslo, Voditel) представляют собой твердые жесткие тела. Для этих блоков есть возможность задавать следующие параметры: массу тела; тензор инерции тела относительно его центра масс, представляющий собой матрицу размером 3´3; координаты центра масс и произвольного числа характерных точек тела.
Блоки BodyActuator и JointActuator служат для передачи воздействий на тело и шарнир соответственно. Воздействие задается при помощи блоков библиотеки Simulink.
Блоки BodySensor и JointSensor служат для получения различных параметров характерных точек тела и положения шарнира соответственно.
Использование стандартных блоков, моделирующих упруговязкие элементы, Body Spring & Damper и Joint Spring & Damper не удобно, т. к. не позволяет регулировать коэффициент жесткости и коэффициент вязкого трения. Поэтому в модели для моделирования упруговязких элементов создана подсистема, структура которой представлена на рисунке 2.

Рисунок 2 – Модель упруго вязкого элемента
Используя эту математическую модель можно изучать пути распространения вибрации и принимать меры по повышению качества виброзащиты на ранних этапах проектирования.
Литература
1. Щербаков структурных схем ЗТМ как объек-
тов автоматизации: учебное пособие. – Омск: СибАДИ, 2001. – 47 с.
АВТОРСКИЙ УКАЗАТЕЛЬ
|
84 155, 158 230 7 183 145 58 233 109 225, 228 98, 121, 173, 177 98 239 61 171 171 171 173 25 161, 168 9 42 90 168 76 19 236 137 177 182, 183 129 111 186 118 50, 53 190 129 233 |
66 30, 33 76, 80, 84, 129 223 132 19, 115 14 47 111, 148 206 193, 102 61, 212, 236 212 115 80 129 16 198 66 95, 134 236 215 187 215 16 228 73 50, 53 50, 53 80 27 165 22 193 225 233 241 |
|
201, 203 208, 210 208, 210 219 22, 42, 118 56 201, 203 233 140, 142 198 161 50, 53 230 25, 27, 30, 239 201, 203 39 7 137 86 125 7 195 225, 228 168 71 161 206 |
148 36 127 140 180 45 56 39 220 137 186, 187 125 90, 171 66 30, 33 182 155 233 127 134 105 158 155, 158 12 198 121 |
СОДЕРЖАНИЕ
|
Секция 1 Управление качеством образования | ||
|
1 |
МЕНЕДЖМЕНТ КАЧЕСТВА ПРОФЕССИОНАЛЬНОГО ОБРАЗОВАНИЯ В БПГУ ИМ. В. М. ШУКШИНА , , __________ |
7 |
|
2 |
Оптимизация и повышение Качества научно-исследовательской работы студентов аспирантов _____________________________________ |
9 |
|
3 |
ГАРАНТИИ КАЧЕСТВА ЖИЗНЕННОГО ЦИКЛА ОБРАЗОВАТЕЛЬНЫХ УСЛУГ ____________________________________ |
12 |
|
4 |
ПОДГОТОВКА СПЕЦИАЛИСТОВ К ПРОФЕССИОНАЛЬНОЙ ДЕЯТЕЛЬНОСТИ _____________________________________ |
14 |
|
5 |
УЧЕБНО-МЕТОДИЧЕСКОЕ ОБЕСПЕЧЕНИЕ КАК СРЕДСТВО ПОВЫШЕНИЯ КАЧЕСТВА ОБРАЗОВАНИЯ СТУДЕНТОВ ЗАОЧНОЙ ФОРМЫ ОБУЧЕНИЯ , ________________________ |
16 |
|
6 |
ОСОБЕННОСТИ УПРАВЛЕНИЯ КАЧЕСТВОМ ДИСТАНЦИОННОГО ОБРАЗОВАНИЯ , _______________________ |
19 |
|
7 |
МОТИВАЦИОННЫЙ ПОДХОД К УПРАВЛЕНИЮ ПЕРСОНАЛОМ ВУЗА , _________________________ |
22 |
|
8 |
МОНИТОРИНГ УДОВЛЕТВОРЕННОСТИ ПОТРЕБИТЕЛЕЙ КАЧЕСТВОМ ОБРАЗОВАНИЯ В ВУЗЕ , _______________________ |
25 |
|
9 |
ПРИМЕНЕНИЕ ПРОЦЕССНОГО ПОДХОДА ПРИ ПРЕПОДАВАНИИ УЧЕБНОЙ ДИСЦИПЛИНЫ , ______________________ |
27 |
|
10 |
Самооценка процесса научно-образовательной деятельности БТИ АЛТГТУ , , ________ |
30 |
|
11 |
Организационная структура СМК БТИ АЛТГТУ , ______________________ |
33 |
|
12 |
ТЕХНОЛОГИЯ ИЗУЧЕНИЯ МАТЕМАТИКИ В РАМКАХ МОДУЛЬНО-РЕЙТИНГОВОЙ СИСТЕМЫ СМК ПЕДВУЗА ___________________________________ |
36 |
|
13 |
УПРАВЛЕНИЕ КАЧЕСТВОМ ОБРАЗОВАНИЯ: МАРКЕТИНГОВАЯ КОНЦЕПЦИЯ , ________________________ |
39 |
|
14 |
АНАЛИЗ ПРИОРИТЕТВ ПОЛУЧЕНИЯ ВЫСШЕГО ОБРАЗОВАНИЯ ПОТЕНЦИАЛЬНЫМИ АБИТУРИЕНТАМИ , ________________________ |
42 |
|
15 |
УПРАВЛЕНИЕ ОБУЧЕНИЕМ ИНОСТРАННОМУ ЯЗЫКУ НА ОСНОВЕ ПРИНЦИПОВ САМООРГАНИЗАЦИИ ____________________________________ |
45 |
|
16 |
О ПРИНЦИПАХ УПРАВЛЕНИЯ КАЧЕСТВОМ ОБРАЗОВАНИЯ ______________________________________ |
47 |
|
17 |
МЕТОДИКА ФОРМИРОВАНИЯ СТРАТЕГИЧЕСКИХ ЦЕЛЕЙ СТРУКТУРНЫХ ПОДРАЗДЕЛЕНИЙ ОРЕЛГТУ В ОБЛАСТИ КАЧЕСТВА ОБРАЗОВАТЕЛЬНОЙ, НАУЧНОЙ И ПРОИЗВОДСТВЕННОЙ ДЕЯТЕЛЬНОСТИ , , ____________________________________ |
50 |
|
18 |
ВЫДЕЛЕНИЕ И ОПИСАНИЕ ПРОЦЕССОВ СИСТЕМЫ МЕНЕДЖМЕНТА КАЧЕСТВА В ВЫСШЕМ УЧЕБНОМ ЗАВЕДЕНИИ , , ____________________________________ |
53 |
|
19 |
К ВОПРОСУ ОБ ОЦЕНКЕ РЕЗУЛЬТАТИВНОСТИ И ЭФФЕКТИВНОСТИ ПРОЦЕССОВ ИЗМЕРЕНИЯ И АНАЛИЗА УДОВЛЕТВОРЕННОСТИ ПРЕПОДАВАТЕЛЕЙ И ИХ ВОВЛЕЧЕННОСТИ В СИСТЕМУ МЕНЕДЖМЕНТА КАЧЕСТВА ОБРАЗОВАТЕЛЬНОЙ ОРГАНИЗАЦИИ , ________________________ |
56 |


