УДК 621.867.7
ГИДРАВЛИЧЕСКИЙ ПРИВОД ДЛЯ АВТОМОБИЛЯ ПОВЫШЕННОЙ ПРОХОДИМОСТИ ДЛЯ СОРЕВНОВАНИЙ ПО "ТРОФИ - РЕЙДАМ"
Научный руководитель – канд. техн. наук
Сибирский Федеральный университет
В настоящее время автоспорт приобретает все большую популярность во всем мире и наша страна не исключение. Ежегодно проводятся различные международные соревнования, в которых наша страна принимает активное участие, например, ралли-марафон «Дакар».
Особый интерес представляет новый вид автоспорта – трофи-рейд, смысл которого в преодолении бездорожья, обычно на полноприводных автомобилях (внедорожниках), специальных внедорожных мотоциклах, квадроциклах. Как правило, в трофи-рейдах, в отличие от автогонок, скорость прохождения маршрута не так важна – необходимо просто уложиться в зачетное время. Важнее успешно пройти все спецучастки и выполнить задания всех соревновательных этапов.
В этой связи в Сибирском федеральном университете был организован центр автомотоспорта, основной целью которого, является интеграция научно-технической деятельности студентов и преподавателей СФУ в научных исследованиях, экспериментальных установках, а также развитии автомотоспорта. В рамках одного из направлений деятельности Центра реализуется проект, целью которого является разработка автомобиля повышенной проходимости в соответствии с требованиями Российской автомобильной федерации (РАФ) для участия в соревнованиях.
В соответствии с требованиями РАФ и проанализированными выше автомобилями, для улучшения показателей проходимости и пассивной безопасности проектируемой машины коллективом Центра автомотоспорта СФУ была разработана пространственная рама, состоящая из труб прямоугольного и квадратного профиля, основным достоинством которой является высокое отношение крутильной жёсткости к массе. АТС с центральным расположением двигателя и гидрообъемной трансмиссией. Общий вид автомобиля представлен на рисунке 1.

Рисунок 1 - Автомобиль СФУ 3111
Трансмиссией называется силовая передача, осуществляющая связь двигателя с ведущими колесами автомобиля. Она служит для передачи от двигателя к ведущим колесам мощности и крутящего момента, необходимых для движения автомобиля.
На данном автомобиле решено реализовать гидрообъемную трансмиссию вместо механической, так как переключение передач приводит к разрыву потока мощности и опасности срыва грунта колесами в момент включения передачи при движении по поверхностям с низкой несущей способностью. Эффективность двигателя в механической трансмиссии высока только на некоторых определенных режимах его работы, например, в режиме создания максимального крутящего момента и резко падает при отходе от них.
Ступенчатая трансмиссия, осуществляя жесткую связь двигателя с колесами, нагружает двигатель моментом, пропорциональным моменту дорожных сопротивлений, которые, в свою очередь, изменяются в широком диапазоне произвольно и независимо от водителя. В результате двигатель используется недостаточно эффективно, и эксплуатационный расход топлива весьма велик. Все эти обстоятельства приводят к выводу о необходимости применения на полноприводных автомобилях бесступенчатых трансмиссий, в нашем случае – гидрообъемной. Для достижения цели при проектировании гидрообъемной трансмиссии перед нами были поставлены следующие задачи: обеспечение полного привода, возможность включения и отключения переднего или заднего мостов для езды по асфальтобетонному покрытию, возможность включения межосевой блокировки, а так же обеспечение реверса (возможность движения задним ходом).
![]() |
Вначале 1990-х гг., были проведены обширные исследования в области гидрообъемных трансмиссий, и была выдвинута идея для использования «гибкой» трансмиссии в автомобилях эксплуатируемых по бездорожью. Эта идея стала воплощаться в реальность когда в результате реорганизации НАМИ была основана небольшая научно-исследовательская фирма «НАМИ-Сервис. Ее руководителем стал . Результаты исследований позволили к концу 1990-х гг. сформулировать основные требования к конструкции «гибкой» трансмиссии полноприводного автомобиля высокой проходимости и приступить к разработке опытного образца. Так в 2003 году появился уникальный не имеющий аналогов в мире автомобиль под названием «Гидроход-49061» с гидрообъемной трансмиссией. Принципиальная гидравлическая схема трехконтурной гидрообъемной трансмиссии, принятой за основу при проектировании автомобиля «Гидроход» представлена на рисунке 2.
Рисунок 2 - принципиальная гидравлическая схема автомобиля «Гидроход-49061».
Где 1 – двигатель, 2 – раздаточный редуктор, 3 – насос, 4 – гидромотор, 5 – согласующий редуктор, 6 – колесо.
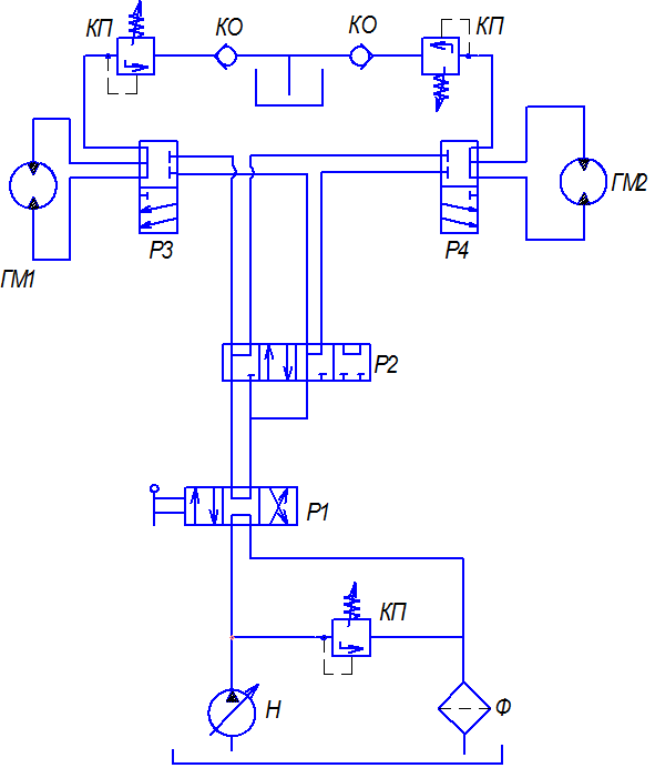
Однако такая схема не может быть использована на легковом автомобиле, из-за габаритов и массы оборудования. Так для автомобиля АТС СФУ 3111 мы предложили схемное решение с одним гидравлическим насосом и двумя гидравлическими моторами, которые приводят в движение мосты, а не отдельно каждое колесо. К тому же использование одного гидронасоса и подключение гидромоторов непосредственно к мостам упрощает схему тем, что можно пренебречь использованием редукторов. Ниже на рисунке 3 представлена гидравлическая схема, используемая на автомобиле.

Рисунок 3 – принципиальная гидравлическая схема автомобиля АТС СФУ 3111.
Гидропривод состоит из бака, гидронасоса Н, фильтра Ф, предохранительного клапана КП, гидрораспределителя Р1 переключение которого обеспечивает реверс хода а так же нейтральное положение замыкающее гидромоторы в одну цепь и освобождая гидронасос от нагрузки, гидрораспределителя Р2 (гидравлическая межосевая блокировка), гидрораспределителей Р3 и Р4 которые позволяют отключать передний или задний мосты и переливных клапанов установленных в сливной гидролинии.
Для достижения межосевой блокировки нами был сконструирован гидрораспределитель Р2 не имеющий аналогов. Уникальность этого гаспределителя в том, что в нем работают две секции одновременно, а при переключении его начинают работать срезу две другие секции, что кардинально меняет работу гидропривода.
Гидравлическая межосевая блокировка (гидрораспределитель Р2) работает следующим образом. При включении левой (по схеме) позиции гидрораспределителя жидкость нагнетающаяся насосом Н попадает в первую и третью полость гидрораспределителя Р2 (смотреть слева по схеме). Таким образом гидромоторы включены параллельно, это позволяет работать гидросистеме даже если один гидромотор заблокируется (например колеса упрутся в бревно), при переключении гидрораспределителя Р2 мы замыкаем гидромоторы в одну цепь (последовательно) это позволяет избежать остановки автомобиля при попадании колес одного из мостов в почву где сила трения о грунт значительно меньше чем у другого. Переливные клапаны служат для слива жидкости при температурном расширении, когда один из мостов отключен.




