федеральное агентстВО по ОБРАЗОВАНИю РОССИЙСКОЙ ФЕДЕРАЦИИ
Государственное образовательное учреждение высшего профессионального образования
ТОМСКИЙ ПОЛИТЕХНИЧЕСКИЙ УНИВЕРСИТЕТ
Лабораторные
работы
по
аналоговой
электронике
Лабораторные работы модуля 1.2.
«Исследование характеристик и параметров
типовых активных элементов аналоговой
электроники и простых схем
по их применению»
Методические указания
Томск 2007
УДК 621.38
Лабораторные работы по аналоговой электронике:
Методические указания к лабораторному циклу; в 9 кн. Кн. 3.
Цимбалист работы модуля 1.2. «Исследование характеристик и параметров типовых активных элементов аналоговой электроники и простых схем по их применению». Методические указания. - Томск: Изд. ТПУ, 2007. – 60 с.
Печатается по постановлению Редакционно-издательского Совета Томского политехнического университета.
Темплан 2007
© Томский политехнический университет, 2007
![]() |
![]() |
Перечень лабораторных работ модуля элементов 1.2.
«Исследование характеристик и параметров
типовых активных элементов аналоговой электроники
и простых схем по их применению»
1.2.1. Выпрямительные диоды. Исследование схем выпрямителей и ограничителей.
1.2.2. Стабилитрон. Исследование параметрического стабилизатора напряжения постоянного тока.
1.2.3. Биполярный транзистор. Анализ режимов (усилительного, отсечки, насыщения).
1.2.4. Полевой транзистор (ПТ) как усилительный элемент, «ключ», генератор тока.
1.2.5. Оптоэлектронная пара (светодиод-фотодиод). Анализ фотодиодного и вентильного режимов.
Лабораторная работа 1.2.1.
Выпрямительные диоды
Исследование схем выпрямителей и ограничителей
1. Цель работы:
- овладеть методикой снятия вольт-амперных характеристик (ВАХ) нелинейного элемента – выпрямительного диода;
- освоить методику расчета основных параметров диода, характеризующего его как нелинейный элемент с вентильными свойствами;
- получить навыки аппроксимации экспериментальной ВАХ диода;
- понимать процессы в диодных выпрямителях и ограничителях.
2. Краткие сведения по подготовке к лабораторной работе
Отличительным свойством выпрямительных диодов является их вентильное свойство, т. е. способность проводить ток при прямом включении и практически не проводить в обратном включении. Так как в макете № 1 установлены маломощные кремниевые диоды, у которых при обратных напряжениях в десятки вольт обратный ток не достигает разрешающей способности по току мультиметра М-832 на его самом чувствительном пределе, то ВАХ диода снимается только при прямом включении диода.
Как известно, ВАХ диода нелинейная, поэтому в любой точке ВАХ имеют место свои значения статического и дифференциального сопротивлений:
, RСТ > RД,
.
Вентильные свойства выпрямительных диодов широко используются в схемах выпрямителей и ограничителей напряжения. В лабораторной работе исследуются схемы однополупериодного выпрямителя, работающего на активную или емкостную нагрузку, и схемы последовательного и параллельного ограничителя.
Для понимания работы схем можно воспользоваться нелинейными или линеаризованными моделями (схемами замещения диода), полученными из экспериментальных данных при снятии его ВАХ. Можно также воспользоваться графическими построениями на ВАХ диода с изображением на ней нагрузочной прямой.
Пусть прямое включение диода реализовано в схеме, изображенной на рисунке 1. В соответствии с алгоритмом построения нагрузочной прямой, ее уравнение имеет вид:
. Тогда она расположится на ВАХ диода следующим образом (рисунок 2) и будет перемещаться параллельно самой себе при изменениях Е1. Абсцисса рабочих точек показывает значение напряжения U, падающего на диоде.
Если на рисунке 1 вместо источника напряжения постоянного тока включить источник гармонического напряжения, то напряжение UR будет повторять форму тока I(t) (рисунок 2), причем амплитуда UR в первом приближении будет отличаться от Em на значение порядка Е0 (рисунок 3), а угол отсечки Q тока I и напряжения UR Е10 ® Е0 . Е10, а угол отсечки тока I и напряжения будет меньше 90°.
![]() |
Приняв в качестве модели диода схему замещения при кусочно-линейной аппроксимации ВАХ, для входного гармонического сигнала получим расчетную схему (рисунок 3). Тогда для положительной полуволны Е~
, UR = IR »
» E(t) – E0 при R >> Rд.
Итак, в указанном режиме работы диода – в режиме большого сигнала, нелинейность и вентильные свойства диода проявляются в отсечке тока, когда ток в цепи практически отсутствует на отрицательной полуволне входного гармонического сигнала и на части его положительной полуволны.
![]() |
Может сложиться впечатление, что в цепи с диодами форма тока и напряжения на резисторе R всегда несинусоидальная при синусоидальном входном воздействии. Однако это не так в случае работы диода в режиме малого сигнала. Такой режим имеет место тогда, когда, например, с помощью источника напряжения постоянного тока рабочая точка выведена на линейный участок, а источник напряжения переменного тока изменяет токи и напряжения в окрестностях рабочей точки (рисунок 4). В этом случае любая нелинейность может быть линеаризована как касательная к ВАХ в рабочей точке. Форма же переменных составляющих тока и напряжений в схеме практически гармоническая, несмотря на нелинейность ВАХ и вентильные свойства диода.
Как известно, в режиме малого сигнала при низкочастотном воздействии моделью диода является его дифференциальное сопротивление в рабочей точке. Тогда расчетная схема для переменного сигнала принимает вид (рисунок 5).
Увеличение частоты вход-ного сигнала требует использования ВЧ моделей диода, когда в схемах замещения диодов сопротивления (прямое или обратное) шунтируются емкостями диода – барьерной при обратном включении и диффузной – при прямом. Этим можно учесть инерционные свойства диода, ухудшающие его вентильные свойства, что целесообразно просмотреть при исследовании схем диодных выпрямителей или ограничителей, когда диоды работают в режиме большего сигнала.
3. Порядок работы
1. Проверьте, что макет № 1 подключен к источнику питания через разъем ДВ-9.

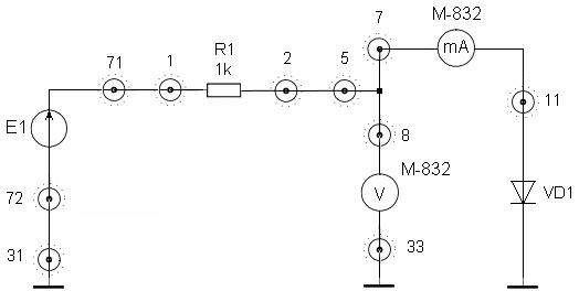
Рисунок 6
2. Соберите схему для снятия ВАХ диода при его прямом включении (рисунок 6)[1]. При сборке схемы обратите внимание на правильный выбор пределов измерения мультиметров М-832. Экспериментальные данные занесите в таблицу 1.
Таблица 1
Е1, В | 1,3 | 2,0 | 3,0 | 4,0 | 5,0 | 6,0 | 7,0 | 8,0 | 9,0 | 10,0 | 11,0 | 12,0 | 13,0 | 14,0 | 15,0 |
U, В | |||||||||||||||
I, мА |
3. Поменяйте полярность источника Е1 на обратную перемычками 71-31 и 72-1). Установите самый чувствительный предел токового М-832 и убедитесь в отсутствии обратного тока при максимальном Е1. Загрубите предел мультиметра.
4. Соберите схему однополупериодного выпрямителя, работающего на активную нагрузку (рисунок 7). В качестве источника переменного напряжения используйте генератор, например, Г3-36. Установите на генераторе Е~ = Uвх~ = 4 В по его встроенному вольтметру и частоту f = 1 кГц. Пронаблюдайте и зарисуйте временные диаграммы сигналов на выходе (65) и на входе (59) выпрямителя. Измерьте осциллографом амплитуды сигналов и определите период входного напряжения и временной интервал ненулевого выходного напряжения. Данные зафиксируйте для их дальнейшей обработки. Определите угол отсечки тока Q.
5. Изменяйте частоту гармонического напряжения с генератора (рисунок 7) и наблюдайте на частотах в сотни килогерц проявление инерционных свойств диода. Зарисуйте временные диаграммы входного и выходного напряжений.
6. Измените схему (рисунок 7): выключите осциллограф, включите на входе вольтметр переменного тока В3-38 (гнезда 59,35), а на выходе (64, 34) мультиметр М-832 на пределах ДСV. При установке предела измерения на В3-38 учтите, что напряжение с генератора будет изменяться от 1 В до 5 В. Определите и установите предел ДСV мультиметра так, чтобы при максимальном входном напряжении среднее за период выпрямленное напряжение не приводило к перегрузке М-832.

Рисунок 7
7. Установите f = 1 кГц и снимите зависимость Uвых= = f(Uвх~), Данные занесите в таблицу 2.
Таблица 2
f = 1 кГц | |||||||||
Uвх~, В | 1,0 | 1,5 | 2,0 | 2,5 | 3,0 | 3,5 | 4,0 | 4,5 | 5,0 |
Uвых=, В |
8. Установите f = 200 кГц, повторите исследования. Данные занесите в таблицу 3.
Таблица 3
f = 200 кГц | |||||||||
Uвх~, В | 1,0 | 1,5 | 2,0 | 2,5 | 3,0 | 3,5 | 4,0 | 4,5 | 5,0 |
Uвых=, В |
9. Восстановите схему (рисунок 7), подключите параллельно RH=R14 конденсатор фильтра С5 (62, 34), получив при этом однополупериодный выпрямитель, работающий на активно-емкостную нагрузку. Просмотрите на осциллографе и зарисуйте форму выходного напряжения, если Uвх~ = 4 В, а частота изменяется в пределах, когда амплитуда пульсаций существенно изменяется относительно выходной постоянной составляющей.
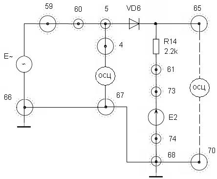
10[2]. Исследуйте работу схемы последовательного ограничителя (рисунок 8), построив и изучив временные диаграммы сигналов на входе (4) и выходе (65) при различных значениях подпирающего напряжения Е2. Значение Е~ установить равным 5 В по шкале встроенного в генератор Г3-36 вольтметра.

Рисунок 8
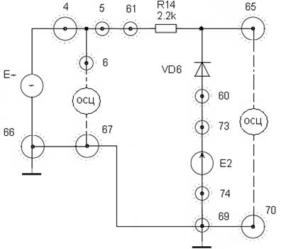
112. Исследуйте схему параллельного ограничителя напряжения (рисунок 9), построив и изучив временные диаграммы сигналов на входе (6) и выходе (65) при различных значениях и полярности источника Е2. Значение Е~ установить равным 5 В по шкале встроенного в генератор Г3-36 вольтметра.
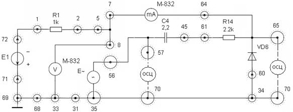
12[3]. Исследуйте работу выпрямительного диода в режиме малого и большого сигналов по схеме на рисунке 10.
12.1. Режим малого сигнала.
Выведите регулировку выхода генератора в крайнее левое положение и, изменяя значений Е1, установите рабочую точку (I=7 мА). Установите на генераторе f = 1 кГц, Е~ = 4 В (по вольтметру генератора). Убедитесь, что форма входного (57) и выходного (65) сигналов гармоническая. С помощью Е1 изменяйте координату рабочей точки. Зафиксируйте временные диаграммы выходного сигнала при закрытом входе осциллографа. Почему с изменением координаты рабочей точки меняется его амплитуда, а затем и форма? Увеличьте частоту f до 200 кГц. Убедитесь в малой инерционности диода, когда форма выходного напряжения гармоническая.

Рисунок 9

Рисунок 10
12.2. Режим большого сигнала.
Установите минимальное значение Е1. Установите f = 1 кГц, Е~ = 4 В. Пронаблюдайте с помощью осциллографа входной сигнал (57), а затем и выходной (65). Зарисуйте сигналы и сделайте выводы. Почему при изменении Е~ изменяется координата рабочей точки ВАХ диода?
4. Контрольные вопросы
1. Как по ВАХ диода определить значения Е0 и Rд схемы замещения диода при кусочно-линейной аппроксимации (рисунок 3)?
2. Определите Rст и Rд в выбранной Вами рабочей точке по ВАХ диода.
3. Изобразите ожидаемую зависимость Rст = f(I).
4. Изобразите ожидаемую зависимость Rд = F(I).
5. Что такое режим малого сигнала?
6. Почему в режиме малого сигнала формы входного и выходного сигналов практически совпадают?
7. Приведите алгоритм аппроксимации ВАХ диода, представленной данными эксперимента.
5. Требования к отчету
Отчет должен содержать схемы и результаты эксперимента, обработанные в соответствии с целями работы.
Лабораторная работа 1.2.2
Стабилитрон. Исследование параметрического стабилизатора
напряжения постоянного тока
1. Цель работы:
- овладеть методикой снятия вольт-амперных характеристик (ВАХ) стабилитрона;
- определить его основные параметры;
- получить практические навыки исследования параметров схем параметрических стабилизаторов напряжения.
2. Краткие сведения для подготовки к лабораторной работе
Стабилитрон – широко используемый элемент, разработанный для стабилизации напряжения постоянного тока. Чтобы осуществить такую стабилизацию, на ВАХ элемента должен находиться участок, на котором при значительных изменениях тока изменения напряжения были бы незначительными. Такими свойствами (малого дифференциального сопротивления) обладают участки ВАХ кремниевых диодов, где при обратном включении развивается тот или иной вид пробоя p-n-перехода с током, ограниченным внешним резистором.
Простейший аналоговый стабилизатор напряжения постоянного тока – параметрический стабилизатор (рисунок 1).
![]() |
Суть процесса стабилизации заключается в том, что любое изменение входного напряжения Е1 и/или сопротивления нагрузки RН приводят к изменениям общего тока и перераспределению токов между диодом и нагрузкой. При этом UН = UСТ практически не изменяется, благодаря работе стабилитрона на участке ВАХ с малым дифференциальным сопротивлением и изменением падения напряжения на резисторе R.
Такой тип стабилизатора обычно используют для стабилизации напряжения при мощности нагрузок меньше 200 мВт.
Среди параметров, характерных для стабилизаторов напряжения, наиболее распространенными являются:
- нестабильность выходного напряжения по сети (line regulation) - процентное изменение выходного напряжения в ответ на изменение входного напряжения
,
где использованы сокращения:
o – out,
hi – high,
lo – low,
in – input,
т. е. речь идет об изменении выходного напряжения при высоком и низком уровнях входного, отнесенного к выходному напряжению при номинальном входном;
- нестабильность выходного напряжения по нагрузке (load regulation) - процентное изменение выходного напряжения в ответ на изменение тока в нагрузке от половины до полного номинального значения
,
где
- номинальное выходное напряжение на холостом ходу при номинальном
;
- общий КПД (overall efficiency), показывающий разработчику, сколько тепла будет выделяться внутри изделия и потребуется ли в физической конструкции какой-либо теплоотвод
КПД=
.
При определении указанных параметров стабилизатора на макете находим соответствие: входные напряжения
изменяются Е1 источника питания, выходное напряжение UСТ = UП =
.
3. Порядок выполнения работы
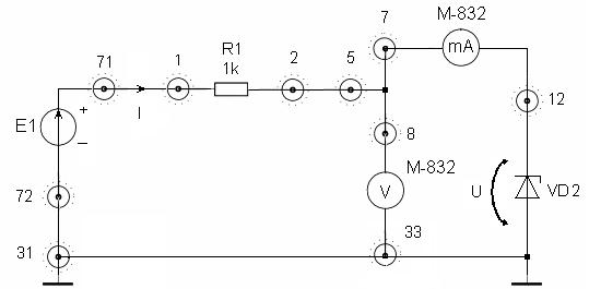
1. Проверьте, что макет № 1 подключен к источнику питания через разъем ДВ-9.

Рисунок 2
2. Соберите схему для снятия ВАХ стабилитрона VD2 при его обратном включении (рисунок 2). При сборке схемы обратите внимание на правильный выбор пределов измерения тока и напряжения мультиметров М-В £ U £ 5 В). Изменяйте значения Е1 и определите U и I. Экспериментальные данные занесите в таблицу 1.
Таблица 1
Е1, В | 15 | 14 | 13 | 12 | 11 | 10 | 9 | 8 | 7 | 6 | 5 |
U, В | |||||||||||
I, мА |
3. Рассчитать по данным таблицы 1 нестабильность выходного напряжения Line Reg параметрического стабилизатора в режиме холостого хода, считая, что номинальное выходное напряжение имеет место при Е1 = 12 В, а максимальное и минимальное значения фиксируются при Е1 = 15 В и Е1 = 10 В соответственно,
4. Определите в рабочих точках (таблица 1) значения статического и дифференциального сопротивлений и постройте зависимости Rст = f(I). Rд = F(I).
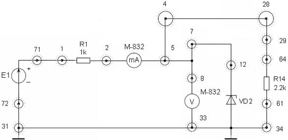
5. Соберите схему параметрического стабилизатора с нагрузкой RH = R14 = 2,2 кОм (рисунок 3). Изменяйте Е1 и определите U и I. Экспериментальные данные занесите в таблицу 2, аналогичную таблице 1.

Рисунок 3
6. Повторите для схемы (рисунок 3) п. 3 и сравните нестабильности выходных напряжений от вариаций Е1 в режимах холостого хода и под нагрузкой.
|
Из за большого объема этот материал размещен на нескольких страницах:
1 2 3 4 |








