7. Установите номинальное входное напряжение Е1 = 12 В и замерьте выходное напряжение параметрического стабилизатора на холостом ходу (U1) и под нагрузкой (U2). Рассчитайте Rвых стабилизатора, замещая всю схему кроме RH = R14 = 2,2 кОм эквивалентным генератором с ЭДС Ег = U1 и выходным сопротивлением Rвых.
8. Отсоединить R14 и подсоедините вместо RH сопротивление R13, используя перемычки (34-69) и (29-54). Зафиксируйте значение выходного напряжения как
. Считая, что в предыдущем пункте получены значения на холостом ходу и половинной нагрузке, найдите значение нестабильности выходного напряжения на нагрузке ![]()
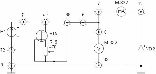
9. Соберите схему (рисунок 4)[4], обеспечивающую лучшие параметры стабилизатора за счет использования динамического балластного сопротивления в виде схемы на VT5.
10. Установите входное напряжение Е1=15 В. Сопротивлением R15 установите значение выходного напряжения U, как в таблице № 1. Данные при изменении Е1 от 15 до 10 В занесите в таблицу № 3. Е1 = 12 В считать номинальным входным напряжением.
Таблица 3
Е1, В | 15 | 14 | 13 | 12 | 11 | 10 |
U, В | ||||||
I, мА |

Рисунок 4
11. По данным таблицы 3 рассчитайте коэффициент нестабильности выходного напряжения
и сравните его с ранее полученным значением (п. 6).
12. По данным эксперимента при Е1 = 12 В рассчитайте статическое и дифференциальное сопротивления части схемы на VT5, выполняющего функции балластного сопротивления R (схема 1). Поясните с этих позиций улучшение параметров стабилизатора. Сделайте выводы.
4. Контрольные вопросы
1. Какая ветвь ВАХ стабилизатора обычно используется с целью стабилизации напряжения?
2. Почему для стабилизации напряжения используется область пробоя p-n-перехода стабилитрона?
3. Как в заявленной рабочей точке определить статическое и дифференциальное сопротивления стабилитрона?
4. Приведите графические построения на ВАХ стабилитрона для схемы (рисунок 1), поясняющие работу стабилизатора при изменениях Е1, когда RН = const.
5. Приведите графические построения на ВАХ стабилитрона для схемы (рисунок 1), поясняющие работу стабилизатора при изменениях RН, когда Е1= const.
6. Почему при использовании динамического балластного сопротивления на VT5 уменьшается нестабильность выходного напряжения
?
7. Выведите формулу для расчета Rвых параметрического стабилизатора по методике п. 7.
5. Требования к отчету
Отчет должен содержать схемы и результаты их исследования, обработанные в соответствии с объявленными целями работы.
Лабораторная работа 1.2.3
Биполярный транзистор.
Анализ режимов (усилительного, отсечки, насыщения)
1. Цель работы:
- овладеть методикой снятия вольт-амперных характеристик (ВАХ) биполярного транзистора и определить его основные параметры в заданной рабочей точке;
- получить практические навыки схемного введения транзистора в заданный режим и определить основные свойства режимов.
2. Краткие сведения для подготовки к лабораторной работе
Плоскостной транзистор (полупроводниковый триод) имеет два взаимодействующих p-n-перехода и три внешних вывода. В таком транзисторе p-n-переходы создаются у поверхностей соприкосновения полупроводниковых слоев. В зависимости от типа проводимости центрального слоя различают p-n-p и n-p-n транзисторы. В данной работе будет исследоваться n-p-n транзистор.
В электрическую цепь транзистор включают таким образом, что один из его выводов (электродов) является входным второй – выходным, а третий – общим для входной и выходной цепей. В зависимости от того, какой электрод является общим, различают три схемы включения транзисторов: с общей базой ОБ, с общим эмиттером ОЭ и общим коллектором ОК.
2.1. Биполярный транзистор в усилительном режиме
Следует помнить, что в усилительном режиме работы транзистора его эмиттерный переход смещен в прямом направлении, а коллекторный - в обратном, независимо от схемы включения (рисунок 1).

Рисунок 1

На рисунке 2 приведены вольт-амперные характеристики для схем включения с ОБ и ОЭ.
Рисунок 2
Cтатические ВАХ снимаются при отсутствии сопротивления нагрузки в выходной цепи.
При наличии этого сопротивления говорят о динамическом режиме работы транзистора. В таком режиме изменения коллекторного тока при EК = const и RК = const зависят не только от изменений базового тока, но и от изменений напряжения на коллекторе. Т. о. имеем уравнение динамического режима
| UКЭ | = | EК | - | IКRК |.
Характеристики, определяющие связь между токами и напряжениями транзистора при наличии сопротивления нагрузки, называются динамическими. Они строятся на семействе статических ВАХ при заданных значениях EК и RК. Для построения динамической выходной характеристики схемы с ОЭ использовано уравнение динамического режима, которое представляет собой уравнение прямой
.
Точка пересечения динамической характеристики (нагрузочной прямой) с одной из статических ВАХ называется рабочей точкой транзистора. Изменяя IБ, можно перемещать ее по нагрузочной прямой.
При анализе транзисторных схем в области нижних частот или больших времен можно представить транзистор в виде эквивалентной низкочастотной схемы. Элементы, образующие эквивалентную схему, рассматриваются как параметры транзистора. Измеряют параметры транзистора в режимах малых сигналов, которые на его криволинейных характеристиках укладываются на участках, которые можно принять за отрезки прямых линий.
На рисунке 3 изображены упрощенные схемы замещения транзистора в схемах включения ОБ и ОЭ.
Каждому элементу, например схемы ОБ, можно придать физический смысл: rЭ – дифференциальное (динамическое) сопротивление эмиттерного перехода, включенного в прямом направлении; rБ – сопротивление базы для переменного тока примерно равно сопротивлению базы для постоянного тока; rК – динамическое сопротивление коллекторного перехода, смещенного в обратном направлении.
,
.
Также можно отметить дифференциальный коэффициент передачи эмиттерного тока a и коэффициент обратной связи по напряжению m.
,
.
В схеме с ОЭ коэффициент передачи по току
, а сопротивление коллекторного перехода
.
![]() |
Нужно знать порядок величин дифференциальных параметров маломощных транзисторов: rЭ - единицы, десятки Ом; rК - единицы МОм – сотни кОм;
Рисунок 3
Достоинство физических параметров заключается в том, что они принадлежат транзистору как таковому и не зависят от способа его включения в схему. Недостаток – некоторые из них нельзя непосредственно измерить. На практике часто пользуются вторичными (внешними) параметрами транзистора, характеризующими его как активный линейный четырехполюсник.
Расчет параметров по конечным приращениям токов и напряжений вблизи рабочей точки транзистора для схемы ОЭ проводится следующим образом.
;
;
;
.
Параметры h11Э и h12Э схемы с ОЭ на семействе входных характеристик в рабочей точке А находят по формулам в соответствии со следующими графическими построениями (рисунок 3):
;
.
В рабочей точке А’ на выходных характеристиках, например, так определяют параметры h21Э и h22Э:
;

.
Рисунок 3
При исследовании биполярного транзистора в усилительном режиме следует уяснить, что это управляемый нелинейный элемент, у которого изменение входного тока (базы) приводит к изменениям выходного тока (коллектора или эмиттера). Кроме того, биполярный транзистор является усилительным элементом, т. е. мощность, выделяемая в выходной цепи существенно больше мощности во входной цепи. Это происходит за счет энергии источников питания.
2.2. Биполярный транзистор в режиме ключа
Транзисторные ключи (ТК) являются одним из наиболее распространенных элементов импульсных и цифровых устройств. Главное назначение транзистора, работающего в ключевом режиме - замыкание и размыкание цепи, его усилительные свойства в этом режиме отсутствуют. Разомкнутому состоянию ключа соответствует режим отсечки транзистора (транзистор заперт), а замкнутому - режим насыщения (транзистор открыт).
Ключевой каскад содержит источник питающего напряжения, нагрузочный (в простейшем случае резистор R) и ключевые элементы. При одном состоянии ключевого элемента ток в цепи нагрузки минимален, при другом принимает максимальное значение. Электронный ключ можно считать известной аналогией механического ключа (рисунок 4).

Рисунок 4. Рисунок 5.
Ключ К замыкается и размыкается под действием внешней силы Р. Сопротивление идеального ключа в замкнутом состоянии равно нулю, а в разомкнутом - бесконечности, то есть его вольт-амперная характеристика (ВАХ) совпадает с осями координат (рисунок 5). В действительности даже механический ключ (рубильник, выключатель) является неидеальным. Он имеет сопротивление r во включенном и конечное сопротивление утечки R в выключенном состоянии. ВАХ такого ключа уже не совпадает с осями координат, а имеет угол наклона к осям (рисунок 6). Существенным отличием электронных ключей является смещение их ВАХ относительно начала координат на величину IР и UЗ соответственно, где IР - ток разомкнутого ключа (остаточный ток), а UЗ падение напряжения (остаточное напряжение) в замкнутом состоянии ключа (рисунок 7).

Рисунок 6 Рисунок 7
Принципиальная схема транзисторного ключа ОЭ изображена на рисунке 8. Здесь входной управляющий сигнал EБ, задающий базовый ток транзистора, играет ту же роль, что и сила P в схеме на рисунке 4, а сам транзистор VТ1 играет роль ключевого элемента К. Управляемой является коллекторная цепь с источником питания ЕК и нагрузкой в виде RК. Транзистор n-p-n - типа включен по схеме с общим эмиттером. При действии отрицательного сигнала транзистор запирается, а при действии положительного может входить в режим насыщения, если оба перехода транзистора будут находиться в прямом включении.

Рисунок 8
На выходной характеристике транзистора (рисунок 9) запертое состояние транзистора (режим отсечки) отмечен зоной РО, а режим насыщения зоной РН. Между ними находится зона усилительного режима.


Рисунок 9
Рассмотрим сначала режим отсечки транзистора в схеме простейшего ТК (рисунок 8). В этом режиме оба перехода смещены в обратном направлении и, как уже отмечалось ранее, для его запертого состояния необходимо подать отрицательный сигнал. Мы получим режим глубокой отсечки.
Эквивалентная схема ТК для данного режима представлена на рисунке 10. Ток транзистора (как входной, так и выходной) мал и равен IКо. Этот ток является остаточным током и протекает от источника EК через сопротивление RК, коллекторный переход запертого транзистора, сопротивление RБ к источнику сигнала EБ. Протекание через нагрузку теплового тока IКо связано с тем, что транзистор в закрытом состоянии не обеспечивает полного отключения нагрузочного резистора RК от источника питания.
Условие запирания транзистора в этой схеме имеет вид UБЭ£0. Из рисунка 10 видно:
UБЭ = EБ - IКо RБ £ 0 (из второго закона Кирхгофа),
отсюда
RБ
EБ / IКо max,
т. к. условие UБЭ £0 должно выполняться на максимальной температуре, когда IКо = I Ко max.

Рисунок 10
Это условие надежного запирания транзистора. Используя схему замещения (рисунок 10), можно найти токи транзистора и напряжения:
IБ = - IК0; U БЭ = - EБ + IК0 RБ;
IК = IК0; U КЭ = EК - IК0 RК;
I Э = 0.
Как видно из рисунка 9, режим глубокой отсечки отображен рабочей точкой 1 на характеристиках транзистора. Режим отсечки сохраняется также, когда UБЭ = 0 и заканчивается в рабочей точке 2, когда при изменении полярности ЕБ на обратную (ЕБ > 0), UБЭ>0, но IБ = 0. Далее транзистор входит в усилительный режим и по мере увеличения EБ получаются все большие токи IБ1, IБ3, IБ4. Эти токи обуславливают координаты рабочих точек усилительного режима в семействах характеристик транзисторов.
На выходных характеристиках транзистора нанесена также зависимость IЭ » IК =
. Пересечение данной входной характеристики с нагрузочной прямой (точка 3) показывает, что при IБ5 значения UКЭ и UБЭ равны. Последнее означает, что коллекторный переход открывается при увеличении IБ по сравнению с IБ5, т. е. транзистор входит в режим насыщения. Таким образом, IБ5=IБН, а условием формирования РН является IБ ³ IБН.
В точке 3 при токе базы Iб5, напряжения UКЭ и UБЭ становятся равными UКН; инжекция коллектора начинает препятствовать дальнейшему увеличению коллекторного тока и этот ток остается далее практически неизменным. Такой максимальный ток коллектора называют током насыщения и обозначают IКН.
Как видно из рисунка 8:
IКН = (EК - UКН)/RК,
где UКН - остаточное напряжение на транзисторе в открытом состоянии. Остаточное напряжение UКН, являющееся существенным параметром транзистора в импульсном режиме работы, должно быть минимальным. Ввиду относительно малого остаточного напряжения по сравнению с EК расчет тока IКН открытого транзистора проводится по формуле:
IКН = EК / RК.
Эквивалентная схема каскада в режиме насыщения показана на рисунке 11.

Рисунок 11
Для нее принято допущение – падение напряжения на переходах транзистора практически равны 0, т. е. транзистор стянут в точку. Так как условием насыщения является неравенство
IБ ³ IБН. = IКН / b, а IБ = ЕК / RБ, IКН = ЕК / RК,
то можно получить
и
.
3. Порядок выполнения работы
3.1. Снятие вольт-амперных характеристик транзистора
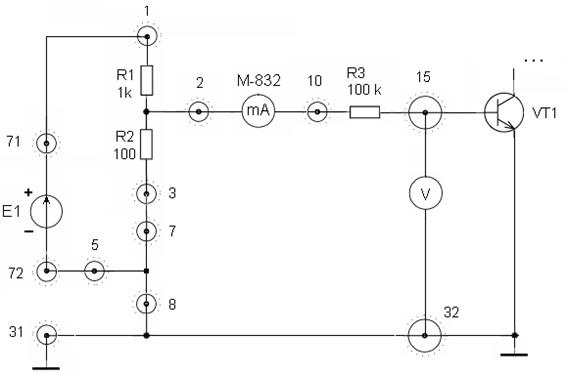
1. Соберите схему (рисунок 12) для снятия входных ВАХ транзистора. Получение зависимостей
проводите для двух режимов:
- UКЭ = 0, тогда используйте перемычку (16-33) и
- UКЭ = +5 В, тогда используйте перемычку (17-28), (29-73), мультиметр М-832 подключите к гнездам 16 и 33.
Значение UКЭ = +5 В не превышать! Максимальный ток базы не должен быть больше 100 мкА. Поэтому перед включением источника питания ручки потенциометров источника питания должны быть в крайнем левом положении.
Экспериментальные данные занесите в таблицу 1.
Таблица 1
IБ, мкА | 10 | 20 | 30 | 40 | 50 | 60 | 70 | 80 | 90 | 100 | Примечание |
UБЭ, В | UКЭ=0 | ||||||||||
UКЭ, В | UКЭ=+5 В |
2. Переберите входную цепь по схеме (рисунок 13) и снимите часть входной характеристики
. Убедитесь, что IБ=0 при UБЭ>0.
Экспериментальные данные занесите в таблицу 2.
Таблица 2
IБ, мкА | 0 | 1 | 2 | 3 | 4 | 5 | 6 | 7 | 8 | Примечание |
UБЭ, В | UКЭ = +5 В |

Рисунок 12

Рисунок 13
3. Соберите схему (рисунок 14) для снятия семейства выходных характеристик транзистора
. Получение характеристик проводите при условии РК = IК × UКЭ ≤ 100 мВт.

Рисунок 14
Экспериментальные данные занесите в таблицу 3.
Таблица 3
UКЭ, В | 1,3 | 2,0 | 4,0 | 6,0 | 10,0 | 12,0 | 14,0 | 15,0 | Примечание |
IК, мА | IБ=20 мкА | ||||||||
IК, мА | IБ=40 мкА | ||||||||
IК, мА | IБ=60 мкА | ||||||||
IК, мА | IБ=80 мкА | ||||||||
IК, мА | IБ=100 мкА |
Следите, чтобы РК = IК × UКЭ ≤ 100 мВт было в любой клетке таблицы!
|
Из за большого объема этот материал размещен на нескольких страницах:
1 2 3 4 |




