Гибкостью колонны предварительно задаются при нагрузке
при нагрузке ![]()
Для расчета при нагрузке 2280 кН принимаем
и по [1, табл. 72] находим
Требуемая площадь сечения одной ветви колонны:

Требуемый радиус инерции сечения 
Далее, зная
и
, по сортаменту швеллеров или двутавров рекомендуется подбирать профиль так, чтобы одна из величин (
или
) была бы принята с избытком, другая – с недостатком. Принимаем по ГОСТ 8240-72 швеллер № 40 (![]()
![]()
Гибкость колонны 
Условная гибкость 
Вычисляется коэффициент продольного изгиба по [1, п. 5.3] при
:

Определяем вес колонны
![]()
где
– конструктивный коэффициент, учитывающий вес планок, диафрагм, траверс и сварных швов.
Полная расчетная нагрузка 
Проверка колонны на устойчивость относительно материальной оси X:

Недонапряжение составляет 8,8 %.
2.4.3. Расчет колонны относительно свободной оси Y
Устойчивость колонны относительно свободной оси зависит от расстояния между ветвями, которое в расчете определяется исходя из равноустойчивости колонны относительно свободной и материальной осей.
Требуемая гибкость
![]()
где
– гибкость ветви. Принимается в пределах ![]()
Требуемый радиус инерции

Расстояние между центрами тяжести ветвей (рис. 26)
![]()
Расстояние по наружным граням сечения:
![]()
(для колонн из двутавров при
).
Из условия возможности окраски ветвей колонны изнутри:
![]()
(для колонн из двутавров
).
Принимаем bk = 400 мм.
Тогда расстояние между центрами тяжести ветвей

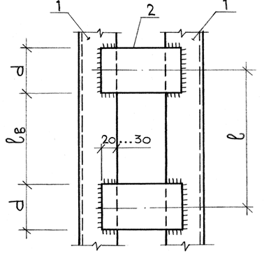
Назначается ширина планки:
![]()
Принимаем
(рис. 27).
Толщина планки 

Рис. 27. Боковой вид колонны:
1 – ветви колонны; 2 – планка
Принимаем
. Расстояние между планками
Принимаем
.
Расстояние между центрами планок ![]()
Момент инерции сечения планки

Проверка выполнения требования необходимой жесткости планок:
проверка выполняется.
Геометрические характеристики сечения:
· момент инерции сечения колонны относительно свободной оси
![]()
· радиус инерции сечения

· гибкость 
· приведенная гибкость ![]()
где
Проверка: ![]()
Условная приведенная гибкость

Вычисляется коэффициент продольного изгиба по [1, п. 5.3] при ![]()

Проверка колонны на устойчивость относительно свободной оси Y:

Проверка выполняется. Недонапряжение составляет 9 %.
2.4.4. Проверка устойчивости ветви относительно оси Yв
Условная приведенная гибкость ветви

Коэффициент продольного изгиба по [1, п. 5.3]:

Проверка напряжений в ветви:

Проверка выполняется.
2.4.5. Расчет планок
Планки рассчитываются на условную поперечную силу по [1, формула (23)]:

Перерезывающая сила в планке 
Изгибающий момент в планке 
Нормальные, касательные и приведенные напряжения в сварных швах, соединяющих планки с ветвями колонны:
· нормальные напряжения
.
Здесь
– момент сопротивления углового шва при катете
В расчете принята ручная сварка с электродами типа Э 42. Расчетная длина шва
принята равной ширине планки
так как начало и конец шва вынесены не менее чем на 20 мм за пределы ширины планки (см. рис. 27);
· касательные напряжения

· приведенные напряжения

Так как условие прочности сварных швов, соединяющих планки с ветвями колонны, удовлетворяется, прочность сечения планки не проверяется.
Для предотвращения закручивания сечения колонны ветви колонн соединяют поперечными диафрагмами, которые устанавливают через
3 – 4 м по высоте колонны (см. рис. 25).
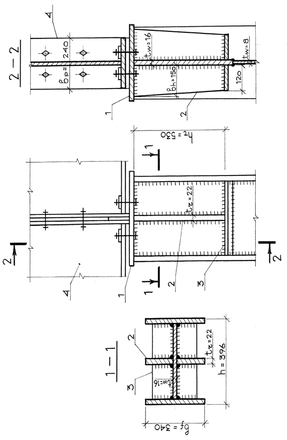
2.4.6. Расчет базы колонны
База колонны, состоящая из опорной плиты и траверс, крепится к фундаменту анкерными болтами (рис. 28).
Размеры плиты базы. Ширина плиты В назначается по конструктивным соображениям:
(принимать кратно 10 мм). Здесь
– высота швеллера;
– толщина траверсы;
– свесы плиты. Один из размеров (
или
) следует принимать в соответствии с сортаментом листов универсальной стали.
Рекомендуется ширину
принимать кратно 10 мм, а длину
– по стандартным размерам листов. Длина плиты, минимальная по конструктивным соображениям
.
Принимаем по сортаменту 
|
|
|
|
Рис. 28. База колонны сквозного сечения: 1 – ветви колонны;
2 – траверса; 3 – плита; 4 – фундамент; 5 – анкерный болт
Проверяем достаточность размеров плиты в плане расчетом из условия смятия бетона под плитой. Назначаем класс бетона фундамента В12,5. Расчетное сопротивление бетона смятию при коэффициенте условия работы
[5].
Требуемая длина плиты по расчету:

Принимаем по сортаменту универсальной стали
так как
Получаем размеры плиты базы в плане
мм с площадью
.
Далее, в зависимости от размеров в плане верхнего обреза фундамента, уточняется сопротивление бетона смятию и проверяются напряжения под плитой. Назначаем размеры верхнего обреза фундамента:
![]()
Площадь
. Уточняется коэффициент
Уточняется сопротивление бетона смятию
Проверяем бетон на смятие под плитой базы:

Проверка выполняется.
Расчет толщины плиты базы. Как правило, толщина плиты назначается в пределах
мм.
Расчет толщины плиты базы производится из условия прочности плиты при изгибе на действие реактивного давления фундамента. Выделяются участки плиты с характерными схемами закрепления сторон и их соотношением (см. рис. 23 и 28). Максимальные изгибающие моменты на этих участках при единичной ширине плиты определяются по формуле ![]()
где 1) для участка I –
– вылет консоли;
2) для участка II – коэффициент
определяется по табл. 6П приложения в зависимости от отношения стороны
к свободной стороне
.
3) для участка III
определяется по табл. 7П приложения в зависимости от отношения большей стороны к меньшей, где
– длина меньшей стороны.
Изгибающие моменты в плите на участках.
На первом участке 
На втором участке вычисляем отношение сторон
где
Так как

– расчет выполняем как консоли. На третьем участке
,
где
при
По наибольшему моменту на участках
из условия прочности плиты на изгиб
определяется требуемая толщина плиты:
где ![]()
согласно [1, табл. 6]. По сортаменту принимается плита толщиной 40 мм.
Расчет траверсы. Нагрузка со стержня колонны передается на траверсы через сварные швы, длина которых и определяет высоту траверсы. При четырех швах c высотой катета ![]()

Здесь прочность по металлу шва:
![]()
по металлу границы сплавления:
![]()
где
Нормативное сопротивление
определено по [1, табл. 51]. В соответствии с требованием [1, п. 12.8], расчетная длина флангового шва должна быть не более
в расчете
По сортаменту универсальной стали принимается высота листа траверсы 
Расчет катета сварного шва крепления траверсы к плите. При вычислении суммарной длины швов не учитывается по 1 см на непровар:

Требуемый катет шва по расчету:

В соответствии с [1, табл. 38] при толщине плиты 40 мм минимальный катет шва равен
Принимаем 
Приварку торца стержня колонны к опорной плите базы выполняем конструктивными швами ![]()
Крепление базы к фундаменту. При шарнирном сопряжении колонны с фундаментом анкерные болты диаметром
необходимы для фиксации проектного положения колонны и закрепления ее в процессе монтажа. Принимаем два анкерных болта диаметром
. Болты устанавливаются в плоскости главных балок с креплением к плите базы, что обеспечивает за счет гибкости плиты шарнирное сопряжение колонны с фундаментом (см. рис. 28).
2.4.7. Расчет оголовка колонны
Оголовок колонны состоит из опорной плиты и подкрепляющих ребер (рис. 29). Опорная плита передает давление от двух главных балок на ребра оголовка и фиксирует проектное положение балок при помощи монтажных болтов. Определяем размеры ребер, задавшись толщиной плиты
Толщина и ширина парных ребер из условия работы на смятие:
1) толщина ребра

где N – удвоенная опорная реакция главной балки;
370/1,025 = 361 МПа – расчетное сопротивление смятию торцевой поверхности [1, табл. 1, 2, 51];
м – ширина опорного ребра балки. Принимаем толщину ребра 
2) ширина ребра должна быть не менее ![]()
Принимаем ширину парных ребер равной вверху
и внизу
Высота вертикальных ребер
определяется из условия размещения четырех фланговых швов длиной не менее

где катет шва не может быть более
– толщина стенки швеллера. Длина сварного шва не должна быть более
Принимаем катет
и высоту ребра равной ширине листа по сортаменту 
Толщина вертикального ребра, соединяющего ветви колонны, определяется расчетом на срез:

Принимаем 
Так как стенки швеллеров тоньше вертикального ребра (![]()
), стенки проверяем на срез:

Вывод: для стенок швеллеров толщиной 8 мм условие на срез выполняется.


Торцы ветвей фрезеруем и подгоняем к опорной плите. Поэтому толщину швов, соединяющих плиту с ребрами и с ветвями колонны назначаем конструктивно
[1, табл. 38].
Снизу вертикальные ребра с целью предотвращения возможной потери устойчивости стенок стержня колонны обрамляются горизонтальным ребром толщиной 8 мм.
Для проверки результатов расчета колонны с базой на ЭВМ составляются исходные данные (табл. 10).
Таблица 10
Исходные данные для проверки расчета колонны
сквозного сечения на ЭВМ
№ | Вводимые параметры | Единица измерения | Величина |
Шифр задания | – | 768 | |
1 | Заглубление обреза фундамента | мм | 600 |
2 | Расстояние между планками в свету | мм | 800 |
3 | Расстояние между ветвями | мм | 400 |
4 | Строительная высота перекрытия | мм | 1540 |
5 | Расход стали на перекрытие | кг/м2 | 138,72 |
В случае, если проверка на ЭВМ не выполняется, студент должен повторить проектирование колонны.
ЗАКЛЮЧЕНИЕ
В учебном пособии рассмотрено проектирование основных элементов стальной балочной клетки: стального настила в составе вариантов нормального и усложнённого типа балочной клетки, прокатных вспомогательной балки и балки настила, главной составной сварной балки, центрально-сжатых колонн сплошного и сквозного сечений с базами и оголовками.
Не были рассмотрены балки с перфорированной стенкой, бистальные и тонкостенные балки, балки с гофрированной стенкой, а также предварительно напряжённые балки.
Освоив методику проектирования обычных наиболее распространённых конструкций, по мнению автора, студент может самостоятельно, с помощью специальной литературы понять и освоить проектирование более сложных конструкций.
Что касается проектирования внецентренно-сжатых колонн с базами и стропильных ферм, с методикой их расчёта студенты ознакомятся во второй части курса при выполнении проекта промышленного здания по соответствующему учебному пособию.
ПРИЛОЖЕНИЕ
СПРАВОЧНЫЕ ДАННЫЕ
Таблица 1П
Предельный относительный прогиб 
Пролет L | £ 1 м | 3 м | 6 м | 24 м |
1/n0 | 1/120 | 1/150 | 1/200 | 1/250 |
Таблица 2П
Нормативные и расчетные сопротивления при растяжении,
сжатии и изгибе листового, широкополосного универсального
и фасонного проката по ГОСТ для стальных
конструкций зданий и сооружений
Класс стали | Толщина проката, мм | Нормативное сопротивление, МПа, проката | Расчетное сопротивление, МПа, проката | ||||||
листового | фасонного | листового | фасонного | ||||||
Ryn | Run | Ryn | Run | Ry | Ru | Ry | Ru | ||
С235 | От 2 до 20 Св. 20 – 40 Св. 40 – 100 | 235 225 215 | 360 360 360 | 235 225 – | 360 360 – | 230 220 210 | 350 350 350 | 230 220 – | 350 350 – |
С245 | От 2 до 20 Св. 20 – 30 | 245 – | 370 – | 245 235 | 370 370 | 240 – | 360 – | 240 230 | 360 360 |
С255 | от 2 до 3,9 От 4 до 10 Св. 10 – 20 Св. 20 – 40 | 255 245 245 235 | 380 380 370 370 | – 255 245 235 | – 380 370 370 | 250 240 240 230 | 370 370 360 360 | – 250 240 230 | – 370 360 360 |
С275 | От 2 до 10 Св.10 – 20 | 275 265 | 380 370 | 275 275 | 390 380 | 270 260 | 370 360 | 270 270 | 380 370 |
С285 | От 2 до 3,9 От 4 до 10 Св.10 – 20 | 285 275 265 | 390 390 380 | – 285 275 | – 400 390 | 280 270 260 | 380 380 370 | – 280 270 | – 390380 |
С345 | От 2 до 10 Св. 10 – 20 Св. 20 – 40 | 345 325 305 | 490 470 460 | 345 325 305 | 490 470 460 | 335 315 300 | 480 460 450 | 335 315 300 | 480 460450 |
С375 | От 2 до 10 Св. 10 – 20 Св. 20 – 40 | 375 355 335 | 510 490 480 | 375 355 335 | 510 490 480 | 365 345 325 | 500 480 470 | 365 345 325 | 500 480 470 |
Продолжение приложения
|
Из за большого объема этот материал размещен на нескольких страницах:
1 2 3 4 5 6 7 8 |



