Рисунок 11 - Схема устройства защитного ограждения при бетонировании прогонов
3 Защитные ограждения, лестницы-стремянки, средства подмащивания и другое оборудование, обеспечивающее безопасность работ на высоте*
* Более полная информация по оснастке приведена в части 6 Строительного каталога, раздел СК-6.1.2 «Ограждения, лестницы, средства подмащивания, подъемники, люльки».
Одной из основных задач, решаемых при разработке проектных решений в ПОС и ППР, является выбор оснастки, соответствующей условиям работ и отвечающей требованиям безопасности труда. В приложении Д приводятся данные по некоторым образцам данной техники с указанием разработчиков и возможных изготовителей.
Строительный каталог | ||
Ограждения, лестницы, средства подмащивания, подъемники, люльки | ||
РОССИЯ | Ограждение защитное для лестничных площадок | ОКП 522517 |
ГУП ЦПП | Лист 1 | |
2002 | Рабочая конструкторская документация | На 1 стр. |
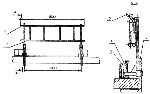
1 - стойка; 2 - перила; 3 - борт; 4 - винт; 5 - гайка; 6 - рейка НАЗНАЧЕНИЕ Ограждение защитное предназначено для временного ограждения лестничных площадок в местах перепада по высоте 1,3 м и более. ОПИСАНИЕ КОНСТРУКЦИИ Ограждение лестничных площадок крепится в любом месте к торцу плиты рейками в сборе со стойками, устанавливается на расстоянии 1300 мм друг от друга. Крепление ограждения осуществляется винтовым зажимом. Исходный размер винтового зажима устанавливается путем перемещения рейки в направляющей стойке и фиксации ее в необходимом положении в зависимости от толщины торца плиты. Перила укладываются в хомуты стоек. Крепление перил в хомутах осуществляется барашковыми гайками. ТЕХНИЧЕСКАЯ ХАРАКТЕРИСТИКА Протяженность ограждаемого участка, мм 1500 Допустимая толщина плиты перекрытий, мм от 100 до 240 Расстояние между стойками (не более), мм 1300 Высота перил, мм 1100 Размер перил по ширине, мм 450 Нормативная нагрузка (вертикальная и горизонтальная), кгс 40 ИЗГОТОВИТЕЛЬ - предприятия строительной промышленности РАЗРАБОТЧИК - АОЗТ ЦНИИОМТП НТЦ «Мехстройоснастка» 127434, Москва, Дмитровское шоссе, 9, проект № 000-3.00.000 СОСТАВИТЕЛЬ - «Стройтрудобезопасность», вед. специалист - |
Строительный каталог | ||
Ограждения, лестницы, средства подмащивания, подъемники, люльки | ||
РОССИЯ | Ограждение лестничных маршей | ОКП 522517 |
ГУП ЦПП | Лист 2 | |
2002 | Рабочая конструкторская документация | На 1 стр. |
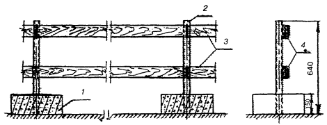
1 - стойка; 2 - перила; 3 - башмак; 4 - винт; 5 - гайка; 6 - рейка НАЗНАЧЕНИЕ Ограждение лестничных маршей предназначено обеспечивать безопасное производство строительно-монтажных работ при возведении крупнопанельных зданий, а также для предохранения падения рабочих с высоты. ОПИСАНИЕ КОНСТРУКЦИИ Ограждение лестничных маршей крепится к открытой стороне и к торцу лестничного марша рейками в сборе со стойками и башмаками. Ограждение устанавливается к торцу лестничного марша на расстоянии 1800 мм друг от друга так, чтобы рейки плотно прилегали к торцу марша, а винты были завернуты усилием одного человека до отказа. Перила укладываются в хомуты стоек. Крепление перил в хомутах производится барашковыми гайками. ТЕХНИЧЕСКАЯ ХАРАКТЕРИСТИКА Протяженность ограждаемого участка, мм 2700 Допустимая толщина лестничного марша, мм от 100 до 340 Расстояние между стойками, мм 1800 Высота перил, мм 1100 Расчетная нагрузка в середине пролета между стойками, кгс 80 ИЗГОТОВИТЕЛЬ - предприятия строительной промышленности РАЗРАБОТЧИК - АОЗТ ЦНИИОМТП НТЦ «Мехстройоснастка» 127434, Москва, Дмитровское шоссе, 9, проект № 000-3.00.000 СОСТАВИТЕЛЬ - «Стройтрудобезопасность», вед. специалист - |
Строительный каталог | ||
Ограждения, лестницы, средства подмащивания, подъемники, люльки | ||
РОССИЯ | Ограждение защитное опасных зон на перекрытии | ОКП 522517 |
ГУП ЦПП | Лист 3 | |
2002 | Рабочая конструкторская документация | На 1 стр. |
1 - трос; 2 - стойка; 3 - винт натяжной; 4 - петля; 5 - бортовая доска НАЗНАЧЕНИЕ Ограждение опасных зон на перекрытии предназначено для временного ограждения края перекрытия в местах перепада по высоте 1,3 м и более. ОПИСАНИЕ КОНСТРУКЦИИ Ограждение опасных зон на перекрытии представляет собой конструкцию из стоек (труб) с приваренными к ним натяжным винтом и петлей для крепления на панели перекрытия. Стойки соединены между собой тросами с натяжными устройствами. Внизу ограждения закреплена бортовая доска для предотвращения падения материалов, инструментов и т. д. ТЕХНИЧЕСКАЯ ХАРАКТЕРИСТИКА Высота, мм 1100 Шаг между стойками, мм 6500 Расстояние между тросами, мм 550 Масса одной стойки, кг 24 РАЗРАБОТЧИК - . Проект 2264К ИЗГОТОВИТЕЛЬ - Завод по ремонту автокранов, Москва, ул. 1-я Магистральная, д. 17/1 СОСТАВИТЕЛЬ - «Стройтрудобезопасность», вед. специалист - |
Строительный каталог | ||
Ограждения, лестницы, средства подмащивания, подъемники, люльки | ||
РОССИЯ | Ограждение защитное с креплением за монтажную петлю | ОКП 522517 |
ГУП ЦПП | Лист 4 | |
2002 | Рабочая конструкторская документация | На 1 стр. |
1 - стойка; 2 - перекладина; 3 - натяжной крюк; 4 - доска; 5 - прижим; 6 - петля перекрытия; 7 - держатель НАЗНАЧЕНИЕ Ограждение защитное на перекрытии предназначено для временного ограждения края перекрытия в местах перепада высот 1,3 м и более. ОПИСАНИЕ КОНСТРУКЦИИ Ограждение опасных зон на перекрытии представляет собой конструкцию из стоек (труб) с приваренным к ним натяжным крюком, который крепится за монтажную петлю для установки на панели перекрытия. Стойки соединены между собой перекладинами, выполненными из труб, которые крепятся к стойкам прижимами. Внизу ограждения закреплена бортовая доска для предотвращения падения материалов, инструментов и т. д. ТЕХНИЧЕСКАЯ ХАРАКТЕРИСТИКА Высота, мм 1000 Шаг между стойками, мм 5000 Масса стойки, кг 13 РАЗРАБОТЧИК - . Проект 2707К ИЗГОТОВИТЕЛЬ - Завод по ремонту автокранов, Москва, ул. 1-я Магистральная, д. 17/1 СОСТАВИТЕЛЬ - «Стройтрудобезопасность», вед. специалист - |
Строительный каталог | ||
Ограждения, лестницы, средства подмащивания, подъемники, люльки | ||
РОССИЯ | Ограждение защитное с креплением при помощи струбцины | ОКП 522517 |
ГУП ЦПП | Лист 5 | |
2002 | Рабочая конструкторская документация | На 1 стр. |
1 - перила; 2 - стойка; 3 - зажим; 4 - струбцина; 5 - железобетонная плита; 6 - держатель; 7 - бортовая доска НАЗНАЧЕНИЕ Ограждение защитное с креплением при помощи струбцины на перекрытиях предназначено для временного ограждения опасных зон в местах перепада по высоте 1,3 м и более во время работ на перекрытиях. ОПИСАНИЕ КОНСТРУКЦИИ Временное ограждение с креплением при помощи струбцины опасных зон на перекрытии представляет собой конструкцию из стоек (труб) с приваренными к ней зажимами. Ограждение крепится при помощи струбцин на панели перекрытия. Стойки соединены между собой перилами, выполненными из труб, которые крепятся к стойкам зажимами. Внизу ограждения закреплена бортовая доска для предотвращения падения материалов, инструментов и т. д. ТЕХНИЧЕСКАЯ ХАРАКТЕРИСТИКА Высота, мм 1000 Шаг между стойками, мм 5000 РАЗРАБОТЧИК - . Проект 265К ИЗГОТОВИТЕЛЬ - Завод по ремонту автокранов, Москва, ул. 1-я Магистральная, д. 17/1 СОСТАВИТЕЛЬ - «Стройтрудобезопасность», вед. специалист - |
Строительный каталог | ||
Ограждения, лестницы, средства подмащивания, подъемники, люльки | ||
РОССИЯ | Ограждение защитное дверного проема шахты лифта | ОКП 522517 |
ГУП ЦПП | Лист 6 | |
2002 | Рабочая конструкторская документация | На 1 стр. |
1 - стойка; 2 - перекладина; 3 - доска; 4 - струбцина НАЗНАЧЕНИЕ Ограждение защитное дверного проема шахты лифта предназначено для временного ограждения опасных зон в месте перепада по высоте 1,3 м и более во время производства строительных работ. ОПИСАНИЕ КОНСТРУКЦИИ Временное ограждение дверного проема шахты лифта представляет собой конструкцию из стоек (труб). Стойки соединены между собой перекладинами, выполненными из труб, которые крепятся к стойкам болтовыми соединениями. Ограждение крепится к стене здания струбцинами. Внизу ограждения закреплена бортовая доска для предотвращения падения материалов, инструментов и т. д. ТЕХНИЧЕСКАЯ ХАРАКТЕРИСТИКА Высота, мм 1320 Ширина проема, мм 820-900 Масса, кг 18 РАЗРАБОТЧИК - . Проект 202А ИЗГОТОВИТЕЛЬ - Завод по ремонту автокранов, Москва, ул. 1-я Магистральная, д. 17/1 СОСТАВИТЕЛЬ - «Стройтрудобезопасность», вед. специалист - |
Строительный каталог | ||
Ограждения, лестницы, средства подмащивания, подъемники, люльки | ||
РОССИЯ | Ограждение защитное дверного проема шахты лифта | ОКП 522517 |
ГУП ЦПП | Лист 7 | |
2002 | Рабочая конструкторская документация | На 1 стр. |
1 - стойка; 2 - перекладина; 3 - доска; 4 - струбцина НАЗНАЧЕНИЕ Ограждение защитное дверного проема шахты лифта предназначено для временного ограждения опасных зон в местах перепада по высоте 1,3 м и более во время производства строительных работ. ОПИСАНИЕ КОНСТРУКЦИИ Временное ограждение дверного проема шахты лифта представляет собой конструкцию из стоек (труб). Стойки соединены между собой перекладинами, выполненными из труб, которые крепятся к стойкам болтовыми соединениями. Ограждение крепится к стене здания струбцинами. Внизу ограждения закреплена бортовая доска для предотвращения падения материалов, инструментов и т. д. ТЕХНИЧЕСКАЯ ХАРАКТЕРИСТИКА Высота, мм 1320 Ширина проема, мм 1850-1950 Масса, кг 18 РАЗРАБОТЧИК - . Проект 203 ИЗГОТОВИТЕЛЬ - Завод по ремонту автокранов, Москва, ул. 1-я Магистральная, д. 17/1 СОСТАВИТЕЛЬ - «Стройтрудобезопасность», вед. специалист - |
Строительный каталог | ||
Ограждения, лестницы, средства подмащивания, подъемники, люльки | ||
РОССИЯ | Ограждение защитное вертикальных проемов лифтов и шахт | ОКП 522517 |
ГУП ЦПП | Лист 8 | |
2002 | Рабочая конструкторская документация | На 1 стр. |
1 - стойка левая; 2 - перила; 3 - стойка правая; 4 - бортовая доска НАЗНАЧЕНИЕ Временное защитное ограждение вертикальных проемов лифтов и шахт предназначено для временного ограждения в месте перепада по высоте 1,3 м и более при производстве строительных работ. ОПИСАНИЕ КОНСТРУКЦИИ Временное ограждение вертикальных проемов лифтов и шахт представляет собой конструкцию из стоек (труб). Стойки соединены между собой перилами, выполненными из труб, которые крепятся к стойкам болтовыми соединениями. Ограждение крепится к стене здания струбцинами. Внизу ограждения закреплена бортовая доска для предотвращения падения материалов, инструментов и т. д. ТЕХНИЧЕСКАЯ ХАРАКТЕРИСТИКА Высота, мм 1000 Шаг между стойками, мм 1050-1160 Масса, кг 27 РАЗРАБОТЧИК - . Проект 204 ИЗГОТОВИТЕЛЬ - Завод по ремонту автокранов, Москва, ул. 1-я Магистральная, д. 17/1 СОСТАВИТЕЛЬ - «Стройтрудобезопасность», вед. специалист - |
Строительный каталог | ||
Ограждения, лестницы, средства подмащивания, подъемники, люльки | ||
РОССИЯ | Защитное ограждение котлованов и траншей | ОКП 522517 |
ГУП ЦПП | Лист 9 | |
2002 | Рабочая конструкторская документация | На 1 стр. |
1 - доска; 2 - стойка; 3 - стопор; 4 - основание НАЗНАЧЕНИЕ Ограждение защитное предназначено для ограждения опасных зон вблизи котлованов и траншей. ОПИСАНИЕ КОНСТРУКЦИИ Временное ограждение представляет собой конструкцию из (стоек) с приваренными стопорами, на которые укладываются доски. Стойки заглубляются в землю на 400 мм. ТЕХНИЧЕСКАЯ ХАРАКТЕРИСТИКА Высота, мм 1420 Шаг между стойками, мм 3000 Величина заглубления, мм 400 Масса, кг 13,2 РАЗРАБОТЧИК - ЦНИИОМТП. Проект 3294.44.000 ИЗГОТОВИТЕЛЬ - Завод по ремонту автокранов, Москва, ул. 1-я Магистральная, д. 17/1 СОСТАВИТЕЛЬ - «Стройтрудобезопасность», вед. специалист - |
Строительный каталог | ||
Ограждения, лестницы, средства подмащивания, подъемники, люльки | ||
РОССИЯ | Защитное ограждение котлованов и траншей | ОКП 522517 |
ГУП ЦПП | Лист 10 | |
2002 | Рабочая конструкторская документация | На 1 стр. |
1 - пластина для знака; 2 - рамка; 3 - крюк; 4 - сетка; 5 - кронштейн; 6 - петля монтажная НАЗНАЧЕНИЕ Ограждение защитное предназначено для временного ограждения котлованов и траншей. ОПИСАНИЕ КОНСТРУКЦИИ Ограждение рабочих мест представляет собой рамную сварную конструкцию из гнутых труб с приваренными на них крюками и петлями для соединения рам. Рамы обтянуты металлической сеткой. Для устойчивости конструкции к рамам приварены кронштейны. ТЕХНИЧЕСКАЯ ХАРАКТЕРИСТИКА Габариты, мм: высота 1500 ширина 725 Шаг, мм 1000 РАЗРАБОТЧИК - ЦНИИОМТП. Проект 3294.43.000 ИЗГОТОВИТЕЛЬ - НИИЖБ. Цех № 17, Рязанский проспект СОСТАВИТЕЛЬ - «Стройтрудобезопасность», вед. специалист - |
Строительный каталог | ||
Ограждения, лестницы, средства подмащивания, подъемники, люльки | ||
РОССИЯ | Защитное ограждение котлованов и траншей | ОКП 522517 |
ГУП ЦПП | Лист 11 | |
2002 | Рабочая конструкторская документация | На 1 стр. |
1 - балласт (железобетон); 2 - стойка (труба); 3 - доска; 4 - скоба НАЗНАЧЕНИЕ Защитное ограждение котлованов и траншей предназначено для временного ограждения края котлована. ОПИСАНИЕ КОНСТРУКЦИИ Ограждение пути башенного крана представляет собой конструкцию из труб (стоек) с приваренными скобами, на которые укладываются доски. Стойки заглублены в железобетонный балласт на глубину 150 мм. ТЕХНИЧЕСКАЯ ХАРАКТЕРИСТИКА Высота, мм 490 Величина заглубления, мм 150 Масса стойки с балластом, кг 36 РАЗРАБОТЧИК - Трест Мосоргстрой. Проект 7453А ИЗГОТОВИТЕЛЬ - АООТ Моспромжелезобетон, Москва, ул. Николая Химушкина, д. 2/7 СОСТАВИТЕЛЬ - «Стройтрудобезопасность», вед. специалист - |
Строительный каталог | ||
Ограждения, лестницы, средства подмащивания, подъемники, люльки | ||
РОССИЯ | Устройство страховочное | ОКП 522517 |
ГУП ЦПП | Лист 12 | |
2002 | Рабочая конструкторская документация | На 1 стр. |
1 - штанга; 2 - сетка; 3 - талреп НАЗНАЧЕНИЕ Устройство страховочное предназначено для предотвращения падения предметов на человека при возведении кирпичных зданий. ОПИСАНИЕ КОНСТРУКЦИИ Устройство страховочное с горизонтальной сеткой закрепляется нижними концами в вертикальном положении при помощи опор и подпятников на здании. К верхним концам штанг при помощи зажимов навешивается сетка, которая крепится на здании зажимами, прижимами и струбцинами. Шнуром капроновой сетки через талрепы, закрепленные на здании кронштейнами, струбцинами и прижимами, штанги приводятся в рабочее положение. После чего штанги отклоняются от здания до полной натяжки сетки. Для исключения падения штанг предназначены растяжки, закрепленные одним концом на штанге, а другим - на зажимах или струбцинах, установленных на здании. Устройство страховочное может монтироваться на глухой стене, на балконных плитах и на оконных проемах. ТЕХНИЧЕСКАЯ ХАРАКТЕРИСТИКА Ширина страховочного устройства, мм 3000 Максимальная масса улавливаемых предметов, кг 100 Наибольшая высота падения предметов, мм 9000 Толщина стен, мм 510 Толщина балконных плит, мм 220 Минимальное расстояние между кронштейнами, мм 4000 Сетеполотно: ячея, мм 50´50 диаметр веревки капроновой, мм 3,1 диаметр шнура капронового, мм 12 Длина сетеполотна, мм 12000 Масса, кг: для установки на глухой стене 120 для установки на балконных плитах 305 для установки на оконных проемах 335 ИЗГОТОВИТЕЛЬ - предприятия строительной промышленности РАЗРАБОТЧИК - АОЗТ ЦНИИОМТП НТЦ «Мехстройоснастка» 127434, Москва, Дмитровское шоссе, 9, проект № 000-3.00 СОСТАВИТЕЛЬ - «Стройтрудобезопасность», вед. специалист - |
Строительный каталог | ||
Ограждения, лестницы, средства подмащивания, подъемники, люльки | ||
РОССИЯ | Переносное сигнальное ограждение опасных зон | ОКП 522517 |
ГУП ЦПП | Лист 13 | |
2002 | Рабочая конструкторская документация | На 1 стр. |
1 - стойка; 2 - ограждающий элемент; 3 - арматурный стержень НАЗНАЧЕНИЕ Сигнальное ограждение опасных зон предназначено для предупреждения работников об опасности падения с высоты. ОПИСАНИЕ КОНСТРУКЦИИ Ограждения опасных зон представляют собой сварную конструкцию из труб с приваренными на них крюками. Для устойчивости конструкции к стойкам приварены арматурные стержни диаметром 20 мм. В качестве ограждающего элемента могут быть использованы канат, трос, доска. ТЕХНИЧЕСКАЯ ХАРАКТЕРИСТИКА Габариты, мм: высота 1065 ширина 450 Шаг между стойками, мм 6000 Масса стойки, кг 7,5 ИЗГОТОВИТЕЛЬ - НИИЖБ. Цех № 17, Москва, Рязанский проспект РАЗРАБОТЧИК - НИИ Мосстрой. Проект № 000 СОСТАВИТЕЛЬ - «Стройтрудобезопасность», вед. специалист - |
Строительный каталог | ||
Ограждения, лестницы, средства подмащивания, подъемники, люльки | ||
РОССИЯ | Ограждение сигнальное | ОКП 522517 |
ГУП ЦПП | Лист 14 | |
2002 | Рабочая конструкторская документация | На 1 стр. |
1 - стойка; 2 - поперечина; 3 - основание НАЗНАЧЕНИЕ Сигнальное ограждение предназначено для предупреждения работников об опасности и падения с высоты. ОПИСАНИЕ КОНСТРУКЦИИ Ограждение состоит из стоек с двумя ярусами втулок, которые служат для закрепления поперечин со штырями на концах. На стойках имеются также ограничительные шайбы, которые являются упорами при установке стоек в основание или служат в качестве ограничителей при забивании стоек в мягкий грунт. Поперечина служит для навешивания знаков безопасности. ТЕХНИЧЕСКАЯ ХАРАКТЕРИСТИКА Длина ограждения, мм 6000 Высота ограждения, мм 800 Габариты, мм: длина 6000 высота (со стойками) 1200 Масса, кг 12,7 ИЗГОТОВИТЕЛЬ - предприятия строительной промышленности РАЗРАБОТЧИК - АОЗТ ЦНИИОМТП НТЦ «Мехстройоснастка» 127434, Москва, Дмитровское шоссе, 9, проект № 000-3.00.000 СОСТАВИТЕЛЬ - «Стройтрудобезопасность», вед. специалист - |
Строительный каталог | ||
Ограждения, лестницы, средства подмащивания, подъемники, люльки | ||
РОССИЯ | Стол переносной (длина 3000 мм) | ОКП 527620 |
ГУП ЦПП | Лист 15 | |
2002 | Рабочая конструкторская документация | На 1 стр. |
НАЗНАЧЕНИЕ Стол переносной предназначен для производства строительно-монтажных работ в стесненных условиях. ОПИСАНИЕ КОНСТРУКЦИИ Стол переносной представляет собой конструкцию, сваренную из алюминиевых труб и уголков. Ступени и площадки облицованы рифлеными листами. ТЕХНИЧЕСКАЯ ХАРАКТЕРИСТИКА Грузоподъемность, кг 130 Габариты, мм: длина 3000 ширина 600 высота 900 Масса, кг 41,5 ИЗГОТОВИТЕЛЬ - предприятия строительной промышленности РАЗРАБОТЧИК - АОЗТ ЦНИИОМТП НТЦ «Мехстройоснастка» 127434, Москва, Дмитровское шоссе, 9, проект № 000-2.00.000 СОСТАВИТЕЛЬ - «Стройтрудобезопасность», вед. специалист - |
Строительный каталог | ||
Ограждения, лестницы, средства подмащивания, подъемники, люльки | ||
РОССИЯ | Стол переносной (длина 1000 мм) | ОКП 527620 |
ГУП ЦПП | Лист 16 | |
2002 | Рабочая конструкторская документация | На 1 стр. |
1 - площадка; 2 - ступень НАЗНАЧЕНИЕ Стол переносной предназначен для применения в качестве подмостей при производстве отдельных работ в жилых зданиях. ОПИСАНИЕ КОНСТРУКЦИИ Стол переносной представляет собой конструкцию, сваренную из алюминиевых труб и уголков. Каркасы ступеней и верхней площадки облицованы рифлеными листами. ТЕХНИЧЕСКАЯ ХАРАКТЕРИСТИКА Грузоподъемность, кг 130 Габариты, мм: длина 1000 ширина 600 высота 900 Масса, кг 14,5 ИЗГОТОВИТЕЛЬ - предприятия строительной промышленности РАЗРАБОТЧИК - АОЗТ ЦНИИОМТП НТЦ «Мехстройоснастка» 127434, Москва, Дмитровское шоссе, 9, проект № 000-3 СОСТАВИТЕЛЬ - «Стройтрудобезопасность», вед. специалист - |
Строительный каталог | ||
Ограждения, лестницы, средства подмащивания, подъемники, люльки | ||
РОССИЯ | Стол переносной (длина 2000 мм) | ОКП 527620 |
ГУП ЦПП | Лист 17 | |
2002 | Рабочая конструкторская документация | На 1 стр. |
1 - площадка; 2 - ступень НАЗНАЧЕНИЕ Стол переносной предназначен для производства строительно-монтажных работ в стесненных условиях. ОПИСАНИЕ КОНСТРУКЦИИ Стол переносной представляет собой конструкцию, сваренную из алюминиевых труб и уголков. Каркасы ступеней и верхней площадки облицованы рифлеными листами. ТЕХНИЧЕСКАЯ ХАРАКТЕРИСТИКА Грузоподъемность, кг 130 Габариты, мм: длина 2000 ширина 600 высота 900 Масса, кг 29 ИЗГОТОВИТЕЛЬ - предприятия строительной промышленности РАЗРАБОТЧИК - АОЗТ ЦНИИОМТП НТЦ «Мехстройоснастка» 127434, Москва, Дмитровское шоссе, 9, проект № 000-2 СОСТАВИТЕЛЬ - «Стройтрудобезопасность», вед. специалист - |
Строительный каталог | ||
Ограждения, лестницы, средства подмащивания, подъемники, люльки | ||
РОССИЯ | Подмости переставные | ОКП 522542 |
ГУП ЦПП | Лист 18 | |
2002 | Рабочая конструкторская документация | На 1 стр. |
1 - опора; 2 - настил; 3 - панель; 4 - стойка; 5 - фиксатор НАЗНАЧЕНИЕ Подмости переставные предназначены для размещения рабочих и материалов в зоне производства работ в процессе производства строительно-монтажных работ при возведении, реконструкции и ремонте зданий и сооружений. ОПИСАНИЕ КОНСТРУКЦИИ Подмости представляют собой пространственную конструкцию, состоящую из двух свободно-стоящих телескопических опор и двух настилов. Каждая из опор состоит из плоской трубчатой панели и двух стоек, соединенных с панелью посредством фиксаторов. На поперечные элементы панели устанавливаются два настила, один из которых (нижний) является рабочим, а другой (верхний) - вспомогательным. Высота установки рабочего настила регулируется в зависимости от удобства выполнения работ. ТЕХНИЧЕСКАЯ ХАРАКТЕРИСТИКА Нагрузка нормативная, кгс/м2 200 Высота установки рабочего настила, мм: наименьшая 540 наибольшая 1290 Шаг установки рабочего настила, мм 150 Число настилов, шт. 2 Расстояние между нижним рабочим настилом и верхним вспомогательным, мм 600 Размеры рабочей площадки (рабочего щита настила), мм: ширина 600 длина 1800 Высота рабочей зоны, мм 2400-3300 Габариты, мм: длина 2400 ширина 1380 высота наименьшая 1150 высота наибольшая 1900 Масса, кг 60 ИЗГОТОВИТЕЛЬ - предприятия министерств и ведомств РАЗРАБОТЧИК - АОЗТ ЦНИИОМТП НТЦ «Мехстройоснастка» 127434, Москва, Дмитровское шоссе, 9, проект № 000-3.00.000 СОСТАВИТЕЛЬ - «Стройтрудобезопасность», вед. специалист - |
Строительный каталог | ||
Ограждения, лестницы, средства подмащивания, подъемники, люльки | ||
РОССИЯ | Подмости складные Н=1,65 м | ОКП 522542 |
ГУП ЦПП | Лист 19 | |
2002 | Рабочая конструкторская документация | На 1 стр. |
1 - ограждение; 2 - ферма; 3 - настил; 4 и 5 - секции; 6 - колесо НАЗНАЧЕНИЕ Подмости складные предназначены для размещения материалов и работников при производстве строительно-монтажных работ в стесненных условиях с возможностью передвижения по фронту работ. ОПИСАНИЕ КОНСТРУКЦИИ Подмости представляют собой конструкцию, выполненную из легких алюминиевых труб. Подмости состоят из ферм, фиксирующих устройств, настила, съемных ограждений и имеют устройство для изменения высоты рабочей площадки. Подмости имеют четыре самоустанавливающихся колеса, которые снабжены тормозами. Каркас подмостей складывается в плоскую конструкцию за счет шарниров на двух противоположных сторонах каркаса. ТЕХНИЧЕСКАЯ ХАРАКТЕРИСТИКА Грузоподъемность, кг 200 Размер рабочей площадки, мм 1800´1800 Высота рабочей площадки, мм: наименьшая 905 наибольшая 1655 Масса, кг 95 ИЗГОТОВИТЕЛЬ - предприятия строительной промышленности РАЗРАБОТЧИК - АОЗТ ЦНИИОМТП НТЦ «Мехстройоснастка» 127434, Москва, Дмитровское шоссе, 9, проект № 000-2.00.000 СОСТАВИТЕЛЬ - «Стройтрудобезопасность», вед. специалист - |
Строительный каталог | ||
Ограждения, лестницы, средства подмащивания, подъемники, люльки | ||
РОССИЯ | Подмости складные Н=3 м | ОКП 522542 |
ГУП ЦПП | Лист 20 | |
2002 | Рабочая конструкторская документация | На 1 стр. |
1 и 2 - лестница; 3 - настил; 4 - поручень; 5 - поперечина; 6 и 7 - ферма; 8 - колесо; 9 и 10 - лестница; 11 - борт; 12 - фиксатор; 13 - палец НАЗНАЧЕНИЕ Подмости складные предназначены для производства строительно-монтажных работ в стесненных условиях с возможностью передвижения по фронту работ. ОПИСАНИЕ КОНСТРУКЦИИ Подмости представляют собой конструкцию, выполненную из легких алюминиевых труб. Подмости снабжены лестницами, соединенными при помощи осей с фермами. За счет разбора лестниц настил можно устанавливать на высоту 1560 мм или 3000 мм. Подмости имеют четыре самоустанавливающихся колеса, которые снабжены тормозами. Каркас подмостей складывается в плоскую конструкцию за счет шарниров на двух противоположных сторонах каркаса. ТЕХНИЧЕСКАЯ ХАРАКТЕРИСТИКА Грузоподъемность, кг 200 Размер рабочей площадки, мм 600´1800 Высота рабочей площадки, мм: наименьшая 1560 наибольшая 3000 Масса, кг 54 ИЗГОТОВИТЕЛЬ - предприятия строительной промышленности РАЗРАБОТЧИК - АОЗТ ЦНИИОМТП НТЦ «Мехстройоснастка» 127434, Москва, Дмитровское шоссе, 9, проект № 000-2.00.000 СОСТАВИТЕЛЬ - «Стройтрудобезопасность», вед. специалист - |
Строительный каталог | ||
Ограждения, лестницы, средства подмащивания, подъемники, люльки | ||
РОССИЯ | Подмости переставные стропильные | ОКП 522542 |
ГУП ЦПП | Лист 21 | |
2002 | Рабочая конструкторская документация | На 1 стр. |
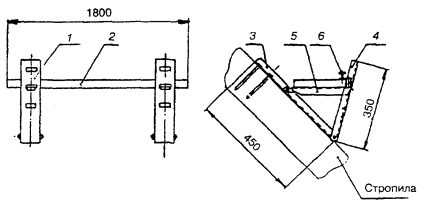
1 - опора; 2 - настил; 3 - накладка; 4 - подкос; 5 - перекладина; 6 - фиксатор НАЗНАЧЕНИЕ Подмости переставные стропильные предназначены для размещения рабочего и материалов в зоне производства работ на стропильных фермах в процессе производства строительно-монтажных работ при возведении, реконструкции и ремонте зданий и сооружений. ОПИСАНИЕ КОНСТРУКЦИИ Подмости представляют собой конструкцию, собираемую непосредственно на стропильных фермах и состоящую из двух опор и настила. Каждая опора состоит из накладки, подкоса и перекладины, шарнирно соединенных между собой. Угол наклона накладки зависит от угла наклона стропил и соответствует 30, 45 или 60°. При этом перекладина, имеющая разъемное соединение с подкосом, постоянно находится в горизонтальном положении. Настил закреплен на опорах посредством фиксаторов, которыми оборудованы перекладины. Опоры закрепляются на стропильных фермах четырьмя гвоздями К 6,0´150, установленными в байонетных пазах накладок. В транспортном положении опоры имеют возможность складываться. ТЕХНИЧЕСКАЯ ХАРАКТЕРИСТИКА Угол наклона стропил, град 30; 45; 65 Размеры рабочей площадки (настила), мм: ширина 200 длина 1800 Габариты, мм: длина 1800 ширина (наибольшая) 420 высота (наибольшая) 400 Масса, кг 13 ИЗГОТОВИТЕЛЬ - предприятия строительной промышленности РАЗРАБОТЧИК - АОЗТ ЦНИИОМТП НТЦ «Мехстройоснастка» 127434, Москва, Дмитровское шоссе, 9, проект № 000-3.00.000 СОСТАВИТЕЛЬ - «Стройтрудобезопасность», вед. специалист - |
Строительный каталог | ||
Ограждения, лестницы, средства подмащивания, подъемники, люльки | ||
РОССИЯ | Самоходные универсальные облегченные подмости | ОКП 522542 |
ГУП ЦПП | Лист 22 | |
2002 | Рабочая конструкторская документация | На 1 стр. |
1 - передняя секция; 2 - задняя секция; 3 - ограждение; 4 - штурвал; 5 - настил; 6 - червячная передача; 7 - вставка НАЗНАЧЕНИЕ Подмости предназначены для производства работ по устройству подвесных потолков и других отделочных работ внутри строящихся объектов. ОПИСАНИЕ КОНСТРУКЦИИ Подмости представляют собой сварную пространственную конструкцию из стального проката, состоящую из двух секций. Для регулировки по высоте предусмотрена червячная передача. Для передвижения подмости установлены на колеса. Для придания жесткости конструкции предусмотрена вставка. ТЕХНИЧЕСКАЯ ХАРАКТЕРИСТИКА Грузоподъемность, кг 160 Высота настила от уровня пола, м 2100; 1850; 1600 Габариты настила, мм 630´1590 Скорость передвижения, м/мин до 4,5 Масса, кг 133 ИЗГОТОВИТЕЛЬ - предприятия строительной промышленности РАЗРАБОТЧИК - . Проект № 000 СОСТАВИТЕЛЬ - «Стройтрудобезопасность», вед. специалист - |
Строительный каталог | ||
Ограждения, лестницы, средства подмащивания, подъемники, люльки | ||
РОССИЯ | Подмости панельные для кирпичной кладки | ОКП 522542 |
ГУП ЦПП | Лист 23 | |
2002 | Рабочая конструкторская документация | На 1 стр. |
1 - настил; 2 - ограждение; 3 - опора; 4 - петли строповочные НАЗНАЧЕНИЕ Подмости панельные предназначены в качестве средств подмащивания при кладке стен жилых зданий. ОПИСАНИЕ КОНСТРУКЦИИ Подмости панельные для кирпичной кладки представляют собой пространственную сварную конструкцию из прокатной стали. Подмости устанавливаются на перекрытии вдоль стены. Для перестановки подмостей краном предусмотрены строповочные петли. Подмости могут устанавливаться в продолжение друг друга. В зависимости от высоты стены подмости могут использоваться со сложенными или с откинутыми опорами. ТЕХНИЧЕСКАЯ ХАРАКТЕРИСТИКА Допускаемая нагрузка, кг/м2 300 Высота со сложенными опорами, м 1,0 Высота с откинутыми опорами, м 2,0 Длина площадки, м 5,3 Ширина площадки, м 2,5 Рабочая площадка, м2 13,25 Масса, кг 770 РАЗРАБОТЧИК - Карачаровский механический завод, проект № ПП6 ИЗГОТОВИТЕЛЬ - Карачаровский механический завод СОСТАВИТЕЛЬ - «Стройтрудобезопасность», вед. специалист - |
Строительный каталог | ||
Ограждения, лестницы, средства подмащивания, подъемники, люльки | ||
РОССИЯ | Настил для работы на кровле | ОКП 527620 |
ГУП ЦПП | Лист 24 | |
2002 | Рабочая конструкторская документация | На 1 стр. |
1 - секция; 2 - секция; 3 - мостик НАЗНАЧЕНИЕ Настил для работы на кровле предназначен для использования его в качестве средства для подмащивания при устройстве кровли из асбестоцементных волнистых листов (шифера). ОПИСАНИЕ КОНСТРУКЦИИ Настил состоит из двух дорожек, каждая из которых собирается из секций. Дорожки соединяются между собой переставными мостиками. Секции устанавливаются одна за другой последовательно с помощью фиксаторов. Отличие секций состоит в том, что секция, устанавливаемая на шифер, имеет резиновые опоры, которые входят во впадины шиферных листов, причем эти секции изготавливаются двух типоразмеров в зависимости от шага шиферных листов. На передней секции каждой дорожки установлены по два упора, предохраняющие дорожки от сползания по наклонной поверхности кровли. Мостик крепится к секциям с помощью двух упоров, которые вставляются в прямоугольные отверстия, имеющиеся в настилах секции, и зацепляются за край отверстия. Для предотвращения скольжения обуви рабочего при ходьбе по настилу секций на настиле имеются ребра. Секции, лежащие на обрешетке кровли, имеют ограждения. ТЕХНИЧЕСКАЯ ХАРАКТЕРИСТИКА Грузоподъемность настила, кг 120 Наибольшая масса переносного элемента настила, кг 23 Площадь настилаемой кровли за один установ настила, м2 11,5 Габариты, мм: длина 5080 ширина 2965 высота 560 Масса, кг 120 ИЗГОТОВИТЕЛЬ - предприятия строительной промышленности РАЗРАБОТЧИК - АОЗТ ЦНИИОМТП НТЦ «Мехстройоснастка» 127434, Москва, Дмитровское шоссе, 9, проект № 000-3.00.000 СОСТАВИТЕЛЬ - «Стройтрудобезопасность», вед. специалист - |
Строительный каталог | ||
Ограждения, лестницы, средства подмащивания, подъемники, люльки | ||
РОССИЯ | Площадка переносная | ОКП 527620 |
ГУП ЦПП | Лист 25 | |
2002 | Рабочая конструкторская документация | На 1 стр. |
1 - стойка; 2 - перекладина; 3 - настил НАЗНАЧЕНИЕ Площадка переносная предназначена для производства работ в межферменном пространстве при устройстве коммуникаций и других работ. ОПИСАНИЕ КОНСТРУКЦИИ Площадка переносная представляет собой сварную конструкцию из алюминиевых швеллеров, соединенных между собой алюминиевыми трубами. Настил площадки изготовлен из рифленого алюминиевого листа. ТЕХНИЧЕСКАЯ ХАРАКТЕРИСТИКА Грузоподъемность, кг 200 Габариты, мм: длина 6000 ширина 1107 высота 1250 Масса, кг 129 ИЗГОТОВИТЕЛЬ - предприятия строительной промышленности РАЗРАБОТЧИК - АОЗТ ЦНИИОМТП НТЦ «Мехстройоснастка» 127434, Москва, Дмитровское шоссе, 9, проект № 000-2.00. СОСТАВИТЕЛЬ - «Стройтрудобезопасность», вед. специалист - |
Строительный каталог | ||
Ограждения, лестницы, средства подмащивания, подъемники, люльки | ||
РОССИЯ | Люлька с электроприводом ЛЭ-100-300 для сварочных работ | ОКП 527620 |
ГУП ЦПП | Лист 26 | |
2002 | Рабочая конструкторская документация | На 1 стр. |
1 - ограждение; 2 - настил; 3 - лебедка; 4 - ограничитель высоты НАЗНАЧЕНИЕ Люлька предназначена для выполнения сварочных работ при строительстве, отделке и ремонте фасадов зданий и сооружений. ОПИСАНИЕ КОНСТРУКЦИИ Люлька представляет собой пространственную сварную конструкцию из труб и деревянного настила. Подъем люльки осуществляется при помощи двух электролебедок ПЭФ-500. Люлька снабжена ловителями, срабатывающими при обрыве тягового каната. Канаты имеют изолированные ограждения. Люлька устанавливается на здание с помощью инвентарных консолей. На люльке установлен ограничитель высоты подъема. ТЕХНИЧЕСКАЯ ХАРАКТЕРИСТИКА Грузоподъемность, кг 300 Максимальная высота подъема, м 100 Скорость подъема, м/мин 5,3 Габариты люльки, мм: длина 4425 ширина 935 высота 1815 Масса люльки (без консолей, канатов и сварочного поста), кг 415 ИЗГОТОВИТЕЛЬ - предприятия строительной промышленности РАЗРАБОТЧИК - СКБ Мосстрой, проект № 000 СОСТАВИТЕЛЬ - «Стройтрудобезопасность», вед. специалист - |
Строительный каталог | ||
Ограждения, лестницы, средства подмащивания, подъемники, люльки | ||
РОССИЯ | Люлька Л-100-600 | ОКП 527620 |
ГУП ЦПП | Лист 27 | |
2002 | Рабочая конструкторская документация | На 1 стр. |
1 - ограждение; 2 - настил; 3 - лебедка; 4 - пирамида для стекла НАЗНАЧЕНИЕ Люлька Л-100-600 предназначена для выполнения работ по остеклению зданий крупногабаритным стеклом с максимальным размером 2,5´3 м. ОПИСАНИЕ КОНСТРУКЦИИ Люлька представляет собой пространственную сварную конструкцию из труб и деревянного настила. Подъем люльки осуществляется при помощи двух электролебедок ПЭФ-500. Люлька снабжена ловителями, срабатывающими при обрыве тягового каната. Люлька устанавливается на здание с помощью инвентарных консолей. На люльке установлены ограничитель высоты подъема, пирамида для крупногабаритного стекла, откидные сиденья и тент. ТЕХНИЧЕСКАЯ ХАРАКТЕРИСТИКА Грузоподъемность, кг 600 Высота подъема, м 100 Скорость подъема, м/мин 4,35 Консоли: число, шт. 2 масса, кг 451 Габариты люльки, мм: длина 6300 ширина 1000 высота (с тентом) 2150 (3850) Масса (с тентом и канатами), кг 760 (1200) ИЗГОТОВИТЕЛЬ - предприятия строительной промышленности РАЗРАБОТЧИК - СКБ Мосстрой, проект № 000 СОСТАВИТЕЛЬ - «Стройтрудобезопасность», вед. специалист - |
Строительный каталог | ||
Ограждения, лестницы, средства подмащивания, подъемники, люльки | ||
РОССИЯ | Люлька одноместная самоподъемная ЛОС-100-120 | ОКП 527620 |
ГУП ЦПП | Лист 28 | |
2002 | Рабочая конструкторская документация | На 1 стр. |
1 - лебедка электрическая; 2 - лебедка ручная; 3 - ловитель; 4 - ограничитель высоты подъема; 5 - канаты грузовой и предохранительный; 6 - колеса; 7 - пульт управления НАЗНАЧЕНИЕ Люлька предназначена для подъема одного рабочего, строительных материалов и инструмента к рабочему месту при выполнении отделочных работ снаружи здания на высоте до 100 м. ОПИСАНИЕ КОНСТРУКЦИИ Люлька представляет собой пространственную сварную конструкцию из труб и деревянного настила. Подъем люльки осуществляется при помощи двух электролебедок. Люлька снабжена ловителями, срабатывающими при обрыве тягового каната. Люлька подвешивается на здание к инвентарным консолям с помощью грузового и предохранительного канатов. На люльке установлен ограничитель высоты подъема. Для перемещения люльки предусмотрены колеса. ТЕХНИЧЕСКАЯ ХАРАКТЕРИСТИКА Грузоподъемность, кг 100 Наибольшая высота подъема, м 100 Масса, кг 165 ИЗГОТОВИТЕЛЬ - предприятия строительной промышленности РАЗРАБОТЧИК - СКВ Мосстрой, проект № 000 СОСТАВИТЕЛЬ - «Стройтрудобезопасность», вед. специалист - |
Строительный каталог | ||
Ограждения, лестницы, средства подмащивания, подъемники, люльки | ||
РОССИЯ | Лестница-стремянка Н=2 м | ОКП 522549 |
ГУП ЦПП | Лист 29 | |
2002 | Рабочая конструкторская документация | На 1 стр. |
НАЗНАЧЕНИЕ Лестница-стремянка предназначена для применения в качестве средства подмащивания при выполнении отдельных работ в стесненных условиях. ОПИСАНИЕ КОНСТРУКЦИИ Лестница-стремянка представляет собой складывающуюся конструкцию, сваренную из алюминиевых профилей. ТЕХНИЧЕСКАЯ ХАРАКТЕРИСТИКА Грузоподъемность, кг 130 Габариты, мм: длина 1220 ширина 614 высота 2000 Масса, кг 21,0 ИЗГОТОВИТЕЛЬ - предприятия строительной промышленности РАЗРАБОТЧИК - АОЗТ ЦНИИОМТП НТЦ «Мехстройоснастка» 127434, Москва, Дмитровское шоссе, 9, проект № 000-2.00.000 СОСТАВИТЕЛЬ - «Стройтрудобезопасность», вед. специалист - |
Строительный каталог | ||
Ограждения, лестницы, средства подмащивания, подъемники, люльки | ||
РОССИЯ | Лестница-стремянка Н=1 м | ОКП 522549 |
ГУП ЦПП | Лист 30 | |
2002 | Рабочая конструкторская документация | На 1 стр. |
НАЗНАЧЕНИЕ Лестница-стремянка предназначена для применения в качестве подмостей при выполнении отдельных работ в стесненных условиях. ОПИСАНИЕ КОНСТРУКЦИИ Лестница-стремянка представляет собой складывающуюся конструкцию, сваренную из алюминиевых профилей. ТЕХНИЧЕСКАЯ ХАРАКТЕРИСТИКА Грузоподъемность, кг 130 Габариты, мм: длина 895 ширина 614 высота 1000 Масса, кг 11,3 ИЗГОТОВИТЕЛЬ - предприятия строительной промышленности РАЗРАБОТЧИК - АОЗТ ЦНИИОМТП НТЦ «Мехстройоснастка» 127434, Москва, Дмитровское шоссе, 9, проект № 000-2.00.000 СОСТАВИТЕЛЬ - «Стройтрудобезопасность», вед. специалист - |
Строительный каталог | ||
Ограждения, лестницы, средства подмащивания, подъемники, люльки | ||
РОССИЯ | Лестница для подъема на этаж | ОКП 522541 |
ГУП ЦПП | Лист 31 | |
2002 | Рабочая конструкторская документация | На 1 стр. |
1 - лестница; 2 - оголовок; 3 - вставка; 4 - штырь; 5 - ступень; 6 - штырь НАЗНАЧЕНИЕ Лестница предназначена для подъема на этаж. Лестница выполнена в четырех вариантах. ОПИСАНИЕ КОНСТРУКЦИИ Лестница для подъема на этаж представляет собой пространственную конструкцию, скрепленную болтами. Оголовок и лестница имеют штыри для исключения скольжения по опорной поверхности. Все основные элементы лестницы выполнены из труб, а ступени - из уголков. ТЕХНИЧЕСКАЯ ХАРАКТЕРИСТИКА Высота опорной площадки, мм 3300; 3600; 4200; 4800; 6000 Габариты, мм: длина 1135; 1415; 1600; 1770; 2090 ширина 670; 670; 670; 670; 670 высота 4345; 4645; 5260; 5860; 7060 Масса, кг 66; 69; 66,8; 74,1; 87,8 ИЗГОТОВИТЕЛЬ - предприятия строительной промышленности РАЗРАБОТЧИК - АОЗТ ЦНИИОМТП НТЦ «Мехстройоснастка» 127434, Москва, Дмитровское шоссе, 9, проект № 000-3.00.000 СОСТАВИТЕЛЬ - «Стройтрудобезопасность», вед. специалист - |
Строительный каталог | ||
Ограждения, лестницы, средства подмащивания, подъемники, люльки | ||
РОССИЯ | Леса свободностоящие передвижные Н=7,3 м | ОКП 522542 |
ГУП ЦПП | Лист 32 | |
2002 | Рабочая конструкторская документация | На 1 стр. |
1 - опора; 2 - рама опорная; 3 - рама; 4, 8 - ограждение; 5, 6 - связь; 7 - настил НАЗНАЧЕНИЕ Подмости предназначены для производства отделочных и ремонтных работ внутри зданий с передвижением по фронту работ. ОПИСАНИЕ КОНСТРУКЦИИ Подмости представляют собой сварную металлоконструкцию из алюминиевых труб, состоящую из двух опор, соединенных между собой рабочей площадкой и ступенями. Нижние концы опор снабжены резиновыми амортизаторами и колесами. Рабочая площадка имеет ограждения. ТЕХНИЧЕСКАЯ ХАРАКТЕРИСТИКА Допускаемая нагрузка на настил, кгс 150 Высота рабочего настила, мм 6050 Габариты, мм: длина 2800 ширина 2770 высота 7350 Масса, кг 171 ИЗГОТОВИТЕЛЬ - предприятия строительной промышленности РАЗРАБОТЧИК - АОЗТ ЦНИИОМТП НТЦ «Мехстройоснастка» 127434, Москва. Дмитровское шоссе, 9, проект № 61-3.00.000 СОСТАВИТЕЛЬ - «Стройтрудобезопасность», вед. специалист - |
Строительный каталог | ||
Ограждения, лестницы, средства подмащивания, подъемники, люльки | ||
РОССИЯ | Леса свободностоящие передвижные Н=15 м | ОКП 522542 |
ГУП ЦПП | Лист 33 | |
2002 | Рабочая конструкторская документация | На 1 стр. |
1 - модуль; 2 - настил; 3 - настил с люком; 4 - распорка; 5 - ограждение; 6 - тележка; 7 - аутригер; 8 - перила; 9 - перемычка; 10 - рама; 11 - перила; 12 - борт; 13 - перемычка НАЗНАЧЕНИЕ Леса свободностоящие передвижные предназначены для организации рабочего места на высоте при производстве отделочных, электромонтажных, теплоизоляционных и сантехнических работ в гражданских и промышленных зданиях с асфальтовым и бетонным покрытием полов с возможностью перемещения по фронту работ. ОПИСАНИЕ КОНСТРУКЦИИ Подмости передвижные представляют собой пространственную конструкцию, собранную из объемных элементов-модулей. Модули в свободном состоянии могут складываться в плоскую раму, удобную для транспортирования. Для ограничения подвижности каждый модуль сверху и снизу заключен в жесткую раму. Нижний ряд этих рам установлен на тележки, позволяющие перемещать смонтированные подмости как в продольном, так и поперечном направлении. Соседние модули в продольном направлении связаны между собой распорками. На рамы установлены настилы с люком, обеспечивающие безопасный подъем людей. На верхние два ряда рам уложены рабочий и защитный настилы. Верхний ярус имеет ограждения, перила, борт и заслонку. Для придания устойчивости подмостям установлены аутригеры, соединенные с тележкой. ТЕХНИЧЕСКАЯ ХАРАКТЕРИСТИКА Максимальная высота лесов, м 15 Высота рабочего яруса, м 2 Шаг стоек вдоль стены, м 1,8 Расстояние между стойками перпендикулярно стене, м 2,25 Количество рабочих настилов, шт. 1 Количество защитных настилов, шт. 1 Максимальная нагрузка на настил лесов, кг/м 200 Масса, кг 1600 ИЗГОТОВИТЕЛЬ - предприятия строительной промышленности РАЗРАБОТЧИК - АОЗТ ЦНИИОМТП НТЦ «Мехстройоснастка» 127434, Москва, Дмитровское шоссе, 9, проект № 000-3.00.000 СОСТАВИТЕЛЬ - «Стройтрудобезопасность», вед. специалист - |
Строительный каталог | ||
Ограждения, лестницы, средства подмащивания, подъемники, люльки | ||
РОССИЯ | Леса свободностоящие передвижные (вышка-тура) | ОКП 522542 |
ГУП ЦПП | Лист 34 | |
2002 | Рабочая конструкторская документация | На 1 стр. |
1 - стержневые элементы (стойки, связи); 2 - хомут; 3 - основание; 4 - колесо; 5 - аутригер винтовой; 6 - распорки; 7 - ограждение; 8 - перила; 9 - люк; 10 - настил; 11 - лестница НАЗНАЧЕНИЕ Леса свободностоящие передвижные (вышка-тура) предназначены для размещения рабочих и материалов непосредственно в зоне производства строительно-монтажных работ при возведении, реконструкции и ремонте зданий и сооружений с возможностью передвижения по фронту работ. ОПИСАНИЕ КОНСТРУКЦИИ Леса представляют собой объемную башенную конструкцию, собранную из отдельных стержневых элементов, скрепленных хомутами. В нижней части башня установлена на основание с колесами рояльного типа, позволяющее перемещать смонтированную вышку. Для обеспечения устойчивости вышка оборудована винтовыми аутригерами. На верхний ярус уложен основной настил рабочей площадки, имеющий бортовые ограждения и перила по всему периметру площадки. Все ярусы вышки соединены между собой лестницами. ТЕХНИЧЕСКАЯ ХАРАКТЕРИСТИКА Тип подмостей сборно-разборные из стальных труб на хомутах Нагрузка поверхностная нормативная, кгс/м2 200 Высота верхнего рабочего настила, макс., м 6,0 Высота рабочей зоны, макс., м 8,0 Размеры рабочей площадки, м 1,8´1,8 Размеры рабочего щита настила, м 0,9´1,8 Число основных настилов, шт. 1 Число промежуточных настилов, шт. 2 Габариты, мм: длина 2450 ширина 2450 высота 7150 Масса, кг 665 ИЗГОТОВИТЕЛЬ - предприятия строительной промышленности РАЗРАБОТЧИК - АОЗТ ЦНИИОМТП НТЦ «Мехстройоснастка» 127434, Москва, Дмитровское шоссе, 9, проект № МЗ-15.00.000 СОСТАВИТЕЛЬ - «Стройтрудобезопасность», вед. специалист - |
Строительный каталог | ||
Ограждения, лестницы, средства подмащивания, подъемники, люльки | ||
РОССИЯ | Леса передвижные | ОКП 522542 |
ГУП ЦПП | Лист 35 | |
2002 | Рабочая конструкторская документация | На 1 стр. |
1 - стержневые элементы; 2 - клиновые соединения; 3 - основание; 4 - колесо; 5 - аутригер НАЗНАЧЕНИЕ Леса передвижные предназначены для размещения рабочих и материалов непосредственно в зоне производства строительно-монтажных работ при возведении, реконструкции и ремонте зданий и сооружений. ОПИСАНИЕ КОНСТРУКЦИИ Леса представляют собой объемную башенную конструкцию, собранную из отдельных стержневых элементов, скрепленных клиновыми соединениями. В нижней части башня установлена на основание с колесами рояльного типа, позволяющими перемещать смонтированную башню как в продольном, так и в поперечном направлении. Для обеспечения устойчивости башня оборудована винтовыми аутригерами. На верхний ярус уложен основной настил рабочей площадки, имеющей бортовые ограждения и перила по всему периметру площадки. ТЕХНИЧЕСКАЯ ХАРАКТЕРИСТИКА Нагрузка поверхностная нормативная, кгс/м 200 Высота верхнего рабочего настила, м 6 Высота рабочей зоны, макс., м 8 Размеры рабочей площадки, м 1,25´1,25 Число основных настилов, шт. 1 Число промежуточных настилов, шт. 3 Габариты, мм: длина 2670 ширина 2670 высота 7100 Масса, кг 340 ИЗГОТОВИТЕЛЬ - предприятия строительной промышленности РАЗРАБОТЧИК - АОЗТ ЦНИИОМТП НТЦ «Мехстройоснастка» 127434, Москва, Дмитровское шоссе, 9, проект № МЗ-56.00.000 СОСТАВИТЕЛЬ - «Стройтрудобезопасность», вед. специалист - |
Строительный каталог | ||
Ограждения, лестницы, средства подмащивания, подъемники, люльки | ||
РОССИЯ | Леса свободностоящие (вышка рамная) ПСП-200 | ОКП 522542 |
ГУП ЦПП | Лист 36 | |
2002 | Рабочая конструкторская документация | На 1 стр. |
1 - база; 2 - лестница; 3 - стяжки; 4 - винтовая опора; 5 - колесный блок; 6 - настил; 7 - поручень НАЗНАЧЕНИЕ Вышка ПСП-200 предназначена для производства монтажных, ремонтных и отделочных работ как снаружи, так и внутри строений и размещения рабочих и материалов непосредственно в зоне работ. ОПИСАНИЕ КОНСТРУКЦИИ Вышка представляет собой пространственную сборно-разборную конструкцию башенного типа из плоских лестниц, имеющих четыре ступени. Параллельные лестницы устанавливаются в патрубки звеньев и образуют секцию. Для обеспечения жесткости конструкции секции соединяются между собой стяжками, которые крепятся на штырях лестниц и звеньев. Нижние секции вышки устанавливаются на две базы, которые соединены между собой стяжками. Базы вышки имеют четыре винтовые опоры и четыре колесных блока. Колеса служат для передвижения вышки. Винтовые опоры компенсируют неровности опорной поверхности. Вышка имеет пять настилов: один рабочий и четыре промежуточных. Каждый из настилов состоит из двух типов помостов: сплошного и с люком. Рабочая площадка оборудована помостами, поручнями и боковыми фанерными ограждениями. Конструкция вышки позволяет устанавливать рабочий настил на необходимой высоте. ТЕХНИЧЕСКАЯ ХАРАКТЕРИСТИКА Максимальная высота вышки, м 12,34 Максимальная высота рабочей площадки, м 11,35 Размеры рабочей площадки, м: ширина 1,06 длина 2,0 Число основных помостов, шт.: с люком 1 без люка 1 Число промежуточных настилов, шт.: с люком 4 без люка 4 Нормативная поверхностная нагрузка, Па (кгс/м2) 200 Масса комплекта вышки, кг 535 ИЗГОТОВИТЕЛЬ - предприятия строительной промышленности РАЗРАБОТЧИК - АОЗТ ЦНИИОМТП НТЦ «Мехстройоснастка» 127434, Москва, Дмитровское шоссе, 9, проект № 000-3.00.000 СОСТАВИТЕЛЬ - «Стройтрудобезопасность», вед. специалист - |
Строительный каталог | ||
Ограждения, лестницы, средства подмащивания, подъемники, люльки | ||
РОССИЯ | Леса свободностоящие передвижные | ОКП 522542 |
ГУП ЦПП | Лист 37 | |
2002 | Рабочая конструкторская документация | На 1 стр. |
1 - секция; 2 - рама; 3 - колесо; 4 - связь; 5 - настил; 6 - лестница; 7 - блок НАЗНАЧЕНИЕ Леса свободностоящие передвижные предназначены для выполнения отделочных ремонтных, электромонтажных и сантехнических работ как снаружи, так и внутри зданий высотой до 10 м с передвижением по фронту работ. ОПИСАНИЕ КОНСТРУКЦИИ Леса состоят из отдельных взаимозаменяемых секций, которые монтируют в шахматном порядке на раме с колесами рояльного типа. Для придания лесам жесткости секции стягивают диагональными связями. Все элементы лесов выполнены из труб. Для удобства транспортирования рама лесов может складываться по принципу ножниц. Леса снабжены настилом, лестницей и блоком для подъема материалов. ТЕХНИЧЕСКАЯ ХАРАКТЕРИСТИКА Допускаемая нагрузка, кгс 200 Размер рабочей площадки, м 2,0´2,0 Наибольшая высота рабочей площадки от пола, мм 8512 Количество ярусов настила, шт. 3 Шаг яруса, мм 1780 Масса, кг 940 ИЗГОТОВИТЕЛЬ - трест «Мосотделстрой № 5», Москва РАЗРАБОТЧИК - АОЗТ ЦНИИОМТП НТЦ «Мехстройоснастка» 127434, Москва, Дмитровское шоссе, 9, проект № 000-10.000 СОСТАВИТЕЛЬ - «Стройтрудобезопасность», вед. специалист - |
Строительный каталог | ||
Ограждения, лестницы, средства подмащивания, подъемники, люльки | ||
РОССИЯ | Леса стоечные приставные штыревые для каменных работ | ОКП 522541 |
ГУП ЦПП | Лист 38 | |
2002 | Рабочая конструкторская документация | На 1 стр. |
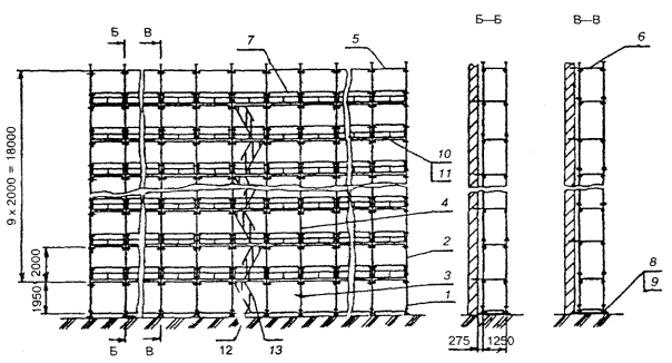
1 - ригель; 2 - ригель; 3 - стойка; 4 - стойка; 5 - стойка; 6 - стойка; 7 - башмак; 8 - подкладка; 9 - ограждение; 10 - ограждение; 11 - щит; 12 - щит; 13 - крюк; 14 - планка; 15 - талреп; 16 - заземление; 17 - лестница и перила НАЗНАЧЕНИЕ Леса стоечные приставные штыревые предназначены для производства каменных работ на высоте до 20 м при температуре окружающего воздуха не ниже -40 °С. ОПИСАНИЕ КОНСТРУКЦИИ Леса представляют собой пространственную каркасно-ярусную конструкцию, собираемую из трубчатых элементов, которые соединяются между собой с помощью штырей и проушин. Нижний ряд стоек опирается на башмаки, установленные попарно на деревянные подкладки. Стойки лесов имеют высоту 2 и 4 м. Через каждый метр по высоте стоек имеются проушины, служащие для крепления ригелей, раскосов, ограждений и талрепов. Настил собирается из деревянных щитов, изготовленных из хвойных пород. Количество настилов на лесах два: один - рабочий, другой - защитный. Щиты настила устанавливаются на продольные ригели. Для предотвращения падения с настила леса снабжены ограждениями, которые крепятся к проушинам стоек. Подъем людей на леса осуществляется по лестницам, которые устанавливаются через 42 м по длине лесов. Верхний конец лестниц подвешивают на поперечном ригеле, а нижний опирают на настил. Лестницы снабжены перилами, а люки на настиле - ограждениями. ТЕХНИЧЕСКАЯ ХАРАКТЕРИСТИКА Максимальная высота лесов, м 20 Высота рабочего яруса, м 1 Шаг стоек вдоль стены, м 1,5 Расстояние между стойками по их осям, перпендикулярным к стене, м 1,6 Ширина настила, м 2,1 Количество ярусов настила, одновременно укладываемых на леса, шт. 2 (1 - рабочий, 1 - защитный) Максимальная нагрузка на настил, кгс/м2 250 Масса металлических частей, кг 21995 Масса деревянных частей (щитов), кг 730 ИЗГОТОВИТЕЛЬ - предприятия строительной промышленности РАЗРАБОТЧИК - АОЗТ ЦНИИОМТП НТЦ «Мехстройоснастка» 127434, Москва, Дмитровское шоссе, 9, проект № 000-3.00.000 СОСТАВИТЕЛЬ - «Стройтрудобезопасность», вед. специалист - |
Строительный каталог | ||
Ограждения, лестницы, средства подмащивания, подъемники, люльки | ||
РОССИЯ | Леса стоечные приставные штыревые ЛСПШ-20 | ОКП 522541 |
ГУП ЦПП | Лист 39 | |
2002 | Рабочая конструкторская документация | На 1 стр. |
1, 2, 3, 4 - стойки; 5 и 6 - ригели; 7 - ограждение; 8 - башмак; 9 - подкладка; 10 и 11 - щиты; 12 - лестница; 13 - перила НАЗНАЧЕНИЕ Леса стоечные приставные штыревые предназначены для производства отделочных работ на высоте до 20 м при температуре окружающего воздуха не ниже -40 °С. ОПИСАНИЕ КОНСТРУКЦИИ Леса представляют собой пространственную каркасно-ярусную конструкцию, собираемую из трубчатых элементов. Нижний ряд стоек опирается на башмаки. Крепление лесов к стене осуществляется пробками. Настил лесов собирается из деревянных щитов. Ограждения крепятся штырями к проушинам стоек. Подъем рабочих осуществляется по лестницам, снабженным перилами. Жесткость лесов в плане обеспечивается установкой диагональных раскосов. Леса оборудованы заземлением. ТЕХНИЧЕСКАЯ ХАРАКТЕРИСТИКА Максимальная высота лесов, м 20 Шаг стоек вдоль стены, м 2,0 Шаг стоек перпендикулярно стене, м 1,25 Высота рабочего яруса, м 2,0 Количество ярусов настила, одновременно укладываемых на леса, шт. 9 Ширина настила, м 1,5 Максимальная нагрузка на настил, кгс/м2 200 Масса комплекта лесов, т 28,8 ИЗГОТОВИТЕЛЬ - предприятия строительной промышленности РАЗРАБОТЧИК - АОЗТ ЦНИИОМТП НТЦ «Мехстройоснастка» 127434, Москва, Дмитровское шоссе, 9, проект № 000-3.00.000 СОСТАВИТЕЛЬ - «Стройтрудобезопасность», вед. специалист - |
Строительный каталог | ||
Ограждения, лестницы, средства подмащивания, подъемники, люльки | ||
РОССИЯ | Леса стоечные приставные штыревые универсальные | ОКП 522541 |
ГУП ЦПП | Лист 40 | |
2002 | Рабочая конструкторская документация | На 1 стр. |
1, 2, 3, 4 - стойки; 5 и 6 - ригели; 7 и 8 - ограждения; 9 - башмак; 10 - подкладка; 11 - лестница; 12 - перила; 13 и 14 - щиты; 15 - пробка; 16 - крюк; 17 - планка НАЗНАЧЕНИЕ Леса стоечные приставные штыревые предназначены для производства каменных и отделочных работ на высоте до 20 м при температуре окружающего воздуха не ниже -40 °С. ОПИСАНИЕ КОНСТРУКЦИИ Леса для каменных и отделочных работ представляют собой конструкцию, собираемую из трубчатых элементов: стоек, ригелей, раскосов, ограждений, соединяемых между собой с помощью штырей и проушин. Нижний ряд стоек опирается на башмаки. Подъем рабочих на леса осуществляется по лестницам, снабженным перилами. Настил собирается из деревянных щитов, устанавливаемых на продольные ригели. Крепление лесов для каменных работ к стене осуществляется крюками и пластинами, а для отделочных работ - пробками. Жесткость лесов обеспечивается установкой диагональных раскосов. Для защиты от атмосферных электрических разрядов леса оборудованы заземлением. ТЕХНИЧЕСКАЯ ХАРАКТЕРИСТИКА Максимальная высота лесов, м 20 Шаг стоек вдоль стены, м 1,5 Шаг стоек перпендикулярно стене, м 1,6 Высота рабочего яруса, м 2,0 Количество ярусов настила, одновременно укладываемых на леса, шт.: для каменных работ 2 для отделочных работ 4 Ширина настила, м 2,1 Максимальная нагрузка на настил, кгс/м2 250 Масса комплекта лесов (без щитов и подкладок), т 22,8 Масса комплекта лесов, т 33,6 ИЗГОТОВИТЕЛЬ - предприятия строительной промышленности РАЗРАБОТЧИК - АОЗТ ЦНИИОМТП НТЦ «Мехстройоснастка» 127434, Москва, Дмитровское шоссе, 9, проект № 000А-3.00.000 СОСТАВИТЕЛЬ - «Стройтрудобезопасность», вед. специалист - |
Строительный каталог | ||
Ограждения, лестницы, средства подмащивания, подъемники, люльки | ||
РОССИЯ | Леса стоечные приставные клиновые ЛСПК-40 | ОКП 522541 |
ГУП ЦПП | Лист 41 | |
2002 | Рабочая конструкторская документация | На 1 стр. |
1 - башмак; 2 и 3 - стойки; 4 и 6 - связи; 5 - поперечина; 7 - лестница; 8 - щит; 9 - втулка; 10 - крюк; 11 и 12 - ограждения; 13 - клин НАЗНАЧЕНИЕ Леса клиновые ЛСПК-40 представляют собой леса трубчатые стоечные приставные клиновые, предназначенные для отделочных и ремонтных работ на фасадах зданий высотой до 40 м. ОПИСАНИЕ КОНСТРУКЦИИ Леса представляют собой конструкцию, собираемую из стоек, башмаков, связей, поперечин, лестниц, щитов, втулок, крюков и ограждений. Крепление элементов лесов (связей, поперечин и ограждений) со стойками осуществляется следующим образом: стойки имеют диски с отверстиями, на элементах лесов имеются скоба и упор, с помощью которых обеспечивается центрирование элементов узла крепления между собой. Жесткая фиксация узла осуществляется клином. Настил на ярусах лесов собирается из деревянных щитов, устанавливаемых на связи. Подъем рабочих на леса осуществляется по лестницам, снабженным перилами. Для защиты от атмосферных электрических разрядов леса оборудованы заземлением. ТЕХНИЧЕСКАЯ ХАРАКТЕРИСТИКА Максимальная высота лесов, м 40 Шаг яруса, м 2 Шаг стоек вдоль стены, м 2,5 Ширина яруса (прохода) между стойками, м 1,25 Количество ярусов настила, одновременно укладываемых на леса, шт. 4 верхних Нормативная поверхностная нагрузка, Па (кгс/м2) 200 (20) Масса комплекта лесов (без учета деревянных изделий), т 11,33 ИЗГОТОВИТЕЛЬ - АО Металлостройконструкция, г. Рязань, Куйбышевское ш., 27 РАЗРАБОТЧИК - АОЗТ ЦНИИОМТП НТЦ «Мехстройоснастка» 127434, Москва, Дмитровское шоссе, 9, проект № МЗ-45.00.000 СОСТАВИТЕЛЬ - «Стройтрудобезопасность», вед. специалист - |
Строительный каталог. Часть 6 | ГОСТ 27321-87 | |||||||||||||||||||||||
Ограждения, лестницы, средства подмащивания, подъемники, люльки | ||||||||||||||||||||||||
РОССИЯ | Леса стоечные приставные универсальные ЛСПХ-60 | ОКП 522541 | ||||||||||||||||||||||
ГУП ЦПП | Лист 42 | |||||||||||||||||||||||
2002 | Рабочая конструкторская документация | На 1 стр. | ||||||||||||||||||||||
1 - хомут; 2 - хомут поворотный; 3 - пробка; 4 - щит; 5 и 6 - стойка; 7 - башмак; 8 и 9 - связь; 10 - лестница; 11 - поперечина НАЗНАЧЕНИЕ Леса универсальные представляют собой леса трубчатые стоечные приставные хомутовые, предназначенные для отделочных и ремонтных работ на фасадах зданий высотой до 60 м, а также для каменной кладки стен зданий высотой до 40 м, выполненных в соответствии с ГОСТ 27321-87. ОПИСАНИЕ КОНСТРУКЦИИ Леса собираются из следующих элементов: стоек, нижний ряд которых опирается на башмаки, щитов, пробок, хомутов, связей, лестниц, поперечин. Стойки с помощью хомутов соединяются со связями и поперечинами, которые в свою очередь соединяются с пробками, смонтированными в фасаде ремонтируемого здания. Настил на ярусах лесов собирается из деревянных щитов, изготовленных из древесины хвойных пород. Подъем рабочих на леса осуществляется по лестницам, которые снабжены перилами. Жесткость лесов в плане обеспечивается установкой диагональных раскосов. Леса оборудованы заземлением. ТЕХНИЧЕСКАЯ ХАРАКТЕРИСТИКА
ИЗГОТОВИТЕЛЬ - Карачаровский механический завод 109391, Москва, Рязанский проспект, 2 РАЗРАБОТЧИК - АОЗТ ЦНИИОМТП НТЦ «Мехстройоснастка» 127434, Москва, Дмитровское ш., д. 9, проект № 000-3.00.000 СОСТАВИТЕЛЬ - «Стройтрудобезопасность», вед. специалист - |
Строительный каталог | ГОСТ 27321-87 | |||||||||||||||||||||||
Ограждения, лестницы, средства подмащивания, подъемники, люльки | ||||||||||||||||||||||||
РОССИЯ | Леса универсальные ЛСПХ-40 | ОКП 522541 | ||||||||||||||||||||||
ГУП ЦПП | Лист 43 | |||||||||||||||||||||||
2002 | Рабочая конструкторская документация | На 1 стр. | ||||||||||||||||||||||
1 - хомут; 2 - хомут поворотный; 3 - пробка; 4 - щит; 5 и 6 - стойка; 7 - башмак; 8 и 9 - связь; 10 - лестница; 11 - поперечина НАЗНАЧЕНИЕ Леса универсальные представляют собой леса трубчатые стоечные приставные хомутовые, предназначенные для отделочных и ремонтных работ на фасадах зданий высотой до 40 м, а также для каменной кладки стен зданий высотой до 20 м, выполненных в соответствии с ГОСТ 27321-87. ОПИСАНИЕ КОНСТРУКЦИИ Леса собираются из следующих элементов: стоек, нижний ряд которых опирается на башмаки, щитов, пробок, хомутов, связей, лестниц, поперечин. Стойки с помощью хомутов соединяются со связями и поперечинами, которые в свою очередь соединяются с пробками, смонтированными в фасаде ремонтируемого здания. Настил на ярусах лесов собирается из деревянных щитов, изготовленных из древесины хвойных пород. Подъем рабочих на леса осуществляется по лестницам, которые снабжены перилами. Жесткость лесов в плане обеспечивается установкой диагональных раскосов. Леса оборудованы заземлением. ТЕХНИЧЕСКАЯ ХАРАКТЕРИСТИКА
ИЗГОТОВИТЕЛЬ - АО Металлостройконструкция, г. Рязань, Куйбышевское ш., 27 РАЗРАБОТЧИК - АОЗТ ЦНИИОМТП «Мехстройоснастка» 127434, Москва, Дмитровское ш., д. 9, проект № 000-3.00.000 СОСТАВИТЕЛЬ - «Стройтрудобезопасность», вед. специалист - |
Строительный каталог | ГОСТ 27321-87 | |||||||||||||||||||||||
Ограждения, лестницы, средства подмащивания, подъемники, люльки | ||||||||||||||||||||||||
РОССИЯ | Леса универсальные ЛСПХ-100 | ОКП 522541 | ||||||||||||||||||||||
ГУП ЦПП | Лист 44 | |||||||||||||||||||||||
2002 | Рабочая конструкторская документация | На 1 стр. | ||||||||||||||||||||||
1 - хомут; 2 - хомут поворотный; 3 - пробка; 4 - щит; 5 и 6 - стойка; 7 - башмак; 8 и 9 - связь; 10 - лестница; 11 - поперечина НАЗНАЧЕНИЕ Леса универсальные представляют собой леса трубчатые стоечные приставные хомутовые, предназначенные для отделочных и ремонтных работ на фасадах зданий высотой до 100 м, а также для каменной кладки стен зданий высотой до 60 м, выполненных в соответствии с ГОСТ 27321-87. ОПИСАНИЕ КОНСТРУКЦИИ Леса собираются их следующих элементов: стоек, нижний ряд которых опирается на башмаки, щитов, пробок, хомутов, связей, лестниц, поперечин. Стойки с помощью хомутов соединяются со связями и поперечинами, которые в свою очередь соединяются с пробками, смонтированными в фасаде ремонтируемого здания. Настил на ярусах лесов собирается из деревянных щитов, изготовленных из древесины хвойных пород. Подъем рабочих на леса осуществляется по лестницам, которые снабжены перилами. Жесткость лесов в плане обеспечивается установкой диагональных раскосов. Леса оборудованы заземлением. ТЕХНИЧЕСКАЯ ХАРАКТЕРИСТИКА
ИЗГОТОВИТЕЛЬ - Карачаровский механический завод 109391, Москва, Рязанский проспект, 2 РАЗРАБОТЧИК - АОЗТ ЦНИИОМТП «Мехстройоснастка» 127434, Москва, Дмитровское ш., д. 9, проект № 000-3.00.000 СОСТАВИТЕЛЬ - «Стройтрудобезопасность», вед. специалист - |
Строительный каталог | ГОСТ 27321-87 | |
Ограждения, лестницы, средства подмащивания, подъемники, люльки | ||
РОССИЯ | Леса строительные приставные рамные ЛСПР-200 | ОКП 522541 |
СУП ЦПП | Лист 45 | |
2002 | Рабочая конструкторская документация | На 1 стр. |
1 - рама с лестницей; 2 - рама; 3 - стяжка диагональная; 4, 5, 6 - связи; 7 - помост; 8 - щит; 9 - щит с люком; 10 - пробка (или крюк со втулкой); 11 - хомут; 12 - башмак; 13 - опора винтовая НАЗНАЧЕНИЕ Леса ЛСПР-200 представляют собой леса строительные приставные рамные, выполненные в соответствии с ГОСТ 27321-87 и предназначенные для отделочных работ на фасадах зданий высотой до 16 м. ОПИСАНИЕ КОНСТРУКЦИИ Леса представляют собой конструкцию, собираемую из рам, нижний ряд которых опирается на башмаки или опоры винтовые, устанавливаемые на деревянные подкладки. Рамы с целью устойчивости связываются между собой диагональными стяжками в шахматном порядке. Крепление лесов к стене осуществляется через хомуты, закрепленные на стойках рам, на лесах устанавливаются помосты с настилами. На рабочем ярусе устанавливаются бортовые доски, которые крепятся к рамам с помощью скоб. Для защиты от атмосферных электрических разрядов леса оборудуются молниеприемником и заземлением. ТЕХНИЧЕСКАЯ ХАРАКТЕРИСТИКА Максимальная высота лесов, м 16 Шаг яруса, м 2 Шаг рам вдоль стены, м 2,95 Ширина яруса (прохода) между стойками рам, м 0,68; 1,05 Количество ярусов настила, одновременно укладываемых на лесах, шт. 2 верхних Нормативная поверхностная нагрузка, Па (кгс/м2) 200 (20) Масса комплекта лесов, т 6,45 ИЗГОТОВИТЕЛЬ - Яхромский автобусный завод Московская обл., г. Яхрома, ул. Ленина РАЗРАБОТЧИК - АОЗТ ЦНИИОМТП НТЦ «Мехстройоснастка» 127434, Москва, Дмитровское ш., д. 9, проект № 000-3.00.000 СОСТАВИТЕЛЬ - «Стройтрудобезопасность», вед. специалист - |
Строительный каталог | ГОСТ 27321-87 | |||||||||||||||||||||||
Ограждения, лестницы, средства подмащивания, подъемники, люльки | ||||||||||||||||||||||||
РОССИЯ | Леса строительные приставные рамные ЛСПР-200 | ОКП 522541 | ||||||||||||||||||||||
ГУП ЦПП | Лист 46 | |||||||||||||||||||||||
2002 | Рабочая конструкторская документация | На 1 стр. | ||||||||||||||||||||||
1 - рама с лестницей; 2 - рама; 3 - стяжка диагональная; 4 и 5 - ограждения; 6 - связь; 7 - помост; 8 - помост с люком; 9 - пробка (или крюк со втулкой); 10 - анкер; 11 - башмак; 12 - опора винтовая; 13 - ригель; 14 - помост; 15 - держатель НАЗНАЧЕНИЕ Леса ЛСПР-200 представляют собой леса строительные приставные рамные высотой 20 м и предназначенные для отделочных и ремонтных работ на фасадах зданий и для каменной кладки. ОПИСАНИЕ КОНСТРУКЦИИ Леса для отделочных работ и каменной кладки представляют собой конструкцию из рам, наращивающихся друг другом до необходимой высоты и опирающихся на башмаки или опоры винтовые, которые устанавливаются на деревянные подкладки. Рамы с целью устойчивости связываются между собой диагональными стяжками и связями. На рамах предусмотрены замки с фиксатором и втулки. Крепление лесов к стене осуществляется через анкеры, закрепленные на стойках рам. На лесах применяются два вида металлических помостов с настилами. Один - с фанерным настилом, другой - с фанерным настилом и откидным люком. Помосты навешиваются с помощью кронштейнов на верхние связи смежных рам на ярусах, предусмотренные под настилы. ТЕХНИЧЕСКАЯ ХАРАКТЕРИСТИКА
ИЗГОТОВИТЕЛЬ - предприятия строительной промышленности РАЗРАБОТЧИК - АОЗТ ЦНИИОМТП НТЦ «Мехстройоснастка» 127434, Москва, Дмитровское шоссе, проект № 000-3.00.000 СОСТАВИТЕЛЬ - «Стройтрудобезопасность», вед. специалист - |
Строительный каталог. Часть 6 | ГОСТ 27321-87 | |
Ограждения, лестницы, средства подмащивания, подъемники, люльки | ||
РОССИЯ | Леса рамные АРИС-200 | ОКП 522541 |
ГУП ЦПП | Лист 47 | |
2002 | Рабочая конструкторская документация | На 1 стр. |
1 - рама с лестницей; 2 - рама; 3 - стяжка диагональная; 4 и 5 - стяжки ограждений; 6 - настил; 7 - пробка (или крюк со втулкой); 8 - стяжка; 9 - опора; 10 - опора винтовая НАЗНАЧЕНИЕ Леса АРИС-200 представляют собой леса строительные приставные рамные высотой 20 м, выполненные в соответствии с ГОСТ 27321-87 и предназначенные для отделочных и ремонтных работ на фасадах зданий. ОПИСАНИЕ КОНСТРУКЦИИ Леса представляют собой конструкцию, собираемую из рам, нижний ряд которых опирается на винтовые опоры, которые устанавливаются на деревянные подкладки. Рамы с целью устойчивости связываются между собой диагональными стяжками. Крепление лесов к стене осуществляется через регулируемые стяжки. Настилы навешиваются на верхние связи смежных рам с помощью кронштейнов. На рабочем и предохранительном ярусах лесов устанавливаются продольные и торцевые стяжки ограждений. Для защиты от атмосферных электрических разрядов леса оборудуются молниеприемником и заземлением. ТЕХНИЧЕСКАЯ ХАРАКТЕРИСТИКА Максимальная высота лесов, м 20 Шаг яруса, м 2 Шаг рам вдоль стены, м 3 Ширина яруса (прохода) между стойками рам, м 1 Количество ярусов настила, одновременно укладываемых на лесах, шт. 2 верхних Нормативная поверхностная нагрузка, Па (кгс/м2) 200 (20) Масса комплекта лесов, т 5,54 ИЗГОТОВИТЕЛЬ - Группа «АРИС», Москва, РАЗРАБОТЧИК - АОЗТ ЦНИИОМТП НТЦ «Мехстройоснастка» 127434, Москва, Дмитровское шоссе, проект № 000-3.00.000 СОСТАВИТЕЛЬ - «Стройтрудобезопасность», вед. специалист - |
Строительный каталог | ||||||||||||||||||||||||||||||||
Ограждения, лестницы, средства подмащивания, подъемники, люльки | ||||||||||||||||||||||||||||||||
РОССИЯ | Леса строительные ЛСПК-80 | ОКП 522541 | ||||||||||||||||||||||||||||||
ГУП ЦПП | Лист 48 | |||||||||||||||||||||||||||||||
2002 | Рабочая конструкторская документация | На 1 стр. | ||||||||||||||||||||||||||||||
1 - башмак; 2 и 3 - стойка; 4 - связь; 5 - поперечина; 6 - связь; 7 - лестница; 8 - связь горизонтальная; 9 - элемент анкерного крепления к стене; 10 - крюк; 11 - ограждение; 12 - навесная площадка; 13 - распорная диагональ; 14 - хомут; 15 - заземление; 16 - щит декоративный; 17 - щит утепленный; 18 - щит деревометаллический НАЗНАЧЕНИЕ Леса ЛСПК-80 представляют собой леса трубчатые стоечные приставные, предназначенные для отделочных и ремонтных работ на фасадах зданий высотой 80 м (с возможностью увеличения высоты до 120 м), выполненные в соответствии с ГОСТ 27321-87. Леса допускают возможность использования в качестве: защитного экрана; силового каркаса при реконструкции кирпичных зданий; временных сооружений типа трибун, временных павильонов, стеллажей и т. д.; строительных вышек, подмостей и т. д. ОПИСАНИЕ КОНСТРУКЦИИ Леса собираются из следующих элементов: стоек, нижний ряд которых опирается на башмаки, щитов, пробок, связей, лестниц, поперечин. Стойки с помощью клиновых хомутов соединяются со связями и поперечинами, которые в свою очередь соединяются с пробками, вмонтированными в фасаде реконструируемого здания. Настилы на ярусах лесов собираются из деревянных щитов, изготовленных из древесных хвойных пород. Подъем рабочих на леса осуществляется по лестницам, которые снабжены перилами. Жесткость лесов в плане обеспечивается установкой диагональных раскосов. Леса оборудованы заземлением. ТЕХНИЧЕСКАЯ ХАРАКТЕРИСТИКА
ИЗГОТОВИТЕЛЬ - предприятия строительной индустрии РАЗРАБОТЧИК - АОЗТ ЦНИИОМТП НТЦ «Мехстройоснастка» 127434, Москва, Дмитровское шоссе, проект № 000-3.00.000 СОСТАВИТЕЛЬ - «Стройтрудобезопасность», вед. специалист - |
Строительный каталог | ГОСТ 27321-87 | |
Ограждения, лестницы, средства подмащивания, подъемники, люльки | ||
РОССИЯ | Леса рамные АРИС-600 | ОКП 522541 |
ГУП ЦПП | Лист 49 | |
2002 | Рабочая конструкторская документация | На 1 стр. |
1 - рама с лестницей; 2 - рама; 3 - стяжка диагональная; 4 и 5 - стяжки ограждений; 6 - настил; 7 - пробка; 8 - стяжка; 9 - опора; 10 - опора винтовая; 11 - настил с люком; 12 - хомут; 13 - борт НАЗНАЧЕНИЕ Леса АРИС-600 представляют собой леса строительные приставные рамные высотой 60 м, предназначенные для отделочных и ремонтных работ на фасадах зданий. ОПИСАНИЕ КОНСТРУКЦИИ Леса для отделочных работ представляют собой конструкцию из рам, нижний ряд которых опирается на опоры. Рамы с лестницами и без лестниц наращиваются друг другом до необходимой высоты. Каждая рама имеет высоту 2 м. С целью устойчивости рамы связываются между собой диагональными стяжками. Стяжки крепятся замками с фиксаторами, а к рамам - с помощью хомутов. Крепление лесов к стене осуществляется через регулируемые стяжки, один из элементов которых закрепляется за кольцо элементов анкеровки, смонтированных в фасаде здания. Элементы анкеровки могут быть выполнены двух видов: пробки или крюки со втулками. Настилы навешиваются с помощью кронштейнов на верхние связи смежных рам. В одном пролете устанавливаются два настила. Леса при необходимости дополняются приспособлениями: рамами проходными для сооружения прохода пешеходов в зоне ведения работ; консолями для расширения лесов на 400 и 1100 мм с применением одного или двух настилов; выравнивающими стойками для выравнивания неровностей основания. ТЕХНИЧЕСКАЯ ХАРАКТЕРИСТИКА Максимальная высота лесов, м 60 Шаг яруса, м 2 Шаг рам вдоль стены, м 3 Ширина яруса (прохода) между стойками рам, м 1 Масса комплекта лесов (900 м2), т 8,8 ИЗГОТОВИТЕЛЬ - предприятия строительной индустрии РАЗРАБОТЧИК - АОЗТ ЦНИИОМТП НТЦ «Мехстройоснастка» 127434, Москва, Дмитровское шоссе, проект № 000-3.00.000 СОСТАВИТЕЛЬ - «Стройтрудобезопасность», вед. специалист - |
Строительный каталог | ГОСТ 27321-87 | |
Ограждения, лестницы, средства подмащивания, подъемники, люльки | ||
РОССИЯ | Леса навесные | ОКП 522541 |
ГУП ЦПП | Лист 50 | |
2002 | Рабочая конструкторская документация | На 1 стр. |
1 - рама; 2 - боковина; 3 - стяжка; 4 - настил; 5 - ферма; 6 - опора; 7 - подмости; 8 - анкер; 9 и 10 - ограждения; 11 - устройство натяжное НАЗНАЧЕНИЕ Леса навесные предназначены для производства строительных работ при возведении многоэтажных зданий из монолитного железобетона, преимущественно системы «Юникон». ОПИСАНИЕ КОНСТРУКЦИИ Леса представляют собой рамную конструкцию. Для удобства проведения строительных работ на леса устанавливаются передвижные подмости. Леса закрепляются за анкеры на перекрытиях строящегося здания. Для поворота боковин относительно центральной рамы на нужный угол используют винтовые стяжки. Образовавшийся внизу проем между центральной рамой и боковинами закрывают настилами. Опоры устанавливают в соответствии с расстоянием между перекрытиями. ТЕХНИЧЕСКАЯ ХАРАКТЕРИСТИКА Грузоподъемность, кг 1000 Габариты, мм: длина 3676 высота 3796 ширина 2700 Масса, кг 1656 ИЗГОТОВИТЕЛЬ - предприятия строительной индустрии РАЗРАБОТЧИК - АОЗТ ЦНИИОМТП НТЦ «Мехстройоснастка» 127434, Москва, Дмитровское шоссе, проект № МЗ-71.00.000 СОСТАВИТЕЛЬ - «Стройтрудобезопасность», вед. специалист - |
|
Из за большого объема этот материал размещен на нескольких страницах:
1 2 3 |





















































