4.4.7 Отступления от проектных решений в процессе строительства допускаются после согласований с проектными организациями, эксплуатационными организациями и Заказчиками, а также с территориальными организациями - держателями геофонда, в случаях, когда отступления связаны с размещением подземных сооружений.
Если отступления затрагивают интересы других организаций, они должны быть предварительно с ними согласованы.
4.4.8 Приварку контактных устройств, электроперемычек и контрольных проводников к действующим трубопроводам осуществляют организации, которые эксплуатируют эти трубопроводы, по договорам с Подрядчиками.
Приварку контактных устройств, электроперемычек и контрольных проводников к строящимся трубопроводам осуществляют специализированные строительные организации, имеющие лицензии на производство сварочных работ на трубопроводах, и паспортированные сварщики.
Все работы, связанные с присоединениями дренажных кабелей к соответствующим устройствам сети электрифицированного транспорта, производят в соответствии с предписаниями эксплуатационных организаций (железных дорог и трамвая) и в присутствии представителей этих организаций.
4.4.9 Восстановление изоляционных покрытий на трубопроводах после приварки контактных устройств, электроперемычек или контрольных проводников осуществляют организации, которые эксплуатируют эти трубопроводы, или с их согласия специализированные организации, имеющие лицензии на производство изоляционных работ на действующих трубопроводах, по договорам с Подрядчиками.
4.4.10 Используемые в качестве стационарных медносульфатные электроды сравнения, например, типа ЭНЕС должны быть заполнены незамерзающим электролитом в соответствии с сертификатом качества.
Перед оборудованием контрольно-измерительных пунктов стационарными медно-сульфатными электродами сравнения необходимо проводить лабораторный предустановочный контроль последних, в процессе которого строительной организацией проверяется переходное сопротивление "электрод - влагонасыщенный песок".
С этой целью до начала измерений электроды выдерживают в нормальных климатических условиях не менее 3 ч.
Измерение переходного электрического сопротивления электродов производят по схеме, приведенной на рис.4.4.1.

Рис.4.4.1 Схема измерения переходного электрического сопротивления электродов сравнения
1 - проверяемый электрод сравнения; 2 - омметр (мультиметр типа 43313.1);
3 - металлическая кювета; 4 - песок, увлажненный раствором NaCl в дистиллированной воде.
Кювету из нержавеющей стали или алюминия размерами 30х30х10 см заполняют песком на высоту 9 см. Песок увлажняют до полного насыщения раствором NaCl с концентрацией 500 мг на 1 литр воды.
Электроды устанавливают поочередно на поверхность песка в средней части кюветы. Для создания надежного электролитического контакта ионообменной мембраны электрода с песком основание электродов следует обмазать указанным увлажненным песком, втерев его в защитную решетку на дне электрода.
Через 10±1 мин после установки электродов в кювету измеряют переходное сопротивление электродов омметром (например, мультиметром 43313.1). Измерительные проводники от омметра присоединяют к электроду сравнения и кювете.
Переходное сопротивление "электрод - влагонасыщенный песок" должно быть не более 15 кОм.
Стационарный электрод сравнения с датчиком потенциала устанавливают в КИПе так, чтобы дно корпуса и датчик находились на уровне нижней образующей трубопровода и на расстоянии 100 мм от его боковой поверхности. При этом плоскость датчика должна быть перпендикулярна к оси трубопровода, а на боковой поверхности трубопровода не должно быть дефектов в изоляции.
Медносульфатные электроды сравнения после установки (так же, как контрольно-измерительные пункты, электроперемычки, контактные устройства, индикаторы коррозии и др.) необходимо засыпать вручную.
4.4.11 Технологический процесс монтажа контактных устройств, электроперемычек, контрольно-измерительных пунктов и анодных заземлителей должен осуществляться под пооперационным контролем представителей организаций, осуществляющих технический надзор за строительством ЭХЗ установок с оформлением соответствующих актов приемки.
4.4.12 Прокладка кабелей по стенам зданий и опорам, монтаж электрических щитков и подключения к действующим сетям электропитания должны осуществляться в соответствии с требованиями "Правил устройства электроустановок" (ПУЭ) Министерства топлива и энергетики Российской Федерации, "Правил эксплуатации электроустановок потребителей" (ПЭЭП) Главэнергонадзора России и "Правил техники безопасности при эксплуатации электроустановок потребителей" (ПТБЭЭП) Главэнергонадзора России. Условия присоединения к действующим сетям электропитания должны удовлетворять также техническим требованиям энергоснабжающей организации, полученным на стадии разработки проекта.
4.4.13 Прокладка кабелей в земле осуществляется в соответствии с требованиями ПУЭ. Засыпка уложенных в траншеи кабелей производится после их приемки представителем технического надзора с оформлением соответствующих актов.
4.4.14 Оборудование для установок ЭХЗ должно проходить предустановочный (предмонтажный) контроль на соответствие показателям качества с оформлением соответствующих актов. Предустановочный контроль выполняется Заказчиком или по договору с ним Подрядчиком или эксплуатационной организацией.
4.4.15 Проверка работоспособности и надежности преобразователей различных типов проводится согласно схеме рис.4.4.2.
В качестве нагрузки могут быть использованы проволочные или ленточные сопротивления, в частности, намотанные на изолированную трубу.
Для каждого из испытываемых преобразователей величина нагрузочного сопротивления должна быть равна отношению номинального выходного напряжения к номинальному выходному току.
Все преобразователи проверяются в режиме ручного управления. С помощью ручки переменного резистора проверяются: возможность установки номинальных выходных параметров, диапазон регулирования выходного напряжения, значение которого должно меняться в пределах, указанных в паспорте.
При номинальном напряжении устанавливается номинальный ток и производится трехкратное отключение и включение питающего напряжения, затем проверяется работоспособность преобразователя при работе в номинальном режиме в течение не менее 1 ч.
Указанные выше испытания проводятся на обеих ступенях выходного напряжения преобразователя.
Затем автоматические преобразователи переводятся в режим автоматического поддержания разности потенциалов между трубопроводом и электродом сравнения. Согласно схеме к преобразователю подключается делитель напряжения на резисторах. Поочередно устанавливается заданная разность потенциалов 0,8; 2,0 и 3,5 В и измеряется разность потенциалов на клеммах блока управления. Измерения производятся прибором с входным сопротивлением не менее 200 кОм/В. Разница между значениями измеряемой и заданной разности потенциалов не должна превышать указанных в паспорте значений.
На преобразователи, не выдержавшие испытаний предустановочного контроля, составляется акт-рекламакция, который предъявляется заводу-изготовителю.

Рис.4.4.2 Схема проверки работы преобразователя в ручном и автоматическом режимах
Номинальное выходное напряжение, В | R1, кОм ±10% | R2, кОм ±10% |
24 | 6,2 | 1,5 |
48 | 13 | 1,5 |
4.4.16 Преобразователи установок ЭХЗ монтируются на соответствующих фундаментах или металлических каркасах, которые не должны иметь контактов с фундаментами или другими элементами зданий.
4.4.17 Корпуса преобразователей установок ЭХЗ во избежание поражения людей электрическим током должны быть заземлены или занулены в соответствии с требованиями "ПУЭ".
4.4.18 Монтаж установок гальванической (протекторной) защиты осуществляется в соответствии с требованиями "Инструкции по монтажу и эксплуатации протекторной защиты в условиях коммунального хозяйства" РДИ 204 РСФСР 3
4.4.19 После завершения строительно-монтажных работ Подрядчиком составляется "Акт на приемку строительно-монтажных работ", который подписывается Заказчиком, Подрядчиком, представителями технического надзора и представителями проектной организации. Акт на приемку строительно-монтажных работ составляется на каждую установку в отдельности.
4.4.20 Исполнительные чертежи на построенные установки ЭХЗ составляются строительными организациями в процессе производства работ до засыпки кабельных прокладок и всех узлов, заверяются представителями Заказчика и эксплуатационных организаций, которым передаются установки, после проверки соответствия их проекту и на основании промеров и осмотров до засыпки.
4.4.21 Заверенные представителями Заказчиков и эксплуатационных организаций исполнительные чертежи строительными организациями должны сдаваться в территориальные геодезические организации - держатели геофонда, которые осуществляют их приемку после контрольных геодезических съемок в открытых траншеях и котлованах.
4.4.22 После завершения строительно-монтажных работ в полном объеме строительные организации передают Заказчикам для организации выполнения наладочных работ следующую документацию:
- Проект со всеми согласованиями отступлений от него, допущенными в ходе строительно-монтажных работ | - 1 экз. |
- Исполнительные чертежи: масштаб 1:500 на кальке с отметкой о приемке их в геофонд и в копиях | - 1 экз. - 3 экз. |
- Журнал авторского и технического надзора | - 1 экз. |
- Справки от смежных организаций о выполнении работ в полном объеме, если такие работы были предусмотрены проектами | - 1 экз. |
- Технические паспорта на преобразователи, дренажные устройства и сертификаты качества предприятий-изготовителей на гальванические аноды (протекторы), анодные заземлители, медносульфатные электроды сравнения и др. комплектующие изделия | - 1 экз. |
- Акты приемки электромонтажных работ | - 1 экз. |
- Акты приемки контактных устройств, электроперемычек, опорных и контрольных пунктов | - 1 экз. |
- Акты приемки скрытых работ | - 1 экз. |
- Акты проверки сопротивления растеканию контуров анодных заземлений | - 1 экз. |
- Протоколы измерений сопротивления изоляции кабелей | - 1 экз. |
- Протоколы измерений сопротивления петли "фаза-ноль" или сопротивления защитного заземления | - 2 экз. |
- Акты предустановочного контроля преобразователей | - 1 экз. |
- Акты пневматических и электрических испытаний (заводских) изолирующих фланцев | - 1 экз. |
- Справки о приемке установленных электроизолирующих соединений | - 1 экз. |
- Справки о выполненном благоустройстве территорий, на которых производились строительно-монтажные работы, от владельцев этих территорий | - 1 экз. |
Рекомендуемые формы приемо-сдаточной документации приведены в Приложении X.
4.4.23 Указанная документация по поручению Заказчиков может передаваться сразу непосредственно эксплуатационным организациям в случаях, когда наладочные работы будут выполняться этими организациями.
4.4.24 После приемки документации от строительных организаций в полном объеме Заказчик заключает договора с энергоснабжающими организациями на пользование электроэнергией, составляет с ними акты разграничения балансовой принадлежности и ответственности за эксплуатацию линий электропитания и получает от местных органов Энергонадзора в установленном ими порядке разрешения на допуск установок ЭХЗ в эксплуатацию.
4.5 ПУСКОНАЛАДОЧНЫЕ РАБОТЫ
4.5.1 Пусконаладочные работы проводятся перед приемкой ЭХЗ и включают осмотр и проверку всех доступных элементов ЭХЗ и контроль потенциала трубопровода во всех пунктах измерений, указанных в проекте ЭХЗ.
Наладка установок ЭХЗ выполняется специализированными организациями, имеющими лицензию на выполнение этих работ.
4.5.2 Заказчик передает наладочной организации следующую документацию:
- Проектную документацию с согласованными в ходе строительства изменениями в полном объеме | - 1 экз. |
- Копии исполнительных чертежей на каждую установку | - 1 экз. |
- Акты приемки строительно-монтажных работ на каждую установку | - 1 экз. |
- Акты допуска Энергонадзором электроустановок в эксплуатацию на каждую установку передает заказчик | - 1 экз. |
4.5.3 В процессе наладочных работ преобразователи установок ЭХЗ должны пройти тщательный технический осмотр, проверку правильности всех внешних подключений и проверку плотности всех контактов. Выявленные в ходе осмотра и проверки недостатки устраняются работниками наладочных организаций, а выявленные неверные внешние подключения исправляются работниками строительно-монтажных организаций.
4.5.4 После проверки преобразователей производится осмотр и проверка всех элементов ЭХЗ. Все выявленные в ходе этой проверки дефекты устраняются строительно-монтажной организацией.
4.5.5 Установки ЭХЗ включаются в работу с токовыми нагрузками, соответствующими проектным параметрам, не менее чем за 72 часа до начала пуско-наладочных работ при обязательной проверке правильности внешних подключений.
4.5.6 О начале пуско-наладочных работ извещаются владельцы защищаемых сооружений, эксплуатационные организации, которым будут передаваться защитные установки, и владельцы смежных подземных коммуникаций.
4.5.7 На первом этапе наладочных работ производятся измерения потенциалов защищаемых сооружений при проектных режимах работы установок ЭХЗ.
4.5.8 Измерения производятся во всех пунктах измерений, предусмотренных проектом. Это пункты с наиболее высокими положительными и знакопеременными потенциалами, зафиксированными в ходе коррозионных изысканий; пункты в местах на трубопроводах, наиболее приближенных к источникам блуждающих токов, высоковольтным кабелям и линиям электропередач, а также наиболее удаленные и наиболее приближенные к анодным заземлителям.
4.5.9 Измерения должны производиться с использованием приборов и технологий, предусмотренных ГОСТом 9.602-89 * и разд.4.7 настоящей Инструкции.
4.5.10 Измерения при наладке дренажных защитных установок должны производиться приборами, обеспечивающими, по возможности, синхронные измерения потенциалов "труба-земля" и "рельс-земля" с длительностью записи не менее 1 ч.
4.5.11 Полученные результаты измерений первого этапа с учетом измерений на смежных коммуникациях анализируются, и принимаются решения по корректировке режимов работы установок защиты.
4.5.12 В случае необходимости изменения режимов работы ЭХЗ измерения повторяются во всех пунктах, находящихся в зонах действия защитных установок с измененными режимами работы.
4.5.13 Корректировка режимов работы ЭХЗ может производиться неоднократно до достижения желаемых результатов.
4.5.14 В конечном итоге на защитных установках должны быть установлены минимально возможные защитные токи, при которых на защищаемых сооружениях во всех пунктах измерений достигаются защитные потенциалы, по абсолютной величине не ниже минимально допустимых и не более максимально допустимых.
4.5.15 Окончательно установленные режимы работы защитных установок должны быть согласованы со всеми организациями, имеющими подземные сооружения в зонах действия налаживаемых установок, о чем они дают подтверждения в своих заключениях (справках).
4.5.16 В случаях, когда в ходе наладочных работ не удается достигнуть на защищаемых сооружениях требуемых защитных потенциалов во всех пунктах измерений, наладочная организация совместно с проектной и эксплуатационной организациями разрабатывает перечень необходимых дополнительных мероприятий и направляет их Заказчику для принятия соответствующих мер.
4.5.17 До реализации дополнительных мероприятий зона эффективной защиты подземных сооружений остается уменьшенной.
4.5.18 Завершаются наладочные работы оформлением технического отчета по наладке установок ЭХЗ, который должен включать: полные сведения о защищаемых и смежных подземных сооружениях; действующих источниках блуждающих токов; показателях коррозионной опасности; о построенных и ранее действующих (если такие имеются) установках ЭХЗ; установленных на сооружениях электроперемычках; действующих и вновь построенных КИПах; электроизолирующих соединениях; полную информацию о выполненных работах и их результатах; таблицу с окончательно установленными параметрами работы установок ЭХЗ; таблицу потенциалов защищаемых сооружений в установленных окончательно режимах работы установок ЭХЗ; справки (заключения) владельцев смежных сооружений; заключение по наладке установок ЭХЗ; рекомендации по дополнительным мероприятиям по защите подземных сооружений от коррозии.
4.5.19 Технический отчет по наладке должен быть согласован организацией по эксплуатации газового хозяйства в регионе или действующей по ее поручению специализированной организацией по защите от коррозии и организацией, координирующей по поручению местных властей работу по защите подземных сооружений в регионе (если такая имеется).
4.6 ПОРЯДОК ПРИЕМКИ И ВВОДА В ЭКСПЛУАТАЦИЮ УСТАНОВОК ЭЛЕКТРОХИМИЧЕСКОЙ ЗАЩИТЫ
4.6.1 Установки ЭХЗ вводятся в эксплуатацию после завершения пусконаладочных работ и испытания на стабильность в течение 72 ч.
4.6.2 Установки ЭХЗ принимает в эксплуатацию комиссия, в состав которой входят представители следующих организаций: Заказчика; проектной (по необходимости); строительной; эксплуатационной, на баланс которой будет передана построенная установка ЭХЗ; предприятия по защите от коррозии (службы защиты); местных органов Госгортехнадзора России (при необходимости), городских (сельских) электросетей.
4.6.3 Данные проверки готовности объектов к сдаче заказчик сообщает организациям, входящим в состав приемной комиссии, не менее чем за сутки.
4.6.4 Заказчик предъявляет приемной комиссии: проект на устройство ЭХЗ и документы, указанные в Приложении X.
4.6.5 После ознакомления с исполнительной документацией и с техническим отчетом о пусконаладочных работах приемная комиссия выборочно проверяет выполнение запроектированных работ, средств и узлов ЭХЗ, в том числе изолирующих фланцевых соединений, контрольно-измерительных пунктов, перемычек и других узлов, а также эффективность действия установок ЭХЗ. Для этого измеряют электрические параметры установок и потенциалы трубопровода на участках, где в соответствии с проектом зафиксирован минимальный и максимальный защитный потенциал, а при защите только от блуждающих постоянных токов предусмотрено отсутствие положительных потенциалов.
Установки ЭХЗ, не соответствующие проектным параметрам, не должны подлежать приемке.
4.6.6 Установку ЭХЗ вводят в эксплуатацию только после подписания комиссией акта о приемке.
В случае необходимости может быть осуществлена приемка ЭХЗ во временную эксплуатацию на незаконченном строительством трубопроводе.
После окончания строительства ЭХЗ подлежит повторной приемке в постоянную эксплуатацию.
4.6.7 При приемке ЭХЗ на подземных трубопроводах, пролежавших в грунтах высокой коррозионной агрессивности более 6 мес., а в зонах опасного влияния блуждающих токов - более 1 мес., необходимо проверить их техническое состояние в соответствии с НТД и при наличии повреждений установить сроки их устранения.
4.6.8 Каждой принятой установке ЭХЗ присваивают порядковый номер и заводят специальный паспорт установки, в который заносят все данные приемочных испытаний.
4.7 ЭКСПЛУАТАЦИЯ УСТАНОВОК ЭЛЕКТРОХИМИЧЕСКОЙ ЗАЩИТЫ
4.7.1 При эксплуатации установок ЭХЗ должны проводиться периодические технические осмотры и проверка эффективности их работы.
На каждой защитной установке необходимо иметь журнал контроля, в который заносятся результаты осмотра и измерений.
4.7.2 Обслуживание установок ЭХЗ в процессе эксплуатации должно осуществляться в соответствии с графиком технических осмотров и планово-предупредительных ремонтов. График технических осмотров и планово-предупредительных ремонтов должен включать определение видов и объемов осмотров и ремонтных работ, сроки их проведения, указания по организации учета и отчетности о выполненных работах.
Основное назначение работ - содержание установок ЭХЗ защиты в состоянии полной работоспособности, предупреждение их преждевременного износа и отказов в работе.
4.7.3 Технический осмотр включает:
- осмотр всех элементов установки с целью выявления внешних дефектов, проверку плотности контактов, исправности монтажа, отсутствия механических повреждений отдельных элементов, отсутствия подгаров и следов перегревов, отсутствия раскопок на трассе дренажных кабелей и анодных заземлений;
- проверку исправности предохранителей;
- очистку корпуса дренажного и катодного преобразователя, блока совместной защиты снаружи и внутри;
- измерение тока и напряжения на выходе преобразователя или между гальваническим анодом (протектором) и трубой;
- измерение поляризационного или суммарного потенциала трубопровода в точке подключения установки;
- производство записи в журнале установки о результатах выполненной работы.
4.7.4 Текущий ремонт включает:
- все работы по техническому осмотру;
- измерение сопротивления изоляции питающих кабелей;
- одну или две из указанных ниже работ по ремонту: линий питания (до 20% протяженности), выпрямительного блока, блока управления, измерительного блока, корпуса установки и узлов крепления, дренажного кабеля (до 20% протяженности), контактного устройства контура анодного заземления, контура анодного заземления (в объеме менее 20%).
4.7.5 Капитальный ремонт включает:
- все работы по техническому осмотру;
- более двух ремонтных работ, перечисленных в пункте 4.7.4, либо ремонт в объеме более 20% - линии питания, дренажного кабеля, контура анодного заземления.
4.7.6 Внеплановый ремонт - вид ремонта, вызванный отказом в работе оборудования и не предусмотренный годовым планом ремонта.
Отказ в работе оборудования должен быть зафиксирован аварийным актом, в котором указываются причины аварии и подлежащие устранению дефекты.
4.7.7 Рекомендуемые сроки проведения технических осмотров и планово-предупредительных ремонтов:
- технический осмотр - 2 раза в месяц для катодных, 4 раза в месяц - для дренажных установок и 1 раз в 6 месяцев - для установок гальванической защиты (при отсутствии средств телемеханического контроля). При наличии средств телемеханического контроля сроки проведения технических осмотров устанавливаются руководством эксплуатационной организации с учетом данных о надежности устройств телемеханики;
- текущий ремонт - 1 раз в год;
- капитальный ремонт - в зависимости от условий эксплуатации (ориентировочно 1 раз в 5 лет).
4.7.8 С целью оперативного выполнения внеплановых ремонтов и сокращения перерывов в работе ЭХЗ в организациях, эксплуатирующих устройства ЭХЗ, целесообразно иметь резервный фонд преобразователей для катодной и дренажной защиты из расчета 1 резервный преобразователь на 10 действующих.
4.7.9 При проверке параметров электродренажной защиты измеряют дренажный ток, устанавливают отсутствие тока в цепи дренажа при перемене полярности трубопровода относительно рельсов, определяют порог срабатывания дренажа (при наличии реле в цепи дренажа или цепи управления), а также сопротивление в цепи электродренажа.
4.7.10 При проверке параметров работы катодной станции измеряют ток катодной защиты, напряжение на выходных клеммах катодной станции и потенциал трубопровода на контактном устройстве.
4.7.11 При проверке параметров установки гальванической защиты измеряют:
1) силу тока в цепи гальванический анод (ГА) - защищаемое сооружение;
2) разность потенциалов между ГА и трубой;
3) потенциал трубопровода в точке присоединения ГА при подключенном ГА.
4.7.12 Эффективность ЭХЗ проверяют не реже, чем 2 раза в год (с интервалом не менее 4 месяцев), а также при изменении параметров работы установок ЭХЗ и при изменениях коррозионных условий, связанных с:
- прокладкой новых подземных сооружений;
- изменением конфигурации газовой и рельсовой сети в зоне действия защиты;
- установкой ЭХЗ на смежных коммуникациях.
4.7.13 Контроль эффективности ЭХЗ подземных стальных трубопроводов производится по поляризационному потенциалу или при отсутствии возможности его измерений - по суммарному потенциалу трубопровода в точке подключения установки ЭХЗ и на границах создаваемых ею зон защиты. Для подключения к трубопроводу могут быть использованы контрольно-измерительные пункты, вводы в здания и другие элементы трубопровода, доступные для производства измерений. На трубопроводе до места присоединения не должно быть фланцевых или электроизолирующих соединений, если на них не установлены электрические перемычки.
4.7.14 Поляризационный потенциал стальных трубопроводов измеряют на стационарных КИПах, оборудованных медносульфатным электродом сравнения длительного действия с датчиком потенциала - вспомогательным электродом (ВЭ, рис.4.7.1), или на нестационарных КИПах с помощью переносного медносульфатного электрода сравнения с датчиком потенциала - вспомогательным электродом (ВЭ, рис.4.7.2).

Рис.4.7.1 Схема измерения поляризационного потенциала на стационарных КИПах
1 - трубопровод; 2 - контрольные проводники; 3 - прибор типа 43313.1; 4 - стационарный медносульфатный электрод сравнения; 5 - датчик потенциала.
Примечание:
При использовании прибора типа ПКИ-02 проводник от трубопровода присоединяют к соответствующей клемме прибора.

Рис.4.7.2 Схема измерения поляризационного потенциала на нестационарных КИПах
1 - трубопровод; 2 - датчик потенциала; 3 - переносный медносульфатный электрод сравнения; 4 - прибор типа 43313.1
Примечание:
При использовании прибора типа ПКИ-02 проводник от трубопровода присоединяют к соответствующей клемме прибора.
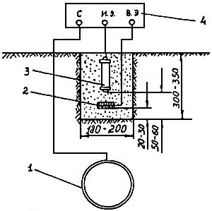
4.7.15 Для измерений поляризационного потенциала на нестационарных КИПах используют ВЭ и переносной медносульфатный электрод сравнения, устанавливаемые на время измерений в специальном шурфе.
Подготовку шурфа и установку ВЭ производят в следующем порядке:
В намеченном пункте измерений (где имеется возможность подключения к трубопроводу) с помощью трассоискателя или по привязкам на плане трассы трубопровода определяют месторасположение трубопровода.
Над трубопроводом или в максимальном приближении к нему в месте отсутствия дорожного покрытия делают шурф глубиной 300-350 мм и диаметром 180-200 мм.
Датчик (ВЭ) и переносной электрод сравнения следует устанавливать на расстоянии не менее 3h от трубок гидравлических затворов, конденсатосборников и контрольных трубок (h - расстояние от поверхности земли до верхней образующей трубопровода).
Перед установкой в грунт ВЭ зачищают шкуркой шлифовальной (ГОСТ 6456-82) зернистостью 40 и меньше и насухо протирают. Предварительно из взятой со дна шурфа части грунта, контактирующего с ВЭ, должны быть удалены твердые включения размером более 3 мм. На выровненное дно шурфа насыпают слой грунта толщиной 30 мм. Затем укладывают ВЭ рабочей поверхностью вниз и засыпают его грунтом до отметки 60-80 мм от дна шурфа. Грунт над ВЭ утрамбовывают с усилием 3-4 кг на площадь ВЭ. Сверху устанавливают переносной электрод сравнения и засыпают грунтом. Переносной электрод сравнения перед установкой подготавливают по п.4.2.12. При наличии атмосферных осадков предусматривают меры против увлажнения грунта и попадания влаги в шурф.
4.7.16 Для измерения поляризационного потенциала используют приборы с прерывателем тока (например, типа 43313.1 или ПКИ-02).
Прерыватель тока обеспечивает попеременное подключение ВЭ к трубопроводу и к измерительной цепи.
Измерения на стационарных и нестационарных КИПах производят следующим образом. К соответствующим клеммам приборов (рис.4.7.1 и 4.7.2) присоединяют контрольные проводники от трубопровода, ВЭ и электрода сравнения; включают прибор. Через 10 мин после включения прибора измеряют потенциалы с записью результатов через каждые 10 с или при использовании прибора ПКИ-02 - с хранением в памяти прибора. Продолжительность измерений при отсутствии блуждающих токов не менее 10 мин. При наличии блуждающих токов продолжительность измерений принимается в соответствии с рекомендациями, изложенными в п.4.2.13.
Результаты измерений заносят в протокол (Приложение Ц).
Примечания:
1. Продолжительность измерений потенциала трубопровода в точке подключения установки защиты при ее техническом осмотре (см. п.4.7.3) может составлять 5 мин.
2. Если на стационарном КИПе ВЭ постоянно подключен к катодно поляризуемому трубопроводу, то измерения поляризационного потенциала начинаются непосредственно после подключения прибора.
4.7.17 Среднее значение поляризационного потенциала Еср, В, вычисляют по формуле:
,
где SEi - сумма измеренных n значений поляризационных потенциалов (В) за весь период измерений;
n - общее число измерений.
4.7.18 По окончании измерительных работ на нестационарном КИП и извлечения из шурфа электрода сравнения и ВЭ шурф засыпают грунтом. В целях обеспечения возможности повторных измерений в данной точке на плане прокладки трубопровода делают привязку пункта измерений.
4.7.19 Для определения эффективности ЭХЗ по суммарному потенциалу (включающему поляризационную и омическую составляющие) используют приборы типа ЭВ 2234, 43313.1, ПКИ-02. Переносные электроды сравнения устанавливают на поверхности земли на минимально возможном расстоянии (в плане) от трубопровода, в том числе на дне колодца. Режим измерений - по п.4.7.15.
4.7.20 Среднее значение суммарного потенциала Uср (В) вычисляют по формуле:
,
где SUi - сумма значений суммарного потенциала, n - общее число отсчетов.
Результаты измерений заносятся в сводный журнал (Приложение Ц), а также могут фиксироваться на картах-схемах подземных трубопроводов.
4.7.21 При защите по смягченному критерию защищенности минимальный (по абсолютной величине) защитный поляризационный потенциал определяется по формуле:
Емин = Ест – 0,10 В,
где Ест - стационарный потенциал вспомогательного электрода (датчика потенциала).
Поляризационный потенциал измеряют в соответствии с п.4.7.15.
Для определения Ест датчика (ВЭ) датчик отключают от трубы и через 10 мин после отключения измеряют его потенциал Е. Если измеренный потенциал отрицательнее - 0,55 В, то это значение принимается за Ест. Если измеренный потенциал по абсолютной величине равен или меньше 0,55 В, то принимается Ест = -0,55 В. Значения Ест (измеренное и принятое) заносятся в протокол (Приложение Ц).
4.7.22 При обнаружении неэффективной работы установок катодной или дренажной защиты (сокращены зоны их действия, потенциалы отличаются от допустимых защитных) необходимо произвести регулирование режима работы установок ЭХЗ.
Если потенциал трубопровода на участке подключения гальванического анода (ГА) окажется меньше (по абсолютному значению) проектного или минимального защитного потенциала, необходимо проверить исправность соединительного провода между ГА и трубопроводом, мест припайки его к трубопроводу и ГА. Если соединительный провод и места припайки его окажутся исправными, а потенциал по абсолютному значению не увеличивается, то делают шурф на глубину закопки ГА для его осмотра и проверки наличия вокруг него засыпки (активатора).
4.7.23 Сопротивление растеканию тока анодного заземления следует измерять во всех случаях, когда режим работы катодной станции резко меняется, но не реже 1 раза в год.
Сопротивление растеканию тока анодного заземления определяют как частное от деления напряжения на выходе катодной установки на ее выходной ток или с помощью прибора М-416 и стальных электродов по схеме на рис.4.7.3.

Рис.4.7.3 Измерение сопротивления растеканию тока анодного заземления
1 - анодные заземлители; 2 - контрольно-измерительный пункт; 3 - измерительный прибор;
4 - измерительный электрод; 5 - питающий электрод; 6 - дренажный провод.
При длине анодного заземлителя lа. з питающий электрод относят на расстояние b ³ 3 lа. з, измерительный электрод - на расстояние a ³ 2 lа. з
4.7.24 Сопротивление защитного заземления электроустановок измеряют не реже 1 раза в год. Схема измерения сопротивления растеканию тока защитного заземления приведена на рис.4.7.3. Измерения следует производить в наиболее сухое время года.
4.7.25 Исправность электроизолирующих соединений проверяют не реже 1 раза в год. Для этой цели используют специальные сертифицированные индикаторы качества электроизолирующих соединений.
При отсутствии таких индикаторов измеряют падение напряжения на электроизолирующем соединении или синхронно потенциалы трубы по обеим сторонам электроизолирующего соединения. Измерение проводят при помощи двух милливольтметров. При исправном электроизолирующем соединении синхронное измерение показывает скачок потенциала.
В случае применения изолирующих вставок ЗАО "Экогаз" (г. Владимир), имеющих металлическую муфту, изолированную с обеих сторон от трубопровода, проверить их исправность можно определением сопротивлений муфты относительно каждой из сторон трубопровода с помощью мегомметра напряжением до 500 В. Сопротивление должно быть не менее 200 кОм.
Результаты проверки оформляют протоколами согласно
4.7.26 Если на действующей установке ЭХЗ в течение года наблюдалось 6 и более отказов в работе преобразователя, последний подлежит замене. Для определения возможности дальнейшего использования преобразователя необходимо провести его испытание в объеме, предусмотренном требованиями предустановочного контроля.
4.7.27 В случае если за время эксплуатации установки ЭХЗ общее количество отказов в ее работе превысит 12, необходимо провести обследование технического состояния трубопровода по всей длине защитной зоны.
4.7.28 Организации, осуществляющие эксплуатацию устройств ЭХЗ, должны ежегодно составлять отчет об отказах в их работе.
4.7.29 Суммарная продолжительность перерывов в работе установок ЭХЗ не должна превышать 14 суток в течение года.
В тех случаях, когда в зоне действия вышедшей из строя установки ЭХЗ защитный потенциал трубопровода обеспечивается соседними установками ЭХЗ (перекрывание зон защиты), то срок устранения неисправности определяется руководством эксплуатационной организации.
4.8 ЭКСПЛУАТАЦИОННЫЙ КОНТРОЛЬ СОСТОЯНИЯ ИЗОЛЯЦИИ И ОПАСНОСТИ КОРРОЗИИ ТРУБОПРОВОДОВ
4.8.1 Во всех шурфах, отрываемых при ремонте, реконструкции и ликвидации дефектов изоляции или коррозионных повреждений трубопровода, должны определяться коррозионное состояние металла и качество изоляционного покрытия.
4.8.2 При обнаружении коррозионного повреждения на действующем трубопроводе проводится обследование с целью выявления причины коррозии и разработки противокоррозионных мероприятий.
Форма акта обследования утверждается руководителем хозяйства, эксплуатирующего данный трубопровод.
В акте должны быть отражены:
- год ввода в эксплуатацию данного участка трубопровода, диаметр трубопровода, толщина стенки, глубина укладки;
- тип и материал изоляционного покрытия;
- состояние покрытия (наличие повреждений);
- толщина, переходное сопротивление, адгезия покрытия;
- коррозионная агрессивность грунта;
- наличие опасного действия блуждающих токов;
- сведения о дате включения защиты и данные об имевших место отключениях ЭХЗ;
- данные измерения поляризационного потенциала трубы и потенциала трубы при выключенной защите;
- состояние наружной поверхности трубы вблизи места повреждения, наличие и характер продуктов коррозии, количество и размеры повреждений и их расположение по периметру трубы.
При обнаружении высокой коррозионной агрессивности грунта или опасного действия блуждающих токов при шурфовом обследовании следует дополнительно определить коррозионную агрессивность грунта и наличие опасного действия блуждающих токов на расстоянии около 50 м по обе стороны от места повреждения по трассе трубопровода.
В заключении должна быть указана причина коррозии и предложены противокоррозионные мероприятия.
Возможная форма акта приведена в
4.8.3 Определение опасного действия блуждающих токов (по пп.4.2.16-4.2.24) на участках трубопроводов, ранее не требовавших ЭХЗ, проводится 1 раз в 2 года, а также при каждом изменении коррозионных условий.
4.8.4 Оценка коррозионной агрессивности грунтов (по п. п.4.2.1-4.2.8) по трассе трубопроводов, ранее не требовавших ЭХЗ, проводится 1 раз в 5 лет, а также при каждом изменении коррозионных условий.
4.8.5 На участках трубопровода, где произошло коррозионное повреждение, после его ликвидации целесообразно предусмотреть установку индикаторов коррозии (п.4.3.11 и Приложение О).
|
Из за большого объема этот материал размещен на нескольких страницах:
1 2 3 |



