МОСКОВСКИЙ ГОСУДАРСТВЕННЫЙ
ТЕХНИЧЕСКИЙ УНИВЕРСИТЕТ
ГРАЖДАНСКОЙ АВИАЦИИ
_____________________________________________________________
ЖИДКОСТНО-ГАЗОВЫЕ СИСТЕМЫ
ТРАНСПОРТНЫХ ВОЗДУШНЫХ СУДОВ
Часть 1
пособие для студентов 4 и 5 курсов
специальности 160901
дневного и заочного обучения
Москва-2007
ФЕДЕРАЛЬНОЕ АГЕНТСТВО ВОЗДУШНОГО ТРАНСПОРТА
ФЕДЕРАЛЬНОЕ ГОСУДАНСТВЕННОЕ ОБРАЗОВАТЕЛЬНОЕ
УЧЕРЕЖДЕНИЕ ВЫСШЕГО ПРОФЕССИОНАЛЬНОГО ОБРАЗОВАНИЯ
«МОСКОВСКИЙ ГОСУДАРСТВЕННЫЙ
ТЕХНИЧЕСКИЙ УНИВЕРСИТЕТ
ГРАЖДАНСКОЙ АВИАЦИИ»
Кафедра аэродинамики, конструкции
и прочности летательных аппаратов
ЖИДКОСТНО-ГАЗОВЫЕ СИСТЕМЫ
ТРАНСПОРТНЫХ ВОЗДУШНЫХ СУДОВ
Часть 1
пособие для студентов 4 и 5 курсов
специальности 160901
дневного и заочного обучения
Москва - 2007
Данное пособие по курсу “Гидромеханические системы” издается в соответствии с учебной программой для студентов VI и V курсов специальности 160901 всех форм обучения.
Рассмотрено и одобрено на заседаниях кафедры 27.02.07 и методического совета 13.03.07.
Введение
Цикл гидравлики и жидкостно-газовых систем летательных аппаратов (ЛА) состоит из трёх частей: 1) гидравлики, 2) устройств жидкостно-газовых систем (ЖГС), т. е. их элементов, и 3) жидкостно-газовых систем ЛА.
Первые две части уже были рассмотрены в курсе «Гидравлика». Эта работа посвящается рассмотрению самих жидкостно-газовых систем.
Интенсивное развитие авиации вызвало необходимость создания различных функциональных систем на летательном аппарате. Рост взлётной массы и скоростей полёта привёл к невозможности управления ЛА физической силой экипажа, что потребовало привлечения энергии внешних источников. Это необходимо было сделать ещё и в связи с большим увеличением потребителей и процессов, которыми нужно управлять в полёте, при взлёте и посадке, осуществлении автоматизации и проведении погрузочно-разгрузочных работ.
К жидкостно-газовым системам относятся гидравлические, топливные системы, системы кондиционирования воздуха и регулирования давления в гермокабине самолёта, а также противопожарные и противообледенительные системы. Их объединяет рабочее тело – жидкость или газ, физические процессы, протекающие в них, и описывающий их математический аппарат, что было рассмотрено в курсе гидравлики.
Наибольшее число функций на ЛА выполняют гидравлические системы.
Глава 1. Гидравлические системы.
Раздел 1. Общие вопросы.
§1.Анализ энергетических систем
Во время проектирования ЛА, решения проблемы механизации и автоматизации возникает задача выбора вида энергии внешних источников и создания системы, приводящей в движение исполнительные механизмы.
По источникам энергии системы могут быть: 1)механическими, работающими, например, от силовой установки ЛА, 2)электрическими, работающими от бортовой сети, 3)пневматическими, работающими от баллонов сжатого воздуха или имеющими пневмотурбину, вращающуюся от сжатого воздуха, отбираемого от системы кондиционирования воздуха (компрессора двигателя), 4)с ветродвигателями, работающими от скоростного напора набегающего наружного воздуха. На ракетах системы могут работать на горячем газе (пиротехнические) или на компонентах ракетного топлива.
Наибольшее распространение получил механический привод от двигателя (шестерённый редуктор), вращающий входной вал насоса, находящегося на силовой установке ЛА и создающего на выходе энергию давления жидкости, что является источником энергии гидравлической системы.
Чисто механическая система в настоящее время используется на легких дозвуковых самолетах. Она находит применение как аварийная в системе управления, с помощью которой пилот может управлять полетом в случае отказа гидравлического привода, т. е. устройства, непосредственно приводящего в движение исполнительный механизм – рулевые поверхности.
Если на летательном аппарате имеется один тип систем, то уменьшается его вес, стоимость системы и упрощается эксплуатация, но для обеспечения надёжности и безопасности полётов на ЛА применяется несколько типов систем.
В основном, система может быть гидравлической, электрической и пневматической. Выбор типа используемой энергии помогает сделать анализ характеристик этих трёх энергетических систем.
Электрические системы имеют самую большую скорость передачи информационного импульса 3·103 м/с; гидравлические 1·103 м/с (в настоящее время ведутся работы по внедрению элементов пневмоники, работающих на взаимодействующих струях, для управления распределительными устройствами гидравлических цилиндров, что значительно позволит увеличить их быстродействие).
Электрические системы удобны при монтаже и обслуживании, имеют достаточно большой общий КПД системы, но обладают и недостатками: 1) низкая удельная массовая отдача (т. е. у них велика масса, приходящаяся на единицу мощности); 2) большая инерционность (малое быстродействие, т. е. велико время выхода на режим, большое время остановки привода после отключения питания и малы предельные угловые скорости при разгоне); 3) недостаточная жёсткость системы, т. е. у них значительно падает скорость при увеличении нагрузки; 4) меньшая по сравнению с гидравлическими системами надёжность, силовая напряжённость (МПа) и точность позиционирования.
Электрические системы используются как системы малых мощностей (до 3,5 – 4 кВт), в системах, где не играют существенной роли инерционность и жесткость, как аварийные системы и для дистанционного управления другими системами.
Гидравлические системы лучше почти на порядок по массовой отдаче, обладают большим быстродействием, большей надежностью, жесткостью нагрузочной характеристики, точностью позиционирования и силовой напряженностью. К их недостаткам относят нестабильность характеристик рабочей жидкости при изменении температуры, достаточно быстрое старение резиновых уплотнений (5 лет), внутренние и внешние негерметичности, критичность к загрязнениям рабочего тела и необходимость фильтрации.
Гидравлические системы используются и будут использоваться как системы больших мощностей с большим быстродействием и малой инерционностью.
Газовые системы имеют хорошую массовую отдачу, пожаробезопасны, их характеристики рабочего тела мало меняются с изменением температуры, развивают большую разовую мощность, но из-за упругости воздуха имеют ударный характер работы в конце хода, запаздывание в передаче энергии и их поршень трудно фиксировать.
Газовые полости всегда сложнее герметизировать, чем гидравлические и в них образуется конденсат. Газовые системы используются как аварийные, как системы малых мощностей и на ракетах для разового кратковременного действия.
Как следствие изложенного, гидравлические системы доминируют на ЛА, они работают с электрическими управляющими устройствами и пневматическими аварийными системами.
С изменением уровня развития техники будут меняться и системы. В электрических системах происходят изменения с появлением новых магнитов из самария - кобальта, полупроводниковых коммуникаций и микропроцессорного управления.
Исследования показали, что с увеличением рабочих давлений (40-80 МПа) массы гидравлических систем уменьшаются, в результате чего разрабатываются системы, работающие на более высоком давлении и с использованием новых достижений электриков, перечисленных выше. Характеристики гидравлических систем могут быть также улучшены путём использования квадрантов вместо гидравлических цилиндров, внедрения переменного давления в зависимости от потребностей и т. п.
§2. Принцип действия гидравлической системы.
Определения.
Гидравлическая система объемного типа, т. е. в ней входной элемент – гидроцилиндр с поршнем 1 (рис. 1) связан с выходным гидроцилиндром с поршнем 2 перемещающимися внутри системы объёмами жидкости, в результате чего
h2=h1d12/d22.

Рис. 1
Здесь гидроцилиндр с поршнем 1 играет роль насоса, а гидроцилиндр с поршнем 2 исполнительного элемента (двигателя).
Как известно из курса гидравлики, давление за насосом
определяется величиной нагрузки и сопротивлением сети. Без учёта потерь энергии давления в сети
,
и
.
В случае несжимаемой жидкости объём W, вышедший из гидроцилиндра 1, перемещается в гидроцилиндр 2 и
;
.
Для вращательного движения выходного звена
рад/сек;
здесь q - удельный расход на один радиан поворота.
Как известно, мощность системы при этом будет равна ![]()
N=F2V2, N=МΩ и N=Q∆Р.
Гидравлическая система состоит из источников энергии, коммуникаций-трубопроводов с гидравлическими агрегатами (элементами систем, рассмотренными во
второй части курса гидравлики) и потребителей, т. е. исполнительных механизмов, непосредственно связанных с объектом управления. Система управляется или от сигналов пилота или автоматической системы управления полётом.
Обобщённо говоря, гидравлическая система состоит из блоков питания и функциональных подсистем. Блок питания содержит насосы и необходимые гидравлические агрегаты, что будет рассмотрено далее.
Функциональные подсистемы – это части системы, находящиеся за блоками питания и обслуживающие конкретные потребители. Начинаются подсистемы с клапана включения-отключения и заканчиваются исполнительным механизмом.
По характеру контакта рабочей жидкости в баке с газом или отсутствием такового, системы делятся на открытого типа, когда есть непосредственный контакт жидкости с воздухом, закрытого типа, когда контакта нет (боевые самолёты), и полузакрытого, когда объём над жидкостью в баке заполнен азотом. Примером такой системы может служить гидросистема самолёта Ту-144, находящаяся в сложных температурных условиях из-за аэродинамического нагрева. Системой полузакрытого типа является также система самолёта ТУ-204 по основной системе наддува. Азот снижает взрывоопасность системы и исключает контакт рабочей жидкости с воздухом, который может вызывать её деструкцию.
Гидравлические системы дозвуковых транспортных самолётов открытого типа, что даёт простоту конструкции системы наддува и снижение веса.
Гидросистема может быть централизованной, обслуживающей много потребителей, или автономной – обслуживающей один потребитель.
Гидросистемы могут быть основными, обслуживающими потребителей в нормальных условиях полёта, резервными, работающими как основная и имеющие возможность при необходимости подключаться к другим потребителям, и аварийными, работающими лишь в аварийных ситуациях.
Для обеспечения надёжности и безопасности полётов в условиях нормального полёта ряд гидросистем могут одновременно обслуживать однотипные резервные потребители. Такие гидросистемы называются кратными.
§3. Рабочие жидкости гидравлических систем.
Рабочими телами гидравлических систем являются жидкости. С развитием техники растут мощности, повышается температурный режим, ужесточаются условия эксплуатации и к жидкостям предъявляются всё большие требования. Они должны иметь:
1. вязкость, мало изменяющуюся с изменением температуры;
2. хорошие смазывающие свойства;
3. не изменяющуюся структуру при механических воздействиях и высоких температурах.
4. малую упругость насыщенных паров;
5. высокую температуру кипения и воспламенения.
На самолётах старшего поколения используется жидкость АМГ-10 (авиационная минеральная гидросмесь). С повышением требований к рабочим телам стали разрабатываться другие жидкости. На самолётах нового поколения теперь имеется жидкости НГЖ-4, НГЖ-5У (негорючая гидрожидкость), а для сверхзвукового самолёта Ту-144 с более высокими требованиями к жидкости была разработана жидкость 7-50С-3.
АМГ-10 представляет собой очищенную смесь лёгкой фракции нефти типа керосина с антиокислителем нафтолом и загустителем виниполом, добавляемым для увеличения вязкости и стабилизации её по температуре. Она окрашена органическим красителем в красный цвет для опознавания и выявления утечек.
Загуститель винипол, как и другие присадки, увеличивающие вязкость, имеет длинные углеводородные цепочки, которые разрушаются при многократном продавливании жидкости через малые зазоры, отверстия и значительном воздействии давления в парах трения. Из-за деструкции вязкость уменьшается и ухудшаются смазывающие свойства. В связи с этим была разработана жидкость АМГ-10Б, обладающая повышенной механической стабильностью.
Для работы с жидкостью АМГ-10 уплотнения должны быть выполнены из резины ИРП-1078. Если уплотнения будут сделаны из резины другой марки, то они будут её впитывать и разбухать.
Хранить жидкость АМГ-10 в заводской таре следует не более двух лет. При более длительном хранении из неё выпадают смолы.
Основные характеристики жидкости АМГ-10 представлены в таблице 1.
Таблица 1
![]()
|
Марка жидкости |
ρ г/см3 |
ν м2/с |
tо С |
Кислотное число КОН мг/г жидкости | ||||
|
-50оС |
40оС |
50оС |
100оС |
вспыш- ки |
засты- вания | |||
|
АМГ-10 |
0,93- 0,85 |
1113- 1389 |
- |
10,5- 11,3 |
4,4- 4,6 |
91- 105 |
-70 |
0,1 |
|
НГЖ-4 |
1,063 |
1664 |
- |
9,14 |
3,79 |
177 |
-70 |
0,02 |
|
7-50С-3 |
0,83- 0,94 |
1200- 1280 |
- |
10- 10,5 |
3,5- 4,0 |
182- 200 |
-70 |
0,1 |
|
Скайдрол 500А |
1,065 |
- |
11,5 |
- |
2,38 |
170 |
-65 |
- |
|
Скайдрол 500Б |
1,064 |
- |
11 |
- |
3,8 |
82 |
-62 |
- |
НГЖ-4 представляет собой смесь фосфорорганических эфиров с загустителем и специальной присадкой. Она фиолетового цвета, гигроскопична, имеет низкую гидролитическую стабильность, но не вызывает коррозии металлов и покрытий при содержании влаги до 0.5% массы. Медленно горит и гаснет при удалении пламени, т. е. пламя не распространяется. При контакте с воздухом возможна деструкция и частичный гидролиз компонентов с выделением спиртов и образовании кислых фосфорорганических эфиров, которые постепенно накапливаются в системе, поэтому желательно полости над свободной поверхностью в баке заполнять азотом. Характеристики НГЖ-4 представлены в таблице 1.
При работе с жидкостью НГЖ-4 уплотнения должны быть сделаны из резины марок ИРП-1375, ИРП-1376, ИРП-1377 и 51-1524НТА. Должны быть использованы специальные покрытия, эмали, клеи и пластмассы. Она агрессивна к оргстеклам и вызывают коррозию свинца, меди и фосфатного покрытия.
По степени токсичности НГЖ-4 относят ко второму классу, поэтому обслуживающий персонал должен быть в спецодежде.
В случае выброса жидкости следует включить вентиляцию и покинуть помещение; отсек с утечкой должен быть продут сжатым воздухом, а через 15-20 минут остатки рабочего тела необходимо убрать ветошью, поместить её затем в специальную закрытую металлическую тару. Если жидкость попала на кожу, её необходимо промыть с мылом или раствором специального порошка.
Заправку НГЖ-4 следует производить специальным заправщиком УПГ-300НГЖ.
Использовать УПГ-300, работающий с АМГ-10, нельзя. Аналогично нельзя использовать одноименный агрегат, работающий с АМГ-10, для работы с НГЖ-4, т. к. для работы с конкретной жидкостью используются специальные уплотнения и покрытия. Для того чтобы было известно, что агрегат предназначен для работы с НГЖ-4, рядом с его аббревиатурой и номером может стоять буква Н.
Гарантийный срок хранения НГЖ-4 – 5 лет.
В настоящее время используется новая модификация жидкости НГЖ-5У.
Полисилоксановая жидкость 7-50С-3 имеет ещё больший диапазон рабочих температур. Она желтого цвета; имеет также антиокислительные и противоизносные присадки, но не содержит загущивающей присадки, поэтому при эксплуатации её вязкость практически не меняется, она имеет малую упругость насыщенных паров и устойчива к окислению, но больше чем АМГ-10 растворяет воздух, легко гидролизуется и с повышением температуры у неё ухудшаются износные свойства. Её характеристики также представлены в таблице 1.
С 7-50С-3 не должны применяться медные, кадмиевые и фосфатные покрытия.
На международных авиалиниях гидросистемы наших самолетов до 50% объема гидросистемы могут заполняться зарубежными жидкостями. Аналогом нашей АМГ-10 является жидкость США MIL-H-5606B. Её показатели мало отличаются от показателей АМГ-10, но при положительных и отрицательных температурах она имеет несколько более высокую вязкость.
Аналогом НГЖ-4 является пурпурная жидкость Скайдрол 500А и фиолетовая 500В., имеющая антикавитационные присадки (см. их характеристики в таблице 1). Для самолетов Boеing на базе этих жидкостей разработана Айросейф 2300, отличающаяся большей стабильностью к механической деструкции.
Стоимость синтетических жидкостей на порядок выше жидкостей на минеральной основе.
§4. Фильтрация жидкости.
Одним из недостатков гидравлических систем является их критичность к загрязнениям. Зазор между гильзой и золотником и другими парами делается равным 2-4 микрон. Если между ними окажется загрязняющая частица, может произойти отказ, поэтому жидкость в системах тщательно фильтруется. Загрязнениями становятся продукты износа деталей элементов систем, продуктов окисления и других физико-химических процессов, происходящих в жидкости; попадают они и извне, в том числе при замене агрегатов, подсоединении наземного источника УПГ-300 и т. п.
В процессе эксплуатации уровень загрязненности сначала растет, а затем стабилизируется.
Вопросы фильтрации были рассмотрены в курсе гидравлики. По мере наработки фильтры засоряются, перепад на фильтрующем элементе возрастает, что может привести к разрушению сетки фильтра и отфильтрованные загрязнения при этом поступают в систему, поэтому, как отмечалось ранее, фильтры снабжаются перепускными клапанами, срабатывающими при увеличении перепада давления на фильтрующем элементе. На самолетах нового поколения, при увеличении перепада давления на фильтре срабатывает сигнализатор и на панели гидросистемы загорается табло «Фильтр засорен».
В гидравлических системах фильтры устанавливаются в магистрали нагнетания за насосами, перед приводами системы, в самих приводах и в линии слива перед входом в бак. В линии всасывания фильтры не устанавливаются, т. к. они понизили бы и без того достаточно низкое давление в этой магистрали, для компенсации чего, т. е. для того, чтобы не было кавитации, необходимо было бы повысить давление наддува баков, что привело бы к увеличению прочности и веса. В линии наддува баков устанавливаются воздушные фильтры.
Имеются сетки и в баке на входе в трубопровод всасывания и на заливной горловине. Заправка жидкости в бак должна производиться от наземной установки УПГ-300, имеющей свои фильтры.
Заправка через заливную горловину является нежелательной, поэтому если она имеет место, это отмечается в бортовом журнале.
Фильтры могут также устанавливаться в линии заправки от УПГ-300, т. е. в линии от бортовых клапанов разъема, к которым подсоединяется наземная установка, до бака.
Фильтр считается фильтром грубой очистки, если он задерживает частицы размером свыше 10 мкм, и считается фильтром тонкой очистки, если размеры их меньше 10 мкм.
Вопросы для самопроверки:
1. Какие преимущества и недостатки имеются у гидравлических систем? В качестве каких систем используются гидравлические системы?
2. Какие преимущества и недостатки имеются у электрических систем? В качестве каких систем они используются?
3. Какие существуют недостатки у пневматических систем? В качестве каких систем они используются?
4. Что представляет собой принцип действия объёмного привода?
5. Что такое системы закрытого, открытого, и полузакрытого типа?
6. Что представляют собой системы централизованные, автономные, резервные и кратные?
7. Что обуславливает создание новых рабочих жидкостей?
8. Какие требования предъявляются к рабочим жидкостям?
9. Что представляют собой жидкости АМГ-10,НГЖ-4(5У),
7-50С-3?
10. Какие существуют зарубежные аналоги отечественных рабочих жидкостей?
11. Можно ли в случае необходимости дозаправить гидравлические системы отечественных самолётов зарубежными гидравлическими жидкостями?
12. Что является источником загрязнений рабочих жидкостей гидравлических систем?
13. Увеличивается ли чистота рабочей жидкости за фильтром при увеличении времени его работы?
14. Что происходит в фильтре и гидравлической системе при достижении предельной степени засорения фильтра?
15. Какие фильтры считаются фильтрами грубой и тонкой очистки?
Раздел 2. Проектирование гидравлических систем. Схемное построение.
Определение параметров.
§1. Проектирование гидравлических систем.
Нормы летной годности
Гидравлические системы современных самолетов имеют много потребителей. Они должны обладать большой надежностью и малой массой, поэтому их проектирование представляет собой весьма сложную задачу.
Вначале конструкторские организации получают от заказчиков технологические требования на л. а., в которых содержаться требования:
1) по надежности, обеспечивающей нужный уровень безотказности;
2) функциональные с потребными мощностями по каждому потребителю;
3) минимально массовые, объемные;
4) применение стандартных агрегатов, давлений, расходов;
5) эксплуатационной технологичности;
6) минимальной стоимости и т. п.
На этом этапе определяются потребители системы, т. е. функциональные подсистемы, входящие в гидравлическую систему.
Создание ведется с учетом требований ограничительной документации, к которой прежде всего относятся Авиационные правила, часть 25 (нормы летной годности самолетов транспортной категории), раздел А-О - общие требования летной годности самолета при отказах функциональных систем.
В них даны определения функционального отказа, особых ситуаций и вероятности их возникновения.
«2.1. Под отказным состоянием понимается неработоспособное состояние системы в целом, характеризуемое конкретным нарушением ее функций независимо от причин, вызывающих эти состояния. Отказное состояние определяется на уровне каждой системы через последствия, оказываемые на функционирование этой системы. Оно характеризуется влиянием на другие системы и на самолет в целом.
2.9. Особая ситуация – ситуация, возникающая в полете в результате воздействия неблагоприятных факторов или их сочетаний и приводящая к снижению безопасности полета. Особые ситуации классифицируются с использованием следующих критериев:
а) ухудшение летных характеристик, характеристик устойчивости и управляемости, прочности и работы систем;
б) увеличение рабочей (психофизической) нагрузки на экипаж сверх нормального требуемого уровня;
в) дискомфорт, травмирование или гибель находящихся на борту людей.
2.9.1. Катастрофическая ситуация – особая ситуация, для которой принимается, что при её возникновении предотвращение гибели людей оказывается практически невозможным.
2.9.2. Аварийная ситуация – особая ситуация, характеризующаяся:
а) значительным ухудшением характеристик и/или достижением (превышением) предельных ограничений или;
б) физическим утомлением или такой рабочей нагрузкой экипажа, что уже нельзя полагаться на то, что он выполняет свои задачи точно или полностью.
2.9.3. Сложная ситуация – особая ситуация, характеризующаяся:
а) заметным ухудшением характеристик и/или выходом одного или нескольких параметров за эксплуатационные ограничения, но без достижения предельных ограничений, или
б) уменьшением способности экипажа справляться с неблагоприятными условиями как из-за увеличения рабочей нагрузки, так и из-за условий, понижающих эффективность действий экипажа.
2.5.4 Усложнение условий полета:
а) незначительное ухудшение характеристик или
б) незначительное увеличение рабочей нагрузки на экипаж, например изменение плана полета.
3. Вероятности возникновения особых ситуаций
3.3. Самолет должен быть спроектирован и построен таким образом, чтобы в ожидаемых условиях эксплуатации при действии экипажа в соответствии с руководством по летной годности:
3.3.1.Каждое отказное состояние, приводящее к возникновению катастрофической ситуации, оценивалось как практически невероятное, а суммарная вероятность возникновения катастрофической ситуации, вызванной отказными состояниями, для самолета в целом не превышала 10-7 на час полета.
3.3.2. Суммарная вероятность возникновения аварийной ситуации вызванной отказными состояниями для самолета в целом не превышала 10-6 на час полета: при этом рекомендуется, чтобы любое отказное состояние, приводящее к аварийной ситуации, оценивалось как событие не более частое, чем крайне маловероятное (его вероятность возникновения 10-7 – 10-9 на час полета).
3.3.3. Суммарная вероятность возникновения сложной ситуации, вызванная отказными состояниями, для самолета в целом не превышала 10-4 на час полета, при этом не рекомендуется, чтобы любое отказное состояние, приводящее к сложенной ситуации, оценивалось, как событие не более частое, чем маловероятное (его вероятность отказа 10-5 – 10-7 на час полета).
4.7.1. Для доказательства соответствия самолета требованиям 3.3.2. должно быть дополнительно выполнено: отказное состояние возникает в результате сочетания двух и более независимых последовательных отказов».
Данные по вероятностям ситуаций нужны для расчета структуры системы.
На первом этапе проектирования должна быть разработана структурная схема гидросистемы, т. е. определено:
1) число блоков питания;
2) размещение насосов на двигателях;
3) число функциональных подсистем;
4) кратность резервирования приводов в каждом канале с учетом секционирования поверхностей управления.
Для этого, прежде всего, необходимо разбить все функциональные подсистемы потребителей на группы по последствиям их отказов. В первую группу должны войти подсистемы, отказ которых приводит к катастрофической ситуации. Сюда входят подсистемы управления рулями высоты, направления и элеронами.
Ко второй группе относят подсистемы, отказ которых приводит к аварийной ситуации. Это подсистема управления шасси (выпуска, т. к. в случае, если шасси не убирается, изменяется план полета – самолет возвращается на аэродром взлета и эта ситуация представляет собой усложнение условий полета), тормозов колес и элементов механизации крыла (выпуск аналогично).
К третьей группе относятся системы, отказ которых приводит к сложной ситуации. Это системы поворота колес передней стойки и воздушных тормозов (подсистема поворота может быть отнесена ко второй группе).
В последней, четвёртой группе находятся системы стеклоочистителей, трапов и т. п.
К первой группе относится система управления. Для неё применяется нагруженный резерв, т. е. все функциональные подсистемы, каждый со своим блоком питания, должны работать одновременно и все они подключены к одному потребителю.
Подсистемы второй группы имеют ненагруженный резерв, т. е. сначала их работа осуществляется от основной системы питания, а в случае ее отказа в работу включается резервная система питания (при этом может каким-то образом меняться и вид самой функциональной подсистемы).
Функциональные системы четвертой и частично третьей групп могут не резервироваться.
§2. Создание схемы гидравлической системы с помощью теории надежности.
Наиболее обоснованным путём построения схемы системы является создание математической модели, связывающей данные по надежности базовых элементов с требуемыми уровнями надежности каждой функциональной подсистемы.
При проектировании Л. А. становятся понятным какие потребители должны быть у функциональных подсистем. Если их мощность более 4 кВт, к ним предъявляются высокие требования по быстродействию, жёсткости нагрузочной характеристики, надежности, массовой отдаче и точности позиционирования, то они становятся потребителями гидравлических систем, что отражается в функциональных требованиях, предъявляемых заказчиком конструкторской организации, создающей гидравлическую систему.
В курсе гидравлики рассматривались автоматы разгрузки насосов и в лаборатории исследовался характер работы насоса постоянной подачи с автоматом разгрузки, из чего было видно, что если давление в системе становится равным максимально заданному, автомат разгрузки переключает насос на режим холостого хода т. е. вся его подача направляется в линию слива и в бак. При этом аккумулятор, находящийся в системе за насосом и обратным клапаном автомата, разряжается и давление в системе падает. Если оно станет равным минимально заданному, автомат разгрузки всю подачу насоса направляет в систему, перекрыв линию, соединяющую насос с баком. При этом давление в системе будет повышаться, аккумулятор заряжаться до достижения максимально заданного давления и т. д. Таким образом давление в системе будет пульсировать, что весьма нежелательно с точки зрения надежности, особенно если среди потребителей имеется система управления, отказ которой может привести к катастрофической ситуации.
В блоке питания с насосом переменной подачи должна иметься линия для охлаждения насоса в период, когда не работают потребители. Она состоит из дросселей, трубопроводов, по которым жидкость двигается в холодильник, а затем в линию слива. При этом будет затрачиваться мощность NНП = Q∆Р, пропорциональная сопротивлению (∆Р) линии охлаждения. В случае насоса постоянной подачи в режиме холостого хода вся жидкость из насоса двигается в трубопровод слива. Сопротивление этой линии мало, следовательно, невелика мощность, потребляемая в этот момент и она меньше NНП насоса переменной подачи. Соответственно этому, если есть в системе эпизодически действующие потребители, желательно использовать насос постоянной подачи с автоматом разгрузки, т. к. блок будет работать большую часть полета в режиме холостого хода, что соответствует небольшой потребляемой мощности и в несколько раз увеличивает ресурс насоса.
Поэтому если среди потребителей имеется система с исполнительными агрегатами, действующими непрерывно в полете, т. е. есть система управления, предпочтительно в блоке питания гидравлической системы применение насосов переменной подачи. А если в системе имеется лишь эпизодически действующие потребители, т. е. нет системы управления, то в блоке питания системы может быть насос постоянной подачи.
Таким образом на первом этапе проектирования известен тип насоса блоков питания, а следовательно, в основном, известен состав его элементов. Далее будут рассмотрены функциональные подсистемы и их типовой состав, т. е. на этом этапе уже, в основном, ясен и состав элементарной базы функциональных подсистем.
Обычно используются базовые элементы, из опыта эксплуатации которых находятся вероятности их безотказной работы. Если заказываются новые агрегаты, то, как правило, у них есть прототипы, для которых имеются данные по наработкам на отказ и на первом этапе можно их использовать.
Зная в первом приближении состав элементов блоков питания, функциональных подсистем, характеристики надежности их элементарной базы, вероятности возникновения особых ситуаций, рассматривая гидравлическую систему как совокупность последовательных и параллельных соединений и используя методы расчета структурной надежности, можно получить искомые кратности резервирования с учетом секционирования и расположения насосов на двигателях. Однако ввиду сложности системы и большого числа накладываемых ограничений задача получается сложной. Кроме того, используемые методы теории надежности справедливы при ряде допущений, что позволяет их использовать лишь на ранних стадиях синтеза структуры гидравлической системы.
Поэтому в проектных организациях предпочитают поэтапный метод создания системы, при котором используется анализ материалов по эксплуатирующимся самолетам.
§3. Поэтапное проектирование гидравлической системы
В начале производится согласование технического задания. Здесь задается перечень функциональных подсистем. Они разбиваются на группы по наиболее вероятным последствиям отказов. Затем на основе анализа эксплуатируемых систем выбирается схема гидросистемы, анализируются схемы размещения насосов блоков питания на двигателях, варианты размещения гидравлических приводов на секционированных поверхностях.
Область конструкторских решений в значительной мере сужается при задании в технических требованиях допустимого числа отказов в полете. Для транспортных самолетов для двух допустимых отказов должны рассматриваться варианты с тремя или четырьмя системами. После выбора схемы проводят расчетный анализ надежности и обосновывается выбор аварийных источников питания.
Затем определяют необходимые мощности, выбирают рабочую жидкость, рабочее давление, подачи блоков питания, проводятся расчеты: гидравлический (определяются потери и рекомендуются диаметры труб), тепловых режимов (определяются мощности агрегатов охлаждения жидкости) и геометрических данных приводов; определяются вместимость баков и масса системы.
На следующем этапе создается принципиальная схема из базовых агрегатов и если нужно, заказываются новые элементы. Обычно рассматриваются несколько вариантов и из них выбирают.
§4 Определение параметров гидравлической системы
Из параметров прежде всего определяется мощность источников питания, которая должна быть достаточной для обеспечения всех одновременно работающих подсистем.
На рис. 2 представлена диаграмма потребных мощностей по всем функциональным подсистемам для тяжелых дозвуковых самолетов с бустерным управлением на всех этапах полета.

Рис. 2
На рис. 3 представлена диаграмма мощностей по всем функциональным системам потребителей для тяжелого дозвукового самолета с ручным управлением, а на рис. 4 графики потребных и располагаемых расходов (мощностей, т. к. N = Q∆Р) в одной из гидросистем тяжелого дозвукового самолёта.

Рис.3
Мощность может быть выбрана на основании обобщения статистических материалов. На рис. 5 представлена диаграмма отношений потребных мощностей всех основных функциональных систем к взлетной массе самолета.
Общая мощность NΣ основных и аварийных блоков питания системы без рулевых приводов находятся в интервале
![]()
m![]()
NΣ![]()
7,1m
(здесь mвзл – взлетная масса).![]()
Для системы с рулевыми приводами
0,192m![]()
NΣ![]()
m
Мощность аварийной насосной станции Nанс удовлетворяет соотношению 0,75N![]()
N![]()
0,4N
, ![]()
здесь Nбп – мощность блока питания.![]()

Рис.4
В настоящее время стандартным давлением является 21 МПа. Объем баков для систем с рулевыми приводами:
Wб=6,35Q
,
здесь Qн – подача насоса.
Для систем самолетов с ручным управлением:
0,45Q![]()
Wб
1,7Qн .
Диаметр трубопровода может быть выбран, исходя из допустимых значений скорости движения жидкости 10 – 15 м/с или исходя из того, что потери должны составлять 5 – 10% величины рабочего давления.
После того, как выбрана принципиальная схема системы, сделана полумонтажная схема гидравлической системы из условия надежности и эксплуатационной технологичности, определены основные параметры, исходя из кинематической связи исполнительных механизмов с потребителями, приступают к более детальному расчету системы. Полумонтажная схема определяет длины трубопроводов. Нагрузки, действующие в полете на конструкционные элементы потребителей, геометрические характеристики механических связей определяют нагрузки и мощности, которые должны развивать исполнительные механизмы системы.

Рис. 5
После определения мощностей, необходимых для работы отдельных потребителей можно построить диаграмму потребных мощностей.
Вопросы для самопроверки:
1. Какие требования предъявляются к гидравлическим системам при их создании?
2. Что такое катастрофическая, аварийная, сложная ситуация и усложнение условий полёта?
3. Каковы должны быть суммарные вероятности возникновения катастрофической, аварийной и сложной ситуаций в соответствии с требованиями норм лётной годности?
4. Как разбиваются функциональные подсистемы на группы по последствиям их отказов?
5. Какой тип резерва применяется для функциональных подсистем первой группы?
6. Какой тип резерва применяется для подсистем второй группы?
7. Потребители с какими требованиями, предъявляемыми к ним, становятся потребителями гидравлических систем?
8. В каких случаях предпочтительнее использовать в блоках питания гидравлических систем насосы постоянной или переменной подачи?
9. На каких этапах проектирования гидравлических систем используются методы теории надёжности?
10. Что представляет собой поэтапный метод проектирования гидравлических систем?
11. Какие функциональные подсистемы работают на земле, при взлёте, на крейсерском режиме полёта, при спуске и посадке?
12. Какая из функциональных подсистем требует наибольшую мощность для обеспечения её работы?
13. Какая из подсистем: руля высоты или руля направления требует бόльшей мощности для обеспечения её работы?
Раздел 3. Блоки питания гидравлических систем.
Каждая система состоит из блоков питания и функциональных подсистем потребителей.
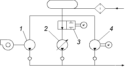
На самолетах гражданской авиации используются два вида блоков питания в зависимости от типа потребителей. Если среди потребителей имеются длительно действующие потребители (система управления) то, как уже отмечалось, в блоке питания гидросистем такого самолета должен быть насос переменной подачи. Если же среди потребителей имеются эпизодически действующие потребители (шасси, закрылки и т. п.), то в блоке питания может быть насос постоянной подачи с автоматом разгрузки 1 и аккумулятором (рис.6). Насос такого блока, в основном, будет работать на холостом ходу, что увеличивает его ресурс в 2-3 раза.
В обоих типах блоков используются аксиально-поршневые насосы, т. к. другие типы насосов работают на меньших рабочих давлениях.

Рис.6
Здесь и далее используются условные обозначения элементов систем на схемах согласно ГОСТ (см. приложение) и упоминаются гидравлические агрегаты, рассмотренные во второй части курса гидравлики.
Выпускники МГТУГА работают со всей техникой, эксплуатируемой на отечественных авиалиниях, а многие студенты работают, учась в ВУЗе. Они высказывают пожелания заложить знания по системам самолётов, с которыми они работают или будут работать, в стенах университета, поэтому далее даны описания блоков питания всех самолётов гражданской авиации, эксплуатируемых на российских авиалиниях.
На рис. 7 изображена схема блока питания гидравлической системы ближнего магистрального самолета Як-42. Здесь имеется основная система (блок питания) с двумя насосами переменной подачи (с изменяемым углом наклона блока цилиндров), расположенными на левом и среднем двигателе, и аварийная, включающая в себя две электроприводные насосные станции. В линиях до насосов имеются перекрывные пожарные краны 1. До и после насосов и насосных станций установлены клапаны разъема, отличающиеся лишь габаритами, т. к. диаметр магистрали всасывания всегда больше диаметра магистрали нагнетания. За насосами в параллельных ветвях расположены обратные клапаны. В линии нагнетания за насосами и в линии слива установлены фильтры.
С линией нагнетания соединен гидравлический аккумулятор сферический с разделителем азотной и жидкостной полостей резиновой диафрагмой. Он служит как дополнительный источник питания и как гаситель пульсаций давления. В основном и аварийном блоке питания имеется по предохранительному клапану. Линии нагнетания обоих блоков соединены клапаном 2 переключения работы с основного блока на аварийный, управляемым вручную. После остановки двигателя для того, чтобы не держать систему под давлением клапаном стравливания 3 линия нагнетания соединяется с линией слива. Для того чтобы в основном блоке не упало давление при

Рис. 7
выпуске шасси, здесь установлен подпорный клапан 4,
перекрывающий трубопровод, идущий в подсистему управления шасси в случае падения в нем давления. Подсоединение системы к наземному источнику давления осуществляется через бортовые клапаны разъема нагнетания 5 и всасывания 6.
Для обеспечения бескавитационной работы насосов имеется линия наддува баков от всех трех двигателей. Воздух сначала проходит через влагоотделитель, затем через фильтр и понижающий редуктор, обеспечивающий необходимое рабочее давление наддува. Влагоотделитель здесь представляет собой патрон-осушитель с прозрачными стенками, наполненный селикагель-индикатором, при проходе через который в воздухе уменьшается влажность. По цвету селикагеля можно судить об относительной влажности и потери активности, т. к. цвет его меняется от голубого до коричневого по мере увлажнения. На баке находится предохранительный клапан, срабатывающий в случае повышения давления в баке выше максимально допустимого.
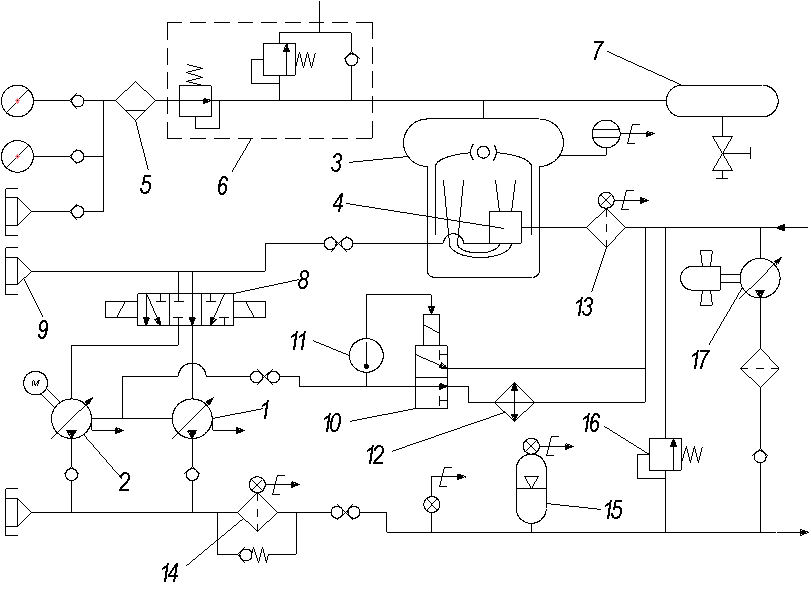
На рис. 8 изображена схема блока питания гидравлической системы среднего магистрального самолета Ил-62. Поскольку его система безбустерная, на каждом из четырех двигателей расположено по одному насосу постоянной подачи НП-25. Здесь перед каждым насосом также стоит по перекрывному пожарному крану 1. До и после насосов имеются клапаны разъема и за насосами находится по обратному клапану. Напорные магистрали за каждой парой насосов соединены и в объединенных трубопроводах находятся по фильтру и автомату разгрузки 2. Здесь же имеются бортовые клапаны разъема: 3- нагнетания и 4- всасывания для подсоединения наземной установки УПГ-300. После автоматов разгрузки к объединенной в одну магистрали подсоединены два аккумулятора диафрагменного типа емкостью 5,9 литра. Затем расположен гаситель гидравлических ударов дроссельного типа.
Наддув бака осуществляется из гермокабин самолета через дренажный бак 5. В случае превышения давления сверх заданной нормы давление из линии наддува стравливается через предохранительный клапан 6. В дренажный бак жидкость поступает из основного в случае переполнения основного бака.
Если при экстренном снижении давление в баке становится ниже атмосферного, то для предотвращения деформации бака под действием обратного перепада давления, атмосферный воздух поступит в бак через обратный клапан 7.
Кроме основной системы, с четырьмя насосами постоянной подачи имеется также аварийная система со своим баком и с электроприводной насосной станцией с насосом переменной подачи. За ней находятся фильтр и автомат давления 8, представляющий собой автомат разгрузки с реле давления, которое соединено с перепускным клапаном автомата и отключает питание электропривода при его срабатывании, т. е.повышении давления сверх нормы, переводе насосной станции на режим холостого хода и включает питание при обратном перемещении перепускного клапана, при переводе его на рабочий ход.
За автоматом давления также находится аккумулятор и гаситель гидравлических ударов.

Рис. 8
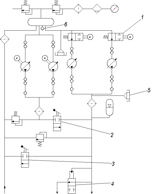
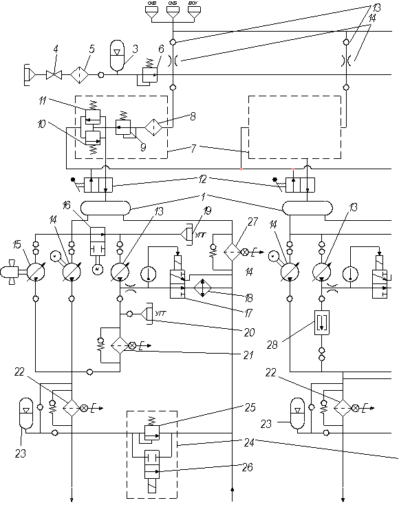
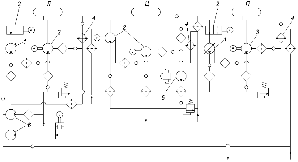
На рис 9. представлены блоки питания самолета Ту-154. В техническом описании эти блоки называются системами. Блоков три, т. к. в системе имеется трехкратная система управления, каждая из систем которой должна запитыватся от своего независимого блока питания.
У первого и второго блока общий бак, а третий блок имеет свой бак. Бак первого и второго блока разделен на две части, но воздушная полость у них общая, поэтому и одна система наддува, получающая воздух под давлением от двух двигателей. В двух магистралях наддува, нагнетающихся от двигателей, сначала установлены влагоотделители, затем фильтры и обратные клапаны, всегда имеющиеся в параллельных ветвях. Затем магистрали объединяются в одну, в которой находится редуктор, понижающий давление, получаемое от двигателей. Здесь же заряжается баллон, осуществляющий наддув в случае отказа двигателей, за которым также имеется редуктор. После редукторов трубопровод линии наддува подходит к дренажному баку 1, необходимому для заполнения его жидкостью, поступающей из основного бака 2 в случае его переполнения (ошибки при заправке).
На дренажном баке сверху установлен предохранительный клапан двойного действия, одна часть которого срабатывает при повышении давления сверх нормы и выпускает воздух из бака в атмосферу, а другая при экстренном снижении, когда давление не успевает выравниваться и в баке давление может стать меньше атмосферного; для предотвращения деформации бака срабатывает, пропуская атмосферный воздух в бак.
Из общего бака 2 жидкость поступает в два первых блока. В первом имеется два насоса переменной подачи, соединенные параллельно. До и после насоса смонтированы клапаны разъема. За насосами также установлены обратные клапаны и гасители пульсаций (сферические с разделителем сред резиновой диафрагмой).
Здесь же начинаются линии охлаждения с фильтрами и дросселями, которые объединяются и дают возможность жидкости от насосов поступать в холодильник, а затем в линию слива. Это необходимо для охлаждения жидкости в период, когда не работают потребители, т. к. в этом случае жидкость через насос не двигается из бака, находящегося в негерметичной части с низкой отрицательной температурой, и не охлаждает его. В это время привод от двигателя вращает насос и он может перегреется, что привёдет к расширению его деталей и повышенному износу. Кроме этого происходит более интенсивное старение резины и может происходить деструкция жидкости, поэтому насос не устанавливают на нулевую подачу, а для охлаждения насоса оставляют небольшой расход жидкости, который через дроссели и холодильник поступает в бак. Когда работают потребители, часть жидкости, ограничиваемая дросселем, также поступает в линию охлаждения. Холодильник представляет собой цилиндрическую конструкцию, образованную винтовыми кольцами трубопровода, скрепленными профильными

Рис.9
рейками. Установлены холодильники всех трех блоков около воздуховода среднего двигателя и обдуваются атмосферным забортным воздухом.
После объединения параллельных линий, идущих от насосов, в линии нагнетания установлен фильтр. Как видно в линии всасывания от бака до насоса фильтр не установлен, хотя это желательно, т. к. на нем теряется значительная часть энергии давления, что привело бы к увеличению потерь и для компенсации их к необходимости увеличения давления наддува и веса конструкции. Возле фильтра смонтирован цилиндрический аккумулятор большой энергоемкости, являющийся источником энергии, дополняющим работу насосов. Линии нагнетания и слива соединены предохранительным клапаном и клапаном 3, открываемым для стравливания давления на стоянке. В линии слива также имеется фильтр.
Второй блок питания имеет все такие же элементы, но у него один насос переменной подачи и насосная станция 4. В системе есть кран 5 (ГА-165), служащий для подачи жидкости в первый блок питания от насосной станции второго блока.
Третий блок по составу элементов такой же как и второй, но у него свой бак 6 и своя система наддува от третьего двигателя.
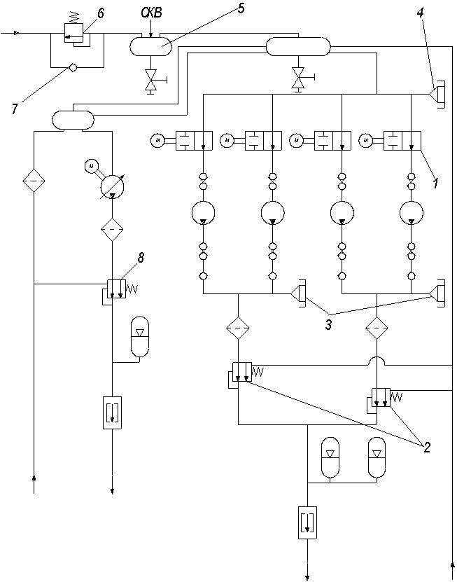
В гидросистеме тяжелого транспортного самолета ИЛ-76 имеются два блока питания: левый и правый. Они симметричны, поэтому на рис 10 представлена одна половина.
Бак гидросистемы наддувается воздухом из грузовой кабины. Для того чтобы объем бака был меньше, в этой гидросистеме линии слива и всасывания соединены через сепаратор 1, к которому из линии слива жидкость подводится по касательной, поэтому, двигаясь в нем вниз к линии всасывания, она закручивается, в результате чего центробежными силами воздух отделяется от жидкости и по перфорированной трубке, находящейся в середине, поступает вверх в бак.
В этом блоке питания также два насоса переменной подачи с дросселями и холодильником в линии охлаждения, как и в гидросистеме самолета ТУ-154. Здесь также имеется электроприводная насосная станция, бортовые клапаны 2 подключения наземной установки, клапаны разъема до и после насосов и обратные клапаны в параллельных ветвях. В линии нагнетания последовательно установлены два фильтра, а в линии слива два фильтра соединены параллельно. Линии нагнетания и слива соединены через предохранительный клапан.
Линии нагнетания разделены на линию нагнетания гасителей подъемной силы и общую линию, в которой имеется подпорный клапан 3, перекрывающий общую линию, если давление в линии гасителей подъемной силы становится ниже 150 атм.

Рис. 10
На ранних бортах самолета линии нагнетания обоих блоков питания гидравлической системы были соединены трубопроводом кольцевания с электроуправляемым клапаном 4. Впоследствии этой линии не стало.
Особенностью гидросистемы является наличие насосной станции 5, которая в случае, если расход в сливной линии больше, чем требуется в магистрали всасывания, направляет излишки жидкости в бак. И в случае если в линии всасывания требуется жидкости больше, чем имеется в линии слива, насосная станция восполняет недостаток жидкости из бака.
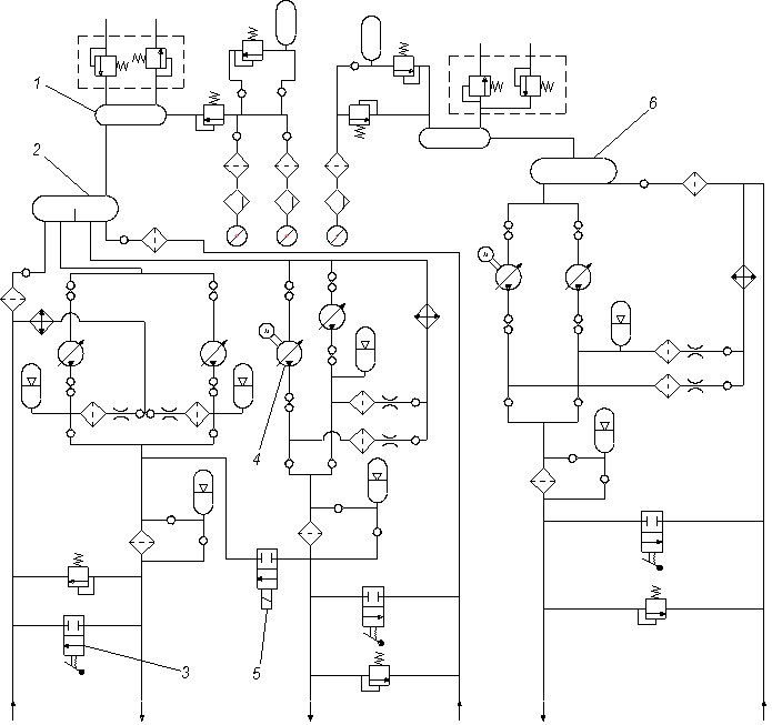
В гидросистеме самолета ИЛ-86 имеется четыре блока питания по числу двигателей. Каждый блок находится на своем двигателе. Блоки

Рис. 11
одинаковые, кроме третьего в котором есть дополнительно электроприводная насосная станция и еще один аккумулятор.
В каждом блоке (Рис 11) установлен бак, наддуваемый от системы кондиционирования воздуха (СКВ). В линии наддува кроме обратных клапанов, влагоотделителя и фильтра имеется также редуктор давления, понижающий давление, поступающее из СКВ. На баке находятся предохранительный клапан, стравливающий избыток давления при повышении давления наддува сверх нормы, и обратный клапан, открывающийся, если давление в баке становится меньше атмосферного. Имеется также дренажный бак, в который поступает жидкость в случае перелива.
В этой системе, как и в системе ИЛ-76, линии всасывания и слива соединены через сепаратор. В каждом блоке питания есть два насоса переменной подачи, аккумулятор, фильтры с сигнализаторами давления в линии слива и нагнетания, предохранительный клапан, бортовые клапаны разъёма и линия охлаждения с холодильником, расположенным в топливном баке. Так же, как и в системе ИЛ-76, здесь установлен подпорный клапан, отключающий общую линию в случае падения давления в линии управления самолётом ниже 150 ати. В качестве аварийного источника питания в каждом блоке есть турбонасосная установка с насосом, вращаемым турбиной, приводимой в движение воздухом, отбираемым от СКВ.
В гидросистеме ИЛ-96 также четыре независимых блока питания по числу двигателей. Блоки №1, 3 и 4 одинаковые по составу элементов, а в блоке №2 есть кроме прочих элементов ещё и ветродвигатель. Рабочая жидкость в системе НГЖ-5Ц.
В блоках питания самолётов ИЛ-86 и ИЛ-96 имеется общее, но есть и отличия.
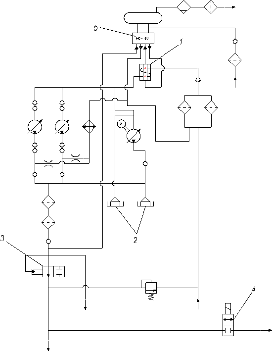
В каждом блоке системы самолёта ИЛ-96 установлено по одному аксиально-поршневому насосу 1(рис. 12) переменной подачи и по электроприводной насосной станции 2, включаемой при отказе двигателя (насоса) и для проверки на земле потребителей при неработающем двигателе.
Жидкость в систему поступает из бака 3, смонтированного вместе с сепаратором 4.
Наддувается бак от компрессора двигаой ступени). В систему наддува входит влагоотделитель 5 и комплексный агрегат 6, в котором, как и в системе самолёта ИЛ-86, имеется редуктор, понижающий давление до 2,5 ат, предохранительный клапан и вакуумный клапан, защищающий систему от повышения давления выше 3,65 ат и от обратного перепада давления. Имеется также дренажный бак 7.
В блоке питания до насоса установлен коллектор 8, через который жидкость двигается или из бака, или от бортового клапана всасывания 9 (наземной установки) к насосу и насосной станции. Кроме этого, электромагнитный коллектор в случае разгерметизации (понижении

Рис. 12
уровня жидкости в баке) или повышении температуры свыше 100о переводит насос на режим разгрузки, т. е. малой подачи.
В режим малой подачи насос переводится и при давлении 210 ат. Из него через штуцер с дросселем жидкость поступает в линию слива к термоклапану 10, который с помощью датчика температуры 11 при температуре жидкости ниже 45о закрывается и направляет жидкость непосредственно в линию слива. Если же температура становится более 75о, он открывается и пропускает жидкость в линию слива через радиатор 12, находящийся в топливном баке.
В блоке питания в линии нагнетания и слива имеются фильтры 13 и 14 с чистотой фильтрации 7-15 мк, перепускными клапанами и сигнализаторами загрязнения.
Здесь, как и в любом другом блоке питания, установлен аккумулятор 15 и предохранительный клапан 16.
В случае отказа всех двигателей на высоте выше предельной высоты запуска ВСУ, обеспечивающей электропитание насосной станции, для работы системы управления в блоке питания есть ветродвигаЕго турбина выпускается в набегающий поток воздуха и вращает вал насоса. За насосом ветродвигателя установлен фильтр и обратный клапан.
Обратные клапаны смонтированы также за насосом и насосной станцией.
В линиях, идущих от блоков 2 и 3, есть подпорные клапаны, не позволяющие падать давлению ниже 150 ат в линии нагнетания закрылков.
Контроль работы источников давления на этом самолёте ведётся не только с помощью панелей гидросистем, находящихся в кабине экипажа, но и с помощью комплексной информационной системы сигнализации (КИСС). Её два пульта управления индикацией находятся на центральном пульте кабины экипажа. Нажатие на них кнопок гидросистем приводит к появлению мнемокадров на левом или правом экране КИСС. (Мнемоника – это совокупность свойств и приёмов, разработанных для облегчения запоминания и представления большого числа сведений с использованием законов ассоциации). Экраны находятся в центре приборной доски экипажа.
Мнемокадров гидросистемы два. На первом (рис.13) в очень простом виде изображены четыре блока питания, где насосы и ветродвигатель изображены кружочками, а насосные станции квадратами; показаны баки с указанием величины давления наддува, количество жидкости в них, трубопроводы, величины температур рабочей жидкости и давлений у потребителей.
Если источники давления включены или ветродвигатель выпущен, их кружочки или квадраты окрашены сигнальными лампами в зелёный цвет. Если источники не работают, они окрашены в белый цвет. Если параметры гидросистемы находятся в пределах нормы, они окрашены в зелёный цвет; если имеет место отклонение от нормы, они окрашиваются в жёлтый цвет.
На другом мнемокадре отображены потребители гидросистемы (рис. 14). Если потребители работают, то соответствующие им удлинённые прямоугольники окрашены в зелёный цвет. При неработающих потребителях, их прямоугольники окрашиваются в жёлтый цвет.

Рис.13
В КИСС из блоков питания поступают сигналы от датчиков и сигнализаторов. Бóльшая их часть на рис. 12 не изображена для упрощения схемы и лучшего понимания работы.
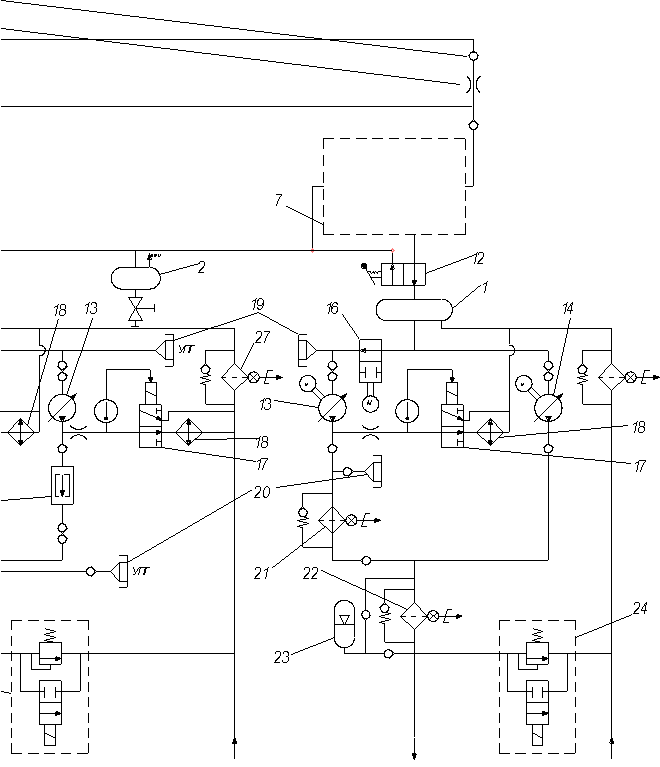
На рис. 15 представлена принципиальная схема блоков питания гидросистемы самолёта ТУ-204. На ней также для бóльшей простоты и облегчения понимания некоторые элементы отсутствуют.
По составу элементной базы гидросистема самолёта ТУ-204 близка системе самолёта ИЛ-96.
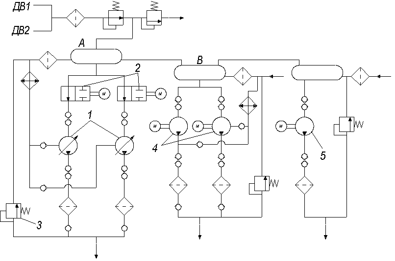
В гидросистеме самолёта ТУ-204, как и в системе самолёта ТУ-154, имеется три блока питания, в каждом из которых есть по баку 1. Дренажный бак 2 у них общий.
Основная система наддува имеет в своем составе баллон с азотом 3, который заряжается через кран 4 и фильтр 5. За баллоном расположен редуктор высокого давления 6. От редуктора азот поступает к трём комплексным агрегатам наддува 7, объединяющим фильтр 8, редуктор низкого давления 9, предохранительный клапан 10 и вакуумный клапан 11. Из комплексных агрегатов азот поступает в основные баки и дренажный.

Рис.14
Для сброса давления наддува у каждого бака 1 имеется свой кран сброса давления наддува 12.
Если за редуктором высокого давления давление становится ниже нормы (0,18 МПа), наддув баков осуществляется от системы кондиционирования или ВСУ через обратные клапаны 13 и дроссели 14. Таким образом при наддуве от основной системы азотом гидросистема самолёта ТУ-204 является системой полузакрытого типа, а по резервной – открытого типа.
В первом блоке питания есть основной источник давления - насос переменной подачи 13, расположенный на левом двигателе. Резервными источниками давления здесь является электроприводная насосная станция 14 и ветродвигатель с насосом 15 (турбонасосная установка с приводом от ветродвигателя). Насосная станция предназначена для работы при отказе левого двигателя и для наземных отработок, а ветродвигатель выпускается в поток при отказе двигателей и отсутствии электропитания.
В случае разгерметизации (снижении уровня жидкости в баке) и пожаре на двигателе линия питания насоса 13 перекрывается краном 16 для сохранения жидкости и наддува в баке для облегчения работы насосной станции и насоса с 
Рис. 15

приводом от ветродвигателя.
В одном из штуцеров насоса 13 имеется дроссель, через который жидкость направляется термоклапаном 17 в теплообменнике 18, расположенный в топливном баке, если температура рабочей жидкости превышает 45оС; если же температура ниже 45оС, то жидкость поступает в бак, минуя холодильник.
К линиям всасывания и нагнетания подсоединены трубопроводы с бортовыми клапанами разъёма 19 и 20 для подключения наземной установки УПГ-300 НГЖ.
За насосом 13 установлен фильтр высокого давления 21 с перепускным клапаном, через который жидкость двигается при его засорении, и с сигнализацией его засорения.
Все три источника давления блока расположены в параллельных ветвях, в которых за источниками установлены обратные клапаны. После объединения этих ветвей, в общей напорной линии также имеется фильтр высокого давления 22 и аккумулятор 23.
Линии нагнетания и слива блока соединены комплексным гидроагрегатом 24, в состав которого входит предохранительный клапан 25 и кран кольцевания 26, предназначенный для разогрева рабочей жидкости после стоянки, если её температура ниже минус 35оС, и для наземной отработки характеристик насоса.
В линии слива имеется также фильтр низкого давления 27.
На рис 15 не показаны, но в гидравлической системе установлены также термоклапаны, расположенные до приводов системы управления, которые перепускают жидкость на слив для разогрева, если её температура ниже минус 20о С.
В случае отказа левого двигателя и основной системы торможения для обеспечения нормальной работы резервной системы торможения от электроприводной насосной станции при посадке и пробеге, в блоке имеется распределитель, перекрывающий линии питания подсистем управления элеронами, интерцепторами и воздушными тормозами.
Во втором блоке питания имеется два насоса переменной подачи 13. Один из них расположен на левом двигателе, а другой на правом. Имеется также электроприводная насосная станция 14, термоклапан 17, теплообменник 18, бортовые клапаны разъёма 19 и 20, фильтры 22 и 27, аккумулятор 23 и комплексный гидроагрегат 24. Кроме этого в блоке за насосами установлены гасители пульсаций 28 – резонаторы, представляющие собой акустические фильтры, понижающие энергию высокочастотных колебаний давления. В резонаторе находится центральный канал с жидкостью, имеющей бóльшую инерцию, и обводной канал, образованный кожухом, одетым на центральный канал. В обводной канал жидкость может поступать через дроссели и выйти из него через дроссельные каналы. Так как инерционность центрального канала велика, колебательная составляющая проходит в обводной канал через дроссели, где и происходит рассеивание энергии.
По составу элементов третий блок питания аналогичен первому. Его насос переменной подачи 13 находится на правом двигателе. В этом блоке нет ветродвигателя.
На самолёте ТУ-204 также работает комплексная информационная система сигнализации (КИСС).
§ 2. Блоки питания гидравлических систем
зарубежных самолётов
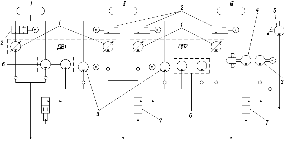
В гидравлической системе аэробуса А310 имеется три независимых блока питания: голубой (I), зелёный (II), и жёлтый (III, рис 16).
В голубом и жёлтом блоке установлено по одному насосу 1 переменной подачи с приводом от двигателя, а в зелёном два насоса, один из которых вместе с насосом голубого блока находятся на первом двигателе, а второй с насосом жёлтого блока – на втором. Перед каждым насосом 1 имеется электроуправляемый пожарный кран 2.
В зелёном блоке работают две электроприводные насосные станции 3, а в жёлтом одна. Кроме этого, в жёлтом блоке есть насос 4, приводимый во вращение ветродвигателем, и ручной насос 5 для работы на земле. Для работ на земле используются также электроприводные насосные станции и блоки мотор-насос 6.
Особенности этой гидравлической системы является наличие блоков мотор-насос 6, гидравлические двигатели которых работают от линии нагнетания зелёной системы. В случае отказа первого двигателя один из гидромоторов будет вращать насос блока, находящегося в голубом блоке, тем самым обеспечивая его работу, а в случае отказа второго двигателя, второй гидродвигатель будет вращать насос, имеющийся в жёлтом блоке и создающий в этом случае давление в жёлтом блоке.
За каждым блоком установлен подпорный клапан 7, обеспечивающий приоритет работы системы управления.
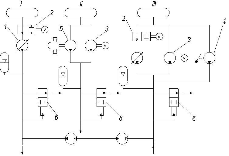
На самолёте А-320 также имеется три блока питания: зелёный (I), голубой (II) и жёлтый (III, рис.17).
В зелёном и жёлтом блоке работает по одному насосу переменной подачи 1, перед которыми установлены пожарные краны 2.
В жёлтом блоке есть также электроприводная насосная станция 3 и ручной насос 4.
В голубом блоке установлен насос с ветродвигателем 5 и электроприводная насосная станция 3.
Линии нагнетания зелёного и жёлтого блоков соединены реверсивным блоком мотор-насос, который в случае отказа первого двигателя или насоса зелёного блока, создаёт давление в зелёном блоке и в случае отказа второго двигателя или насоса жёлтой системы создаёт давление в жёлтном блоке питания.
В случае отказа насоса жёлтого блока и блока мотор-насос давление в жёлтом блоке создаётся электроприводной насосной станцией.

Рис.16
Рис.16
Рис. 17

Рис. 18
При отказе двигателей и отсутствии электропитания давление создаётся воздушной турбиной с насосом голубого блока.
Все блоки имеют подпорные клапаны 6, обеспечивающие приоритет работы системы управления.
На рис. 18 изображены блоки питания гидросистемы самолёта Boeing 737. Блоков питания три: А-основной, Б-дублирующий и резервный (аварийный). Баки блоков соединены между собой. Наддувается бак блока А. В системе наддува установлены фильтр, редуктор и предохранительный клапан.
Основной блок оборудован двумя насосами, находящимися один на левом, а другой на правом двигателе. Перед насосами установлены пожарные краны 2. До и после насосов имеются быстроразъёмные муфты. За насосами смонтированы фильтры и обратные клапаны. Имеется также предохранительный клапан 3.
От насосов отводятся трубопроводы с обратными клапанами, жидкость по которым двигается в холодильник, аналогичный холодильнику самолёта ИЛ-86, также находящийся в топливном баке.
В дублирующем блоке Б установлены две электроприводные насосные станции. Остальные элементы такие же как и в блоке А.
Резервный блок оборудован электроприводным насосом 5.
В гидросистеме самолёта Boeing 737-, -500) блоки А и Б одинаковые. Они имеют по одному насосу, находящемуся на двигателе и по электроприводной насосной станции.
В гидросистеме самолёта Boeing 747 работают четыре независимых блока питания по числу двигателей (рис.19).

Рис. 19

Рис. 20
В каждом блоке имеется по одной турбонасосной установке 1, насосу 2, находящемуся на двигателе (до него установлен пожарный кран 3), и электроприводной насосной станции 4.
В гидросистеме самолёта Boeing 757 три основных блока питания (рис. 20): левый, центральный и правый. В зависимости от модификации может быть ещё и аварийная система, содержащая электроприводной насос и служащая для выпуска шасси.
В левом и правом блоках работает по насосу 1 с приводом от двигателя, перед которым стоит пожарный клапан 2, и по электроприводному насосу 3. От них жидкость, в том числе, двигается через холодильник 4.
В центральном блоке установлены две электроприводные насосные станции 2, имеется также холодильник 4 и аварийный источник давления - насос с ветродвигателем 5.
В блоках, как и во всех других блоках, установлены фильтры, обратные и предохранительные клапаны.
Кроме этого, здесь имеется блок мотор-насос 6, насос которого находится в левом блоке, а мотор запитывается из линии нагнетания правого блока. Из насоса жидкость двигается в подсистемы управления предкрылками, закрылками, шасси и в гидродвигатель электрогенератора.
Блоки питания самолёта Boeing 767 аналогичны блокам самолёта Boeing 757. Отличием является то, что в среднем блоке питания кроме двух электроприводных насоса и насосной установки с ветродвигателем смонтирована также турбонасосная установка, питающаяся воздухом от двигателей или ВСУ.
Жидкость из блока мотор-насос поступает в подсистему управления стабилизатором.
Блоки питания самолёта Boeing 777 также аналогичны блокам самолётов Boeing 757 и 767. Отличительным является наличие двух турбонасосных установок в среднем блоке и отсутствие блока мотор-насос.
На самолёте ДС-10 (Douglas) в гидросистеме три блока питания. В первом и втором работает по два насоса с приводом от своего первого или второго двигателя. В третьем кроме двух насосов, находятся на третьем двигателе, есть также два электроприводных насоса.
Кроме этого установлены два реверсивных блока мотор-насос, соединяющих первый и третий (1 – 3) и второй и третий (2 – 3) блоки питания.
§ 3. Элементный состав блоков питания
гидравлических систем
Из рассмотренных схем блоков питания видно, что если в гидравлической системе имеются длительно действующие потребители, т. е. система управления, в блоке питания такой системы желательно иметь насос переменной подачи и, следовательно, линию охлаждения насоса в период, когда не работают потребители, имеющую дроссели за каждым насосом и холодильник, из которого жидкость двигается на слив. Если в системе есть эпизодически действующие потребители, блок питания может иметь насос постоянной подачи с автоматом разгрузки насоса.
Все блоки питания должны иметь бак, его систему наддува с влагоотстойниками, фильтрами и редукторами. На баках устанавливаются предохранительные клапаны и клапаны, пропускающие в бак атмосферный воздух если в баке давление стало меньше атмосферного.
В линии всасывания фильтры не устанавливаются. До и после насосов должны быть клапаны разъёма. Во всех параллельных ветвях устанавливаются обратные клапаны. За насосами должны стоять аккумуляторы (могут быть и гасители пульсации), фильтры и предохранительный клапан. В линии слива также устанавливаются фильтры. Должны быть бортовые клапаны разъёма для подсоединения наземной установки.
Кроме этих обязательных элементов в блоках могут быть аварийные источники питания, сепараторы, краны для стравливания давления на стоянке, подпорные клапаны, дренажные баки, баллоны для наддува, гасители гидравлического удара, пожарные краны и т. п.
Аварийными источниками в представленных блоках питания отечественных самолётов, являются электроприводные насосные станции, турбонасосные установки и насосы с ветродвигателем.
В гидросистеме самолёта ИЛ-76 была осуществлена попытка объединения рабочих тел обоих блоков питания с помощью линии кольцевания, от которой в дальнейшем отказались. Блоки питания второй и первой подсистемы самолёта ТУ-154 соединены через клапан ГА-165, используемый для аварийной зарядки аккумуляторов аварийного торможения. Как видно, пользоваться такими линиями объединения блоков в полёте не следует. Наиболее рациональным способом передачи мощности в систему с отказавшим двигателем является использование пневмопривода ТНУ, работающего от любого двигателя или ВСУ, или установка гидромоторных агрегатов (блоков мотор-насос), двигатель которого вращается жидкостью находящейся под давлением в работоспособном блоке, а насос, вращаемый этим двигателем, создаёт давление в блоке, где отказал двигатель. Турбонасосную установку целесообразно использовать, если число блоков питания равно четырём, а агрегат мотор-насос, при числе блоков, равном трём.
На новых самолётах ИЛ-96 и ТУ-204 нет турбонасосной установки (ТНУ) в блоках питания, а есть электроприводные насосные станции. Это позволяет не выкатывать самолёт из ангара при наземных испытаниях в холодное время года. Если проходит отработка от ТНУ, приводимой во вращение ВСУ, выкатывание из ангара необходимо.
На этих самолётах имеется насос с приводом от ветродвигателя, выпускаемого в поток при отказе двигателей и отсутствии электроэнергии.
Из насосов переменной подачи при неработающих потребителях с помощью термоклапана жидкость не всегда поступает в холодильник, расположенный в топливном баке, а лишь при температуре жидкости, превращающей норму.
Агрегаты системы наддува и соединяющие линии напорную и слива, объединяются в комплексные агрегаты.
Для обеспечения надёжности в системе ТУ-204 сделана основная система наддува азотной; имеется и резервная система наддува от СКВ и ВСУ,
Контроль работы блоков питания проводится так же с помощью комплексной информационной системы сигнализации (КИСС).
Разработана новая модифицированная жидкость НГЖ-5У.
Как видно из рассмотренных блоков питания гидросистем иностранных самолётов, принцип их создания аналогичен принципу создания отечественных блоков питания, но в них достаточно часто используются блоки мотор-насос, в том числе и реверсивные.
Вопросы для самопроверки:
1.Чем отличается блок питания с насосом постоянной подачи от блока питания с насосом переменной подачи и наоборот?
2. Для чего нужна система наддува?
3. Какие элементы входят в систему наддува баков?
4. Почему в линии всасывания не устанавливается фильтр?
5. Почему до и после насоса устанавливаются клапаны разъёма?
6. Какие элементы обычно устанавливаются в блоке питания за насосом?
7. Какие аварийные источники питания могут устанавливаться в блоках питания?
8.Гидросистемы каких самолётов являются системами полузакрытого типа?
9.Какой аварийный источник питания часто устанавливается в блоках питания иностранных самолётов и не нашёл пока должного применения на отечественных самолётах?
Приложение



Литература
1. , Зверев гидравлических систем летательных аппаратов М. Машиностроение, 1982.
2. Системы оборудования летательных аппаратов. Под редакцией и , Машиностроение, 1986.
3. Авиационные правила, часть 25 (Нормы лётной годности самолётов транспортной категории). Межгосударственный авиационный комитет, 1994.
4. Ружан база жидкостно-газовых систем воздушных судов. МГТУГА, 1996.
5. Клёмина база жидкостно-газовых систем воздушных судов. МИИГА, 1991.
6. , Юркевич и лётная эксплуатация самолёта ЯК-40. М., Машиностроение, 1979.
7. Руководство по технической эксплуатации самолёта ЯК-42.
8. Пассажирский самолёт ИЛ-62. Под редакцией , 1981.
9. Пишков ёт ИЛ-62. М. Машиностроение, 1976.
10. Самолёт ТУ-154, часть 1, 2. М. Машиностроение, 1975.
11. , Семёнов и лётная эксплуатация самолёта ИЛ-76, 1981.
12. Руководство по технической эксплуатации самолёта ИЛ-76.
13. Руководство по технической эксплуатации самолёта ИЛ-86.
14. Яковлев ёт ИЛ-86. М. Воздушный транспорт, 1992.
15. Руководство по технической эксплуатации самолёта ИЛ-96.
16. Руководство по технической эксплуатации самолёта ТУ-204.
17. Aircraft maintenance manual А-310
18. Course notes manual of A, Airbus industries.
19. Пассажирский самолёт А-310. М. ЦАГИ, 1990.
20. Aircraft maintenance manual A-320.
21. Пассажирский самолёт А-320. М. ЦАГИ. , 1993
22. Удалов Д. С. Boeing 737. Самара, 1994.
23. Boeing 737. Training manual.
24. , Boeing 747. М. Авико-пресс, 1994.
25. Boeing 747. Training manual.
26. , Boeing 757. Авико-пресс, 1994.
27. Boeing 757. Maintenance Training.
28. , Boeing 767. М. Авико-пресс, 1994.
29. Пассажирский самолёт Boeing 767. М., ЦАГИ, 1987.
30. Boeing 767. Maintenance Training.
31. Boeing 777. Training manual.
32. DC-10. Maintenance manual.



