Тема 5
Измерительные схемы датчиков
Общие сведения
Основные типы ЧЭ преобразуют изменение измеряемой величины в изменение какого-либо параметра, например, сопротивления, емкости, индуктивности, заряда. Часто эти параметры объединяют термином импеданс. Импеданс может быть как активным, так и реактивным. Например, импеданс резистивных ЧЭ – обычное сопротивление R, емкостных ЧЭ –
, электромагнитных ЧЭ –
, где f – частота тока, протекающего через ЧЭ.
Для преобразования изменения импеданса Z ЧЭ параметры электрического сигнала ЧЭ включают в измерительную схему.
Обычно используют параметрические и генераторные схемы. Функция преобразования параметрической схемы: Uвых = f1(ZЧЭ, ZC). Функция преобразования генераторной схемы:
,
где ZЧЭ – импеданс ЧЭ, ZС – импеданс измерительной схемы, ωвых – частота выходного сигнала.
Параметрические измерительные схемы
Параметрические схемы предназначены для преобразования информации, полученной ЧЭ в процессе измерения, в вариации тока или напряжения. Схемы могут состоять исключительно из ЧЭ или включать наряду с ними дополнительные элементы, корректирующие её функцию преобразования.
Наиболее распространены два типа параметрических схем: потенциометрические и мостовые с питанием как постоянным, так и переменным током. В дальнейшем мы будем рассматривать их свойства на примерах цепей постоянного тока, имея ввиду, что полученные соотношения в равной степени справедливы и для цепей переменного тока. В тех же случаях, когда цепи переменного тока имеют какие-либо специфические особенности, они будут рассмотрены отдельно.
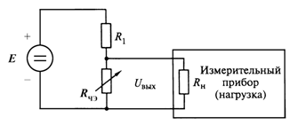
Потенциометрическая схема с резистивным ЧЭ представлена на рисунке 2.50.

Рис. 2.50. Схема в виде делителя напряжения
ЧЭ с сопротивлением RЧЭ включен последовательно с резистором R1, а питание осуществляется от источника E. Выходное напряжение схемы Uвых, измеряемое прибором с собственным сопротивлением Rн, равно:
.
При Rн>>RЧЭ:
,
т. е. Uвых не зависит от Rн и является нелинейной функцией от RЧЭ. Если ЧЭ изменяет свое сопротивление в пределах RЧЭ ±ΔR, а R1 = RЧЭ, то
,
т. е. ЧЭ работает в линейной зоне.
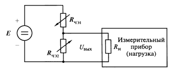
Линеаризация достигается также дифференциальным включением ЧЭ, когда в качестве R1 используется ЧЭ таким образом, что его сопротивление получает приращение обратного знака по сравнению с основным ЧЭ. Схема с дифференциальным включением ЧЭ показана на рисунке 2.51.

Рис. 2.51. Потенциометрическая схема с дифференциальным включением ЧЭ
Дифференциальное включение образуется при замене постоянного сопротивления R1 вторым ЧЭ, идентичным используемому. ЧЭ изменяют свое сопротивление так, что RЧЭ1+ΔR1, а RЧЭ2+ΔR2. Это могут быть резистивные, электромагнитные, емкостные ЧЭ. Особенностью схемы при |ΔR1| = |ΔR2| и
является линейность функции преобразования:
,
где ΔR = |ΔR1| = |ΔR2|, R = RЧЭ1 = RЧЭ2.
Недостатком потенциометрической схемы является наличие в выходном сигнале постоянной составляющей, не содержащей полезной информации. Для выделения полезной ΔUвых составляющей сигнала можно использовать емкостную связь (рисунок 2.52)

Рис. 2.52. Потенциометрическая схема с емкостной связью между схемой и нагрузкой
Конденсатор С и Rн образуют фильтр верхних частот.
,
где Ri – внутреннее сопротивление источника питания E. Обычно Ri<<RЧЭ, Rн. В идеальном случае Ri = 0.
Основное достоинство потенциометрической схемы – ее простота, основной недостаток – чувствительность к внешним помехам.
В мостовой схеме, являющейся модификацией потенциометрической и содержащей два дифференциально включенных делителя, удается существенно снизить влияние внешних факторов и устранить постоянную составляющую в выходном сигнале Uвых. На рисунке 2.53 показана принципиальная схема неуравновешенного измерительного моста.

Рис. 2.53. Принципиальная схема моста Уитстона
Нагрузка Rн включена в измерительную диагональ ab, источник питания E, Ri включен в диагональ питания cd. R1, R2 и R3, R4 – смежные плечи. Рабочие плечи могут быть оборудованы реостатными ЧЭ, тензорезисторами, терморезисторами и т. д. Мост может иметь одно, два или четыре рабочих плеча. Перед началом измерения, когда X = 0, мост устанавливается в состояние равновесия, при котором Uвых = 0. Условием достижения равновесия является:
или
.
При R1 = R2 = R3 = R4 = R0 мост называется равноплечим.
Для схемы с четырьмя рабочими плечами имеем: R1 = R0 + ΔR, R4 = R0 + ΔR,
R2 = R0 - ΔR, R3 = R0 - ΔR, т. е. при дифференциальном включении одинаковых ЧЭ изменения сопротивлений в смежных плечах попарно противоположны. Тогда при линейных характеристиках ЧЭ напряжение Uвых будет линейно зависеть от изменения этих сопротивлений:
,
где R0 – номинальное сопротивление ЧЭ при X = 0. На практике ограничиваются неравенством
.
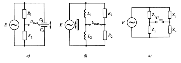
Однако целый ряд ЧЭ, таких как электромагнитные, емкостные и т. д. имеющие реактивные импедансы Z, не могут быть использоваться при питании постоянным током. Кроме того, выходное напряжение Uвых мостов переменного тока проще усиливать, используя усилители переменного тока. И, наконец, в ряде случаев мосты переменного тока обладают возможностями, недостижимыми в мостах постоянного тока. На рисунке 2.54 показаны мосты переменного тока.

Рис. 2.54. Мостовые схемы переменного тока
с емкостными (а) и электромагнитными (б) ЧЭ
Схемы а и б называют комбинированными, т. к. они представляют собой комбинации двух потенциометров. Смежные плечи R1, R2 образованы постоянными сопротивлениями с активными импедансами. Другие плечи C1, C2 и L1, L2 образованы дифференциально включенными ЧЭ с реактивными импедансами. Приведем а и б к виду, показанными на схеме в, где плечи Z1, Z2, Z3, Z4 представлены комплексными сопротивлениями. При
выходное напряжение:
.
Условием достижения равновесия, при котором Uвых = 0, является равенство:
.
Запишем сопротивления плеч моста в следующем виде:
,
где Z1m, Z2m, Z3m, Z4m – модули сопротивлений плеч; φ1, φ2, φ3, φ4 – фазовые углы сдвига тока относительно напряжения в соответствующих плечах.
Тогда условие равновесия моста примет вид:
.
Отсюда
![]()
Таким образом, для уравновешивания мостовой схемы на переменном токе необходимо выполнить вышеприведенные условия, а следовательно, схема должна содержать не меньше двух регулируемых элементов.
Последнее условие указывает, при каком характере реактивных сопротивлений плеч моста возможно его уравновешивание. Так, например, если плечи моста имеют чисто активные сопротивления R1 и R2, т. е. φ1 = φ2 = 0, то два других смежных плеча должны иметь одинаковый характер реактивного сопротивления (индуктивный или емкостный).
Поэтому уравновешивание мостов переменного тока отличается тем, что оно должно производиться по двум составляющим, так как реальные ЧЭ имеют разброс как активной, так и реактивной составляющих сопротивлений.
Генераторные измерительные схемы
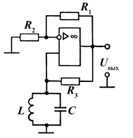
Индуктивные ЧЭ и емкостные ЧЭ могут использоваться в качестве элемента, управляющего частотой генератора. При этом, вариации их импедансов под действием измеряемой величины влияют на частоту колебаний генератора. Схема LC-автогенератора на операционном усилителе показана на рисунке 2.55.

Рис. 2.55. Принципиальная схема LC-автогенератора
Резисторы R1 и R2 образуют цепь отрицательной обратной связи. Резонансный LC-контур включен как звено положительной обратной связи. В общем случае частота генерации сигнала Uвых соответствует резонансной частоте контура, состоящего из L и C. Резонансная частота определяется по формуле:
.
В схеме «емкость-частота» в колебательном контуре используется недифференциальный емкостный ЧЭ, а в схеме «индуктивность-частота» – недифференциальный индуктивный ЧЭ. Чаще всего ЧЭ работают в линейной зоне, т. е.
ΔL << L и ΔC << C. Тогда в зависимости от типа ЧЭ для соответствующих изменений частоты f0 получаем
или
,
т. е.
или
.
Т. к. недифференциальный ЧЭ трудно поддается температурной коррекции, то без значительного усложнения схемы практически невозможно избежать больших погрешностей измерения из-за температурного ухода частоты и влияния других дестабилизирующих факторов. Эти недостатки устранимы при использовании дифференциальных ЧЭ, включаемых в два колебательных контура, изменяющих свои частоты в разных направлениях (рисунок 2.56).

Рис. 2.56. Схема с двумя генераторами
Информативным параметром в схеме, показанной на рисунке 2.56, является разность частот Δf = f1 – f2 между генераторами, когда частота одного генератора увеличивается, а второго – уменьшается. Этим достигается увеличение чувствительности. Разность частот Δf в зависимости от измеряемой величины X обладает хорошей линейностью. Температурная коррекция осуществляется более просто.
Измерительные усилители
Измерительные усилители предназначены для нормализации сигнала после измерительных схем, т. е. приведения его к стандартному уровню. Основным требованием к измерительным усилителям является точность, для обеспечения которой необходимо выполнение следующих условий:
- стабильность коэффициента усиления, его независимость от частоты и фазы входного сигнала; бесконечно большой коэффициент ослабления синфазного сигнала; равенство нулю входного и выходного напряжений смещения; равенство нулю входного импеданса.
Указанным условиям удовлетворяют схемы измерительных усилителей на базе операционных усилителей (ОУ) с глубокой отрицательной обратной связью.
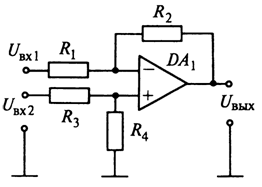
Самой известной является дифференциальная схема, которая является базовой для мостовых измерительных схем (рисунок 2.57).

Рис. 2.57. Усилитель с дифференциальным входом
Один входной сигнал Uвх1 подается на инвертирующий вход, а второй Uвх2 – на неинвертирющий. Для обеспечения одинакового усиления по инвертирующему и неинвертирующему входам схема содержит делитель напряжения R3R4, выбираемый из условия R1/R2 = R3/R4. В результате получаем:
.
Важнейшим свойством усилителя с дифференциальным входом является значительное уменьшение уровня наводок. Недостатком схемы является низкое входное сопротивление:
.
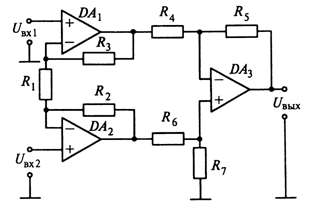
Для получения высокого входного сопротивления, а также увеличения коэффициента усиления используют схему с буферными каскадами, показанную на рисунке 2.58.

Рис. 2.58. Двухкаскадный усилитель с буферными каскадами
Высокое Rвх. диф. обеспечивается использованием неинвертирующих входов. Резисторы R4-R7, входящие в усилитель, должны удовлетворять соотношению
R7/R6 = R5/R4. При этом выходное напряжение определяется по формуле:
.
В расчетах принимают R2 = R3, R4 = R6, R5 = R7.
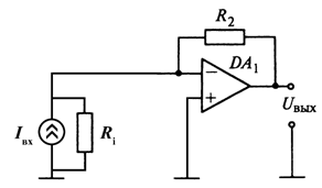
Для преобразования малых токов в напряжение используют усилитель тока, схема которого приведена на рисунке 2.59.

Рис. 2.59. Схема усилителя тока
ЧЭ с токовым выходом, например фотодиод, представлен генератором тока Iвх и сопротивлением Ri. Входное сопротивление инвертирующего усилителя на ОУ dA1 весьма мало, поэтому он не оказывает обратного влияния на цепь, в которой измеряется ток. Кроме того, устраняется влияние емкости соединительной линии. Выходное сопротивление усилителя мало, как и у всякого усилителя с отрицательной обратной связью по напряжению. Выходное напряжение определяется по формуле:
.
Для устойчивой работы усилителя R2 должно быть намного больше Ri.
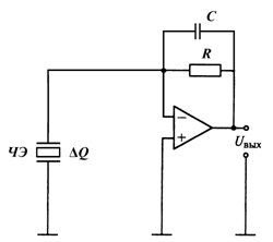
Для усиления сигналов пьезоэлектрических ЧЭ и других ЧЭ, имеющих на выходе заряды либо очень малые токи (пА, пКл), используют усилители заряда (рисунок 2.60).

Рис. 2.60. Схема усилителя заряда
Схема является преобразователем заряда ΔQ, генерируемого ЧЭ, в напряжение Uвых. Усилитель реагирует только на приращение входного сигнала ΔQ. С помощью резистора R ограничивается снизу полоса пропускания усилителя. Низкое входное сопротивление усилителя позволяет исключить погрешности ЧЭ, вносимые нестабильной емкостью линии, соединяющей ЧЭ с усилителем. Выходное напряжение определяется по формуле:
,
где ΔQ – электрический заряд, генерируемый ЧЭ.
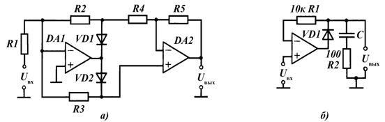
Выпрямители
При конструировании измерительных схем датчиков используются выпрямители для получения постоянного или медленно меняющегося напряжения или тока. В зависимости от того, какой параметр переменного напряжения необходимо измерить, применяют выпрямители среднего значения и амплитудные. С целью уменьшения погрешностей преобразования, обусловленных нелинейностью вольт-амперных характеристик диодов, в точных выпрямителях используют операционные усилители (ОУ). Схемы выпрямителей на ОУ показаны на рисунке 2.61.

Рис. 2.61. Схемы выпрямителя среднего значения напряжения (а)
и амплитудного выпрямителя (б)
Выпрямитель по схеме на рисунке 2.61 (а) построен на основе инвертирующего усилителя с диодами Vd1 и Vd2 в цепи обратной связи. При R2 = R3 = R4 = R5 = R получим:
.
Выпрямитель по схеме на рисунке 2.61 (б) предназначен для формирования постоянного выходного напряжения, пропорционального амплитуде входного переменного напряжения. При Uвх > 0 конденсатор C заряжается до амплитуды входного сигнала через диод Vd1. При Uвх, меньшем амплитудного, диод Vd1 закроется до тех пор, пока Uвх не превысит напряжение, запомненное на конденсаторе C. Резистор R1 ограничивает ток разряда конденсатора C. Резистор R2 ограничивает выходной ток ОУ при зарядке конденсатора C.
Выпрямители по схеме на рисунке 2.61 являются нефазочувствительными и не обнаруживают знака изменения измерительного сигнала. Для определения знака измеряемой величины используют фазочувствительные выпрямители (рисунок 2.62).

Рис. 2.62. Схема фазочувствительного выпрямителя
Фазочувствительный выпрямитель имеет два входа: сигнальный и управляющий (коммутирующий). Если на сигнальный вход подано гармоническое переменное напряжение Uвх, а на управляющий – напряжение той же частоты Uу, то напряжение на выходе выпрямителя определяется соотношением
,
где a – постоянный коэффициент, φ – фазовый сдвиг между напряжениями Uвх и Uу.
Выпрямитель по схеме на рисунке 2.62 имеет входы U1 и U2. Большее из поданных на эти входы напряжений является управляющим Uу и от него зависит знак Uвых. Модуль Uвых определяется меньшим входным напряжением. Целесообразно, чтобы R2 >> R1.
Активные фильтры
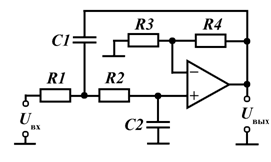
В измерительной аппаратуре преимущественное применение находят активные фильтры. Аналоговые активные фильтры на основе ОУ подключают к выходу выпрямителя для выделения постоянной составляющей выходного напряжения, нейтрализации помех и улучшения качества сигнала. Для этого используются фильтры низких частот (ФНЧ) с крутым срезом, которые пропускают полезные сигналы, а высокочастотные сигналы не пропускают на выход. В качестве примера на рисунке 2.63 приведен двухполюсной (по числу конденсаторов) ФНЧ.

Рис. 2.63. Активный ФНЧ
В неинвертирующем включении ОУ обеспечивает относительно плоскую передаточную характеристику в полосе пропускания и крутой спад на частоте среза при соответствующем выборе R1, R2, R3, R4, C1, C2. Исходно задается частота среза фильтра
и коэффициент усиления К0 в полосе пропускания. Рекомендуется выбирать
C = C1 = C2 примерно равной 10 / fc (мкФ), где fc – частота среза в Гц. В полосе пропускания
. При R1 = R2 = R получим
.
Исходя из заданного К0 находят сопротивления R3 и R4:
.
Для получения необходимой формы АЧХ последовательно включают подобные схемы, образуя многополюсные фильтры.



