1 НАЗНАЧЕНИЕ
Сепаратор для дизельных топлив СДТ1-4 (в дальнейшем по тексту - сепаратор) предназначен для отделения дизельных топлив от воды и очистки их от механических примесей.
Сепаратор может быть использован для аналогичной очистки минеральных смазочных масел. При этом очистка масла возможна без предварительного подогрева, если его вязкость при 20°С не превышает 70 мм2/с (сСт). Для масел вязкостью выше 70 мм2/с (сСт) при 20°С рекомендуется предварительный подогрев до 60-70°С.
Обработка агрессивных жидкостей на сепараторе не допускается.
Сепаратор предназначен для использования на плавсредствах
Исполнение сепаратора в части воздействия климатических факторов внешней среды – ОМ2, категория по месту размещения при эксплуатации - 4.2 в соответствия с ГОСТ .
Исполнение сепаратора взрывобезопасное, несейсмостойкое.
Пожаровзрывоопасная зона, создаваемая работающим сепаратором, соответствует классу В-1.
2 ОСНОВНЫЕ ТЕХНИЧЕСКИЕ ДАННЫЕ
2.1 Основные параметры и размеры
Таблица 1
|
Наименование параметра |
Значение |
|
Номинальная производительность при температуре окружающей среды 200С, м3/ч при очистке методом: | |
|
- кларификации |
4 |
|
- пурификации |
2,8 |
|
Максимальное содержание механических примесей в дизтопливе после одного цикла очистки его методом кларификации при исходном содержании механических примесей до 0,08%, не более, массовых долей, % |
0,005 |
|
Содержание воды в дизтопливе после одного цикла о |
0,05 |
|
Содержание дизтоплива в отходах воды, не более массовых долей, % |
1 |
|
Вакуумметрическая высота всасывания, не менее м масл. ст. |
2,5 |
|
Высота нагнетания, не менее м масл. ст. |
20 |
|
Эквивалентная поверхность разделения (индекс производительности), м2: | |
|
- по лёгкой фракции |
10236,9 |
|
- по тяжёлой фракции |
5047,04 |
|
- полная |
15283,94 |
|
Частота вращения барабана с-1, (об/мин) |
110(6600) |
|
Диаметр барабана, мм |
346 |
|
Количество разделительных тарелок |
88¸105 |
|
Установленная/потребляемая мощность двигателя сепаратора, кВт |
5,5/5,1 |
|
Напряжение, В: | |
|
- питающей линии |
380/220 |
|
- силовой линии |
380 |
|
- линии управления |
220 |
|
Частота, Гц |
50 |
|
Габаритные размеры, мм: | |
|
- длина |
1150±20 |
|
- ширина |
870 20 |
|
- высота |
1223±20 |
|
Масса без ЗИП не боле, кг: |
518 |
2.2 Шумовые характеристики
Таблица 2
|
Среднегеометрические частоты, Гц |
63 |
125 |
250 |
500 |
1000 |
2000 |
4000 |
8000 | |
|
Уровень звукового давления в октавных полосах частот на расстоянии 3м от поверхности сепаратора, не более, дБ |
95 |
87 |
82 |
78 |
75 |
73 |
71 |
69 | |
|
Уровень звука на расстоянии 3м от поверхности сепаратора, не более, дБА |
78 |
3 КОМПЛЕКТНОСТЬ
Таблица 3
|
Наименование |
Обозначение |
Количество |
Место упаковки |
|
3.1 Само изделие | |||
|
3.1.1 Сепаратор |
110.00.00.00-10 |
1 | |
|
3.1.2 Магнитный пускатель |
ПМЛ-2230 |
1 |
Ящик для ЗИП |
|
3.2 Изделие, снимаемое с сепаратора на время | |||
|
3.1.2 Барабан (в сборе на кларификацию) |
08.02.07.00-012 |
1 |
Устанавливается и закрепляется на раме сепаратора |
|
3.3 Сменные детали | |||
|
3.3.1 Диафрагма 9 |
08.00.00.06-035 |
1 |
Ящик для ЗИП |
|
3.3.2 Диафрагма 10 |
08.00.00.06-051 |
1 |
То же |
|
3.3.3 Горловина пурификатора |
08.02.73.00-039 |
1 |
Укладывается в чашу сепаратора |
|
3.3.4 Кольцо регулирующее 92 |
08.02.07.07-011 |
1 |
Ящик для ЗИП |
|
3.3.5 Кольцо регулирующее 95 |
08.02.07.07-024 |
1 |
То же |
|
3.3.6 Кольцо регулирующее 98 |
08.02.07.07-037 |
1 |
То же |
|
3.3.7 Кольцо регулирующее 100 |
08.02.07.07-040 |
1 |
-//- |
|
3.3.8 Кольцо регулирующее 104 |
08.02.07.07-053 |
1 |
-//- |
|
3.3.9 Кольцо регулирующее108 |
08.02.07.07-066 |
1 |
-//- |
|
3.4 Запасные части 1 комп. Ящик для ЗИП | |||
|
3.5 Инструмент и принадлежности | |||
|
3.5.1 Нож для очистки барабана |
08.06.00.04-017 |
1 |
Ящик для ЗИП |
|
3.5.2 Крючок для вынимания буферов |
08.06.00.05-014 |
1 |
То же |
|
3.5.3 Ключ торцевой |
08.06.01.00-012 |
1 |
-//- |
|
3.5.4 Ключ комбинированный |
08.06.02.00-015 |
1 |
-//- |
|
3.5.5 Ключ для большой гайки барабана |
08.06.03.00-018 |
1 |
Закрепляется на двигателе изделия |
|
3.5.6 Ключ для малой гайки барабана |
08.06.04.00-011 |
1 |
Ящик для ЗИП |
|
3.5.7 Съёмник |
08.06.05.00-014 |
1 |
То же |
|
3.5.8 Ключ |
7811-Л318.1 |
1 |
-//- |
|
3.6 Техническая документация | |||
|
3.6.1 Руководство по эксплуатации сепаратора для дизельных топлив СТД1-4 |
110.00.00.00-10РЭ |
| |
|
3.6.2 Паспорта на комплектующие изделия |
|
4 УСТРОЙСТВО И РАБОТА
4.1 Устройство
Изделие состоит из центробежного сепаратора (очистителя-разделителя) I (рисунок 1), шестеренного насоса 20, фильтра
грубой очистки (сетчатого) 7, рамы 14, трубопроводов.
К сепаратору комплектно придается магнитный пускатель (рисунок 8).
Механизм сепаратора (рисунок 2). В чугунной станине I сепаратора установлена винтовая пара, состоящая из вертикального вала 18 и винтового колеса 3, и получающая вращение от двигателя через фрикционную муфту 14.
Горизонтальный вал 2, связанный с валом двигателя через фрикционную муфту 14, вращается вместе с насаженным на него винтовым колесом по часовой стрелке, если смотреть со стороны сепаратора в сторону двигателя. Наклон зуба колеса - левый.
Винт выполнен заодно с вертикальным валом, наклон витков - левый. Направление вращения вертикального вала и насаженного на него барабана - по часовой стрелке, если смотреть сверху.
Верхней опорой вертикального вала служит двухрядный шариковый радиально - сферический подшипник 24, установленный во втулке 25, центрирующейся в горловине сепаратора с помощью шести пружин буферов (деталь 21).
|
|
|
|
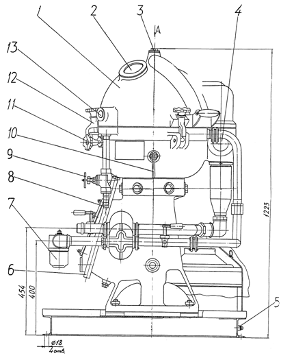
1 – сепаратор; 2 – окно для определения переполнения барабана; 3 – пробка отверстия для заполнения барабана водой с целью создания водяного затвора при работе на пурификацию; 4 – окно для наблюдения за сливом чистого очищенного продукта; 5 – зажим заземления; 6 – патрубок слива продукта из чаши сепаратора; Рисунок 1 – Сепаратор для дизельных топлив СДТ 1 – 4 (главный вид) |
|
|
|
|
|
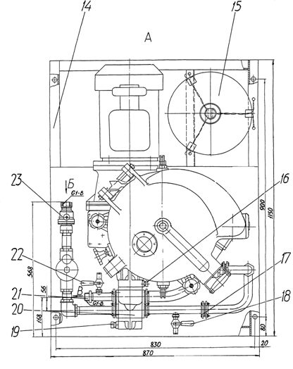
14 – рама; 15 – барабан (установка в положении транспортирования); 16 – клапан редукционный откачивающей секции насоса; 17 – диафрагма; 18 – кран пробно – спускной для отбора неочищенного продукта; 19 – клапан редукционный нагнетающей секции насоса; 20 – насос шестерённый; 21 – выходной патрубок; 22 – кран пробно – спускной для отбора пробы продукта после очистки его сепаратором; 23 – входной кран. Б – вход неочищенного продукта; В – выход очищенного продукта; (GI-В)– резьба внутренняя для подсоединения к входной линии; (GI-В)–резьба наружная для подсоединения к выходной линии. Рисунок 1 – Сепаратор СДТ 1 – 4 (вид сверху) |
|
|
|
Рисунок 2–Механизм сепаратора 1 – станина; 2 – вал горизонтальный; 3 – колесо винтовое; 4 – подшипник 306; 5 – муфта привода насоса; |
Осевые усилия от вертикального вала и барабана воспринимает нижняя опора, состоящая из радиально - сферического подшипника 28, упорного подшипника 30. Оба подшипника заключены в общую втулку 29, опирающуюся на пружину 31.
Через упругую муфту 5 вращение от горизонтального вала 2 передается к шестеренному насосу.
Сборник - верхняя откидывающаяся часть сепаратора служит для нагнетания грязного и откачивания чистого продукта и отсепарированной воды. Внутренняя полость сборника разделена разделительными тарелками на две камеры.
Верхняя камера служит для приема из барабана чистого продукта, нижняя - для приема из барабана отсепарированной воды.
На корпусе сборника имеется смотровое окно для наблюдения за работой сепаратора.
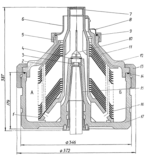
Барабан (рисунок 3) - основной рабочий орган сепаратора, в котором вода и механические примеси отделяются от продукта.
В зависимости от степени загрязнения очищаемого продукта механическими примесями и содержания в нём воды, барабан может быть собран для очистки продукта от механических примесей (кларификации) или для отделения воды (пурификации).
Сборка барабана для кларификации (левая сторона А, на рисунке 3) В этой сборке нижней тарелкой в пакете должна быть тарелка кларификатора I, замаркированная номером «О». Эта тарелка не имеет отверстий на конусной части. Затем собирается пакет разделительных тарелок по их порядковым номерам снизу вверх.
На собранный таким образом пакет разделительных тарелок накладывается верхняя тарелка кларификатора 2.
В кольцевое углубление в корпусе 17 укладывается большое уплотнительное кольцо 14. Устанавливается крышка барабана 12. Завинчивается гайка 13,имеющая левую резьбу. Гайка затягивается специальным ключом 2 (рисунок 4) до совпадения меток на большой гайке и крышке барабана.
В кольцевое углубление в крышке укладывается малое уплотнительное кольцо 5 (рисунок 3). Устанавливается горловина кларификатора 6.
|
|
|
|
|
Рисунок 3 – Барабан А – сборка барабана для кларификации; Б – сборка барабана для пурификации; |
|
|
|
Рисунок 4 – Инструмент и принадлежности 1 – съёмник дискодержателя и корпуса барабана; 2 – ключ для большой гайки барабана; 3 – нож для очистки барабана; 4 – ключ фрикционный для малой гайки барабана; 5 – крючок для вынимания буферов; 6 – ключ комбинированный; |
Устанавливается и завинчивается специальным фрикционным ключом 4 (рисунок 4) малая гайка 9 (рисунок 3), имеющая левую резьбу



тделения ее методом пурификации при исходном содержании воды до 1%, не более массовых долей, %





