Предисловие
Данное учебное пособие является электронной версией первой части книги и "Телекоммуникационные технологии и сети", написанной в 1996-97 г. г. и изданной в МГТУ им. в 1999 г. Пользователи могут судить о том, насколько эта версия отличается от прототипа, так как добавленный и измененный текст выделен в электронной версии подчеркиванием.
Пособие предназначено для студентов вузов, специализирующихся в области информационных технологий.
Ваши замечания и пожелания Вы можете направить авторам по адресу
*****@***cdl. *****
Телекоммуникационные технологии и сети
Москва
Оглавление
Предисловие
Глава 1. Введение в вычислительные сети
Телематика
Сети
Классификация сетей
Способы коммутации
Коммутация каналов
Коммутация пакетов
Виды связи и режимы работы сетей передачи сообщений
Протоколы
Эталонная модель взаимосвязи открытых систем
Глава 2. Каналы передачи данных
Основные определения
Проводные линии связи
Аналоговые каналы передачи данных
Модемы
Амплитудная модуляция
Частотная модуляция
Квадратурно-амплитудная и фазовая модуляции
Кодово-импульсная модуляция
Многоканальная аппаратура
Цифровые каналы передачи данных
Беспроводные каналы связи
Спутниковые каналы передачи данных
Сотовые технологии связи
Оптические линии связи
Организация дуплексной связи
Протоколы физического уровня для модемной связи
Протоколы канального уровня для модемной связи
Глава 3. Кодирование информации
Количество информации
Энтропия
Коэффициент избыточности сообщения
Основные используемые коды
Асинхронное и синхронное кодирование
Манчестерское кодирование
Способы контроля правильности передачи данных
Код Хемминга
Циклические коды
Коэффициент сжатия
Алгоритмы сжатия
Глава 4. Локальные вычислительные сети
Методы доступа
Протоколы ЛВС
Структура кадра
Аппаратные средства ЛВС
Корпоративные сети
Сети Ethernet
Сеть Token Ring
Сеть Arcnet
Высокоскоростные ЛВС
Сеть FDDI
Глава 5. Сетевой и транспортный уровни
Транспортные и сетевые протоколы
Управление потоками данных в сетях
Серверы доступа (мостовые соединения)
Маршрутизация
Транспортный протокол ТСР в стеке протоколов TCP/IP
Серверы доступа (в сложных разветвленных сетях)
Сетевой протокол IP в стеке протоколов TCP/IP
Другие протоколы в стеке TCP/IP
Адресация в TCP/IP (в Internet)
Протоколы управления в стеке TCP/IP
Протоколы SPX/IPX
Сети передачи данных с коммутацией пакетов Х.25
Сети Frame Relay (FR)
Сети АТМ
Интеллектуальные сети связи
Функциональные серверы
Функции и характеристики сетевых операционных систем (ОС)
Сетевые ОС
Информационная безопасность в сетях
Распределенные вычисления (РВ)
Технологии распределенных вычислений
Распределенные базы данных (РБД)
Рекомендации по проектированию корпоративных сетей
Глава 6. Информационные системы глобальных сетей
Структура территориальных сетей
Типичные услуги телекоммуникаций
Протоколы теледоступа
Электронная почта
Файловый обмен
Вспомогательные системы Archie и Whois в Internet
Протокол эмуляции терминала Telnet
Сетевые средства ОС Unix
Телеконференции и "доски объявлений"
Видеоконференции
Доступ к распределенным базам данных
Информационная система Gopher
Информационная система WWW
Язык HTML
Языки и средства создания Web-приложений
Разделяемые виртуальные миры
Примеры телекоммуникационных сетей
Способы доступа к Internet
Список литературы:
Новые стандарты высокоскоростных сетей // Открытые системы. 1994. вып.3. С. 20-31.
Келли- Введение в UNIX / Пер. с англ. - М.: Лори, 1995.
Локальные вычислительные сети: Справочник / Под ред. . М.: Финансы и статистика, 1994.
Компьютерные сети / Пер с англ. - М.: Бином, 1995.
В. Введение в электронную почту. М.: Финансы и статистика, 1993.
Протоколы информационно-вычислительных сетей / Под ред. , . М: Радио и связь, 1990.
А. Протоколы и ресурсы Internet. М.: Радио и связь, 1996.
, В. Глобальные сети компьютеров. М.: Диалог-МИФИ, 1996.
Шатт С. Мир компьютерных сетей / Пер. с англ. - Киев: BHV, 1996.
Halsall F. Data Communications, Computer Networks and Open Systems. - Addison-Wesley Publ., 1992.
Hein M., Kemmler W. Bay Networks. Gigabit Ethernet Guide. - FOSSIL Verlag GmbH, 1998.
Корпоративные информационные сети./ Под ред. . - Информсвязь, вып. 3, 1997.
Глава 1 Введение в вычислительные сети
Телематика
Сети
Классификация сетей
Способы коммутации
Коммутация каналов
Коммутация пакетов
Виды связи и режимы работы сетей передачи сообщений
Протоколы
Эталонная модель взаимосвязи открытых систем
Телематика. Это новая научно-техническая дисциплина, предметом которой являются методы и средства передачи информации на расстояния, существенно превышающие линейные размеры площади, занимаемой участниками связи. Название дисциплины произошло из частей слов "телекоммуникации" и "информатика".
Современные телекоммуникационные технологии основаны на использовании информационных сетей.
Cети. Коммуникационная cеть - система, состоящая из объектов, осуществляющих функции генерации, преобразования, хранения и потребления продукта, называемых пунктами (узлами) сети, и линий передачи (связей, коммуникаций, соединений), осуществляющих передачу продукта между пунктами.
Отличительная особенность коммуникационной сети - большие расстояния между пунктами по сравнению с геометрическими размерами участков пространства, занимаемых пунктами. В качестве продукта могут фигурировать информация, энергия, масса, и соответственно различают группы сетей информационных, энергетических, вещественных. В группах сетей возможно разделение на подгруппы. Так, среди вещественных сетей могут быть выделены сети транспортные, водопроводные, производственные и др. При функциональном проектировании сетей решаются задачи синтеза топологии, распределения продукта по узлам сети, а при конструкторском проектировании выполняются размещение пунктов в пространстве и проведение (трассировка) соединений.
Информационная сеть - коммуникационная сеть, в которой продуктом генерирования, переработки, хранения и использования является информация.
Вычислительная сеть - информационная сеть, в состав которой входит вычислительное оборудование. Компонентами вычислительной сети могут быть ЭВМ и периферийные устройства, являющиеся источниками и приемниками данных, передаваемых по сети. Эти компоненты составляют оконечное оборудование данных (ООД или DTE - Data Terminal Equipment). В качестве ООД могут выступать ЭВМ, принтеры, плоттеры и другое вычислительное, измерительное и исполнительное оборудование автоматических и автоматизированных систем. Собственно пересылка данных происходит с помощью сред и средств, объединяемых под названием среда передачи данных.
Подготовка данных, передаваемых или получаемых ООД от среды передачи данных, осуществляется функциональным блоком, называемым аппаратурой окончания канала данных (АКД или DCE - Data Circuit-Terminating Equipment). АКД может быть конструктивно отдельным или встроенным в ООД блоком. ООД и АКД вместе представляют собой станцию данных, которую часто называют узлом сети. Примером АКД может служить модем.
Классификация сетей. Вычислительные сети классифицируются по ряду признаков.
В зависимости от расстояний между связываемыми узлами различают вычислительные сети:
территориальные - охватывающие значительное географическое пространство; среди территориальных сетей можно выделить сети региональные и глобальные, имеющие соответственно региональные или глобальные масштабы; региональные сети иногда называют сетями MAN (Metropolitan Area Network), а общее англоязычное название для территориальных сетей - WAN (Wide Area Network);
локальные (ЛВС) - охватывающие ограниченную территорию (обычно в пределах удаленности станций не более чем на несколько десятков или сотен метров друг от друга, реже на 1...2 км); локальные сети обозначают LAN (Local Area Network);
корпоративные (масштаба предприятия) - совокупность связанных между собой ЛВС, охватывающих территорию, на которой размещено одно предприятие или учреждение в одном или нескольких близко расположенных зданиях. Локальные и корпоративные вычислительные сети - основной вид вычислительных сетей, используемых в системах автоматизированного проектирования (САПР).
Особо выделяют единственную в своем роде глобальную сеть Internet (реализованная в ней информационная служба World Wide Web (WWW) переводится на русский язык как всемирная паутина); это сеть сетей со своей технологией. В Internet существует понятие интрасетей (Intranet) - корпоративных сетей в рамках Internet.
Различают интегрированные сети, неинтегрированные сети и подсети. Интегрированная вычислительная сеть (интерсеть) представляет собой взаимосвязанную совокупность многих вычислительных сетей, которые в интерсети называются подсетями.
В автоматизированных системах крупных предприятий подсети включают вычислительные средства отдельных проектных подразделений. Интерсети нужны для объединения таких подсетей, а также для объединения технических средств автоматизированных систем проектирования и производства в единую систему комплексной автоматизации (CIM - Computer Integrated Manufacturing). Обычно интерсети приспособлены для различных видов связи: телефонии, электронной почты, передачи видеоинформации, цифровых данных и т. п., и в этом случае они называются сетями интегрального обслуживания.
Развитие интерсетей заключается в разработке средств сопряжения разнородных подсетей и стандартов для построения подсетей, изначально приспособленных к сопряжению.
Подсети в интерсетях объединяются в соответствии с выбранной топологией с помощью блоков взаимодействия.
В зависимости от топологии соединений узлов различают сети шинной (магистральной), кольцевой, звездной, иерархической, произвольной структуры.

· Рис. 1.1. Основные топологические структуры локальных вычислительных сетей
Среди ЛВС наиболее распространены (рис. 1.1):
шинная (bus) - локальная сеть, в которой связь между любыми двумя станциями устанавливается через один общий путь и данные, передаваемые любой станцией, одновременно становятся доступными для всех других станций, подключенных к этой же среде передачи данных (последнее свойство называют широковещательностью);
кольцевая (ring) - узлы связаны кольцевой линией передачи данных (к каждому узлу подходят только две линии); данные, проходя по кольцу, поочередно становятся доступными всем узлам сети;
звездная (star) - имеется центральный узел, от которого расходятся линии передачи данных к каждому из остальных узлов.
В зависимости от способа управления различают сети:
"клиент/сервер" - в них выделяется один или несколько узлов (их название - серверы), выполняющих в сети управляющие или специальные обслуживающие функции, а остальные узлы (клиенты) являются терминальными, в них работают пользователи. Сети клиент/сервер различаются по характеру распределения функций между серверами, другими словами по типам серверов (например, файл-серверы, серверы баз данных). При специализации серверов по определенным приложениям имеем сеть распределенных вычислений. Такие сети отличают также от централизованных систем, построенных на мэйнфреймах;
одноранговые - в них все узлы равноправны; поскольку в общем случае под клиентом понимается объект (устройство или программа), запрашивающий некоторые услуги, а под сервером - объект, предоставляющий эти услуги, то каждый узел в одноранговых сетях может выполнять функции и клиента, и сервера.
Наконец появилась сетецентрическая концепция, в соответствии с которой пользователь имеет лишь дешевое оборудование для обращения к удаленным компьютерам, а сеть обслуживает заказы на выполнение вычислений и получения информации. То есть пользователю не нужно приобретать программное обеспечение для решения прикладных задач, ему нужно лишь платить за выполненные заказы. Подобные компьютеры называют тонкими клиентами или сетевыми компьютерами.
В зависимости от того, одинаковые или неодинаковые ЭВМ применяют в сети, различают сети однотипных ЭВМ, называемые однородными, и разнотипных ЭВМ - неоднородные (гетерогенные). В крупных автоматизированных системах, как правило, сети оказываются неоднородными.
В зависимости от прав собственности на сети последние могут быть сетями общего пользования (public) или частными (private). Среди сетей общего пользования выделяют телефонные сети ТфОП (PSTN - Public Switched Telephone Network) и сети передачи данных (PSDN - Public Switched Data Network).
Сети также различают в зависимости от используемых в них протоколов и по способам коммутации.
Способы коммутации. Под коммутацией данных понимается их передача, при которой канал передачи данных может использоваться попеременно для обмена информацией между различными пунктами информационной сети в отличие от связи через некоммутируемые каналы, обычно закрепленные за определенными абонентами.
Различают следующие способы коммутации данных:
коммутация каналов - осуществляется соединение ООД двух или более станций данных и обеспечивается монопольное использование канала передачи данных до тех пор, пока соединение не будет разомкнуто;
коммутация сообщений - характеризуется тем, что создание физического канала между оконечными узлами необязательно и пересылка сообщений происходит без нарушения их целостности; вместо физического канала имеется виртуальный канал, состоящий из физических участков, и между участками возможна буферизация сообщения;
коммутация пакетов - сообщение передается по виртуальному каналу, но оно разделяется на пакеты, при этом канал передачи данных занят только во время передачи пакета (без нарушения его целостности) и по ее завершении освобождается для передачи других пакетов.
Коммутация каналов. Коммутация каналов может быть пространственной и временной.
Пространственный коммутатор размера N*M представляет собой сетку (матрицу), в которой N входов подключены к горизонтальным шинам, а M выходов - к вертикальным (рис. 1.2).
В узлах сетки имеются коммутирующие элементы, причем в каждом столбце сетки может быть открыто не более чем по одному элементу. Если N < M, то коммутатор может обеспечить соединение каждого входа с не менее чем одним выходом; в противном случае коммутатор называется блокирующим, т. е. не обеспечивающим соединения любого входа с одним из выходов. Обычно применяются коммутаторы с равным числом входов и выходов N*N.

· Рис. 1.2. Матрица пространственного коммутатора
Недостаток рассмотренной схемы - большое число коммутирующих элементов в квадратной матрице, равное N2. Для устранения этого недостатка применяют многоступенные коммутаторы. Например, схема трехступенного коммутатора 6*6 имеет вид, представленный на рис. 1.3.
· 
Рис. 1.3. Схема трехступенного пространственного коммутатора
Достаточным условием отсутствия блокировок входов является равенство k > 2*n-1. Здесь k - число блоков в промежуточном каскаде, n = N/p; p - число блоков во входном каскаде. В приведенной на рис. 1.3 схеме это условие не выполнено, поэтому блокировки возможны. Например, если требуется выполнить соединение a1-d1, но ранее скоммутированы соединения a2-b2-c4-d3, a3-b3-c1-d2, то для a1 доступны шины b1,с3 и с5, однако они не ведут к d1.
В многоступенных коммутаторах существенно уменьшено число переключательных элементов за счет некоторого увеличения задержки. Так, при замене одноступенного коммутатора 1000*1000 трехступенным с n = 22 и k = 43 число переключателей уменьшается с 10 6 до 2*46*22*43+43*46*46, т. е. примерно до 0,186*10 6 .
Временной коммутатор построен на основе буферной памяти, запись производится в ее ячейки последовательным опросом входов, а коммутация осуществляется благодаря считыванию данных на выходы из нужных ячеек памяти. При этом происходит задержка на время одного цикла "запись-чтение". В настоящее время преимущественно используются временная или смешанная коммутация.
Коммутация пакетов. Во многих случаях наиболее эффективной оказывается коммутация пакетов. Во-первых, ускоряется передача данных в сетях сложной конфигурации за счет того, что возможна параллельная передача пакетов одного сообщения на разных участках сети; во-вторых, при появлении ошибки требуется повторная передача короткого пакета, а не всего длинного сообщения. Кроме того, ограничение сверху на размер пакета позволяет обойтись меньшим объемом буферной памяти в промежуточных узлах на маршрутах передачи данных в сети.
В сетях коммутации пакетов различают два режима работы: режим виртуальных каналов (другое название - связь с установлением соединения) и дейтаграммный режим (связь без установления соединения).
В режиме виртуальных каналов пакеты одного сообщения передаются в естественном порядке по устанавливаемому маршруту. При этом в отличие от коммутации каналов линии связи могут разделяться многими сообщениями, когда попеременно по каналу передаются пакеты разных сообщений (это так называемый режим временного мультиплексирования, иначе TDM - Time Division Method), или задерживаться в промежуточных буферах. Предусматривается контроль правильности передачи данных путем посылки от получателя к отправителю подтверждающего сообщения - положительной квитанции. Этот контроль возможен как во всех промежуточных узлах маршрута, так и только в конечном узле. Он может осуществляться старт-стопным способом, при котором отправитель до тех пор не передает следующий пакет, пока не получит подтверждения о правильной передаче предыдущего пакета, или способом передачи "в окне". Окно может включать N пакетов, и возможны задержки в получении подтверждений на протяжении окна. Так, если произошла ошибка при передаче, т. е. отправитель получает отрицательную квитанцию относительно пакета с номером K, то нужна повторная передача и она начинается с пакета K
Например, в сетях можно использовать переменный размер окна. Так, в соответствии с рекомендацией документа RFC-793 время ожидания подтверждений вычисляется по формуле
T ож = 2*Tср,
где Tср := 0,9*Tср + 0,1*Ti, Tср - усредненное значение времени прохода пакета до получателя и обратно, Ti - результат очередного измерения этого времени.
В дейтаграммном режиме сообщение делится на дейтаграммы. Дейтаграмма - часть информации, передаваемая независимо от других частей одного и того же сообщения в вычислительных сетях с коммутацией пакетов. Дейтаграммы одного и того же сообщения могут передаваться в сети по разным маршрутам и поступать к адресату в произвольной последовательности, что может послужить причиной блокировок сети. На внутренних участках маршрута контроль правильности передачи не предусмотрен и надежность связи обеспечивается лишь контролем на оконечном узле.
Блокировкой сети в дейтаграммном режиме называется такая ситуация, когда в буферную память узла вычислительной сети поступило столько пакетов разных сообщений, что эта память оказывается полностью занятой. Следовательно, она не может принимать другие пакеты и не может освободиться от уже принятых, так как это возможно только после поступления всех дейтаграмм сообщения.
Виды связи и режимы работы сетей передачи сообщений. Первоначальными видами сообщений могут быть голос, изображения, текст, данные. Для передачи звука традиционно используется телефон, изображений - телевидение, текста - телеграф (телетайп), данных - вычислительные сети. Передача документов (текста) может быть кодовой или факсимильной. Для передачи в единой среде звука, изображений и данных применяют сети, называемые сетями интегрального обслуживания.
Кодовая передача сообщений между накопителями, находящимися в узлах информационной сети, называется телетексом (в отличие от телекса - телетайпной связи), а факсимильная связь называется телефаксом. Виды телетекса: электронная почта (E-mail) - обмен сообщениями между двумя пользователями сети, обмен файлами, "доска объявлений" и телеконференции - широковещательная передача сообщений.
Установление соединения между отправителем и получателем с возможностью обмена сообщениями без заметных временных задержек характеризует режим работы on-line ("на линии"). При существенных задержках с запоминанием информации в промежуточных узлах имеем режим off-line ("вне линии").
Связь может быть односторонней (симплексной), с попеременной передачей информации в обоих направлениях (полудуплексной) или одновременной в обоих направлениях (дуплексной).
Протоколы. Это набор семантических и синтаксических правил, определяющий поведение функциональных блоков сети при передаче данных. Другими словами, протокол - это совокупность соглашений относительно способа представления данных, обеспечивающего их передачу в нужных направлениях и правильную интерпретацию данных всеми участниками процесса информационного обмена.
Поскольку информационный обмен - процесс многофункциональный, то протоколы делятся на уровни. К каждому уровню относится группа родственных функций. Для правильного взаимодействия узлов различных вычислительных сетей их архитектура должна быть открытой. Этим целям служат унификация и стандартизация в области телекоммуникаций и вычислительных сетей.
Унификация и стандартизация протоколов выполняются рядом международных организаций, что наряду с разнообразием типов сетей породило большое число различных протоколов. Наиболее широко распространенными являются протоколы, разработанные для сети ARPANET и применяемые в глобальной сети Internet, протоколы открытых систем Международной организации по стандартизации (ISO - Intrenational Standard Organization), протоколы Международного телекоммуникационного союза (International Telecommunication Union - ITU, ранее называвшегося CCITT) и протоколы Института инженеров по электротехнике и электронике (IEEE - Institute of Electrical and Electronics Engineers). Протоколы сети Internet объединяют под названием TCP/IP. Протоколы ISO являются семиуровневыми и известны как протоколы базовой эталонной модели взаимосвязи открытых систем - ЭМВОС).
Эталонная модель взаимосвязи открытых систем. Базовая ЭМВОС - это модель, принятая ISO для описания общих принципов взаимодействия информационных систем. ЭМВОС признана всеми международными организациями как основа для стандартизации протоколов информационных сетей.
В ЭМВОС информационная сеть рассматривается как совокупность функций, которые делятся на группы, называемые уровнями. Разделение на уровни позволяет вносить изменения в средства реализации одного уровня без перестройки средств других уровней, что значительно упрощает и удешевляет модернизацию средств по мере развития техники.
ЭМВОС содержит семь уровней. Ниже приведены их номера, названия и выполняемые функции.
7-й уровень - прикладной (Application): включает средства управления прикладными процессами; эти процессы могут объединяться для выполнения поставленных заданий, обмениваться между собой данными. Другими словами, на этом уровне определяются и оформляются в блоки те данные, которые подлежат передаче по сети. Уровень включает, например, такие средства для взаимодействия прикладных программ, как прием и хранение пакетов в "почтовых ящиках" (mail-box).
6-й уровень - представительный (Presentation): реализуются функции представления данных (кодирование, форматирование, структурирование). Например, на этом уровне выделенные для передачи данные преобразуются из кода ЕBCDIC в ASCII и т. п.
5-й уровень - сеансовый (Session): предназначен для организации и синхронизации диалога, ведущегося объектами (станциями) cети. На этом уровне определяются тип связи (дуплекс или полудуплекс), начало и окончание заданий, последовательность и режим обмена запросами и ответаами взаимодействующих партнеров.
4-й уровень - транспортный (Transport): предназначен для управления сквозными каналами в сети передачи данных; на этом уровне обеспечивается связь между оконечными пунктами (в отличие от следующего сетевого уровня, на котором обеспечивается передача данных через промежуточные компоненты сети). К функциям транспортного уровня относятся мультиплексирование и демультиплексирование (сборка-разборка пакетов), обнаружение и устранение ошибок в передаче данных, реализация заказанного уровня услуг (например, заказанной скорости и надежности передачи).
3-й уровень - сетевой (Network): на этом уровне происходит формирование пакетов по правилам тех промежуточных сетей, через которые проходит исходный пакет, и маршрутизация пакетов, т. е. определение и реализация маршрутов, по которым передаются пакеты. Другими словами, маршрутизация сводится к образованию логических каналов. Логическим каналом называется виртуальное соединение двух или более объектов сетевого уровня, при котором возможен обмен данными между этими объектами. Понятию логического канала необязательно соответствие некоего физического соединения линий передачи данных между связываемыми пунктами. Это понятие введено для абстрагирования от физической реализации соединения. Еще одной важной функцией сетевого уровня после маршрутизации является контроль нагрузки на сеть с целью предотвращения перегрузок, отрицательно влияющих на работу сети.
2-й уровень - канальный (Link, уровень звена данных): предоставляет услуги по обмену данными между логическими объектами предыдущего сетевого уровня и выполняет функции, связанные с формированием и передачей кадров, обнаружением и исправлением ошибок, возникающих на следующем, физическом уровне. Кадром называется пакет канального уровня, поскольку пакет на предыдущих уровнях может состоять из одного или многих кадров.
1-й уровень - физический (Physical): предоставляет механические, электрические, функциональные и процедурные средства для установления, поддержания и разъединения логических соединений между логическими объектами канального уровня; реализует функции передачи битов данных через физические среды. Именно на физическом уровне осуществляются представление информации в виде электрических или оптических сигналов, преобразования формы сигналов, выбор параметров физических сред передачи данных.
В конкретных случаях может возникать потребность в реализации лишь части названных функций, тогда соответственно в сети имеется лишь часть уровней. Так, в простых (неразветвленных) ЛВС отпадает необходимость в средствах сетевого и транспортного уровней. В то же время сложность функций канального уровня делает целесообразным его разделение в ЛВС на два подуровня: управление доступом к каналу (МАС - Medium Access Control) и управление логическим каналом (LLC - Logical Link Control). К подуровню LLC в отличие от подуровня МАС относится часть функций канального уровня, не связанных с особенностями передающей среды.
Передача данных через разветвленные сети происходит при использовании инкапсуляции/декапсуляции порций данных. Так, сообщение, пришедшее на транспортный уровень, делится на сегменты, которые получают заголовки и передаются на сетевой уровень. Сегментом обычно называют пакет транспортного уровня. Сетевой уровень организует передачу данных через промежуточные сети. Для этого сегмент может быть разделен на части (пакеты), если сеть не поддерживает передачу сегментов целиком. Пакет снабжается своим сетевым заголовком (т. е. происходит инкапсуляция). При передаче между узлами промежуточной ЛВС требуется инкапсуляция пакетов в кадры с возможной разбивкой пакета. Приемник декапсулирует сегменты и восстанавливает исходное сообщение.
Глава 2
Каналы передачи данных
Основные определения
Проводные линии связи
Аналоговые каналы передачи данных
Модемы
Амплитудная модуляция
Частотная и фазовая модуляция
Квадратурно-амплитудная модуляции
Организация дуплексной связи
Многоканальная аппаратура
Протоколы физического уровня для модемной связи
Протоколы канального уровня для модемной связи
Кодово-импульсная модуляция
Цифровые каналы передачи данных
Беспроводные каналы связи
Спутниковые каналы передачи данных
Сети мобильной связи
Оптические линии связи
1. Основные определения. Среда передачи данных - совокупность линий передачи данных и блоков взаимодействия (т. е. сетевого оборудования, не входящего в станции данных), предназначенных для передачи данных между станциями данных. Среды передачи данных могут быть общего пользования или выделенными для конкретного пользователя.
Линия передачи данных - средства, которые используются в информационных сетях для распространения сигналов в нужном направлении. Примерами линий передачи данных являются коаксиальный кабель, витая пара проводов, световод.
Характеристиками линий передачи данных являются зависимости затухания сигнала от частоты и расстояния. Затухание принято оценивать в децибеллах, 1 дБ = 10*lg(P1/P2), где Р1 и Р2 - мощности сигнала на входе и выходе линии соответственно.
При заданной длине можно говорить о полосе пропускания (полосе частот) линии. Полоса пропускания связана со скоростью передачи информации. Различают бодовую (модуляционную) и информационную скорости. Бодовая скорость измеряется в бодах, т. е. числом изменений дискретного сигнала в единицу времени, а информационная - числом битов информации, переданных в единицу времени. Именно бодовая скорость определяется полосой пропускания линии.
Если на бодовом интервале (между соседними изменениями сигнала) передается N бит, то число градаций модулируемого параметра несущей равно 2N. Например, при числе градаций 16 и скорости 1200 бод одному боду соответствует 4 бит/с и информационная скорость составит 4800 бит/с.
Максимально возможная информационная скорость V связана с полосой пропускания F канала связи формулой Хартли-Шеннона (предполагается, что одно изменение величины сигнала приходится на log2k бит, где k - число возможных дискретных значений сигнала)
V = 2*F*log2k бит/с,
так как V = log2k/t, где t - длительность переходных процессов, приблизительно равная 3*ТВ, а ТВ = 1/(2*p *F), Здесь k? 1+A, A - отношение сигнал/помеха.
Канал (канал связи) - средства односторонней передачи данных. Примером канала может быть полоса частот, выделенная одному передатчику при радиосвязи. В некоторой линии можно образовать несколько каналов связи, по каждому из которых передается своя информация. При этом говорят, что линия разделяется между несколькими каналами. Существуют два метода разделения линии передачи данных: временное мультиплексирование (иначе разделение по времени или TDM), при котором каждому каналу выделяется некоторый квант времени, и частотное разделение (FDM - Frequency Division Method), при котором каналу выделяется некоторая полоса частот.
Канал передачи данных - средства двустороннего обмена данными, включающие АКД и линию передачи данных.
По природе физической среды передачи данных (ПД) различают каналы передачи данных на оптических линиях связи, проводных (медных) линиях связи и беспроводные. В свою очередь, медные каналы могут быть представлены коаксиальными кабелями и витыми парами, а беспроводные - радио - и инфракрасными каналами.
В зависимости от способа представления информации электрическими сигналами различают аналоговые и цифровые каналы передачи данных. В аналоговых каналах для согласования параметров среды и сигналов применяют амплитудную, частотную, фазовую и квадратурно-амплитудную модуляции. В цифровых каналах для передачи данных используют самосинхронизирующиеся коды, а для передачи аналоговых сигналов - кодово-импульсную модуляцию.
Первые сети ПД были аналоговыми, поскольку использовали распространенные телефонные технологии. Но в дальнейшем устойчиво растет доля цифровых коммуникаций (это каналы типа Е1/Т1, ISDN, сети Frame Relay, выделенные цифровые линии и др.)
В зависимости от направления передачи различают каналы симплексные (односторонняя передача), дуплексные (возможность одновременной передачи в обоих направлениях) и полудуплексные (возможность попеременной передачи в двух направлениях).
В зависимости от числа каналов связи в аппаратуре ПД различают одно - и многоканальные средства ПД. В локальных вычислительных сетях и в цифровых каналах передачи данных обычно используют временное мультиплексирование, в аналоговых каналах - частотное разделение.
Если канал ПД монопольно используется одной организацией, то такой канал называют выделенным, в противном случае канал является разделяемым или виртуальным (общего пользования).
К передаче информации имеют прямое отношение телефонные сети, вычислительные сети передачи данных, спутниковые системы связи, системы сотовой радиосвязи.
2. Проводные линии связи. В вычислительных сетях проводные линии связи представлены коаксиальными кабелями и витыми парами проводов.
Используются коаксиальные кабели: "толстый" диаметром 12,5 мм и "тонкий" диаметром 6,25 мм. "Толстый" кабель имеет меньшее затухание, лучшую помехозащищенность, что обеспечивает возможность работы на больших расстояниях, но он плохо гнется, что затрудняет прокладку соединений в помещениях, и дороже "тонкого".
Существуют экранированные (STP - Shielded Twist Pair) и неэкранированные (UTP - Unshielded Twist Pair) витые пары проводов. Экранированные пары сравнительно дороги. Неэкранированные витые пары имеют несколько категорий (типов). Обычный телефонный кабель - пара категории 1. Пара категории 2 может использоваться в сетях с пропускной способностью до 4 Мбит/с. Для сетей Ethernet (точнее, для ее варианта с названием 10Base-T) разработана пара категории 3, а для сетей Token Ring - пара категории 4. Наиболее совершенной является витая пара категории 5, которая применима при частотах до 100 МГц. В паре категории 5 проводник представлен медными жилами диаметром 0,51 мм, навитыми по определенной технологии и заключенными в термостойкую изолирующую оболочку. В высокоскоростных ЛВС на UTP длины соединений обычно не превышают 100 м. Затухание на 100 МГц и при длине 100 м составляет около 24 дБ, при 10 МГЦ и 100 м - около 7 дБ.
Витые пары иногда называют сбалансированной линией в том смысле, что в двух проводах линии передаются одни и те же уровни сигнала (по отношению к земле), но разной полярности. При приеме воспринимается разность сигналов, называемая парафазным сигналом. Синфазные помехи при этом самокомпенсируются.
3. Аналоговые каналы передачи данных. Типичным и наиболее распространенным типом аналоговых каналов являются телефонные каналы общего пользования (каналы тональной частоты). В каналах тональной частоты полоса пропускания составляет 0,3...3,4 кГц, что соответствует спектру человеческой речи.
Для передачи дискретной информации по каналам тональной частоты необходимы устройства преобразования сигналов, согласующие характеристики дискретных сигналов и аналоговых линий. Кроме того, в случае непосредственной передачи двоичных сигналов по телефонному каналу с полосой пропускания 0,3...3,4 кГц скорость передачи не превысит 3 кбит/с. Действительно, пусть на передачу одного бита требуются два перепада напряжения, а длительность одного перепада ТВ = (3...4)/(6,28*FВ), где FВ - верхняя частота полосы пропускания. Тогда скорость передачи есть В < 1/(2*ТВ).
Согласование параметров сигналов и среды при использовании аналоговых каналов осуществляется с помощью воплощения сигнала, выражающего передаваемое сообщение, в некотором процессе, называемом переносчиком и приспособленном к реализации в данной среде. Переносчик в системах связи представлен электромагнитными колебаниями U некоторой частоты, называемой несущей частотой:
U = Um*sin(v *t+y ),
где Um - амплитуда, v - частота, y - фаза колебаний несущей. Изменение параметров несущей (переносчика) по закону передаваемого сообщения называется модуляцией. Если это изменение относится к амплитуде Um, то модуляцию называют амплитудной (АМ), если к частоте v - частотной (ЧМ), и если к фазе y - фазовой (ФМ). При приеме сообщения предусматривается обратная процедура извлечения полезного сигнала из переносчика, называемая демодуляцией. Модуляция и демодуляция выполняются в устройстве, называемом модемом.
4. Модемы. Модем - устройство преобразования кодов и представляющих их электрических сигналов при взаимодействии аппаратуры окончания канала данных и линий связи. Слово "модем" образовано из частей слов "модуляция" и "демодуляция", что подчеркивает способы согласования параметров сигналов и линий связи - сигнал, подаваемый в линию связи, модулируется, а при приеме данных из линии сигналы подвергаются обратному преобразованию (рис. 2.1).

Рис. 2.1. Связь узлов сети с помощью модемов
Модем выполняет функции аппаратуры окончания канала данных. В качестве оконечного оборудования обычно выступает компьютер, в котором имеется приемопередатчик - микросхема UART (Universal Asynchronous Receiver/Transmitter). Приемопередатчик подключается к модему через один из последовательных портов компьютера и последовательный интерфейс RS-232С, в котором обеспечивается скорость не ниже 9,6 кбит/с на расстоянии до 15 м.
Более высокая скорость (до 1000 кбит/с на расстояниях до 100 м) обеспечивается интерфейсом RS-422, в котором используются две витые пары проводов с согласующими сопротивлениями на концах, образующие сбалансированную линию.
5. Амплитудная модуляция. При амплитудной модуляции на входы модулятора поступают сигнал V и несущая U. Например, если сигнал есть гармоническое колебание
V = Vm*sin(W *t+j )
с амплитудой Vm, частотой W и фазой j, то на выходе нелинейного элемента в модуляторе будут модулированные колебания
UАМ = Um*(1+m*sin(W *t+j ))*sin(v *t+y ),
где m = Vm/Um - коэффициент модуляции. На выходе модулятора в спектре сигнала присутствуют несущая частота v и две боковые частоты v +W и v - W. Если сигнал занимает некоторую полосу частот, то в спектре модулированного колебания появятся две боковые полосы, как это показано на рис. 2.2.

Рис. 2.2. Спектры модулирующего и модулированного сигналов при АМ
При амплитудной модуляции во избежание искажений, называемых качанием фронта, нужно выполнение условия v >> W, где v и W - соответственно несущая и модулирующая частоты. Соблюдение этого условия при стандартной (для среднескоростной аппаратуры передачи данных) несущей частоте 1700 Гц не может обеспечить информационные скорости выше 300 бит/с. Поэтому в модемах применяют дополнительное преобразование частоты: сначала производят модуляцию несущей, имеющей повышенную частоту, например Fнд = 10 кГц, затем с помощью фильтра выделяют спектр модулированного сигнала и с помощью преобразователя частоты переносят модулирующие колебания на промежуточную частоту, например 1700 Гц. Тогда при боковых полосах до 1400 Гц спектр сигнала согласуется с полосой пропускания телефонных линий. Однако достигаемые при этом скорости передачи данных остаются невысокими.
Скорости передачи повышаются с помощью квадратурно-амплитудной или фазовой модуляции за счет того, что вместо двоичных модулирующих сигналов используются дискретные сигналы с большим числом возможных значений.
6. Частотная и фазовая модуляции. В сравнительно простых модемах применяют частотную модуляцию (FSK - Frequency Shift Keying) со скоростями передачи до 1200 бит/с. Так, если необходима дуплексная связь по двухпроводной линии, то возможно представление 1 и 0 в вызывном модеме частотами 980 и 1180 Гц соответственно, а в ответном модеме - 1650 и 1850 Гц. При этом скорость передачи составляет 300 бод.
Обычно для передачи сигнала об ошибке от приемника к передатчику нужен канал обратной связи. При этом требования к скорости передачи данных по обратному каналу могут быть невысокими. Тогда в полосе частот телефонного канала образуют обратный канал с ЧМ, по которому со скоростью 75 бит/с передают 1 частотой 390 Гц и 0 частотой 450 Гц.
Фазовая модуляция (PSK - Phase Shift Keying) двумя уровнями сигнала (1 и 0) осуществляется переключением между двумя несущими, сдвинутыми на полпериода друг относительно друга. Другой вариант PSK изменение фазы на p /2 в каждом такте при передаче нуля и на 3/4*p, если передается единица.
7. Квадратурно-амплитудная модуляция. Квадратурно-амплитудная модуляция (QAM - Quadrature Amplitude Modulation, ее также называют квадратурно-импульсной) основана на передаче одним элементом модулированного сигнала n бит информации, где n = 4...8 (т. е. используются 16дискретных значений амплитуды). Однако для надежного различения этих значений амплитуды требуется малый уровень помех (отношение сигнал/помеха не менее 12 дБ при n = 4).
При меньших отношениях сигнал/помеха лучше применять фазовую модуляцию с четырьмя или восемью дискретными значениями фазы для представления соответственно 2 или 3 бит информации. Тогда при скорости модуляции в 1200 бод (т. е. 1200 элементов аналогового сигнала в секунду, где элемент - часть сигнала между возможными сменами фаз) и четырехфазной модуляции скорость передачи данных равна 2400 бит/с. Используются также скорости передачи 4800 бит/с (при скорости модуляции 1600 бод и восьмифазной модуляции), 9600 бит/с и более при комбинации фазовой и амплитудной модуляций.
8. Организация дуплексной связи. Для организации дуплексной связи используются следующие способы:
четырехпроводная линия связи - одна пара проводов для прямой и другая для обратной передачи;
частотное разделение - прямая и обратная передачи ведутся на разных частотах, т. е. полоса для каждого направления сужается более чем вдвое по сравнению с полосой симплексной связи;
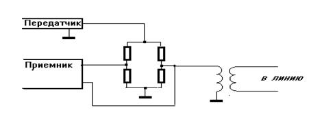
эхо-компенсация - при установлении соединения с помощью посылки зондирующего сигнала определяются параметры (запаздывание и мощность) эха - отраженного собственного сигнала; в дальнейшем из принимаемого сигнала вычитается эхо собственного сигнала (рис.2.3).

Рис. 2.3. Эхо-компенсация
9. Многоканальная аппаратура. В многоканальной аппаратуре одна (или несколько) линия связи разделяется между сообщениями по частоте или времени. В широкополосных аналоговых каналах используется частотное разделение. Каналы группируются в первичные (полоса 60...108 кГц), вторичные (312...552 кГц), третичные (812...2044 кГц) и т. д. В группе первичных каналов помещаются 12 каналов тональной частоты, в группе вторичных каналов - пять первичных групп и т. д.
В современных телекоммуникационных технологиях большее распространение получили цифровые каналы передачи данных.
10. Протоколы физического уровня для модемной связи. Протоколы физического уровня определяют в телекоммуникационных технологиях способ модуляции, направленность передачи (дуплекс, симплекс, полудуплекс), ориентированность на выделенный или коммутируемый канал. Возможно отражение в протоколах и некоторых других характеристик передачи, например способа исправления ошибок и/или сжатия информации.
Протокол V.21 используется в простых модемах на 300 бит/с, применена частотная модуляция с передачей по двухпроводной линии. Используются четыре частоты (от 980 до 1850 Гц) для представления 1 и 0 в прямом и обратном направлениях передачи.
Протокол V.22 характеризуется скоростью 1200 бит/с, используются частотное разделение каналов (для дуплекса) и двукратная фазовая модуляция (ФМ), т. е. ФМ с четырьмя значениями фазы. В V.27 с помощью трехкратной ФМ (с восемью значениями фазы) достигается скорость 4800 бит/с по дуплексным выделенным каналам.
Возможно применение квадратурно-амплитудной модуляции. В протоколе V.22bis используются несущие частоты 1200 и 2400 Гц, при скорости модуляции 600 бод скорость передачи данных составляет 2400 бит/с, так как каждый элемент сигнала отражает одно из 16 значений четырехбитовой комбинации (для каждого значения - своя амплитуда). В протоколе V.29 скорость составляет 9600 бит/с, используется четырехпроводный выделенный канал.
В модемах, соответствующих V.32, достигается скорость 9600 бит/с за счет фазовой модуляции и отфильтровывания эха собственного передатчика от принимаемых сигналов. Специальный процессор автоматически снижает скорость передачи при наличии шумов в линии. Используется помехоустойчивое кодирование.
В протоколе V.32bis при тех же несущих и бодовой скорости пропускная способность повышена до 14,4 кбит/с за счет комбинирования квадратурно-амплитудной и фазовой модуляций. Расширение V.32terbo этого протокола уже рассчитано на скорости 16,8 и 19,2 кбит/с.
Современные высокоскоростные модемы строятся в соответствии с протоколом V.34 или его предшественником V. FC. Здесь скорости составляют от 2,4 до 28,8 кбит/с с шагом 2,4 кбит/с. Протокол предусматривает адаптацию передачи под конкретную обстановку, изменяя несущую в пределах 1600...2000 Гц, а также автоматическое предварительное согласование способов модуляции в вызывающем и вызывном модемах. В протоколе V34.bis скорости могут достигать 33,6 кбит/с.
В последнее время стали выпускаться модемы на 56 кбит/с по технологии, названной х2. Однако пока отсутствуют стандарты на х2 и двукратного ускорения передачи еще получить не удалось.
Протокол V.42 относится к стандартам, устанавливающим способы защиты от ошибок, а V.42bis, кроме того, - способы сжатия данных. Наряду с протоколом V.42, для коррекции ошибок применяют протоколы MNP (Microcom Network Protocol).
В качестве примера организации передачи сообщений рассмотрим протокол V.42, являющийся вариантом протокола HDLC.
Установление соединения (вход в протокол) происходит в асинхронном байт-ориентированном режиме. Запрос на соединение осуществляется посылкой двухбайтовых сигналов ОDP. Для соединения необходимо согласие приемника в виде посылки ответа ADP. После этого образуется соединение, осуществляется переход в синхронный бит-ориентированный режим. В начале сообщения передаются управляющие, а затем информационные кадры.
Краткие сведения о некоторых протоколах (двухпроводных на основе RS-232C) подытожены ниже (указаны имя протокола, способ модуляции, скорость в килобитах в секунду и возможно другие особенности).
V.21_ЧМ_0.3_ для "1" используются частоты 980 и 1650 Гц, для "0" - 1180 и 1850 Гц.
V.22_ФМ_1,2_ частотное разделение прямого и обратного каналов, несущие частоты 1200 и 2400 Гц; четыре значения фазы.
V.22bis_QAM дуплекс_2,4_ частотное разделение каналов; QAM четырех и 16-позиционная; модуляционная скорость 600 бод; основной протокол для среднескоростных модемов.
V/29_ QAM _9,6_ QAM 16-позиционная, дуплекс при выделенных каналах (четырехпроводная) или полудуплекс при коммутируемых каналах (двухпроводная).
V.32_QAM_9,6_ QAM 16-позиционная, выделенные или коммутируемые каналы.
V.32bis_QAM_14,4_ QAM 128-позиционная.
V.32ter_ QAM_19,2_ QAM, дуплекс, выделенные или коммутируемые каналы.
V.34_ QAM_ 28,8_ QAM 256-позиционная, дуплекс.
Перечисленные протоколы предназначены для работы в телефонных аналоговых сетях с коммутацией каналов. Они опираются на двухпроводные линии связи и начиная с V.29 используют эхо-компенсацию. На выделенных телефонных линиях с интенсивным трафиком часто применяют четырехпроводные линии для дуплексной и двухпроводные для полудуплексной связи (протоколы V.23, V.26, V.27, V.29).
В высокоскоростных выделенных каналах можно использовать аналоговые протоколы V.35, V.36, V.37, рассчитанные соответственно на скорости 48, 72, 168 кбит/с.
11. Протоколы канального уровня для модемной связи. Центральное место среди канальных протоколов телекоммуникаций занимают протоколы передачи файлов по телефонным каналам. Функции канальных протоколов: управление потоком данных, координация работы передатчика с приемником. Различают протоколы по способам обнаружения и исправления ошибок, по реакции на возникновение ошибок (старт-стопные и конвейерные), по способам защиты от несанкционированного доступа.
Способы обнаружения и исправления ошибок рассмотрены ниже.
|
Из за большого объема эта статья размещена на нескольких страницах:
1 2 3 4 5 6 |



