Министерство образования и науки Украины
Донбасская государственная машиностроительная академия
КОНСПЕКТ ЛЕКЦИЙ
«МЕХАТРОНИКА»
для студентов специальностей 7.090.203
дневной и заочной форм обучения
Краматорск
2008
Министерство образования и науки Украины
Донбасская государственная машиностроительная академия
КОНСПЕКТ ЛЕКЦИЙ
«МЕХАТРОНИКА»
для студентов специальностей 7.090.203
дневной и заочной форм обучения
Утверждено
на заседании кафедры
«металлорежущие станки и инструменты»
Протокол № от
Краматорск ДГМА 2008
УДК 621.9
Конспект лекций «мехатроника» для студентов специальностей 7.090.203 дневной и заочной форм обучения.– Краматорск ДГМА 2007. – 68 с.
/Сост.
Ответственный за выпуск: , доцент
ДАТЧИКИ И ИЗМЕРИТЕЛЬНЫЕ ПРЕОБРАЗОВАТЕЛИ
1. Фотоимпульсные датчики.
Для станков классов точности Н и П применяют круговые оптические ИП (типа BE-178) и резольверы; для станков класса В – линейные оптические (типа ВЕ-164).
Дискретность и погрешность перемещения зависят от класса точности ИП. Наиболее высокую точность и наименьшую дискрету имеет 6 класс, а самые низкие показатели 1 класс. Для линейных ИП погрешности нормируются, кроме того, в зависимости от длины шкалы.
Измерительные преобразователи (датчики перемещения) выдают нормированный сигнал, содержащий информацию о величине и направлении перемещения, в форме, соответствующей действующим стандартам на системы УЧПУ. Для получения этого сигнала в состав измерительного преобразователя входит электронный блок усилителей, формирователей импульсов и логических схем, индикатирующих направление перемещения.
Фотоэлектрические (оптические) ИП позволяют обеспечить высокую стабильность отсчета и лучше согласуются с системами ЧПУ, поэтому в новых системах они получили преимущественное применение. Шкала и съемник статического ИП создают в паре обтюрационное растровое сопряжение (рис. 1.1). На съемнике растры расположены в два сектора, сдвинутые друг относительно друга на 1/4 шага штрихов. Напротив каждого из секторов съемника расположено по паре фотодиодов, которые выдают первичные сигналы, изменяющиеся при смещении шкалы относительно съемника по синусоидальному и косинусоидальному закону (рис. 1.1, а). Первичные сигналы всех трех каналов поступают на входы усилителей (например, на интегральных микросхемах). На каждом канале имеется два фотодиода, включенные встречно. Этим достигается компенсация постоянной составляющей сигнала. Затем усиленные сигналы и сигнал начала отсчета подаются на входы формирователей, преобразующих синусоидальное напряжение в прямоугольные импульсы Амплитуда этих импульсов не зависит в определенных пределах от изменения амплитуды первичных синусоидальных сигналов а периоды синусоидального и прямоугольного сигналов равны.


Рисунок 1.1 – Круговой (а) и линейный (б) оптический импульсный ИП
1 – осветитель; 2 – линза; 3 – круговая шкала; 4 – вал; 5 – риски нуль метки; 6 – съемник; 7 – фотодиоды (сигнал
); 8 – фотодиоды (сигнал
); 9 – фотодиод нуль метки (
); 10 – фланец
Увеличение (учетверение) числа импульсов на единицу перемещения (уменьшение дискретности) создается электронной схемой, формирующей сигналы с переднего и заднего фронтов обеих последовательностей (рис 1.2, б, в) Кроме этого, может предусматриваться дополнительное деление периода сигнала методами электронной интерполяции.
Техническая характеристика датчика типа ВЕ-178
Дискретность 1/100 – 1/2500 об.
Максимальное контролируемое перемещение, мм не ограничивается
Максимальная скорость вращения контролируемого
перемещения 24 м/мин
Шаг меры 1 об.
Габаритные размеры, мм Ø 57×93


Рисунок 1.2 – Диаграмма сигналов импульсного датчика
а) на выходе фото диодов; б) на выходе усилителя формирователя;
в) после умножения на 4
2. Конечные и путевые выключатели.
Серия ВП
Выключатели конечные являются низковольтными приборами контроля положения объекта под воздействием управляющих упоров путем механического контакта в определенных точках пути.
Выключатели конечные находят применение как элемент контроля и управления технологическими процессами во всех отраслях промышленности.

Рисунок 1.3 – Принципиальная электрическая схема ВП 15
В зависимости от вида привода выключатели конечные серии ВП15 делятся на следующие категории (рис. 1.4 а, б, в):
|
|
|
Рисунок 1.4 – Общий вид конечных выключателей серии ВП15
а) ВП15К21Б211; б) ВП15К21Б221; в) ВП15К21Б231
Выключатели конечные серии ВП15 отличаются видом переключающего устройства, которое может быть прямого и полумгновенного действия, с одним замыкающим и одним размыкающим контактом, с самовозвратом, общепромы-шленного или экспортного исполнения.
Технические характеристики конечных выключателей серии ВП15
Номинальный коммутируемый ток, А 10
Напряжения питания: ~ 660В 50Гц;400В.
Усилие прямого срабатывания выключателей
не более, Н 30
Рабочий ход привода: ВП 15 К21-Б211 2,6 мм
ВП 15 К21-Б221 4,5 мм
ВП 15 К21-Б231 22°
Механическая износостойкость 16 млн. циклов
Коммутационная износостойкость не менее:
А (серебрянные контакты) 2,5х106 циклов
Б (биметаллические контакты) 1,0х106 циклов
Диаппазон рабочих температур при
климатическом исполнении: УХЛ 4.2 от +1 до +45°С
У 2 от -45 до +50°С.
Т от +10 до +55°С
Повышенная влажность при температуре 25°С 98%
Масса не более 0,4кг
3. Бесконтактные путевые выключатели.
Бесконтактные путевые выключатели типов БВК-421-24, БВК-422-24, БВК-423-24 и БВК-424-24 предназначены для контроля положения механизмов или отдельных их узлов. Бесконтактные путевые выключатели могут широко применяться в станках, автоматических линиях, кузнечно-прессовом оборудовании и других производственных механизмах.
Выключатели выполнены в совмещенном варианте. Все элементы схемы размещены в одном корпусе, из которого наружу выведены три провода для подсоединения выключателя к источнику питания и подключения к нему реле или логических элементов.
В основе работы выключателя положен принцип управляемого релаксационного генератора. Управление генератором осуществляется введением в щель переключающей пластины. При выведении пластины из щели генератор не генерирует. Введение пластины в щель вызывает генерацию, при этом на выходе усилителя появляется сигнал, вызывая срабатывание выходного устройства.
Срабатывание выключателя происходит при введении в рабочий зазор переключающей алюминиевой пластины из материала Д16 толщиной не менее 1,5 мм и шириной В не менее 11 мм (рис. 1.5).

Рисунок 1.5 – Положение переключающей пластины в момент срабатывания выключателей серии БВК-400
Расстояние между двумя движущимися соседними пластинами, вызывающими срабатывание одного и того же выключателя, не менее 9 мм. Расстояние (Т) от нижней кромки пластины до основания щели от 1 до 4 мм. Срабатывание выключателя происходит при положении переключающей пластины за осью Р на расстоянии К = 0...3 мм в зависимости от образца.
При движении пластины сверху положение переключающей пластины, при котором происходит срабатывание выключателя, лежит за осью Q на расстоянии 14 мм от нее.
На рис. 1.6 приведена схема присоединения выключателя к источнику питания и подключения к нему реле Р.

Рисунок 1.6 – Схема включения выключателя типа БВК-400:
К, С, Б – провода красный, синий и белый соответственно
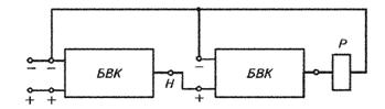
Бесконтактные путевые выключатели могут включаться последовательно (рис. 1.7, а) и параллельно (рис. 1.7, б). При последовательном включении минимальное значение напряжения питания с учетом его колебания должно быть не менее значения UH0M = (20+2n) В, где n — число последовательно включаемых выключателей.
|
|

Рисунок 1.7 – Схема включения двух выключателей
а) последовательного; б) параллельного

Рисунок 1.8 – Общий вид, габаритные, установочные и присоединительные размеры выключателей БВК-421-24 и БВК-422-24
Технические характеристики датчиков типа БВК-400
|
Из за большого объема этот материал размещен на нескольких страницах:
1 2 3 4 5 6 7 8 9 10 11 12 13 14 |



