- ГОСТ 21.613-88 – СПДС для строительства. Силовое электрооборудование.
- РД 34.20.185-94 – Инструкция по проектированию городских электрических сетей.
- ГОСТ – Светильники для производственных зданий.
- ГОСТ 464-79 – Заземление для стационарных установок проводной связи, радиорелейных станций, радиотрансляционных узлов проводного вещания и антенн систем коллективного приёма телевидения.
- СО 153-34.21. - Инструкцию по устройству молниезащиты зданий, сооружений и промышленных коммуникаций.
- ВСН-332-93 – Инструкция по проектированию электроустановок предприятий и сооружений связи, проводного вещания, радиовещания и телевидения.
1.4. Требования к проекту.
В рабочей документации необходимо предусмотреть использование современного электрооборудования ведущих производителей, обеспечивающего повышенную эксплуатационную надежность, энергосбережение, минимальные эксплуатационные затраты, минимальную площадь размещения и соответствие корпоративным стандартам . Предлагаемые проектом импортное электротехническое оборудование и электротехнические материалы должны быть сертифицированы и рекомендованы к применению в соответствии с действующими в РФ нормативными документами и Правилами.
ИБП предусмотреть производства компании Liebert HIROSS.
В рабочей документации должны быть учтены противопожарные требования, требования к автоматизации систем электроснабжения, централизованного дистанционного управления и контроля состояния технологических параметров электроприемников, требуемой освещенности помещений.
Рабочая документация должна быть выполнена в соответствии с ГОСТ 21.101-97 СПДС «Основные требования к проектной и рабочей документации» и требований ЕСКД.
Проектные решения электроснабжения должны соответствовать Техническим условиям региональных электросетевой и энергосбытовой компаний.
2. Электрооборудование, система канализации электроэнергии.
2.1 Система распределения электроэнергии.
Для приема электроэнергии от встроенной или пристроенной трансформаторной подстанции предусмотрен главный распределительный щит (ГРЩ). ГРЩ не входит в объем предлагаемого к проектированию и поставке оборудования.
ГРЩ выполнен двухсекционным, с секционным выключателем между секциями шин. В качестве вводных и секционного выключателей используются выключатели нагрузки, обеспечивающие визуальный контроль видимого разрыва. ГРЩ не оборудован устройством автоматического включения резерва.
При проектировании необходимо обеспечить селективность в зоне коротких замыканий при выборе типов АВ. Последовательное включение модульных АВ запрещается.
Для электроснабжения групп систем ИБП, систем инженерного обеспечения и прочих технологических потребителей ЦОД предусмотреть вводно-распределительные силовые щиты (ЩСГ). В щитах ЩСГ предусмотреть ввода 0,4кВ с каждой секции ГРЩ и ввод от распределительного(-ых) устройства(-в) аварийной дизельной электростанции (РУ ДЭС).
Для электроснабжения потребителей особой группы первой категории в составе системы гарантированного электроснабжения (СГЭ) объекта входит аварийная дизельная электростанция (ДЭС) на основе двух дизель-генераторных установок (ДГУ). ДЭС (ДГУ) не входит(-ят) в объем предлагаемого к проектированию и поставке оборудования.
Каждая ДГУ обеспечивает электроснабжение всех потребителей особой группы первой категории. При отказе одной из ДГУ должен происходить запуск другой ДГУ. Распределение электроэнергии от дизель-генераторных установок предусмотреть от РУ ДЭС.
ДГУ ДЭС имеют интеллектуальные панели управления, обеспечивающие автоматический запуск ДГУ, запуск в ручном режиме, мониторинг ДГУ по стандартным протоколам, например, ModBus.
Для каждой из двух взаимно резервирующих систем ИБП, входящих в состав каждой СБЭ, выполнить одинаковую по составу и функциональным характеристикам оборудования распределительную сети.
Для распределения электроэнергии от СБЭ по потребителям – основному технологическому оборудованию – предусмотреть распределительные щиты (РЩ).
Единица основного технологического оборудования (телекоммуникационная стойка (шкаф)) c 2N вводами питания подключается к различным взаимно резервирующим частям распределительной сети, входящей в состав СБЭ, по N вводов к каждой из частей.
Единица основного технологического оборудования c одним вводом питания подключается к выделенной распределительной сети СБЭ[1], специально предназначенной для питания данного типа оборудования.
Иные варианты подключения оборудования к СБЭ определяются проектом.
Сеть электроснабжения потребителей[2] выполнить с глухим заземлением нейтрали.
Распределение электроэнергии выполнить по системе TN-S (3 фазы, N, PE).
2.2 Требования к ГРЩ и ЩСГ
В щитах ЩСГ предусмотреть АВР, обеспечивающий:
- переключение с основного на резервный ввод от ГРЩ при исчезновении напряжения на основном вводе;
- обратное переключение при восстановлении напряжения на основном вводе;
- формирование сигнала на запуск дизель-генераторных установок при исчезновении напряжения на обоих вводах от ГРЩ;
- переключение на ввод от ДГУ после появления напряжения от РУ ДЭС;
- обратное переключение на один из вводов от ГРЩ при появлении на нем напряжения и снятие сигнала запуска ДГУ.
В щите ЩСГ должна быть предусмотрены механические блокировки, исключающие одновременное включение как двух вводов от ГРЩ, так и подачу обратного напряжения от ДГУ. Кроме механических блокировок следует предусмотреть и соответствующие электрические блокировки.
В схеме АВР должны быть предусмотрены регулируемые задержки:
- на переключение с основного ввода на резервный (до 120 сек)
- на обратное переключение при восстановлении напряжения на основном вводе от ГРЩ (до 600 сек);
- на выдачу сигнала на запуск ДГУ при исчезновении напряжения на обоих вводах от ГРЩ (до 180 с);
- на включение ввода от ДГ при появлении напряжения от РУ ДЭС (до 120 сек);
- на обратное переключение с ввода ДГ на один из вводов от ГРЩ при появлении на нем напряжения (до 1200 сек).
Команда на запуск ДГУ должна подаваться замыканием «сухого» контакта».
В схеме АВР предусмотреть переключатели выбора режима:
- переключатель «Ручной - 0 - автоматический» для вводов от ГРЩ
- переключатель выбора приоритета вводов от ГРЩ «1 основной/2 резервный – без возврата – 2 основной/1 резервный». Под режимом без возврата подразумевается режим, при котором после восстановления напряжения на обоих вводах от ГРЩ не происходит обратного переключения и ввод, на котором появилось напряжение, становится резервным.
- переключатель «Ручной - автоматический» для АВР ДГ
- переключатель пуска ДГУ в ручном режиме
В схемах автоматики АВР и АВР ДГ щитов ЩСГ не должны использоваться аккумуляторные батареи.
В ГРЩ, РУ ДЭС, щитах ЩСГ и РЩ предусмотреть возможность мониторинга:
- положения всех выключателей;
- сигнализация состояния «вкачен / выкачен» для выкатных и втычных выключателей;
- сигнализация аварийного отключения выключателей (один общий сигнал на шкаф или панель);
- сигнализация работы АВР и схемы возврата АВР[3];
- сигнализация положения переключателей режима АВР3;
- сигнализация неисправностей цепей управления (отключение автоматических выключателей вспомогательных цепей)3.
Предусмотреть щиты ЩР в следующем исполнении:
§ входной коммутационный аппарат – рубильник;
§ количество АВ групповой сети в щите определяется проектом исходя из количества групповых линий[4];
§ все АВ должны быть снабжены дополнительными контактами «на срабатывание» (отключение по сверхтоку/перегрузке) для целей АСДУ;
§ 20%-ый резерв по месту для установки дополнительного оборудования внутри щита;
§ световая индикация наличия входного напряжения по фазам.
Для щитов РЩ предусмотреть аудио-визуальную сигнализацию аварийного отключения АВ в исполнении промышленными устройствами светосигнальной аппаратуры, для чего использовать сигнальные стойки (ABB K70 или аналогичные) или маяки, устанавливаемые на верхнюю панель шкафа, или, при ограничениях по высоте, применить врезную светосигнальную аппаратуру, с установкой в верхнюю часть передней дверцы шкафа.
Предусмотреть цифровые измерительные приборы контроля параметров электроэнергии с возможностью передачи информации по стандартным протоколам в следующих точках:
- на вводах и секционном выключателях ГРЩ;
- на вводах щитов ЩСГ;
- на всех отходящих линиях щитов ЩСГ;
- на вводах от ДГУ РУ ДЭС;
- на входе и выходе основных ИБП;
- на отходящих линиях СБЭ в зал ЦОД.
Во всех щитах автоматические выключатели на ток 250А и выше должны быть выкатного исполнения, выключатели на ток не более 200А должны быть втычного исполнения.
ГРЩ, РУ ДЭС, щиты ЩСГ и РЩ должны быть запроектированы с учетом полного развития ЦОД.
Вышеуказанные щиты должны быть выполнены в металлических шкафах напольного исполнения.
2.3 Канализация электроэнергии.
Все электросети выполнить сменяемыми. Способы прокладки электросетей выполнить в соответствии с ПУЭ, НПБ и другими нормативными документами.
Допускается применения как кабелей, так и изолированных шинопроводов.
При прокладке за подшивными потолками использовать кабели с изоляцией, не распространяющей горения.
Питающие кабели и провода расчетного сечения должны быть медные, с изоляцией, не поддерживающей горения. Сечение кабелей выбирается с 25% запасом к расчетным токам. Сечение взаимно резервируемых кабелей предусмотреть на полную нагрузку в аварийном режиме.
3. Система бесперебойного электроснабжения.
3.1. Назначение системы бесперебойного электроснабжения.
Для электроснабжения высокотехнологичного серверного и телекоммуникационного оборудования ЦОД, критичного к ухудшению качества и пропаданию электрической энергии, необходимо создание системы бесперебойного электроснабжения (СБЭ).
СБЭ должна иметь группу или группы из двух независимых (изолированных) систем источников бесперебойного питания (ИБП) с аккумуляторными батареями (АКБ) каждая.
Каждая из систем ИБП в составе группы должна быть резервированной, отказоустойчивой.
Система бесперебойного электроснабжения (СБЭ) обеспечивает автономное электроснабжение следующих потребителей:
· основное технологическое оборудование ЦОД – телекоммуникационное оборудования и серверное оборудование;
· инженерные системы технологического обеспечения ЦОД – насосные группы и внутренние блоки системы кондиционирования технологического оборудования ЦОД, аварийное освещение, и т. д.
Технологическое оборудование ЦОД и инженерные системы технологического обеспечения ЦОД подключаются к различным группам систем ИБП в составе СБЭ – создаются две различных группы систем ИБП, по одной для каждого из указанных типов оборудования, соответственно.
В состав системы бесперебойного электроснабжения должны входить следующие основные компоненты:
· источники бесперебойного питания (ИБП) в комплекте с АКБ;
· силовая кабельная сеть и защитно-коммутационные устройства и аппаратура;
· система управления и мониторинга СБЭ;
· контрольно-измерительные приборы (КИП).
Система бесперебойного электроснабжения должна обеспечивать питание нагрузки по требованиям особой группы 1 категории надежности:
· при отключении питающей сети;
· при проведении профилактических, регламентных и ремонтных работ на одной из систем ИБП;
· при совпадении отключения питания и ремонта отдельных ИБП;
· при повреждениях в отдельных ИБП.
К применению допускаются трёхфазные ИБП двойного преобразования (On-Line, Double Conversion, VFI - стандарт EN 50091), с системой плавного пуска (отсутствие броска пускового тока).
Для оптимизации работы с ДГУ ИБП должны иметь показатель коэффициента гармоник входного тока не более 9-10%.
СБЭ строится на основе групп систем ИБП в избыточной и взаимно резервирующей конфигурации 2(N+1), где N – количество единичных модулей ИБП равной номинальной мощности достаточное для обеспечения электроснабжением всего технологического оборудования, подключенного к данной группе, в режиме максимального энергопотребления.
Количество и мощности ИБП необходимо определить проектом.
В случае отключения избыточного ИБП в каждой системе суммарная нагрузка на остальные источники системы ИБП не должна превышать 75-85%.
При отключении одной из систем ИБП группы оставшаяся в работе система ИБП должна обеспечивать электроснабжение всего подключенного к данной группе технологического оборудования при загрузке не более 85%.
Каждая из систем ИБП должна иметь внешнее централизованное устройство ручного сервисного байпаса (maintenance by-pass).
Применяемые АКБ – герметичные, необслуживаемые, с заявленным сроком службы 8-10лет.
Каждый модуль ИБП должен иметь свои цепочки АКБ.
Время заряда комплектов АКБ до 80% от их номинальной ёмкости после полного разряда не должно превышать 10 часов.
Система бесперебойного электроснабжения должна иметь систему многоуровневого мониторинга на основе применения устройств удалённой сигнализации и адаптеров SNMP(/Web).
Помещения ИБП должны быть оснащены системами пожарной сигнализации и газового пожаротушения, системами кондиционирования и приточной вентиляции; система кондиционирования строится по принципу избыточности с резервированием. Требования к указанным смежным разделам определяются проектом.
4. Система заземления.
Выполнить систему заземления:
· защитное заземление, объединенное с контуром подстанции; сопротивление заземления принять согласно нормам для данных типов объектов.
В здании организуется следующие магистрали заземления:
· РЕ - защитное заземление (зануление) – 5-ый провод в системе TN-S. Предназначено для заземления корпусов электрощитов, кабель-каналов, лотков и другого оборудования, не находящихся, но могущего оказаться под напряжением;
Сети заземления выполнить радиально – древовидной без образования замкнутых контуров.
Для защиты людей от поражения электрическим током при повреждении изоляции должны быть применены следующие меры электробезопасности:
- заземление/зануление;
- система выравнивания потенциалов путем заземления всех металлических трубопроводов, воздуховодов и другого аналогичного оборудования, которое может оказаться под напряжением при повреждении изоляции электрооборудования оборудования;
- комплект защитных средств.
Рабочие нулевые проводники и защитные нулевые проводники должны быть изолированы друг от друга и от металлоконструкций зданий. Главная шина заземления должна располагаться в помещении РУ-0,4кВ ТП.
Для помещения технологического оборудования ЦОД предусмотреть выделенный щит заземления телекоммуникационных стоек с опорной шиной заземления.
5. Система АСДУ (единого мониторинга)
Система электроснабжения должна иметь АСДУ.
Для системы необходимо предусмотреть прокладку слаботочных кабелей в необходимом количестве.
АСДУ систем электроснабжения должна в случае возникновения аварийной ситуации дать возможность службе эксплуатации объекта своевременно принять необходимые меры по закрытию различных баз данных, выключению серверов и другого критичного оборудования,
При проектировании АСДУ ЦОД предусмотреть создание локального сервера сбора и хранения параметров систем электроснабжения ЦОД, подсистемы дистанционного информирования дежурного персонала об авариях и нештатных ситуациях в системе электроснабжения посредством sms-сообщений, создание и возможность подключения удаленных терминалов – АРМ диспетчерского персонала. При этом при выполнении проекта необходимость включения в объем поставки в сервера сбора и хранения параметров, подсистемы дистанционного информирования и АРМ диспетчерского персонала определяется дополнительно в соответствии с требованиями Заказчика; входит в объем предложения.
6. Ориентировочные мощности потребления оборудования
Полная нагрузка СБЭ основного технологического оборудования ЦОД – 320кВт.
Полная нагрузка СБЭ инженерных систем технологического обеспечения ЦОД – 50кВт.
Полная нагрузка централизованной чиллерной системы технологического обеспечения ЦОД (2 чиллера, поочередный режим работы) – 115кВт (номинальная мощность одного чиллера).
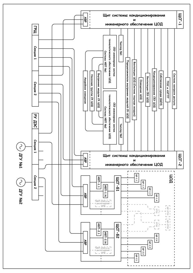
Приложение 1. Структурная схема системы электроснабжения ЦОД

Приложение к Запросу
ДОГОВОР ПОДРЯДА № _______________
на выполнение проектных работ
г.___________ «__»______________ 200__ г.
Открытое акционерное общество «Мобильные ТелеСистемы» (сокращенное наименование – ), зарегистрированное по адресу: Россия Москва, ул. Марксистская, именуемое в дальнейшем ЗАКАЗЧИК, в лице ____________________________________________________, действующего на основании Доверенности № _____от ________ с одной стороны, и
________________________________________________________________________, зарегистрированное по адресу: _____________________________________, именуемое в дальнейшем ПОДРЯДЧИК, в лице _________________________________________, действующего на основании Устава с другой стороны, заключили настоящий Договор о нижеследующем:
1. Предмет договора
1.1. Подрядчик обязуется по требованию Заказчика разработать проектную документацию (далее Работы) по теме: «__________________________________________________________» расположенного по адресу: ________________________________________, а Заказчик обязуется принять и оплатить их результат.
1.2. Работы, предусмотренные пунктом 1.1, должны выполняться Подрядчиком в точном соответствии с действующими нормативами и правилами, а также с Техническим заданием (Приложение ).
2. Сроки выполнения Работ
2.1. Начало выполнения Подрядчиком Работ – дата подписания сторонами настоящего Договора.
2.2. Окончание выполнения Подрядчиком Работ –__месяца с даты подписания сторонами настоящего Договора.
3. Права и обязанности сторон
3.1. Заказчик обязан:
3.1.1. Оплатить выполненные Подрядчиком Работы в предусмотренном разделом 4 настоящего Договора порядке;
3.1.2. Выдать необходимые и достаточные для выполнения Работ исходные данные;
3.1.3. Назначить полномочного представителя для оперативного рассмотрения и решения технических и организационных вопросов, связанных с выполнением Работ.
3.2. Заказчик имеет право:
3.2.1. Осуществлять контроль и надзор за ходом и качеством выполняемых Подрядчиком или субподрядчиком Работ, не вмешиваясь при этом в их оперативно-хозяйственную деятельность;
3.2.2. Участвовать вместе с Подрядчиком в согласовании готовой проектной (технической) документации (результата Работ) с заинтересованными лицами (организациями);
3.2.3. В любое время до сдачи ему Подрядчиком результата Работ отказаться от исполнения настоящего Договора, направив Подрядчику соответствующее уведомление и произведя расчет в порядке, предусмотренном действующим законодательством Российской Федерации.
3.3. Подрядчик обязан:
3.3.1. На свой риск, на своем оборудовании, своими силами и средствами выполнить Работы и сдать их результат Заказчику в состоянии, соответствующем условиям настоящего Договора, Техническими требованиями, а также действующим нормам и правилам (СНиП );
3.3.2. Предоставить Заказчику в полном объеме необходимую ему для приемки результата Работ приемо-сдаточную документацию, выполненную в соответствии с требованиями действующих нормативных документов;
3.3.3. Немедленно известить Заказчика и до получения от него указаний приостановить Работу при обнаружении:
- возможных неблагоприятных для Заказчика последствий выполнения его указаний о способе выполнения Работы;
- иных не зависящих от Подрядчика обстоятельств, угрожающих годности результатов Работ, либо создающих невозможность ее завершения в срок, предусмотренный настоящим Договором;
3.3.4. Нести риск случайной гибели или повреждения результата Работ до момента их приемки Заказчиком;
3.3.5. За свой счет осуществить доработки, связанные с несогласованными с Заказчиком отступлениями от требований;
3.3.6. Не разглашать полученные в ходе выполнения работ или сообщенные ему данные, являющейся информацией конфиденциального характера или составляющие коммерческую тайну Заказчика;
3.3.7. Не передавать полностью либо частично Результат Работ третьим лицам без письменного согласия Заказчика как в течение срока действия Договора, так и в течение 10 лет после его прекращения.
3.3.8. Выполнять полученные в ходе исполнения настоящего Договора указания Заказчика, если такие указания не противоречат условиям настоящего Договора и не представляют собой вмешательства в оперативно-хозяйственную деятельность Подрядчика. Подрядчик не несет ответственности за возможный ущерб, причиненный дачей указаний со стороны Заказчика, если Подрядчик своевременно известил Заказчика о возможных негативных последствиях исполнения обязательного указания Заказчика.
3.4. Подрядчик имеет право:
3.4.1. Самостоятельно организовывать свою работу;
3.4.2. При необходимости, после согласования с Заказчиком, заключать Договоры субподряда;
3.4.3. Досрочно сдать результат Работ Заказчику.
4. Стоимость Работ и порядок расчетов.
4.1. Общая стоимость Работ Подрядчика по настоящему Договору, составляет __________ (________________________________), кроме того НДС 18% ___________(__________________), всего ________________ (___________________________________________).
4.2. Заказчик производит оплату в размере 100% общей стоимости Работ (п.4.1 настоящего Договора), что составляет ______________(________________________________), кроме того НДС 18% ___________(__________________),всего ____________(___________________________________________), в течение десяти банковских дней с момента получения счета, выставленного на основании подписанного сторонами Акта сдачи-приемки результата Работ (если он подписан Заказчиком без «Ведомости замечаний»), либо подписания Заказчиком Акта устранения недостатков работ, составляемого после устранения недостатков Работ, указанных в «Ведомости замечаний».
4.3. Обязательство Заказчика по осуществлению платежа считается исполненным с момента списания денежных средств с расчетного счета Заказчика.
4.6. Любые платежи, установленные настоящим Договором, могут быть совершены как непосредственно Сторонами, так и третьими лицами.
5. Порядок сдачи-приемки результата Работ.
5.1. Подрядчик в письменной форме уведомляет Заказчика об окончании выполнения Работ и передает их результат Заказчику для приемки, а также Акт сдачи-приемки результата Работ.
Результатом выполнения Работ является Рабочий проект в составе:
- бумажная версия Рабочего проекта - 3 экземпляра;
- электронная версия Рабочего проекта на оптическом носителе (СD-R диск) - 2 экземпляра.
5.2. Заказчик в течение 5 (пяти) рабочих дней, считая со дня, следующего за днем получения указанных в п.5.1. документов, производит приемку результатов Работ.
5.3. Приемка результатов Работ включает проверку:
- качества выполненных Работ согласно Технических требований и действующих норм и правил,
- количества предоставленных экземпляров Рабочего проекта (п.5.1.).
5.4. По результатам совместной приемки результатов Работ Заказчик либо:
5.4.1. утверждает Рабочий проект и подписывает Акт сдачи-приемки результатов Работ;
5.4.2. подписывает Акт сдачи-приемки результатов Работ с Ведомостью замечаний, в которой фиксируются все недостатки, отклонения, несоответствия выполненных Работ Техническим требованиям, а также сроки их устранения. Данное условие возможно, если, по мнению Заказчика, выявленные недостатки являются незначительными.
5.4.3. отказывается от подписания Акта сдачи-приемки работ с составлением мотивированного письменного документа.
5.5. Датой сдачи результата Работ Заказчику считается дата подписания Заказчиком Акта сдачи-приемки результатов Работ. С момента подписания Заказчиком данного Акта обязательства Подрядчика по разработке проектной (технической) документации считаются выполненными и право собственности на результат Работ переходит к Заказчику.
5.6. Устранение указанных в Ведомости замечаний недостатков осуществляется Подрядчиком за его счет. При этом если нарушен срок окончания выполнения Работ (п.2.2), Заказчик имеет право требовать с Подрядчика выплаты неустойки, предусмотренной п.6.2. настоящего Договора.
5.7. После устранения указанных в Ведомости замечаний недостатков выполненных Работ стороны подписывают Акт устранения недостатков.
5.8. Заказчик имеет право по своему усмотрению провести работу по устранению недостатков самостоятельно, в том числе с привлечением третьих лиц, при этом стоимость этих работ может быть взыскана с Подрядчика и (или) удержана из стоимости вознаграждения, подлежащего уплате Подрядчику.
5.9. В случае если государственными надзорными органами, иными заинтересованными организациями и органами местного самоуправления (Госэнергонадзор, ГПС, Региональным управлением по надзору за связью и др.) во время согласования Рабочего проекта будут выявлены его недостатки, не выявленные сторонами при утверждении Акта сдачи-приемки результатов Работ, Подрядчик обязуется устранить такие недостатки за свой счет в срок, не превышающий 10 (десяти) рабочих дней с момента их выявления.
6. Ответственность сторон.
6.1. За невыполнение или ненадлежащее выполнение обязательств по настоящему Договору Подрядчик и Заказчик несут ответственность в соответствии с действующим законодательством Российской Федерации.
6.2. В случае несвоевременного окончания выполнения Работ Заказчик имеет право требовать с Подрядчика уплаты пени в размере 0,3% от общей стоимости Работ по настоящему Договору (п.4.1) за каждый день просрочки, но не более 12% от общей стоимости Работ по настоящему Договору (п.4.1.). При просрочке окончания выполнения Работ на срок более 30 дней, Заказчик имеет право расторгнуть настоящий Договор без какой-либо оплаты выполненных к тому моменту Работ.
6.3.Подрядчик несет ответственность за ненадлежащее составление технической документации (Рабочего проекта), включая недостатки, обнаруженные впоследствии в ходе строительства, а также в процессе эксплуатации объекта, созданного на основе технической документации.
При обнаружении недостатков в технической документации Подрядчик по требованию Заказчика обязан безвозмездно переделать техническую документацию, а также возместить Заказчику причиненные убытки, понесенные им в результате выявленных недостатков.
6.4. Подрядчик несет ответственность за каждый случай разглашения сведений, составляющих коммерческую тайну Заказчика (любой информации, ставшей известной Подрядчику в ходе выполнения работ по настоящему Договору и отмеченной как конфиденциальная) в виде штрафа в размере 10000 долларов США.
6.5. Уплата неустойки (штрафа, пени) не освобождает стороны от исполнения обязательств или устранения нарушений.
6.6. Заказчик вправе удержать суммы пеней и штрафов из суммы, предназначенной для оплаты Работ.
6.7. Субподрядчики не вправе предъявлять к Заказчику требования, связанные с нарушением Договоров, заключенных каждым из них с Подрядчиком. Подрядчик гарантирует освобождение Заказчика от выплат по всем претензиям, требованиям и судебным искам, возникшим из договорных отношений со всеми участвовавшими в Работах субподрядчиками.
6.8. Подрядчик гарантирует освобождение Заказчика от любой ответственности и выплат по всем претензиям, требованиям и судебным искам и от всякого рода расходов, связанных с получением увечий, а также несчастными случаями в процессе выполнения Работ по настоящему Договору.
7. Действие непреодолимой силы.
7.1. Ни одна из сторон не несет ответственности перед другой стороной за задержку, недопоставку или невыполнение обязательств, обусловленных обстоятельствами, возникшими помимо воли и желания сторон и которые нельзя предвидеть или предотвратить разумными мерами, включая объявленную или фактическую войну, гражданские волнения, эпидемии, блокаду, эмбарго, землетрясения, наводнения, пожары и другие стихийные бедствия.
7.2. Сторона, которая не исполняет своего обязательства вследствие действия обстоятельств непреодолимой силы, должна известить об этом другую сторону.
7.3. Если обстоятельства непреодолимой силы действуют на протяжении трех последовательных месяцев и не обнаруживают признаков прекращения, настоящий Договор может быть расторгнут по инициативе одной из сторон путем направления уведомления другой стороне. В этом случае стороны обязаны произвести взаиморасчет по факту выполненных Работ.
7.4. Обстоятельства непреодолимой силы продлевают срок исполнения тех пунктов данного Договора, выполнение которых явилось невозможным вследствие этих обстоятельств.
7.5. Сторона, для которой создалась невозможность надлежащего исполнения обязательств по Договору вследствие наступления обстоятельств непреодолимой силы, должна самостоятельно предпринять все разумные и возможные меры с целью ограничить неблагоприятные последствия, вызванные указанными обстоятельствами.
7.6. Акты государственных органов, принятые после заключения сторонами Договора, содержащие запрет на исполнение Договора, являются обстоятельствами непреодолимой силы и освобождают Стороны от исполнения обязательств в случае, если они имеют юридическую силу, которая распространяется на отношения, возникшие в период действия Договора. Если такие акты препятствуют Сторонам исполнять Договор частично, Стороны приводят Договор в соответствие с новыми требованиями Закона путем заключения дополнительного соглашения.
8. Срок действия Договора и условия его расторжения
8.1. Договор вступает в силу с момента его подписания последней из сторон и действует до полного выполнения сторонами своих обязательств.
8.2. Стороны вправе расторгнуть настоящий Договор в любое время по взаимному соглашению, оформленному в письменном виде, предварительно проведя все взаиморасчеты.
8.3. Заказчик вправе в одностороннем порядке отказаться от исполнения настоящего Договора в следующих случаях:
8.3.1. при нарушении Подрядчиком условий настоящего Договора, ведущих к снижению качества Работ;
8.3.2. при отзыве у Подрядчика Лицензии, дающей право на осуществление Работ;
8.3.3. в иных случаях, предусмотренных действующим законодательством России и условиями настоящего Договора.
8.4. Реорганизация любой из Сторон не является основанием для изменения условий или расторжения настоящего Договора. В этом случае настоящий Договор сохраняет силу для правопреемника соответствующей Стороны.
8.5. Недействительность какого-либо из положений Договора не влечет автоматически недействительности других его положений.
9. Заключительные положения.
9.1. Все споры и разногласия, возникающие между Сторонами по настоящему Договору или в связи с ним, разрешаются путем переговоров. Срок ответа на претензию устанавливается в 10 (десять) рабочих дней. При не достижении согласия путем переговоров, Стороны вправе обратиться в Арбитражный суд г. Москвы.
9.2. Настоящий Договор составлен в двух подлинных экземплярах, по одному для каждой из Сторон.
9.3. Все уведомления и сообщения, касающиеся исполнения обязательств по настоящему Договору, должны направляться в письменной форме и подписаны уполномоченными представителями Сторон. Сообщения будут считаться доставленными надлежащим образом, если они посланы заказным письмом, по телеграфу или доставлены лично по юридическим (почтовым) адреса сторон с получением под расписку соответствующими должностными лицами.
9.4. Заказчик вправе без письменного согласия Подрядчика передавать другим лицам свои права по настоящему Договору. Подрядчик не вправе без письменного согласия Заказчика передавать другим лицам свои права по настоящему Договору.
9.5. Отношения Сторон, не урегулированные настоящим Договором, регулируются в соответствии с действующим законодательством РФ.
Приложения:
1. Приложение . Техническое задание
10. Юридические адреса и платежные реквизиты сторон.
Заказчик:
ТелеСистемы», Москва,
ИНН// № р/с в АКБ «Московский Банк Реконструкции и Развития» № к/с
Подрядчик:
____________________________________________________________________________________________________________________________________________________________________________________________________________________________________________________________________________________
Заказчик Мобильные ТелеСистемы» | Подрядчик |
_________________________ _______________ _____________ «___» ________ 200__ г. | ______________________ _______________ ______________ «___» ________ 200__г. |
МП. МП.
Приложение к Запросу
ДОГОВОР
№ _________________ между
ТелеСистемы»
и
___________________________________(_____________)
на
поставку, монтаж и/или пуско-наладку оборудования
г. МОСКВА
«__» __________ 200__ года.
Нижеприведенный договор на поставку, электромонтаж и пуско-наладку
__________________________________________________________________________________________. Согласован и заключен между:
Открытым акционерным общество «Мобильные ТелеСистемы» (сокращенное наименование – ), зарегистрированным по адресу: Россия Москва, ул. Марксистская, именуемым в дальнейшем ПОКУПАТЕЛЬ, в лице ___________________________________, действующего на основании Доверенности №______ от __________с одной стороны, и ____________________зарегистрированным по адресу: _______________________________именуемым в дальнейшем ПОСТАВЩИК, в лице_ ___________________, действующего на основании Устава с другой стороны.
Стороны договорились о нижеследующем:
1. Определения
Договор подразумевает этот документ.
Дополнение к Договору представляет собой любые изменения и дополнения к Договору, которые согласовываются в письменной форме между Покупателем и Поставщиком.
Покупатель включает в себя понятие Покупателя, определяемого в преамбуле, а также его официальных представителей и правопреемников.
|
Из за большого объема этот материал размещен на нескольких страницах:
1 2 3 |



