ГИДРАВЛИЧЕСКАЯ СХЕМА
|
ТИПЫ АВТОМОБИЛЕЙ, ПОДХОДЯЩИХ ДЛЯ РАБОТЫ НА ПОДЪЕМНИКЕ
Данный подъемник подходит для всех типов автомобилей, общей массой не более 4000 кг и, чьи размеры не превосходят указанных ниже (рис.13)
МАКСИМАЛЬНЫЕ РАЗМЕРЫ АВТОМОБИЛЕЙ
Максимальная ширина 2400 мм
Макс. колесная база 3000 мм
Максимальное расстояние между внешними
краями колес, включая накачку 2000 мм
Минимальное расстояние между внутренними
краями колес, включая накачку 900 мм
Особое внимание уделяйте спортивным автомобилям.
![]() |
Рис. 13
МАКСИМАЛЬНОЕ РАСПРЕДЕЛЕНИЕ ВЕСОВ НА ПОДЪЕМНИКЕ
![]() |
Рис. 14 Рис. 15
ГЛАВА 3 БЕЗОПАСНОСТЬ
Крайне важно внимательно ознакомиться с содержанием настоящей главы от начала до конца, так как она содержит важную информацию относительно опасностей, которым могут подвергаться оператор или слесарь-эксплуатационник при неправильном использовании подъемника.
Далее в тексте инструкции приведены точные объяснения определенных опасных ситуаций и рисков, которые могут возникнуть во время работы персонала или при эксплуатации подъемника, дано описание установленных предохранительных устройств и указания по их правильному использованию, описаны существующие риски и применяемые методы работы (общие и специальные меры предосторожностей, позволяющие устранить опасность возникновения потенциальных рисков).
ПРЕДУПРЕЖДЕНИЕ:
Подъемник спроектирован и изготовлен для выполнения подъема автомобилей и их удержания в поднятом положении на определенной высоте при проведении ремонтных работ в автомастерской. Любое другое использование подъемника не допускается. В особенности, подъемник не предназначен для:
проведения на нем работ по промывке автомобилей;
использования подъемника для подъема персонала или грузов;
использования в качестве пресса;
использования в качестве лифта;
использования в качестве домкрата для подъема кузова автомобиля или для снятия колес.
Изготовитель не несет ответственности за какие-либо травмы, нанесенные персоналу или механические повреждения автомобилей и других объектов собственности, вызванные неправильным или неразрешенным использованием подъемников.
При выполнении операций подъема или опускания подъемника оператор обязан находиться в зоне, расположенной
у пульта управления, как это показано на рисунке 14.
Нахождение посторонних лиц в опасных зонах, обозначенных на том же рисунке, категорически запрещено.
При выполнении работ персонал допускается в расположенную под автомобилем зону, только когда автомобиль
зафиксирован в поднятом положении.
НЕ ИСПОЛЬЗУЙТЕ ПОДЪЕМНИК БЕЗ ПРЕДОХРАНИТЕЛЬНЫХ УСТРОЙСТВ ИЛИ ЕСЛИ ЭТИ УСТРОЙСТВА БЫЛИ ДЕМОНТИРОВАНЫ.
НЕСОБЛЮДЕНИЕ ЭТОГО ТРЕБОВАНИЯ МОЖЕТ СТАТЬ ПРИЧИНОЙ НАНЕСЕНИЯ СЕРЬЕЗНЫХ ТРАВМ ПЕРСОНАЛУ ИЛИ ПРИЧИНЕНИЯ НЕПОПРАВИМОГО УЩЕРБА ПОДЪЕМНИКУ И ПОДНИМАЕМОМУ АВТОМОБИЛЮ.
![]() |
Рис. 16
ОБЩИЕ МЕРЫ ПРЕДОСТОРОЖНОСТИ
Оператор и слесарь-эксплуатационник должны соблюдать требования норм техники безопасности, действующие в стране установки подъемника.
Кроме того, оператор и слесарь-эксплуатационник обязаны:
всегда работать только в определенных зонах, обозначенных в настоящей инструкции;
никогда не демонтировать и не отключать автоматических, электрических и других предохранительных устройств;
читать указания мер безопасности на табличках, прикрепленных к деталям подъемника и приведенных в инструкции.
В настоящей инструкции указания мер безопасности показаны следующим образом:
ОПАСНОСТЬ: указывает на высокую степень возникновения опасности,
которая может привести к серьезным травмам или к смерти.
ПРЕДУПРЕЖДЕНИЕ: указывает на наличие ситуаций и/или типов
операций, которые являются небезопасными и могут вызвать нанесение более или менее тяжких повреждений или привести к смерти.
ОСТОРОЖНО: указывает на наличие ситуации и/или типов
операций, которые являются небезопасными и могут вызвать нанесение незначительных травм персоналу и/или причинение ущерба подъемнику, автомобилю или другим объектам собственности.
ОПАСНОСТЬ ПОРАЖЕНИЯ специальные указания мер безопасности, установленные
ЭЛЕКТРИЧЕСКИМ ТОКОМ: на подъемнике в тех местах, где опасность поражения электрическим током особенно высока.
ПОТЕНЦИАЛЬНЫЕ ОПАСНОСТИ И ПРЕДОХРАНИТЕЛЬНЫЕ УСТРОЙСТВА
Изучим опасности, которым подвергаются операторы и техники эксплуатационных служб, когда автомобиль установлен на платформах подъемника в поднятом положении, а также различные предохранительные устройства, которые рекомендованы к применению изготовителем оборудования, и используемых для сведения опасности возникновения таких рисков к минимуму.
ПРОДОЛЬНЫЕ ПЕРЕМЕЩЕНИЯ
Продольные перемещения -- движение транспортного средства, установленного на подъемник, вдоль последнего.
Чтобы защитится от последствий продольных перемещений, на подъемнике в передней его части установлены тормоза (1) , и поворотные заезды (2) в задней части. Эти детали являются неотъемлемой частью платформ и служат, чтобы защитить транспортное средство в течение подъема и опускания, и когда транспортное средство находится в поднятом положении от продольных перемещений, таким образом предотвращая любое потенциально опасное движение.

Рис. 17
БОКОВЫЕ ПЕРЕМЕЩЕНИЯ
Движения транспортного средства к правому или левому краю подъемника, особенно в течение движения подъема.
Устройства безопасности для защиты от боковых перемещений представляют собой выступающие над внутренними краями платформ реборды, которые эффективно останавливают боковые перемещения.

Рис. 18
Для оптимальной личной безопасности и безопасности транспортных средств, соблюдайте следующие инструкции:
· не входите в зону безопасности, в то время как транспортные средства опускаются/поднимаются (см. Рис. 16),
· выключите двигатель транспортного средства, включите передачу, и задействуйте ручной тормоз,
· удостоверьтесь, что транспортное средство помещено правильно (см. Рис. 19);
· убедитесь, что вес поднимаемого транспортного средства, не превышает грузоподъемность оборудования, максимальную высоту, длину и ширину транспортного средства ;
удостоверьтесь, что нет людей на платформах в течение подъема и опускания, и в течение постоянного пребывания автомобиля в поднятом положении (Рис. 19).

Рис. 19
ПОТЕНЦИАЛЬНЫЕ РИСКИ ПРИ ПОДЪЕМЕ
Для защиты от перегрузки оборудования и возможных механических повреждений установлены защитные устройства:
- При перегрузке оборудования срабатывает предохранительный клапан в блоке насосной станции (1, Рис. 20). Масло при этом циркулирует внутри станции.
![]() |
Рис. 20 Рис.21
- Если разрушается один или более шлангов гидравлической системы, срабатывает блокировочный клапан цилиндра (2, Рис. 21). Высота движения подвижной части подъемника при подъеме ограничивается концевым выключателем на командной стойке (1) и ограничительными пластинами (2)на верхней части всех стоек. (Рис. 22).
![]() |
Рис. 22
· При обрыве троса замок безопасности (3) останавливает подвижную часть подъемника в ближайшей прорези линейки безопасности (Рис. 23), а выключатель – датчик троса (4)прерывает подачу электропитания на насосную станцию (Рис. 24).

Рис. 23 Рис. 24
РИСКИ ДЛЯ ПЕРСОНАЛА
РИСК ТРАВМИРОВАНИЯ (ОПЕРАТОР)
§ Чтобы избежать травм пир работе с подъемником, оператор должен находится только около пульта управления в “операторской зоне” (рис.25).

Рис. 25
РИСК ТРАВМИРОВАНИЯ (ПЕРСОНАЛ)
§ Во время фазы спуска/подъема, никто не должен находится в опасной зоне подъемника
(рис.26) и оператор должен производить действия только после того, как убедится, что в опасных зонах никто не находится (Рис. 16, 26, 27).
![]() |
Рис. 26 Рис. 27
РИСК УШИБА
§ При поднятом подъемнике возможен риск ушиба о поднятые части подъемника (рис. 28)
![]() |
Рис. 28
РИСК СМЕЩЕНИЯ АВТОМОБИЛЯ
§ В случае превышения габаритов или неправильной установки автомобиля на подъемнике существует опасность смещения автомобиля (бокового или продольного), что может причинить вред персоналу (рис. 29-30).
![]() | ![]() |
Рис. 29 Рис. 30
РИСК СКОЛЬЖЕНИЯ
§ Следите, чтобы рабочая зона была чистой, чтобы на полу не было масла (рис.32).
![]() |
Рис. 32
РИСК ПОРАЖЕНИЯ ЭЛЕКТРОТОКОМ
§ Чтобы избежать риска электрошока, необходимо избегать попадания воды или пара на электрические части подъемника.
ОПАСНОСТИ, СВЯЗАННЫЕ С НЕДОСТАТОЧНОСТЬЮ ОСВЕЩЕНИЯ
Оператор и слесарь-эксплуатационник должны следить за тем, что все зоны подъемника имели правильное и достаточное освещение в соответствии с требованиями норм законодательства, действующего в стране установки подъемника
ОПАСНОСТЬ ПОЛОМКИ ДЕТАЛЕЙ ВО ВРЕМЯ ЭКСПЛУАТАЦИИ
При изготовлении конструкции подъемника фирма-изготовитель использовала соответствующие материалы и технологию производства для выпуска надежного и безопасного подъемника. Тем не менее, следует принять во внимание, что подъемник должен использоваться только в соответствии с предписаниями изготовителя, и необходимо соблюдать периодичность выполнения проверок и технического обслуживания, рекомендованную изготовителем в Главе 6 "ЭКСПЛУАТАЦИЯ".
ОПАСНОСТИ, СВЯЗАННЫЕ С НЕПРАВИЛЬНЫМ ИСПОЛЬЗОВАНИЕМ ПОДЪЕМНИКА
Во время работы подъемника или когда автомобиль уже поднят, стоять или сидеть на платформах не разрешается (Рис. 33).
![]() |
Рис. 33
Любое иное использование подъемника в целях, для которых он не предназначен, может привести к серьезным авариям и травмам лиц, работающих в непосредственной близости с подъемником
Поэтому крайне важно точно соблюдать все указания мер безопасности относительно правил эксплуатации и технического обслуживания, содержащиеся в настоящей инструкции

Рис. 34 Предупредительные надписи и ярлыки
ГЛАВА 4. УСТАНОВКА
СЛЕДУЮЩИЕ ОПЕРАЦИИ ДОЛЖНЫ ВЫПОЛНЕНЯТЬСЯ ИСКЛЮЧИТЕЛЬНО СПЕЦИАЛИЗИРОВАННЫМ ТЕХНИЧЕСКИМ ПЕРСОНАЛОМ УПОЛНОМОЧЕННОГО ФИРМОЙ-ИЗГОТОВИТЕЛЕМ ОФИЦИАЛЬНОГО ДИЛЕРА ИЛИ ТЕХНИЧЕСКОГО ЦЕНТРА. ВЫПОЛНЕНИЕ ЭТИХ ОПЕРАЦИЙ ДРУГИМИ ЛИЦАМИ МОЖЕТ ПРИВЕСТИ К СЕРЬЕЗНЫМ ТРАВМАМ ПЕРСОНАЛА И/ИЛИ НАНЕСЕНИЮ МЕХАНИЧЕСКИХ ПОВРЕЖДЕНИЙ ПОДЪЕМНИКУ.
ПРОВЕРКА СОБЛЮДЕНИЯ ТРЕБОВАНИЙ К УСТАНОВКЕ
Подъемник предназначен для установки в закрытом производственном помещении, защищенном от воздействия внешних погодных условий. Место установки должно быть расположено в стороне от мест производства помывочных или покрасочных работ, от мест хранения растворителей и красок, а также мест с повышенной взрывоопасностью.
ПРОВЕРКА СООТВЕТСТВИЯ РАЗМЕРОВ ПОМЕЩЕНИЯ И БЕЗОПАСНЫХ ПРОХОДОВ
Подъемник должен быть установлен с учетом ширины проходов между стенами, колоннами, другими автомобилями и т. п., как показано на Рисунке 31, и в соответствии с любыми требованиями законодательства, действующего в стране установки оборудования.
|
![]() |
Рис. 35
ОСВЕЩЕНИЕ
Все части подъемника должны быть одинаково и достаточно освещены, чтобы обеспечить безопасность проведения регулировок и операций по эксплуатации и техническому обслуживанию, определенных в настоящей инструкции, а также не должны иметь зон затемнения, бликов отраженного света и зон недостаточной освещенности, которые могут вызвать усталость зрения.
Установленное освещение должно соответствовать требованиям норм законодательства, действующим в стране установки подъемника (ответственность за соблюдение этих требований возлагается на электрика).
ПОВЕРХНОСТЬ ПОЛА
|
![]() |
Рис. 36
|
![]() |
Рис. 37
5. Пол должен быть выровнен таким образом, чтобы разность уровней между местами установки любых двух колонн (соседних и по диагонали) не превышала 5 мм.
6. К месту установки передней левой колонны (ближайшая к водителю) должно быть подведено 3-х фазное напряжение 380В 4-х жильным кабелем (3 фазы + заземление). Каждая жила должна иметь сечение 4 мм2 (при использовании провода меньшего сечения возможен перегрев и возгорание проводов, при использовании провода большего сечения будет затруднено его подсоединение к подъемнику).
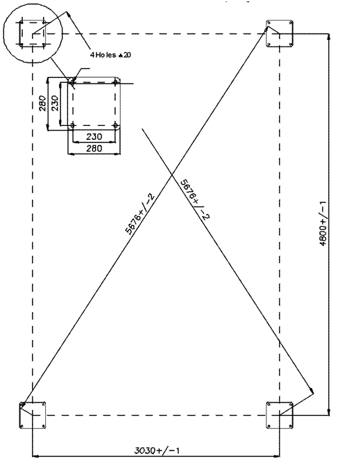
ПОДГОТОВКА ПОЛА -- РАЗМЕТКА
Нанесите метки на пол для установки стоек подъемника в соответствии со схемой (рис.38)
Допуски:
- Прямые размеры +/- 1 мм
- Диагонали +/- 2 мм
![]() |
Рис. 38
Примечание.
1. Пользователь не должен сверлить какие-либо отверстия в полу или устанавливать в
пол металлические "закладные" на месте установки колонн. Это делается
непосредственно при установке подъемника представителями сервисной службы.
2. Допуск на выравнивание пола составляет 5 мм для мест
установки колонн (между любыми двумя колоннами - как соседними, так и по
диагонали).
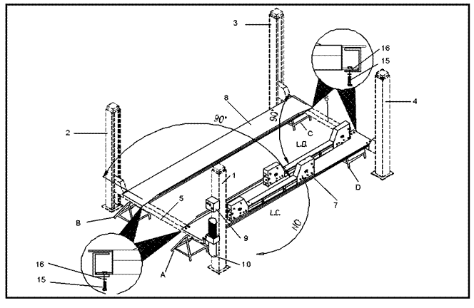
СБОРКА ПЛАТФОРМЫ
1- На месте расположения подъемника установить 4 поддерживающие опоры, которые могут выдержать вес 250 кг каждая, как указано на рис.39 (А-В-СД).

Рис. 39
2- Распакуйте 4 колонны (1-2-3-4), подвижную платформу (8), гидравлический узел (10), и аксессуары.
3- Установите на 2 опоры (А-Д) фиксируемую платформу (7) с двумя траверсами (5-6).
4- Установите траверсу (5) на опору (В) и привинтите ее к фиксируемой платформе (7) винтами (15) М12х25 и гайками (16) Æ12х20. Во время этой фазы важно контролировать, чтобы тросы находились в правильной позиции (рис.40).
5- Установите на траверсе (поз.5-6 рис.39) передвижную платформу (8).
6- Проверьте квадратуру и диагонали установленных платформ: проверьте, чтобы передвижная платформа (8) свободно скользила между траверсами (5-6), для этого необходимо завинтить до основания винты (15) для фиксации неподвижной платформы (7).

Рис
Рис. 40
![]() |
|
Подготовка командной стойки
|

Рис. 42
![]() |
|
Отвинтите гайки М20 (поз.25 рис.42) шайбы Æ21х37 (26), расположенные на концах троса и вставьте наконечник (19) в отверстие верхнее колонны.
Рис.42: Закрутите снятые гайки и шайбы на наконечник. Во время этой операции, важно проверить, чтобы сенсоры (17 рис.45) были правильно установлены на тросе (18 рис. 45).

Рис. 44 Рис. 45
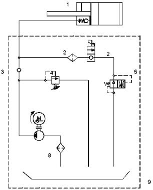
СОЕДИНЕНИЕ ГИДРАВЛИЧЕСКОЙ СИСТЕМЫ (Рис.46)
![]() |
Рис. 46
ЭЛЕКТРОСОЕДИНЕНИЯ
|
Рис. 47
Подсоедините кабель электромагнитов к пульту управления, включая заземление –желто/зеленого цвета.
|
Рис. 48
ВНИМАНИЕ
ВСЕ ПЕРЕЧИСЛЕННЫЕ РАБОТЫ ДОЛЖНЫ ВЫПОЛНЯТЬСЯ ТОЛЬКО КВАЛИФИЦИРОВАННЫМ ПЕРСОНАЛОМ.
Прежде, чем осуществлять какие-либо действия проверьте:
Рис. 49

|
Рис. 50
![]() |
Рис. 51
Рис. 52

|
Рис.53
Рис. 54
Рис. 55
МОНТАЖ ЗАЕЗДОВ И ТОРМОЗОВ КОЛЕС
Заезды (41, рис. 56) и тормоза колес (42) можно установить с обеих сторон платформ (7-8), в соответствии с пожеланиями владельца. Вставьте с нужной стороны заезды (41) и закрепите шпилькой (46), а аотом закрепите винтами М10х25 (43), шайбами Æ11х30 (44) и гайками М10 (45) тормоза колес (42) с противоположной стороны. При необходимости затяните регулировочные винты (50 и 51).

Рис. 56
РЕГУЛИРОВКА ТРОСОВ (Рис. 57)
Установите транспортное средство на подъемник.
Поднимите платформу на максимальную высоту и проверьте, что все четыре замка безопасности (32) входят в пазы линеек безопасности (12).
Проверьте, что расстояние от замка безопасности (32) до нижнего края паза линейки безопасности (12) на всех четырех стойках не менее 20 мм; если этот размер будет меньше, это будет препятствовать открытию замков безопасности при опускании платформы.
При необходимости регулируйте положение платформы гайками (20) на резьбовых наконечниках (19) тросов(33) и положение концевого выключателя подъема.
По окончании регулировки затяните контргайки (35).
ВАЖНО: Описанная регулировка должна быть повторена через 1 – 2 недели после ввода подъемника в эксплуатацию.

Рис. 57
ПРОВЕРКИ И ИСПЫТАНИЯ ПЕРЕД ЗАПУСКОМ В ЭКСПЛУАТАЦИЮ
Проверки механики
· Установка оборудования по уровню
· Фиксация и затяжка резьбовых соединений
· Плавное скольжение подвижных частей
· Чистота различных частей оборудования
· Устройства безопасности
Проверки электрики
· Правильность электросоединений в соответствии со схемами
· Установка заземления
· Работа узлов:
- Концевой выключатель подъема
- Концевые выключатели тросов
- Электроклапан опускания
Проверка гидравлики
· Наличие масла и его уровень
· Отсутствие протечек
· Работу цилиндра
Внимание! При обнаружении отсутствия масла в емкости, необходимо долить нужное количество соответствующего масла ( см. главу 6 Обслуживание).
Проверка направления вращения двигателя
Проверьте, чтобы вращение мотора происходило в соответствии со стрелкой на панели гидравлического насоса, обозначающей его направление вращения. Проверку нужно производить кратковременным запуском мотора ( не более 2 секунд).
В случае неудовлетворительной работы гидравлики См. таблицу возможных неисправностей (Глава7).
ВНИМАНИЕ
Перечисленные ниже работы находятся в компетенции специалистов авторизованного сервисного центра.
· Проверка подъемника без груза (без автомобиля)
Производится проверка:
- Работа кнопок «Вверх» и «Вниз».
- Подъемник доходит до максимальной высоты
- Отсутствия вибрации в колоннах и траверсах
- Работа замков безопасности
- Работа концевого выключателя подъема
- Работа концевых выключателей тросов
- Работа электромагнитов
Для проверки вышеуказанных действий нужно произвести два-три цикла подъема-спуска.
· Проверка с грузом. Произведите вышеописанные проверки с автомобилем на подъемнике.
· После произведения проверки с весом необходимо произвести визуальный контроль подъемника и проверить затяжку резьбовых соединений.
ГЛАВА 5 ЭКСПЛУАТАЦИЯ

|
|
Из за большого объема этот материал размещен на нескольких страницах:
1 2 3 |






















