Учреждение образования
«Мозырский государственный педагогический
университет имени И. П. ШАМЯКИНА»
Кафедра методики технологического образования
ТЕХНОЛОГИЯ ОБРАБОТКИ МЕТАЛЛОВ
Раздаточный материал
для подготовки к государственным экзаменам
Мозырь 2013
Составитель:
, старший преподаватель кафедры методики технологического образования УО МГПУ им. И. П. Шамякина;
В данной работе раскрываются теоретические основы и технология ручной, механизированной и механической обработки металлов. Материал написан в соответствии с действующей типовой программой, содержит основные рекомендации по выполнению технологических операций.
Адресуется выпускникам дневной и заочной форм получения высшего образования по специальностям 1-02 06 01 Технология (по направлениям); 1-02 06 02 Технология (по направлениям). Дополнительная специальность для подготовки к государственным экзаменам по дисциплине «Технология обработки металлов». Может быть использована в работе студентов второго и третьего курсов факультета технологии.
СОДЕРЖАНИЕ
Тема 1.1 Общие сведения о ручной и механизированной
обработке металлов………………………………………….…………..4
Тема 1.2 Измерение заготовок из металлов.................................................7
Тема 1.3 Правка металлов............................................................................11
Тема 1.4 Разметка заготовок из металлов………….…………….…..……13
Тема 1.5 Рубка металлов...........................................................................15
Тема 1.6 Резка металлов ножницами……………………………………....17
Тема 1.7 Резка металлов ножовкой………………………………….……19
Тема 1.8 Опиливание металлов ……………………………………….…...21
Тема 1.9 Гибка металлов……………………………..……..……..........…24
Тема 1.10 Сверление металлов…………………………….………..….…25
Тема 1.11 Шлифование металлов…………………………….….……......26
Тема 1.12 Отделка металлов……………………………....………………27
Тема 1.13 Сборка деталей из металлов на клею…….…………………...28
Тема 1.14 Сборка деталей из металлов фальцевым швом..……….……29
Тема 1.15 Сборка деталей из металлов паяным швом……..…………...30
Тема 1.16 Сборка деталей из металлов на заклёпках……….………..…32
Тема 1.17 Сборка деталей из металлов на резьбе……………………….34
Тема 1.18 Заточка слесарного инструмента……………………………....37
Тема 2.1 Общие сведения о механической обработке металлов…………..39
Тема 2.2 Резка металлов механической ножовкой.........................................41
Тема 2.3 Сверление металлов на станках.......................................................42
Тема 2.4 Точение металлов………….………………………………..……43
Тема 2.5 Фрезерование металлов....................................................................49
Тема 2.6 Заточка станочного инструмента………………………………....50
СПИСОК РЕКОМЕНДУЕМОЙ ЛИТЕРАТУРЫ…………………...…51
Тема 1.1. Общие сведения о ручной и механизированной обработке металлов
1.1.1 Технологический процесс ручной и механизированной обработки металлов и его составные элементы
Совокупность всех действий людей и орудий производства, необходимых на данном предприятии для изготовления или ремонта выпускаемых изделий, называется производственным процессом. Он включает обработку деталей, сборку из них готовой продукции, ремонт оборудования, изготовление оснастки – режущего инструмента, приспособлений, штампов, пресс-форм, калибров и т. д. Та часть производственного процесса, которая содержит действия по изменению состояния одного определенного предмета производства и последующему определению этого состояния, называется технологическим процессом. Таким образом, производственный процесс связан с изготовлением изделия в целом, технологический процесс относится к изготовлению какой-либо конкретной детали.
Технологический процесс – часть производственного процесса, которая содержит выполняемые в определенной последовательности действия с целью получения из заготовки детали с определенными формой, размерами, чистотой поверхности и свойствами.
Технологический процесс состоит из технологических операций.
Технологическая операция – это законченная часть технологического процесса, выполняемая на одном рабочем месте. Часть технологической операции, выполняемая при неизменном закреплении обрабатываемой заготовки или собираемой сборочной единицы называется установом.
Технологическая операция подразделяется на переходы. Технологический переход представляет законченную часть технологической операции, которая характеризуется постоянством применяемого инструмента и постоянством поверхностей, образуемых обработкой, или соединяемых при сборке. Помимо технологических переходов, при которых производится изменение формы, размеров и чистоты поверхностей, различают также вспомогательные переходы, связанные с подготовкой к выполнению технологического перехода. К вспомогательным переходам относятся: установка заготовки, снятие детали, замена инструмента и т. п. Переходы включают рабочие и вспомогательные ходы. Рабочий ход – это законченная часть технологического перехода, состоящая из однократного перемещения инструмента относительно заготовки, необходимого для изменения формы, размеров, чистоты поверхности или свойств заготовки. Вспомогательный ход – это те перемещения инструмента относительно заготовки, которые необходимы для выполнения рабочего хода (подвод, отвод инструмента и т. п.).
1.1.2. Графическая документация и ее виды
Эскиз – это чертеж, предназначенный для разового использования в производстве, выполненный «от руки», в глазомерном масштабе, с соблюдением пропорций изображаемого предмета, по правилам прямоугольного проецирования и содержащий все данные для изготовления изделия. Если эскиз используют многократно, то по эскизу выполняют чертеж.
Эскизы деталей, как правило, выполняются в следующих случаях:
- при разработке конструкции новой детали;
- при необходимости доработки конструкции детали в опытном варианте;
- для изготовления детали в случае выхода ее из строя в процессе эксплуатации.
Эскиз требует тщательной проработки и соблюдения всех правил выполнения чертежей деталей, установленных стандартом. Эскиз выполняется карандашом с мягким грифелем (М, МТ) на бумаге в клетку. Пропорциональность определяется на глаз, однако размеры на эскизе должны соответствовать действительным размерам детали. Каждый эскиз сопровождается основной надписью.
Разница между чертежом и эскизом заключается в том, что первый выполняется в масштабе – чертежными инструментами, а второй – от руки в глазомерном масштабе. На рисунке 1.1.2.1, а, б показаны эскиз и чертеж подшипника.

Рисунок 1.1.2.1 – Эскиз и чертеж подшипника
Технический рисунок – наглядное изображение предмета, выполненное по правилам аксонометрических проекций без чертежных инструментов (от руки), в глазомерном масштабе, с соблюдением пропорциональных соотношений размеров.
Форма предмета на техническом рисунке выявляется с помощью оттенения. Оно осуществляется приемами шатировки (штрихами), шраффировки (штриховка в виде сетки) и точечным оттенением (рис. 1.1.2.2, 1.1.2.3).

Рисунок 1.1.2.2 – Приемы выявления объема

Рисунок 1.1.2.3 – Типы наглядных изображений
|
Тема 1.2. Измерение заготовок из металлов
1.2.1 Измерение заготовок из металлов. Методы измерения
Под измерением понимают сравнение некоторой величины (длины, площади т. д.) с одноименной величиной, принимаемой за единицу.
Ни одно измерение не может быть произведено абсолютно точно, даже если инструмент выбран правильно. Между измеренным значением величины и ее действительным значением существует всегда некоторая разница, которая называется погрешностью измерения. Погрешность измерения следует стремиться свести к минимуму. Чем меньше погрешность, тем выше точность измерения.
Точность измерения – ошибка, которая неизбежна при использовании в качестве измерителя того или иного инструмента. Самый простой способ уменьшения погрешности – проводить измерение не один раз, а несколько, и затем вычислить среднее арифметическое из результатов каждого измерения.
На практике пользуются абсолютным, относительным, косвенным и другими методами измерений.
При абсолютном методе производится отсчет всей измеряемой величины (штангенинструменты, микрометры, универсальный угломер и др.). Например, если деталь имеет размер 25,42 мм, то по шкале микрометра мы полностью читаем этот размер.
При относительном (сравнительном) методе измеряемый размер сравнивается с установочной мерой и производится отсчет положительных или отрицательных отклонений от последней. Например, при помощи щупа размером 0,8 находим величину зазора между деталями изделия.
Косвенный метод измерения характерен тем, что искомая величина определяется косвенно по результатам измерения какой-либо другой величины, находящейся в определенной зависимости от искомой. Примером может служить определение длины окружности путем замера диаметра или нахождение величины конусности по результатам измерения диаметров двух сечений и по величине расстояния между этими сечениями и др. Косвенные методы требуют наряду с замерами выполнение некоторых математических расчетов.
1.2.2 Виды контрольно-измерительных инструментов
Для измерения заготовок, как в процессе изготовления, так и после окончания обработки применяют контрольно-измерительные инструменты.
К наиболее распространенным инструментам для измерения заготовок при обработке металлов относятся измерительные металлические линейки, штангенинструменты, микрометрические инструменты, угломеры, поверочные линейки, плиты и угольники, шаблоны, щупы, предельные калибры.
Универсальный мерительный инструмент – стальная линейка для измерения линейных размеров. Стальной металлический метр применяется для тех же целей, что и линейка, но для компактности он состоит из отдельных звеньев, соединенных шарнирно. Точность измерения такой линейкой и метром составляет 0,5–1 мм.
Штангенциркуль предназначен для измерения наружных и внутренних размеров деталей и глубины отверстия. Штангенциркули бывают разных видов, они отличаются пределами и точностью измерения.
На рисунке 1.2.2 показано устройство штангенциркуля ШЦ-I, точность измерения которого составляет 0,1 мм. Он состоит из штанги 5 с неподвижными губками 1 и 2, по которой перемещается подвижная рамка 4 с подвижными губками 3 и 8. Рамку можно закреплять в нужном положении стопорным винтом. На штанге нанесены деления, которые образуют миллиметровую шкалу. Цена ее деления – 1 мм. Длина миллиметровой шкалы – 150 мм.
С помощью микрометра можно измерять размеры деталей с точностью до сотых долей миллиметра. Им измеряют только чисто обработанные поверхности. На рисунке 6 показано устройство микрометра.
Угломер предназначен, как указывает его название, для измерения углов заготовок. Он представляет собой полудиск с измерительной шкалой, на котором закреплена линейка и передвижной сектор с нанесенным на него нониусом. Передвижной сектор можно зафиксоровать на полудиске стопорным винтом. К сектору прикреплен также угольник и съемная линейка.

1,2 –
Рисунок 1.2.2 – Штангенциркуль ШЦ-I:
неподвижные губки; 3, 8 – подвижные губки; 4 – подвижная рамка; 5 – штанга; 6 – линейка глубиномера; 7 – шкала нониуса.
Для измерения величины зазора используется щуп - набор тонких пластин, закрепленных в одной точке. Каждая из них имеет известную толщину. Собирая из пластин щуп определенной толщины, можно измерить величину зазора.
1.2.3 Размеры, определяющие точность изготовления деталей.
Понятие о допуске.
Размеры деталей определяют с учетом неточностей изготовления и возможных погрешностей измерений. Абсолютно точно выдержать размеры у всей партии деталей практически невозможно, а иногда достижение высокой точности экономически даже нецелесообразно.
В процессе конструирования устанавливают наибольшие и наименьшие предельные размеры, обеспечивающие нормальное функционирование изделия, его безотказность и долговечность.
Основной расчетный размер, проставляемый на чертеже детали, называется номинальным размером (например, номинальные диаметры, соответственно, отверстия и вала Dн, dн). Предельными называются два предельно допустимых размера (наибольший и наименьший), между которыми должен находиться или которым может быть равен действительный размер. Под действительным понимают размер, установленный измерением с допустимой погрешностью.
Верхним предельным отклонением называется алгебраическая разность между наибольшим предельным и номинальным размерами.
Нижним предельным отклонением называется алгебраическая разность между наименьшим предельным и номинальным размерами.
Действительным отклонением называется алгебраическая разность между действительным и номинальным размерами. Отклонение является положительным, если предельный или действительный размер больше номинального, и отрицательным, если указанные размеры меньше номинального.
На машиностроительных чертежах предельные отклонения указывают в миллиметрах более мелким шрифтом (например, 30-0,2+0,1; 30+0,1+0,2; 30-0,2-0,1). При равенстве абсолютных величин отклонений их указывают один раз со знаком ± рядом с номинальным размером и одинаковым с ним шрифтом (например, 50±0,2). Отклонение, равное нулю, на чертежах не ставят. В этом случае дают только одно отклонение — положительное на месте верхнего или отрицательное на месте нижнего предельного отклонения (например, 50+0,01; 50-0,01).
По приведенным на чертеже номинальному размеру, верхнему и нижнему отклонениям определяют наибольший и наименьший предельные размеры. Например, на чертеже дан размер 40-0,1+0,2. Это значит, что наибольший предельный размер 40+0,2=40,2 мм, а наименьший 40—0,1 = =39,9 мм. Разность между наибольшим и наименьшим предельными размерами называют допуском размера Т. Его можно определить и как абсолютную величину алгебраической разности между верхним и нижним отклонениями.
Допуск характеризует заданную точность изготовления. Чем больше допуск, тем меньше точность.
Тема 1.3. Правка металлов
Правкой называют технологическую операцию по устранению дефектов формы заготовок – выпуклостей, вмятин, волнистости, скрученности.
Металл можно править как в холодном, так и в нагретом виде. Нагретый металл правится легче, как и при других видах пластического деформирования металлов, например при гибке.
В мастерских правку нужно производить на наковальне или массивной плите, изготовленной из стали или чугуна. Рабочая поверхность плиты должна быть ровной и чистой (рисунок 1.3.1). Чтобы шум от ударов был менее громким, плиту следует устанавливать на деревянном столе.

Рисунок 1.3.1 – Плита для правки металлов
Для правки необходимы специальные слесарные инструменты. Нельзя производить её любым молотком, который есть под рукой, металл может не только не выправиться, но и получить еще большие дефекты. Молоток должен быть изготовлен из мягкого материала – свинца, меди, древесины или резины. Кроме того, нельзя править металл молотками с квадратным бойком: он будет оставлять на поверхности следы в виде забоин. Боёк молотка должен быть круглым и отполированным.
Правка полосового металла, изогнутого в плоскости, – это наиболее простая операция. Изогнутую заготовку нужно расположить таким образом, чтобы она имела две точки соприкосновения с наковальней. Удары молотком или кувалдой нужно наносить по наиболее выпуклым местам и уменьшать силу ударов по мере того, как выпуклости становятся меньше. Не следует наносить удары только с одной стороны заготовки – металл может выгнуться в обратную сторону. Чтобы этого не случилось, заготовку нужно время от времени переворачивать. По той же причине не стоит наносить несколько ударов подряд по одному и тому же месту.
Если имеется несколько выпуклостей, сначала необходимо выправить края заготовки, а затем её середину.
Сложность правки листового металла зависит от того, какого типа дефект имеет лист – волнистость, выпуклость или вмятину и где он находится – в середине листа или на периферии. Ещё сложнее правка, когда эти типы дефектов сочетаются одновременно (рисунок 1.3.2).
Во время правки выпуклости нужно наносить удары, начиная от края листа по направлению к выпуклости (рисунок 1.3.2, а). Наиболее распространённая ошибка заключается в том, что самые сильные удары наносятся по тому месту, где выпуклость наибольшая, а в результате на выпуклом участке появляются небольшие вмятины, которые ещё более ухудшают неровную поверхность. Кроме того, металл в таких случаях испытывает очень сильную деформацию на разрыв. Поступать нужно как раз наоборот: удары должны становиться слабее, но чаще, по мере того как правка приближается к центру выпуклости. Лист металла нужно постоянно поворачивать в горизонтальной плоскости, чтобы удары равномерно распределялись по всей его поверхности.


Рисунок 1.3.2 – Правка металлов:
а – устранение выпуклости листовой заготовки;
б – устранение волнистости листовой заготовки; в – правка тонколистового металла бруском-гладилкой; г– контроль правки металлов
Если середина листа ровная, а края искажены волнами, то последовательность ударов при правке должна быть противоположной: их следует наносить, начиная от середины, продвигаясь к изогнутым краям (рисунок 1.3.2, б). Когда металл в середине листа растянется, волны на его краях исчезнут.
Очень тонкие листы невозможно править даже молотками из мягкого материала: они не только оставят вмятины, но могут и порвать тонкий металл. В этом случае для правки применяют бруски-гладилки из металла или древесины, которыми лист выглаживают с обеих сторон, периодически поворачивая его (рисунок 1.3.2, в). Качество правки контролируют с помощью поверочной линейки (рисунок 1.3.2, г) или измерительной металлической линейки.
Тема 1.4 Разметка заготовок из металлов
Разметкой называется технологическая операция нанесения на поверхность заготовки линий (рисок), определяющих согласно чертежу контуры детали или места, подлежащие обработке.
Заготовки, подлежащие разметке, могут быть в виде отливок, поковок или, чаще всего, в виде кусков прокатанного металла – листов, прутков и т. п. Перед разметкой следует тщательно осмотреть заготовку и проверить, нет ли в ней трещин, раковин и других дефектов, соответствует ли она по своим размерам рисунку (чертежу или эскизу), т. е. можно ли из заготовки получить деталь с учётом припуска на обработку. Поверхности, подлежащие разметке, часто бывает целесообразно предварительно окрасить, чтобы на них были лучше видны разметочные линии.
Для окраски поверхностей заготовок из стали и чугуна применяют медный купорос (2…3 чайные ложки на стакан горячей воды) или натирание смоченной поверхности куском купороса.
Цветной прокат, а также драгоценные металлы не окрашиваются, так как разметочные линии хорошо видны; в отдельных случаях (для более четкого нанесения рисунка) они окрашиваются белой акварельной краской или гуашью.
Для разметки заготовок из металлов применяют инструменты, показанные на рисунке 1.4.
Правила выполнения приёмов разметки металлов
Начинают разметку с выбора базы, т. е. линии или плоскости, от которых будут откладываться размеры. Если на заготовке имеется обработанная поверхность, то её принимают за базу. У симметричных деталей за базу удобно принимать ось симметрии или центровую линию, которые наносятся в первую очередь. Для закрепления разметочных линий их накернивают на концах и в точках пересечения. Накернивают также и центры отверстий.
При пространственной разметке очень важно выдержать правильное взаимное расположение плоскостей, на которых ведётся разметка.
При разметке художественных изделий часто применяют разметку по шаблонам – на каждую размечаемую поверхность изготовляют шаблон. На детали размечают центровые риски и по ним ориентируют шаблон, а затем чертилкой шаблон обводят по контуру.
Применение шаблонов в несколько раз сокращает время на разметку и значительно её упрощает, позволяют повторять разметку и получать серию однотипных изделий.
При разметке чертилку ведут вплотную вдоль линейки. Чтобы чертилка примыкала к линейке, её наклоняют под углом 75…80° к размечаемой поверхности; кроме того, она должна быть наклонена примерно под тем же углом по направлению движения. В процессе проведения риски наклон чертилки не должен изменяться; линию проводят только один раз; если линия проведена плохо, её следует закрасить и провести вновь.

Рисунок 1.4 – Инструменты для разметки заготовок из металлов:
а – линейка; б– штангенциркуль; в – транспортир; г – угольник;
д – круглая чертилка; е – чертилка с отогнутым концом;
ж – кернер; з– циркуль
При накернивании разметочных линий кернер берут тремя пальцами левой руки, ставят острым концом точно на разметочную риску так, чтобы острие кернера было строго на середине риски. Сначала наклоняют кернер в сторону от себя и прижимают к намечаемой точке, затем, не отрывая остриё кернера от заготовки, ставят его в вертикальное положение, после чего по нему наносят легкий удар молотком весом 100…200 г.
При разметке заготовок из металлов необходимо осторожно обращаться с чертилкой, кернером, разметочным циркулем и другими разметочными инструментами, правильно размещать их на учебном месте острой рабочей частью от себя, следить, чтобы остриё чертилки и циркуля не свисало с верстака. Передавать чертилку и циркуль надо рабочей частью к себе.
Тема 1.5 Рубка металлов
Рубкой называется технологическая операция, при которой с заготовки удаляются слои металла или заготовка разрубается на части.
В процессе рубки металла используются следующие слесарные инструменты: зубило, крейцмейсель и канавочиик.
Режущее лезвие слесарного зубила имеет форму клина (рисунок 1.5.1). Лезвие и боёк зубила должны быть закалены и отпущены. Боёк зубила представляет собой усечённый конус с полукруглым основанием. Это сделано для того, чтобы удар молотка всегда приходился по центру бойка. Длина зубила обычно 100…200 мм, ширина лезвия – от 5 до 25 мм.

Рисунок 1.5.1 – Конструкция зубила
Чем острее заточено зубило, тем меньшая сила удара требуется для рубки металла. Однако нужно иметь в виду, что твёрдые и хрупкие разрубаемые металлы требуют большего угла заточки инструмента. Другими словами, твёрдые металлы рубятся лезвием с более тупым углом заточки. Так, для рубки бронзы, чугуна, твердой стали и других твердых материалов необходим угол заточки лезвия зубила в 70°. Сталь средней твердости нужно рубить зубилом с углом заточки лезвия в 60°. Мягкие материалы (медь, латунь) можно рубить при угле заточки в 45°. Очень мягкие материалы, такие как алюминиевые сплавы и цинк, требуют угла заточки в 35°.
При выполнении рубки в тисках важно соблюдать правильную установку зубила относительно обрабатываемой заготовки (рисунок 1.5.2). По отношению к плоскости губок тисков угол между осью зубила и плоскостью губок должен составлять примерно 30…35°. Если угол окажется слишком большим, зубило при ударе уйдёт вглубь металла, создав значительную неровность обрабатываемой поверхности. При недостаточном угле наклона зубило будет проскальзывать по поверхности металла, а не резать его.

Рисунок 1.5.2 – Рубка металлов по уровню губок тисков:
а – установка зубила к линии горизонта;
б – установка зубила по отношению к губкам тисков
Существенное замечание – новички в работе с металлом при ударе молотком по зубилу смотрят, как правило, на боёк зубила, по которому ударяет молоток. Это ошибка, приводящая к снижению качества работы. Смотреть нужно на режущую кромку зубила, чтобы контролировать угол наклона и видеть результат каждого удара. В этом случае имеется возможность контролировать качество работы и корректировать наклон зубила и силу удара, не прерывая работы.
В тех случаях, когда заготовку невозможно закрепить в тисках, её обрабатывают на плите (рисунок 1.5.3). Зубило ставят вертикально на разметочную риску и наносят удары.
После каждого удара зубило перемещают на половину режущей кромки. Благодаря этому облегчается установка зубила в правильное положение и образуется непрерывный разрез.

Рисунок 1.5.3 – Рубка металлов на плите
Тема 1.6 Резка металлов ножницами
Резка металлов ножницами – технологическая операция по разделению листового металла на части под давлением двух движущихся навстречу друг другу режущих ножей.
Для резки листового металла используют ручные и электрические ножницы.
Ручные ножницы (рисунок 1.6.1) применяют для резки листовой и полосовой стали толщиной до 1 мм, листов меди, латуни и дюралюминия толщиной до 1,5 мм.

Рисунок 1.6.1 – Виды ножниц:
а – прямые: 1 – левый рычаг; 2 – правый рычаг; 3 – узел оси шарнира; б – кривые; в – пальцевые
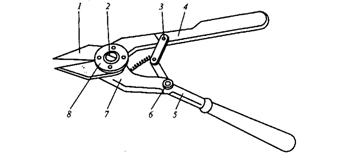
Сталь толщиной свыше 1 мм обычными ручными ножницами не режут. В этих случаях применяют ручные силовые ножницы (рисунок 1.6.2), закрепляя рукоятку с насечкой в тисках, а рабочую рукоятку с пластмассовым наконечником нужно захватывая рукой.
Стуловые ножницы позволяют резать листовую сталь толщиной до 2 мм, одну из рукояток которых также закрепляют в тисках (рисунок 1.6.3).

Рисунок 1.6.2 – Силовые ножницы:
1 – нож; 2 – винт; 3 – шарнирное звено; 4 – рукоятка с насечкой;
5 – рукоятка с пластмассовым наконечником; 6 – ось;
7 – рычаг; 8 – шайба

Рисунок 1.6.3 – Стуловые ножницы
Металл большей толщины режут с использованием настольных ручных рычажных ножниц: листовую сталь до 4 мм толщиной, а латунь и алюминий до 6 мм толщиной, при этом основание ножниц прикрепляют к столешнице верстака при помощи болтов. Один из ножей в таких ножницах закреплен на рукоятке и может опускаться вслед за рукояткой вниз. Второй нож закреплен внутри корпуса ножниц.
Для механизации работ при разрезании металлов используют ручные электровибрационные ножницы (рисунок 1.6.4).

Рисунок 1.6.4 – Ручные электровибрационные ножницы:
1 – эксцентриковый валик; 2 – корпус ножевой головки; 3 – корпус;
4 – скоба; 5 – нижний нож; 6 – верхний нож; 7 – рычаг;
8 – палец; 9 – шатун
Тема 1.7 Резка металлов ножовкой
Резка металлов ножовкой – это технологическая операция по разделению на части полосового, круглого и профильного металла при помощи ножовочного полотна.
Ножовки по металлу бывают двух типов: цельные и раздвижные.
Цельная ножовка по металлу (рисунок 1.7.1) состоит из рамки 1, рукоятки 2 с металлическим наконечником 4 и натяжного винта 6 с барашковой гайкой 7. Ножовочное полотно 5 устанавливают в прорези головки натяжного винта и в прорези наконечника рукоятки, фиксируя его при помощи штифтов 3.

Рисунок 1.7.1 – Ножовка по металлу цельная:
1 – рамка; 2 – рукоятка; 3 – штифты; 4 – наконечник рукоятки;
5 – ножовочное полотно; 6 –натяжной винт;
7 – гайка натяжного винта
Раздвижные ножовки по металлу отличаются тем, что состоят из двух частей, соединенных при помощи обоймы. Обойма жестко крепится на одной половине рамки, а другая половина может изменять свое положение по длине, что позволяет устанавливать в рамку ножовочные полотна разной длины.
Ножовочное полотно (режущая часть ножовки) представляет собой тонкую и узкую стальную пластинку с зубьями на одном из рёбер. Его изготовляют из инструментальной или быстрорежущей стали. Каждому зубу ножовочного полотна придается форма режущего клина.
Правила выполнения приёмов резки металлов ножовкой
1. Перед началом работы необходимо проверить правильность установки и натяжения полотна.
Острие режущего клина должно быть всегда направлено в сторону рабочего движения полотна – вперед, в направлении от рукоятки к барашковой гайке натяжного винта. Натяжение должно быть не слабым и не слишком сильным, так как это может привести к поломке полотна в процессе работы даже при незначительном его перекосе.
2. Разметку линии реза необходимо производить по всему периметру прутка (полосы, детали) с припуском на последующую обработку 1...2 мм.
3. Заготовку следует прочно закреплять в тисках так, чтобы место разреза было как можно ближе к губкам тисков, для исключения вибрации заготовки при резании.
4. Перед резкой заготовки намечают риску напильником на месте начала разреза.
5. При резке металлов необходимо принимать правильную рабочую позу (рисунок 1.7.2, а, б).

Рисунок 1.7.2 – Резка металлов ножовкой:
а – положение корпуса работающего и хватка инструмента;
б – положение ног; в – резка ножовкой с полотном, повернутым на 90°
6. В работе используют не менее трех четвертей длины ножовочного полотна.
7. В конце резки нажатие на ножовку ослабляют и поддерживают отрезаемую часть рукой.
8. Для выполнения длинных разрезов ножовочное полотно поворачивают на 90° (рисунок 1.7.2, в).
9. При резании тонких листов металла (толщина меньше чем расстояние между тремя зубьями ножовочного полотна) их зажимают между деревянными брусками и разрезают вместе с ними. При этом зубья полотна не выкрашиваются, а лист не вибрирует.
Тема 1.8 Опиливание металлов
1.8.1 Опиливание металлов. Виды опиливания
Опиливание – технологическая операция по удалению с поверхности заготовки слоя материала при помощи напильника с целью придания заготовке заданных размеров, формы и требуемой шероховатости поверхности.
При опиливании параллельных плоских поверхностей вначале обрабатывается базовая плоская поверхность, а затем – поверхность параллельная ей, с соблюдением её плоскостности и размера, заданного чертежом. Выдерживание заданного размера во всех местах измерения обеспечивает параллельность обрабатываемых поверхностей. Параллельность обработанных поверхностей можно также проверить кронциркулем, перемещая его в продольном и поперечном направлениях, или штангенциркулем, производя замеры в нескольких точках обрабатываемых поверхностей.
При опиливании сопряжённых поверхностей, расположенных под углом вначале опиливают одну (базовую) поверхность, а затем по ней другую, сопряжённую. В качестве базовой обычно обрабатывают поверхность, размеры которой являются наибольшими. Контроль плоскостности обработанных поверхностей осуществляют лекальной линейкой, а углов между ними – лекальным угольником, угломером или шаблоном в нескольких местах (не менее трёх). Угольник, угломер или шаблон при контроле должен располагаться от края обработанной поверхности на расстоянии не менее 5 мм.
Опиливание внутренних углов между сопряжёнными поверхностями производится трёхгранными или ромбическими напильниками.
При опиливании криволинейных поверхностей предварительно обсверливают заготовку по размеченному контуру, вырубают или режут ножовкой перемычки и удаляют лишний материал. Опиливание вогнутых поверхностей выполняется полукруглым или круглым напильником (при малых радиусах кривизны). По мере обработки заготовку в тисках переставляют таким образом, чтобы обрабатываемый участок находился под напильником, а не сбоку от него. Контроль опиленного контура осуществляется шаблонами.
При распиливании отверстий также обсверливают их по контуру сверлом диаметром 3...5 мм вблизи разметочных линий, затем крейцмейселем или зубилом прорубают оставшиеся перемычки. Распиливание производится приёмами, аналогичными приёмам опиливания. Контроль осуществляется штангенциркулем и специальными шаблонами.
Припасовка применяется как окончательная операция при обработке деталей шарнирных соединений и чаще всего при изготовлении различных шаблонов. Выполняется припасовка напильниками с мелкой насечкой.
1.8.2. Классификация напильников
Основными рабочими инструментами, применяемыми при опиливании, являются напильники, рашпили и надфили.
Напильник представляет собой стальной брусок определённого профиля и длины, на поверхности которого имеется насечка (нарезка) (рисунок 1.8.2.1).

Рисунок 1.8.2.1 – Конструкция напильника:
1 – ручка; 2 – хвостовик; 3 – кольцо; 4 – пятка; 5 – грань;
6 – насечка; 7 – ребро; 8 – носок
Насечка образует мелкие и острозаточенные зубья, имеющие в сечении форму клина. Насечка может быть одинарной (простой), двойной (перекрёстной) и рашпильной (точечной) (рисунок 1.8.2.2).

а б в
Рисунок 1.8.2.2 – Типы насечек на напильниках:
а – одинарная; б – двойная; в – рашпильная
Напильники с одинарной насечкой применяют при опиливании мягких металлов. Напильники с двойной насечкой применяют при опиливании стали, чугуна. Напильниками с рашпильной насечкой обрабатывают очень мягкие металлы и неметаллические материалы.
По числу насечек на 10 мм длины напильники подразделяют на 6 номеров.
Напильники с насечками №0 и №1 (драчёвые) предназначены для грубого (чернового) опиливания (шероховатость Rz 160…80, точность 0,2…0,3 мм). Они имеют от 5 до 14 зубьев на 10 мм насечённой части.
Напильники с насечками №2 и №3 (личные) предназначены для чистового опиливания (шероховатость Rz 40…20, точность 0,05…0,1 мм). Они имеют от 8 до 20 зубьев на 10 мм насечённой части.
Напильники с насечками №4 и №5 (бархатные) применяются для пригонки, отделки и доводки изделий (шероховатость Rа 2,5…1,25, точность 0,02…0,05 мм). Они имеют от 12 до 56 зубьев на 10 мм насечённой части.
По форме поперечного сечения напильники подразделяются на плоские, квадратные, трёхгранные, круглые, полукруглые, ромбические и ножовочные (рисунок 1.8.2.3).

Рисунок 1.8.2.3 – Классификация напильников по форме
поперечного сечения:
а, б – плоские; в – квадратные; г – трёхгранные; д – круглые;
е – полукруглые; ж – ромбические; з – ножовочные
Для обработки мелких деталей служат малогабаритные напильники – надфили.
Тема 1.9 Гибка металлов
Гибка металлов – технологическая операция, в результате которой одна часть заготовки перегибается по отношению к другой на какой-либо заданный угол.
Полосовую сталь удобнее всего гнуть в слесарных тисках. Для этого нужно установить заготовку с нанесённой на нее риской места загиба без перекосов, на уровне губок тисков, в сторону неподвижной губки тисков. Удары наносить следует тоже в направлении неподвижной губки тисков (рисунок 1.9.1).
Для того чтобы загнуть полосу под острым углом, необходимо воспользоваться оправкой, которая соответствует требуемому углу загиба.



Рисунок 1.9.1 – Приёмы гибки полосовой стали:
а – на стальных уголках; б – на оправке
Для изготовления из полосовой стали скобы применяется брусок-оправка, равный по толщине проёму скобы. Его нужно зажать в тисках вместе с полосой стали и легкими ударами молотка загнуть одну сторону скобы. Затем перевернуть отогнутым концом вниз под оправку и, снова зажав в тисках, отогнуть другую сторону.
В тех случаях, когда требуется изогнуть стальную полосу на ребро или трубу, используется роликовое приспособление (рисунок 1.9.2).

Рисунок 1.9.2 – Гибка стальной полосы в роликовом приспособлении
Тема 1.10 Сверление металлов
Сверление металлов – это технологическая операция по образованию отверстий в заготовке при помощи сверла.
Как и всякий другой режущий инструмент, сверло работает по принципу клина. В современном производстве применяются преимущественно спиральные свёрла (рисунок 1.10).
Спиральное сверло состоит из рабочей части, хвостовика и шейки.
Рабочая часть включает в себя режущую (коническую) и направляющую (цилиндрическую) части. На рабочей части выполнены две винтовые канавки, по которым в процессе резания отводится стружка; их направление обычно правое. Вдоль канавок на цилиндрической части инструмента имеются узкие полоски, называемые ленточками. Они служат для уменьшения трения сверла о стенки отверстия. Режущая часть образуется двумя режущими кромками, расположенными под определенным углом друг к другу. Его величина зависит от свойств обрабатываемого материала; для стали и чугуна средней твердости он составляет 116...118°.
Хвостовик служит для закрепления инструмента в сверлильном патроне или шпинделе станка и может быть цилиндрическим или коническим. Конический хвостовик имеет на конце лапку, которая не позволяет ему проворачиваться в шпинделе и служит упором при выталкивании сверла из гнезда.

Рисунок 1.10 – Конструкция спирального свёрла
Шейка сверла, соединяющая рабочую часть с хвостовиком, служит для выхода абразивного круга в процессе шлифования инструмента при его изготовлении. На шейке обычно помещают марку сверла.
Материалом для изготовления свёрл является быстрорежущая сталь Р6М5, реже Р9 и Р18.
Ручное механизированное сверление выполняют электрическими дрелями. Выбор конструкции дрели зависит от характера и условий выполнения работ. В зависимости от мощности различаются тяжёлые, средние и лёгкие дрели. Наибольшее распространение получили лёгкие (сверление отверстий диаметром до 10 мм) и средние (сверление отверстий диаметром до 15 мм) электрические дрели.
Сверление электрической дрелью производят в следующем порядке. Намечают центр будущего отверстия. В патроне электродрели устанавливают сверло. Токопроводящий провод дрели присоединяют к электросети. Включают дрель и проверяют её работу на холостом ходу, убеждаются в отсутствии биения сверла и выключают дрель. Вершину сверла устанавливают в накерненное углубление, включают дрель и сверлят отверстие.
В процессе работы необходимо следить за тем, чтобы ось сверла была перпендикулярна плоскости заготовки.
Тема 1.11 Шлифование металлов
Шлифование металлов – это технологическая операция по срезанию микронеровностей с поверхности заготовки шлифовальной шкуркой.
Промышленность выпускает шлифовальную шкурку на бумажной и тканевой основах, покрытых абразивными материалами. На рисунке 1.11 приведена структура шлифовальной шкурки на тканевой основе.

Рисунок 1.11 – Структура шлифовальной шкурки
на тканевой основе:
1 – лента-основа; 2 – пряжа нити; 3, 4 – связка;
5 – абразивные зерна; 6 – обрабатываемая поверхность
Шлифование металлов осуществляется ручными, механизированными и механическими способами. При ручном шлифовании используют деревянные колодки, при механизированном – электрические шлифовальные машинки, при механическом – шлифовальные станки.
Для шлифовки криволинейных поверхностей применяют шкурку на полотняной основе: она более эластична по сравнению с бумажной.
Тема 1.12 Отделка металлов
Отделка металлов – это технологическая операция по снижению шероховатости поверхностей деталей и улучшению их внешнего вида.
Отделку подразделяют на два основных вида:
- отделка металлов резанием (полирование);
- нанесение декоративно-защитных покрытий (окрашивание красками, лаками и эмалями).
Какую бы операцию отделки ни предстояло выполнить, поверхности детали должны быть подготовлены к отделке.
Прежде всего, надо удалить ржавчину. Толстые и рыхлые слои можно удалять металлической щёткой или грубой наждачной бумагой. Тонкие слои ржавчины удобнее устранять химическими средствами, в состав которых входят кислоты, способные растворять ржавчину. Например, «Преобразователь ржавчины», «Антикор», «Русас». Выпускаются такие средства в виде порошков, жидкостей и паст и часто содержат абразивы и моющие добавки, которые очищают поверхности металлов не только от ржавчины, но и от иных загрязнений.
Следующая операция по очистке поверхности – обезжиривание, т. е. удаление жиров и масел, которые обычно смывают мылом, содой или раствором едкого натрия.
Полирование поверхностей металлических деталей – чистовую обработку абразивными материалами и инструментами выполняют после шлифования. Задачей полирования является доведение поверхности металла до зеркального состояния, когда луч света на ней не рассеивается, как при шлифованной поверхности, а полностью отражается.
В качестве режущего инструмента при ручном полировании металлов применяется войлочная ткань, на которую наносят полировочные пасты на основе оксида хрома (паста ГОИ) и оксида железа (крокусная паста).
При механизированном полировании в электродрель закрепляют войлочный круг, на который также наносят полировочную пасту.
Окрашивание металлических изделий можно выполнять любыми красками, лаками и эмалями. Поскольку сталь на воздухе окисляется, подготовленную поверхность необходимо как можно быстрее загрунтовать, так как грунт хорошо сцепляется с поверхностью металла, обеспечивая тем самым и прочность всего покрытия (грунта и краски). Грунт накладывают на поверхность изделия слоем толщиной не более 0,2 мм, дают ему высохнуть, после чего шлифуют шкуркой до получения ровной поверхности. Окрашивание производят мягкими кистями в два взаимно перпендикулярных слоя или с помощью краскораспылителя.
Тема 1.13 Сборка деталей из металлов на клею
Сборка деталей из металлов на клею – это технологическая операция получения неразъёмных соединений с помощью введения между сопрягаемыми поверхностями деталей слоя клея, который способен обеспечивать скрепление частей изделия в одно целое.
Склеивание является современным методом соединения металлов, важным преимуществом которого является возможность получения соединения из неоднородных металлов, а также металлов с неметаллическими материалами. При склеивании можно избежать появления внутренних напряжений и деформаций соединяемых заготовок.
Недостатком клеевых соединений является их низкая термостойкость (менее 100°С), склонность к ползучести (смещению одной части склеенной заготовки относительно другой) при длительном воздействии сдвигающих усилий, а также необходимость длительной выдержки для полимеризации клея в соединении.
Технологический процесс склеивания для всех видов соединяемых материалов и всех видов клеев состоит, как правило, из следующих этапов:
– подготовка поверхности к склеиванию;
– подготовка клея;
– нанесение клея на склеиваемые поверхности;
– выдержка нанесенного слоя клея;
– сборка склеиваемых заготовок;
– выдержка соединения при определённой температуре и давлении;
– очистка шва от подтеков клея;
– контроль качества клеевых соединений.
Подготовка поверхности к склеиванию сводится к механической подгонке, приданию необходимой шероховатости склеиваемым поверхностям, очистке от грязи и масла и тщательному обезжириванию.
Наносимый на поверхности слой клея должен быть равномерным, без пузырьков воздуха. Во время выдержки после нанесения клея происходит испарение из него влаги и летучих веществ, в результате чего клей приобретает нужную вязкость и уменьшается усадка клеевого шва.
Совмещение склеиваемых заготовок, исключающее их самопроизвольное смещение, осуществляется при помощи ручных тисков, струбцин и других зажимных приспособлений. Процесс склеивания и полимеризации должен происходить при определённых условиях: давление – от 0,3 до 1 Мпа; температура – от 5 до 30 °С; время выдержки – от 20 мин до 72 ч.
Контроль клеевого соединения осуществляется визуально, а также путем испытаний его на герметичность и прочность. Соединение считается выполненным удовлетворительно, если при контроле на прочность разрушение происходит не по клеевому шву, а по основному материалу.
Тема 1.14 Сборка деталей из металлов фальцевым швом
Сборка деталей из металлов фальцевым швом – это технологическая операция получения неразъёмных соединений, при которой предварительно отогнутые кромки тонкого листа плотно прижимаются друг к другу, образуя замок.
По внешнему виду фальцевые швы (фальцы) подразделяются на лежачие, стоячие и угловые, а по степени уплотнения – на одинарные (простые), полуторные (комбинированные) и двойные (сложные).
Одинарный лежачий фальцевый шов (рисунок 1.14.1) применяется для соединения краёв двух листов металла в один цельный лист или для соединения краёв одного листа между собой. Например, лейки, дождики-распылители, соединение листов металла в кровельные полосы.

Рисунок 1.14.1 – Последовательность выполнения одинарного
лежачего фальцевого шва
а – сгибание кромок под прямым углом; б – сваливание кромок на плоскость листа с оставлением зазора, равного толщине металла;
в – уплотнение шва; г – подсечка фальца
Фальцевый шов выполняют в такой последовательности. Наносят чертилкой линию отгиба на расстоянии 10…12 мм от края листа. Стальной лист укладывают на разметочный стол кромкой к его краю, обитому металлическим уголком или подносят к металлическому уголку, зажатому в слесарных тисках. Линию отгиба совмещают с ребром стального уголка и отгибают киянкой кромку листа под прямым углом (рисунок 1.14.1, а). Затем переворачивают лист отогнутой кромкой вверх и сваливают (догибают) её на плоскость листа киянкой, оставив зазор 2…3 мм (рисунок 1.14.1, б). Такие же действия осуществляют со вторым листом. После этого загнутые кромки двух листов соединяют в замок и уплотняют его киянкой (рисунок 1.14.1, в). С помощью молотка и металлической планки подсекают верхний лист вдоль шва, чтобы плоскости обоих листов совместились (рисунок 1.14.1, г).
Одинарный угловой сваленный фальцевый шов (рисунок 1.14.2) используют при изготовлении вёдер, соединение листов кровли вдоль ската, вентиляционных коробов.

Рисунок 1.14.2 – Последовательность выполнения одинарного
углового сваленного фальцевого шва
Для образования одинарного углового сваленного фальцевого шва отгибают кромку листа вниз под прямым углом, а затем сваливают её на внутреннюю поверхность листа, оставив зазор 2…3 мм. Отгибают вниз кромку второго листа и переворачивают его отогнутой кромкой вверх. Затем надевают на эту кромку загиб первого листа, уплотняют полученный стоячий фальц и сваливают его на плоскость второго листа.
Тема 1.15 Сборка деталей паяным швом
Сборка деталей паяным швом – это технологическая операция соединения двух или более металлических деталей при помощи расплавленного промежуточного материала – припоя.
Прочность и качество паяных швов зависит от площади соединяемых поверхностей деталей и от правильного выбора припоя.
В зависимости от температуры плавления припои подразделяют на твёрдые (тугоплавкие) с температурой плавления выше 500°С и мягкие (легкоплавкие) с температурой плавления ниже 500°С. Из мягких наиболее часто применяются оловянно-свинцовые припои. При слесарных работах обычно применяют припои марки ПОС–40, где буквы ПОС указывают, что припой оловянно-свинцовый, а число 40 – это процентное содержание олова, остальное – свинец (если в состав припоя не входят другие металлы). Мягкие припои служат для пайки стали, меди, цинка, серого чугуна, алюминия и др. Недостатком мягких припоев является невысокая механическая прочность соединений.
Пайку мягкими припоями выполняют паяльниками. Электрические паяльники получили наиболее широкое распространение из-за своей простоты и удобства в применении (рисунок 1.15). При их работе не образуются вредные газы, ухудшающие качество пайки.

Рисунок 1.15 – Электрический паяльник углового типа:
1 – медный стержень; 2 – хомутик;3 – нагревательный элемент с накладными боковинами; 4 – стальная трубка; 5 – рукоятка;
6 – шнур; 7 – штепсельная вилка
Припои хорошо соединяются только с чистой, не окисленной поверхностью металлов. Для защиты поверхности спая от окисления и растворения окислов металлов в процессе пайки применяют специальные химические вещества – флюсы.
Флюсы – это химические вещества, применяемые для удаления окислов с поверхностей соединяемых деталей при пайке. Флюсы для мягких припоев – это хлористый цинк, нашатырь, канифоль.
Пайка мягкими припоями включает подготовку изделий к пайке, подготовку паяльника, расплавление припоя, охлаждение и чистку шва.
При подготовке изделий к пайке, соединяемые детали очищают от загрязнений и окисных пленок.
Подготовка паяльника заключается в удалении с рабочей части окалины с помощью напильника, а в процессе работы – стальной щеткой. Паяльник нагревают до температуры 250…300°С для пайки мелких деталей и 340…400°С – для крупных. Недостаточно нагретый паяльник быстро остывает, и расплавленный припой превращается в кашеобразную массу. Шов при этом получается непрочным. При перегреве паяльника быстро выгорает флюс и плохо держится припой.
После разогрева паяльник быстро погружают во флюс, а затем конец рабочей части покрывают ровным слоем припоя. Перед нанесением припоя на соединяемые детали в зоне шва наносят флюс (протравливают шов) и, приложив паяльник, прогревают детали, медленно перемещая его вдоль шва. При этом расплавленный припой стекает с паяльника и заполняет шов.
Тема 1.16 Сборка деталей из металлов на заклепках
Сборка деталей из металлов на заклёпках – это технологическая операция соединения двух или более металлических деталей при помощи заклёпок.
Сборку деталей из металлов на заклёпках осуществляют поддержками, натяжками и обжимками.
Поддержка – слесарный инструмент со сферическим углублением на торце, предназначенный для поддерживания заклёпываемых деталей (рисунок 1.16.1).
Натяжка – слесарный инструмент с цилиндрическим углублением на торце, предназначенный для осадки склёпываемых листов (рисунок 1.16.2).
Обжимка – слесарный инструмент со сферическим углублением на торце, предназначенный для получения замыкающей головки заклёпки (рисунок 1.16.3).

Рисунок 1.16.1 – Поддержка в работе Рисунок 1.16.2 – Натяжка в работе

Рисунок 1.16.3 – Обжимка в работе
Процесс клёпки начинается со сверления отверстий под заклёпки, осадки склёпываемых листов при помощи натяжки, расклёпывания головки и, наконец, придания окончательной формы головке с помощью обжимки (рисунок 1.16.4).

Рисунок 1.16.4 – Процесс сборки деталей из металлов
на заклёпках:
а – сверление отверстия; б – осадка склёпываемых листов при помощи натяжки; в – расклёпывание головки; г – придание формы головке с помощью обжимки; 1 – натяжка, 2 – поддержка, 3 – обжимка
Диаметр заклёпки подбирают в зависимости от толщины склёпываемых листов металла (рисунок 1.16.5). Для прочных соединений диаметр заклёпки равен:
d = 2Sнаим ,
где Sнаим – наименьшая толщина склёпываемых деталей.
Длину стержня для образования полукруглой головки заклёпки выбирают так, чтобы её свободный конец, выходящий за край отверстия, имел длину l, равную 1,25...1,5 диаметра стержня. Для образования потайной головки эта величина должна составлять (0,8...1,2) d.

Рисунок 1.16.5 – Заклёпочное соединение:
1 – стержень заклёпки; 2 – замыкающая головка;
3 – закладная головка; s – толщины склёпываемых листов;
l – вылет стержня заклёпки за край отверстия; d – диаметр заклёпки
Тема 1.17 Сборка деталей из металлов на резьбе
Сборка деталей из металлов на резьбе – это технологическая операция соединения двух или более металлических деталей при помощи резьбы.
Резьба представляет собой винтовую канавку, образованную на деталях вращения. Резьба широко применяется для соединения деталей между собой (крепежная) и для передачи движения, как, например, в ходовом винте токарного станка или тисков.
В резьбовых соединениях применяют болты, шпильки и винты. Болт – цилиндрический стержень с головкой на одном конце и с резьбой на другом (рисунок 1.17.1, а). Шпилька – цилиндрический стержень с резьбой на обоих концах (рисунок 1.17.1, б). Один конец шпильки ввинчивается в одну из соединяемых деталей, а на другой конец устанавливают скрепляемую деталь и навинчивают гайку. Винт – цилиндрический стержень с резьбой для ввинчивания в одну из соединяемых деталей и головкой различных форм (рисунок 1.17.1, в).

Рисунок 1.17.1 – Резьбовые соединение:
а – болт с гайкой и шайбой; б – шпилька с гайкой и шайбой; в – винт
Основными элементами резьбы являются шаг резьбы, угол профиля, высота профиля, наружный и внутренний диаметры (рисунок 1.17.2).

Рисунок 1.17.2 – Элементы резьбы:
P – шаг резьбы; φ – угол профиля; t – высота профиля;
d1 – внутренний диаметр; d2 – наружный диаметр
Для нарезания наружной крепёжной резьбы используют специальные инструменты и приспособления – плашки и плашкодержатели (рисунок 1.17.3).

а б
Рисунок 1.17.3 – Инструмент и приспособление для нарезания
наружной резьбы:
а – плашка круглая; б – плашкодержатель; 1– корпус; 2 – винт стопорный; 3 – ручка
Плашка выполнена в виде гайки из закаленной стали (рисунок 1.17.3, а). Резьбу плашки пересекают сквозные продольные отверстия. Образовавшиеся режущие кромки в форме клина и канавки обеспечивают резание заготовки и одновременный выход стружки. Для того чтобы торец стержня (заготовки) лучше входил в плашку с торцевых сторон, её резьба имеет меньшую высоту профиля. Это так называемая заборная часть. На плашках обозначаются номинальный диаметр и шаг резьбы, а также материал, из которого она изготовлена.
Плашки закладывают в гнезда плашкодержателя и фиксируют там стопорными винтами (рисунок 1.17.3, б).
Для нарезания внутренней крепёжной резьбы используют специальные инструменты – метчики (рисунок 1.17.4).
Метчик – инструмент, применяемый для нарезания внутренней резьбы. Он представляет собой винт с прорезанными прямыми или винтовыми стружечными канавками, образующими режущие кромки. Метчик состоит из двух частей: рабочей части и хвостовика (рисунок 1.17.4, I). На рабочей различают заборную часть и калибрующую часть.
Хвостовик – это часть метчика, которая служит для его закрепления и приведения в движение. Верх хвостовика содержит квадратный элемент, которым он вставляется в метчикодержатель (рисунок 1.17.5). На хвостовике указывают размер резьбы, марку стали (для резьбы более 6 мм) и номер метчика в комплекте (см. рисунок 1.17.4, II). В комплект может входить до трех метчиков: черновой, средний и чистовой. У чернового метчика на хвостовике нанесена одна риска, у среднего – две, у чистового – три.

I II
Рисунок 1.17.4 – Метчики:
I – конструкция метчика; 1 – канавка; 2 – хвостовик;
3 – рабочая часть; 4 – калибрующая часть; 5 – заборная часть;
II – комплект метчиков; а – черновой; б – средний; в – чистовой
Метчикодержатель – приспособление для установки (закрепления) и вращения метчика (рисунок 1.17.5). Вставляемый метчик центрируют и зажимают. Для каждого вида метчиков существует свой вороток. Существуют универсальные воротки, в которые можно вставлять метчики разных размеров.

Рисунок 1.17.5 – Метчикодержатели
а – цельный; б – раздвижной; в – разъёмный; 1 – ручка;
2 – корпус; 3, 4 – вкладыши
Тема 1.18 Заточка слесарного инструмента
Заточка инструмента – это технологическая операция обработки режущей кромки инструмента с целью придания ей требуемой формы и геометрии.
Заточку инструментов производят на заточных станках (рисунок 1.18.1). Инструмент для абразивного затачивания – шлифовальный круг. Точильные заточные станки могут быть выполнены с одним или двумя шлифовальными кругами.
При заточке кернера устанавливают зазор 2...3 мм между подручником и шлифовальным кругом. Опускают защитный экран станка или надевают предохранительные очки. Включая электродвигатель заточного станка, проверяют биение шлифовального круга. Кернер берут левой рукой за середину, а правой рукой — за конец, противоположный затачиваемому (рисунок 1.18.2, а).

Рисунок 1.18.1 – Заточной станок


Рисунок 1.18.2 – Заточка кернера:
а – положение кернера в руках; б – положение кернера относительно шлифовального круга; в – проверка заточки шаблоном
Кернер располагают под углом наклона 30° к боковой поверхности шлифовального круга (угол конуса кернера будет 60°). Легко, прижимая кернер пальцами левой руки к шлифовальному кругу, поворачивают его пальцами правой руки вокруг своей оси. Положение оси кернера относительно поверхности круга должно быть неизменным (рисунок 1.18.2, б). Во избежание отпуска рабочей части кернера в связи с его нагревом острие кернера периодически охлаждают в воде. Угол заточки проверяют по шаблону (рисунок 1.18.2, в).
При заточке чертилки проверяют зазор между подручником и периферией шлифовального круга, он должен быть 2...3 мм. Опускают защитный экран или надевают предохранительные очки, включают станок. Чертилку берут обеими руками и, опершись левой рукой на подручник, располагают её под углом 15...20° к боковой поверхности шлифовального круга (рисунок 1.18.3, а). Выдерживая необходимый угол наклона, с лёгким нажимом равномерно вращают чертилку пальцами правой руки (рисунок 1.18.3, б). Чертилку затачивают по длине примерно 15...20 мм (рисунок 1.18.3, в). Остриё чертилки при заточке периодически охлаждают в воде.
При заточке зубила его берут в руки, осторожно прикладывают к вращающемуся кругу и двигают влево и вправо по всей ширине абразивного круга с легким нажимом. Заточке подвергают попеременно обе грани. Угол заточки для рубки стальных заготовок составляет 60°.

Рисунок 1.18.3 – Заточка чертилки:
а – положение чертилки в руках; б – положение острия чертилки относительно шлифовального круга; в – длина конусной заточки
Не следует допускать сильных нажимов на затачиваемый инструмент, так как это приводит к перегреву режущей кромки, в результате чего лезвие теряет первоначальную твердость.
Заточку лучше всего вести с охлаждением водой, в которую добавлено 5% соды. Несоблюдение этого условия вызывает повышенный нагрев, отпуск и уменьшение твердости режущей части инструмента, а, следовательно, и стойкости в работе. Величина угла заострения проверяется шаблоном.
После заточки на обработанной поверхности остаются глубокие риски или заусенцы. Поэтому после заточки выполняются операции доводки и полировки режущей кромки брусками и оселками.
Тема 2.1. Общие сведения о механической обработке металлов
2.1.1.Классификация металлорежущих станков.
Металлообрабатывающим станком называют технологическую машину, на которой путем снятия стружки с заготовки получают деталь с заданными формой, размерами и шероховатостью поверхностей.
Станки могут быть классифицированы по следующим признакам:
1. По степени универсальности: универсальные, специализированные и специальные станки.
Универсальные станки (или станки общего назначения) используют для обработки деталей широкой номенклатуры, ограниченной лишь предельными габаритами, набором инструмента и технологическими операциями.
Специализированные станки используют для обработки однотипных деталей (труб, муфт, коленчатых валов и крепежных деталей) в определенном диапазоне размеров.
Специальные станки применяют для обработки одной определенной детали, реже — нескольких однотипных деталей.
2. По степени точности обработки станки делят на пять классов:
нормальной точности (Н); повышенной точности (П); высокой точности (В); особо высокой точности (А); особо точные (С), или мастер-станки.
3. По степени автоматизации: механизированные и автоматизированные станки (автоматы и полуавтоматы).
Механизированный станок имеет одну автоматизированную операцию, например зажим заготовки или подачу инструмента.
Автомат, осуществляя обработку, производит все рабочие и вспомогательные движения цикла технологической операции и повторяет их без участия рабочего, который лишь наблюдает за работой станка, контролирует качество обработки и, при необходимости, подналаживает станок, т. е. регулирует его для восстановления достигнутых при наладке точности взаимного расположения инструмента и заготовки, качества обрабатываемой детали.
Полуавтомат — станок, работающий с автоматическим циклом, для повторения которого требуется вмешательство рабочего. Например, рабочий должен снять деталь и установить новую заготовку, а затем включить станок для автоматической работы в следующем цикле.
4. В зависимости от массы: легкие (до 1 т); средние (до 10 т); тяжелые (свыше 10 т); особо тяжелые (уникальные, более 100 т).
5. По назначению станки делятся на 9 групп: 1 – токарные; 2 – сверлильные и расточные; 3 – шлифовальные, полировальные, доводочные, заточные; 4 – электрофизические и электрохимические; 5 – зубо - и резьбообрабатывающие; 6 – фрезерные; 7 – строгальные, долбежные, протяжные; 8 – разрезные; 9 – разные.
2.1.2.Классификация токарных станков.
Наиболее многочисленную группу металлорежущих станков составляют токарные станки. Они используются в механических, инструментальных и ремонтных цехах машиностроительных и других заводов, а также в различных ремонтных мастерских.
Станки токарной группы применяют обычно для обработки деталей, имеющих форму тел вращения. На них можно получить наружные и внутренние цилиндрические, конические и фасонные поверхности, торцовые плоскости, резьбы на цилиндрических и конических поверхностях и др. К деталям, изготовляемым на токарных станках, относятся валики, втулки, оси, болты, винты, шпильки, диски, шайбы.
Общий вид наиболее часто используемых токарных станков представлен на рисунке 2.1.2.


Рисунок 2.1.2 – Токарные станки:
а — токарно-винторезный; б — токарно-револьверный; в — лоботокарный; г – токарно-карусельный
Различают следующие виды токарных станков:
- токарно-револьверные станки, имеющие револьверные головки, с помощью которых заготовки обрабатываются поочередно несколькими инструментами.
- карусельные станки, имеющие вертикальную ось вращения шпинделя и горизонтальную поверхность планшайбы (стола), применяются, для обработки тяжелых деталей большого диаметра и малой длины.
- токарно-винторезные станки, предназначенные для выполнения всех основных токарных работ, включая нарезание резьбы резцом с помощью ходового винта. Эти станки имеют самое широкое распространение.
- лоботокарные станки, снабженные планшайбами большого диаметра — более 2 м. Они служат, так же как и карусельные станки, для обтачивания крупных деталей большого диаметра и малой длины — шкивов, маховиков и т. д.
- многорезцовые токарные станки, служащие для одновременной обработки заготовки несколькими резцами.
Тема 2.2. Резка металлов механической ножовкой
Материал можно разрезать на заготовки на различных станках, но самый удобный и производительный — отрезной ножовочный станок (механическая ножовка) модели Н-1 (рисунок 2.2), предназначенный для резания проката в плоскости, перпендикулярной оси заготовки.

Рисунок 2.2 – Механическая ножовка модели Н-1:
1 — станина; 2 — кнопочная станция; 3 — электродвигатель; 4 — рукоятка крана гидропривода; 5 — откидной упор; 6 — упор; 7—. зажим для крепления разрезаемого материала; 8 — трубка системы охлаждения; 9 — пильная рама; 10 — гидропривод; 11 — рукав; 12 — привод
Рукав 11, подвижно закрепленный одним концом на станине, имеет направляющие в форме «ласточкиного хвоста» для возвратно-поступательного движения по ним пильной рамы.
Гидропривод 10 осуществляет автоматическую подачу при разрезании; его также используют для опускания и подъем а рукава при подготовке станка к работе и по окончании ее.
Пильная рама 9 имеет устройства для установки, натягивания и закрепления ножовочного полотна.
Управляют станком рукояткой 4 крана гидропривода. Возможны четыре положения этой рукоятки: I— «Бездействие» — рукав неподвижен и пильная рама может двигаться только поступательно; II — «Опускание» — рукав с пильной рамой быстро и плавно опускается; III— «Подъем» — рукав с пильной рамой быстро поднимается; IV — «Медленное резание» — осуществляется автоматическая медленная подача на каждый двойной ход пильной рамы. При обратном (холостом) ходе ножовочное; полотно автоматически приподнимается над разрезаемым материалом, что предотвращает скалывание зубьев полотна.
Тема 2.3. Сверление металлов на станках
Раньше при получении отверстий вручную вы использовали два вида приспособлений: коловорот и дрель. Ручное сверление — трудоемкая операция, особенно при работе с металлом толще 1 мм. Да и точность такого сверления невысокая.
Для механического сверления отверстий используют сверлильные станки различных типов. Простейший из них показан на рисунке 2.3.

Рисунок 2.3 – Сверлильный станок 2М112:
а – общий вид; б – кинематическая схема; 1 — плита; 2 — стол; 3 — кнопка пуска и остановки станка; 4 — сверло; 5 — патрон; 6 — клиноременная передача; 7— электродвигатель
Сверлильный станок — это технологическая машина, предназначенная для получения отверстий. Выполняются на нем и другие работы: шлифование (зачистка, чистовая отделка) абразивной шкуркой, которую наматывают на специальный барабан или цилиндр, и зенкование — обработка выходных краев отверстий зенковками. Эти процессы вы уже изучали при обработке древесины. Как и любая другая машина, сверлильный станок имеет три основные составные части: двигатель электрический, передаточный механизм (клиноременная передача), исполнительный орган (шпиндель с патроном), а также органы управления.
На плите станка неподвижно крепится вертикальная колонка, по которой вверх и вниз перемещается шпиндельная бабка. Она фиксируется неподвижно с помощью небольшой рукоятки, которая расположена справа, около электродвигателя. В шпиндельной бабке расположен механизм подъема и опускания шпинделя. Его перемещение управляется штурвалом с тремя ручками.
В целях безопасности ременная передача, находящаяся над шпиндельной бабкой сверху закрывается кожухом.
Тема 2.4. Точение металлов
2.4.1.Назначение и сущность токарной обработки металлов.
Сущность токарной обработки металлов заключается в срезании с заготовки части материала (припуска) для получения деталей, имеющих форму тел вращения и придания им необходимых размеров и требуемой чистоты поверхности.
В основе процесса резания лежит работа инструмента, имеющего клиновидную заточку режущей части.


Рисунок 2.4.1.1 – Основные углы резца
α — главный задний, β— заострения, γ — передний, δ — угол резания
Для осуществления процесса резания необходимы два движения (главное и вспомогательное), совершаемые инструментом и заготовкой (или одним из них) относительно друг друга. Например, при токарной обработке главным движением (движением резания) является вращение заготовки, а вспомогательным (движением подачи) —поступательное движение резца; при фрезеровании движение резания— это вращение фрезы, а подача осуществляется поступательным движением заготовки.


Рисунок 2.4.1.2 – Схема точения цилиндрических поверхностей:
1 — трехкулачковый патрон; 2 — обрабатываемая поверхность; 3 — направление вращения заготовки; 4 — обработанная поверхность; 5 — задняя бабка; 6 — поверхность резания; 7 — резец; S — подача; t — глубина резания; D — диаметр заготовки до точения; d — диаметр заготовки после прохода резца
Обработка конических поверхностей на токарных станках производится следующими способами:
- поворотом верхних салазок суппорта,
- поперечным смещением корпуса задней бабки,
- с помощью конусной линейки,
- специальным широким резцом.


Рисунок 2.4.1.2 – Схемы точения конических поверхностей:
а—с применением поворота верхней части суппорта (1 — верхние салазки суппорта; 2 — шкала с делениями); б — с поперечным смещением корпуса задней бабки; в — с помощью конусной линейки (1 — рукоятка верхней части суппорта; 2 — верхняя часть суппорта; 3 — каретка; 4, 10 — болты крепления линейки; 5 — тяга; 6 — зажим; 7 — ползун; 8 – палец;
9 — конусная линейка; 11 — плита; 12 — поперечная часть суппорта); е — специальным широким резцом.
2.4.2.Инструмент для токарной обработки металлов
Для точения заготовок на станке применяют специальные инструменты — токарные резцы. Их разновидности показаны на рисунке 2.4.2.1.
Рабочая часть резца имеет, как и у других режущих инструментов, форму клина. Резец состоит из головки (рабочей части) и тела (державки). На головке различают следующие основные элементы (рисунок 2.4.2.2): переднюю поверхность, главную и вспомогательную задние поверхности, главную и вспомогательную режущие кромки и вершину резца.

Рисунок 2.4.2.1 – Классификация резцов по назначению
а — проходной прямой, б — проходной отогнутый, в — упорный,
г — подрезной, д — отрезной, е — прорезной, ж — фасонный,
з — резьбовой, и — расточной проходной, к — расточной упорный


Рисунок 2.4.2.2 – Конструкция резца:
1— главная задняя поверхность; 2— вспомогательная задняя поверхность; 3 — вершина резца; 4 — вспомогательная режущая кромка;
5 — передняя поверхность; 6 — главная режущая кромка;
7 — тело резца; 8 — головка резца
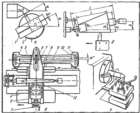
2.4.3.Устройство станка ТВ-6
Токарно-винторезные станки используются для механической обработки деталей вращения, нарезания резьбы, сверления осевых отверстий.
Школьные мастерские оснащены станками ТВ-4, ТВ-6, ТВ-7 и др. Наиболее распространенный станок ТВ-6 состоит из следующих основных частей: станины, передней и задней бабок, суппорта, коробки подач, передней и задней тумб, электродвигателя (рисунок 2.4.3).
Чугунная станина установлена на двух тумбах и используется для размещения и перемещения по ее направляющим суппорта и задней бабки. Передняя бабка служит для установки в ней механизма вращения (коробки скоростей) шпинделя с патроном, в котором зажимается заготовка.
Суппорт предназначен для установки, закрепления режущих инструментов и перемещения их относительно заготовки. Он состоит из резцедержателя и трех салазок. Продольные салазки передвигаются по направляющим станины, поперечные — располагаются над продольными и необходимы для поперечной ручной подачи резцов. Самые верхние салазки могут поворачиваться в горизонтальной плоскости и используются для точения конических поверхностей. Все салазки могут перемещаться с помощью рукояток и имеют специальные устройства — лимбы.
Коробка подач служит для изменения скорости механического перемещения суппорта.
Задняя бабка с помощью специального центра может поддерживать концы длинных заготовок. При необходимости в ней закрепляют для работы режущие инструменты: сверла, зенковки, метчики, плашки и др.
Токарно-винторезный станок, как и сверлильный и токарный по обработке древесины, относится к технологическим машинам. Такие машины состоят из трех основных частей: двигателя, передаточного механизма и рабочих (исполнительных) органов.


Рисунок 2.4.3 – Токарно-винторезный станок модели ТВ-6
1 — электродвигатель; 2 —передняя бабка; 3 — шпиндель;
4 — токарный патрон; 5 — задняя бабка; 6 — суппорт; 7 — станина; 8 – тумбы; 9 — коробка подач
2.4.4.Режимы резания при токарной обработке металлов
Процесс резания характеризуется определенным режимом. К элементам режима резания относятся глубина резания, подача и скорость резания.
Глубина резания t — величина срезаемого слоя за один проход резца, измеряемая в направлении, перпендикулярном к обработанной поверхности. При наружном продольном точении глубина резания определяется как полуразность между диаметром заготовки (обрабатываемой поверхности) D и диаметром обработанной поверхности d (рисунок 2.4.4)
t=D–d/2, мм.

Рисунок 2.4.4 – Схема режимов резания при токарной обработке металлов
Подача (скорость подачи) — величина перемещения режущей кромки в направлении движения подачи за один оборот заготовки (мм/об). При точении различают продольную подачу, направленную вдоль оси заготовки; поперечную подачу, направленную перпендикулярно оси заготовки; наклонную подачу под углом к оси заготовки (при обработке конической поверхности).
Скорость резания V — путь, пройденный наиболее отдаленной от оси вращения точкой поверхности резания относительно режущей кромки резца за единицу времени (м/мин). Скорость резания зависит от частоты вращения и диаметра обрабатываемой заготовки. Чем больше диаметр D заготовки, тем больше скорость резания при одной и той же частоте вращения.
Величину скорости резания можно определить по формуле:
v=πDn/1000, м/мин,
где π = 3,14;
D — наибольший диаметр поверхности резания, мм;
π – частота вращения заготовки (число оборотов в минуту).
Если известна скорость резания, допускаемая режущими свойствами инструмента v и диаметр заготовки D, можно определить требуемую частоту вращения заготовки и настроить на частоту шпинделя:
n=1000v/πD, об/мин.
Тема 2.5. Фрезерование металлов
Фрезерованием называется операция механической обработки материалов резанием (плоских, фасонных, винтовых и других поверхностей) при помощи многолезвийных режущих инструментов — фрез.
При фрезеровании режущий инструмент (фреза) совершает вращательное движение резания, а заготовка — поступательное движение, перпендикулярное оси вращения инструмента, — движение подачи. (рисунок 2.5).

Рисунок 2.5 – Фрезерорвание:
а — элементы фрезы и основные размеры фрезерования (1 — режущая кромка; 2 — передняя поверхность зуба; 3 — задняя поверхность зуба; 4 — ленточка (фаска); 5 — обработанная поверхность; α — задний угол; β — угол заострения; γ— передний угол; δ — угол резания; t — глубина фрезерования; в — ширина фрезерования; s — подача); б — фрезерование горизонтальной плоскости; в — фрезерование торцовой поверхности; г — фрезерование фасонной канавки; д — фрезерование прямоугольной открытой канавки; е — нарезание зубьев зубчатых колес; ж — отрезание.
Геометрическая форма режущих зубьев фрез принципиально сходна с геометрической формой рабочей части резцов. Но процессу фрезерования свойственна специфическая особенность, так как контакт режущих зубьев фрезы с обрабатываемой поверхностью прерывистый. Это уменьшает образование теплоты в зоне резания и благоприятно сказывается на стойкости режущего инструмента. Вместе с тем прерывистость контакта обусловливает менее плавное и спокойное протекание процесса резания, чем при обработке с постоянным контактом лезвия инструмента и заготовки (как, например, при точении).
Тема 2.6. Заточка станочного инструмента
В процессе резания в результате трения стружки о переднюю поверхность резца, а задних поверхностей резца о поверхность заготовки рабочая часть резца изнашивается, режущая кромка разрушается (местное выкрашивание). Работать таким резцом уже нельзя, так как ухудшается точность обработки, качество обработанной поверхности, снижается производительность труда. Затупленный резец отдают в-переточку, которую, как правило, выполняют специальные рабочие —- заточники, однако токарь должен уметь и сам затачивать инструмент.
При заточке вручную резец с легким нажимом прижимают затачиваемой поверхностью к вращающемуся кругу, а для того, чтобы износ круга происходил равномерно и чтобы затачиваемая поверхность получалась плоской, резец все время передвигают вдоль рабочей поверхности круга.
Сначала затачивают главную и вспомогательную задние 'поверхности, затем переднюю поверхность и вершину резца.
Заточка вручную на точильно-шлифовальных станках имеет следующие недостатки: трудность получения первоначальных (заданных) геометрических параметров режущей части резца, возможность появления прижогов и трещин на затачиваемых поверхностях, необходимость последующей доводки резца на универсально-заточных или специальный станках. Необходимость доводки вызывается тем, что зерна круга при заточке оставляют на режущих кромках, передней и задних поверхностях резца микронеровности, которые оказывают большое влияние на работу резца, на качество обработки. Микронеровности (зазубрины) режущей кромки копируются непосредственно на обработанной поверхности, ухудшая ее качество (чистоту обработки); в то же время, являясь источниками концентрации местных напряжений, они вызывают ослабление и выкрашивание режущей кромки. Кроме того, чем выше микронеровности на задних и передней поверхностях резца, тем больше трение между деталью и резцом, тем быстрее изнашивается резец. Сущность доводки заключается в притирке задних и передней поверхностей на узких участках вдоль режущей кромки.
Доводка производится обычно на алмазных доводочных кругах. Геометрию резца после заточки проверяют специальными шаблонами, угломерами или приборами.
СПИСОК РЕКОМЕНДУЕМОЙ ЛИТЕРАТУРЫ
Основная
1. Антонов, конструкционных материалов / , . – М.: Просвещение, 1982. – 431 с.
2. Виноградов, / . – Минск: Нар. асвета, 1999. – 191 с.
3. Горбунов, металлов резанием, металлорежущий инструмент и станки / . – М.: Машиностроение, 1981. – 287с.
4. Денежный, дело / , , . – М.: Высш. школа, 1985. – 304 с.
5. Лернер, и фрезерное дело / , . – М.: Просвещение, 1990. – 208 с.
6. Макиенко, курс слесарного дела / . – М., 2001. – 206 с.
7. Макиенко, дело с основами материаловедения / . – М.: Высшая школа,1979. – 464 с.
8. Муравьёв, в учебных мастерских / , . - М.: Просвещение, 1987. – В 2 ч. Ч 1. – 192 с.
9. Покровский, дело / , . – М.: ИРПО: Изд. центр «Академия», 2003. – 320 с.
10.Попов, работы / . – М., 2002. – 114 с.
11.Ревуцкий, материал по техническому труду, 5-6 кл. / , . - Минск: Нар. асвета, 19с.
12.Справочник по трудовому обучению: обраб. древесины и металла, электротехн. и рем. работы, 5-7 кл. / [и др.]. - М.: Просвещение, 19с.
13.Фещенко, обработка: учеб. для ПТУ / , . - М.: Высш. шк., 199с.
14.Черпаков, станки / , . – М.: Изд. центр «Академия», 2003. – 368 с.
Дополнительная
15.Афиногенов, для школьных мастерских и УПК / , , . – М., 1981. – 240 с.
16.Захаров, / , – М.: Машиностроение, 1989. – 272 с.
17.Крупицкий, дело / . – Минск: Выш. школа, 1976. – 288 с.
18.Лернер, и фрезерное дело: учеб. пос. для учащ. 8-11 кл. сред. школы / , . – М.: Просвещение, 1990. – 208 с.
19.Максимов, по специальной технологии токарного дела / . – М.: Высш. школа, 1987. – 144 с.
20.Муравьев, обработки металла, 5-9: учеб. для учащ. 5-9 кл. общеобраз. учреждений / . – М.: Просвещение, 2002. – 224 с.
21.Покровский, -сборочные работы / – М.: Изд. центр «Академия», 2003. – 368 с.
22.Политехнический словарь / Редкол.: (гл. ред.) [и др.]. – М.: БРЭ, 2000. – 656 с.
23.Роман, металлов резанием и станки / – Минск: Выш. школа, 1970. – 312 с.
24.Схиртладзе, широкого профиля / , . – М.: Высш. школа, 1998. – 464 с.
25.Яровой, задач по техническому труду / , , .–М.: Просвещение, 1976. – 136с.



