МИНИСТЕРСТВО ОБРАЗОВАНИЯ И НАУКИ РОССИЙСКОЙ ФЕДЕРАЦИИ
Федеральное государственное бюджетное образовательное учреждение
«Забайкальский государственный университет»
(ФГБОУ ВО «ЗабГУ»)
Факультет Энергетический___________________________________
Кафедра Математики и черчения____________________________
УЧЕБНЫЕ МАТЕРИАЛЫ
для студентов заочной формы обучения
(с ускоренным сроком обучения)
по дисциплине «Инженерная и компьютерная графика»
наименование дисциплины (модуля)
для направления подготовки (специальности) 13.03.02 Электроэнергетика и электротехника_________________________________________________
код и наименование направления подготовки (специальности)
Общая трудоемкость дисциплины (модуля) – 7 зачетных единиц.
Форма текущего контроля в семестре – контрольная работа № 1, 2.
Курсовая работа (курсовой проект) (КР, КП) – нет.
Форма промежуточного контроля в 1 семестре - зачет, во 2 семестре - экзамен.
Краткое содержание курса
Раздел – «Компьютерная графика», 1 семестр:
Знакомство с графическим редактором КОМПАС-LT. Интерфейс программы. Инструментальные панели. Типы документов. Создание чертежа. Параметры чертежа. Работа в режиме 2D, построение изображений. Сохранение документа. Вывод на печать.
Раздел – «Инженерная графика», 1 семестр:
Конструкторская документация. Оформление чертежей: ГОСТ 2.301-68 «Форматы». ГОСТ 2.302-68 «Масштабы». ГОСТ 2.303-68 «Линии чертежа». ГОСТ 2.304-81 «Шрифты чертежа».
Проекционное черчение: ГОСТ 2.305-2008 «Изображения». Виды: основные, дополнительные, местные. Разрезы: простые, сложные, местные.
ГОСТ 2.307-2011 «Нанесение размеров».
ГОСТ 2.317-2011 «Аксонометрические проекции»: Прямоугольная изометрия.
Раздел – «Инженерная графика», 2 семестр:
ГОСТ 2.701 - 2008. Схема. Виды и типы схем. Классификация. ГОСТ 2.702 - 2011 «Правила выполнения электрических схем». Электрические принципиальная, структурная схемы, перечень элементов. ГОСТ 2.710 - 81 «Обозначения буквенно-цифровые». ГОСТ 2.721 - 74 «Обозначения условные графические».
Семестр 1
Форма текущего контроля
Контрольная работа № 1:
Контрольные работы выполняются в виде РГР (расчётно-графическое задание) – самостоятельная работа студента по индивидуальному заданию. Работа может быть выполнена как в «ручном», так и в «электронном» варианте в графическом редакторе «Компас – график».
Содержание контрольной работы берут у методиста кафедры МиЧ (ауд. Э-304) или на сайте ЗабГУ в разделе «Заочное обучение». Номер варианта определяется как сумма двух последних чисел номера зачётной книжки.
Студенты выполняют контрольную работу с последующей защитой.
Итоговым контролем знаний является зачет в электронном или письменном виде, который студент сдает в зимнюю сессию и выполнение тестов на практических занятиях в письменной форме по темам курса: «Виды», «Разрезы». Тест-билет содержит 10 вопросов, каждый вопрос оценивается в 0,5 балла. Допуском к зачету является зачтенная контрольная работа.
Содержание контрольной работы № 1:
Лист № 1: Построение 3-х видов по заданному наглядному изображению, ф. А3.
Лист № 2: Построение 3 вида по двум заданным, выполнение необходимых разрезов.
Лист № 3: Построение аксонометрической проекции детали с вырезом по заданию листа № 2, ф. А3.
Методические рекомендации по выполнению заданий:
Графические работы выполняются на форматах А3 оформленных рамкой чертежа и штампом «Основная надпись» по форме №1 ГОСТ 2.104-2006. Ориентация формата – горизонтально. В маркировке чертежа указывается учебное заведение, номер контрольной работы, номер варианта, номер листа в контрольной работе, наименование изучаемого раздела (например, ЗабГУ 01 10 01, где 01 – контрольная работа №1; 10 – вариант № 10; 01 – первый лист контрольной работы).
Работы выполняются и оформляются согласно ГОСТам ЕСКД: ГОСТ 2.301-68 «Форматы», ГОСТ 2.302-68 «Масштабы», ГОСТ 2.303-68 «Линии», ГОСТ 2.305-2008 «Изображения», ГОСТ 2.307-2011 «Нанесение размеров», ГОСТ 2.109-73 – «Основные требования к чертежам».
Для выполнения контрольных работ рекомендуется использовать учебные пособия для студентов-заочников:
Инженерная графика для студентов заочников: учеб. пособие / . – Чита: ЧитГУ, 2004. – 130 с.;
Графические дисциплины: учебное пособие / . – Чита: ЗабГУ, 2016. – 189 с.
Задания для выполнения контрольной работы №1
Вариант 1, 11
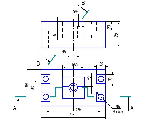
Задание. Построить три вида детали по данному наглядному изображению, нанести размеры (формат А 3).

Задание. Построить третье изображение детали по двум данным, дать разрезы, построить натуральный вид наклонного сечения, а также прямоугольную изометрию детали с вырезом (формат А 3).

Вариант 2, 12
Задание. Построить три вида детали по данному наглядному изображению, нанести размеры (формат А 3).

Задание. Построить третье изображение детали по двум данным, дать разрезы, построить натуральный вид наклонного сечения, а также прямоугольную изометрию детали с вырезом (формат А 3).

Вариант 3, 13
Задание. Построить три вида детали по данному наглядному изображению, нанести размеры (формат А 3).

Задание. Построить третье изображение детали по двум данным, дать разрезы, построить натуральный вид наклонного сечения, а также прямоугольную изометрию детали с вырезом (формат А 3).

Вариант 4, 14
Задание. Построить три вида детали по данному наглядному изображению, нанести размеры (формат А 3).

Задание. Построить третье изображение детали по двум данным, дать разрезы, построить натуральный вид наклонного сечения, а также прямоугольную изометрию детали с вырезом (формат А 3).

Вариант 5, 15
Задание. Построить три вида детали по данному наглядному изображению, нанести размеры (формат А 3).

Задание. Построить третье изображение детали по двум данным, дать разрезы, построить натуральный вид наклонного сечения, а также прямоугольную изометрию детали с вырезом (формат А 3).

Вариант 6, 16
Задание. Построить три вида детали по данному наглядному изображению, нанести размеры (формат А 3).

Задание. Построить третье изображение детали по двум данным, дать разрезы, построить натуральный вид наклонного сечения, а также прямоугольную изометрию детали с вырезом (формат А 3).

Вариант 7, 17
Задание. Построить три вида детали по данному наглядному изображению, нанести размеры (формат А 3).

Задание. Построить третье изображение детали по двум данным, дать разрезы, построить натуральный вид наклонного сечения, а также прямоугольную изометрию детали с вырезом (формат А 3).

Вариант 8, 18
Задание. Построить три вида детали по данному наглядному изображению, нанести размеры (формат А 3).

Задание. Построить третье изображение детали по двум данным, дать разрезы, построить натуральный вид наклонного сечения, а также прямоугольную изометрию детали с вырезом (формат А 3).

Вариант 9, 19
Задание. Построить три вида детали по данному наглядному изображению, нанести размеры (формат А 3).

Задание. Построить третье изображение детали по двум данным, дать разрезы, построить натуральный вид наклонного сечения, а также прямоугольную изометрию детали с вырезом (формат А 3).

Вариант 0, 10
Задание. Построить три вида детали по данному наглядному изображению, нанести размеры (формат А 3).

Задание. Построить третье изображение детали по двум данным, дать разрезы, построить натуральный вид наклонного сечения, а также прямоугольную изометрию детали с вырезом (формат А 3).

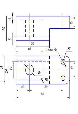
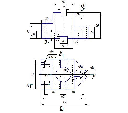
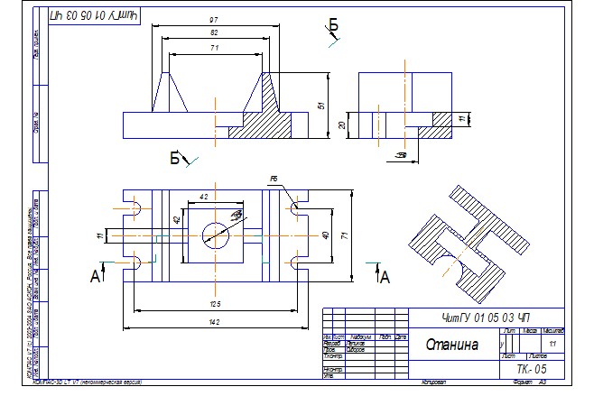
Пример выполнения листа № 1

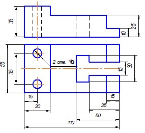
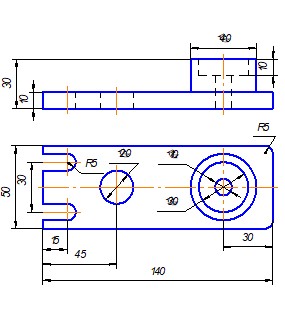
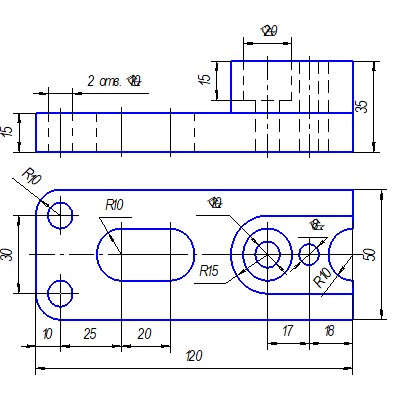
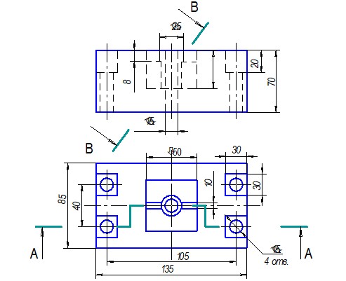
Пример выполнения листа № 2
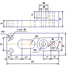
Пример выполнения листа № 3
Семестр 2
Форма текущего контроля
Контрольная работа № 2:
Контрольные работы выполняются в виде РГР (расчётно-графическое задание) – самостоятельная работа студента по индивидуальному заданию. Работа может быть выполнена как в «ручном», так и в «электронном» варианте в графическом редакторе «Компас – график».
Содержание контрольной работы берут у методиста кафедры МиЧ (ауд. Э-304) или у преподавателя кафедры читающего дисциплину. Номер варианта определяется как сумма двух последних чисел номера зачётной книжки.
Студенты выполняют контрольную работу с последующей защитой.
Итоговым контролем знаний является экзамен в электронном или письменном виде, который студент сдает в летнюю сессию. Допуском к экзамену является зачтенная контрольная работа.
Содержание контрольной работы № 2:
Лист № 1: схема структурная, ф. А3.
Лист № 2: схема принципиальная, ф. А3.
Лист № 3: перечень элементов к принципиальной схеме, ф. А4.
Методические рекомендации по выполнению заданий:
Графические работы выполняются на форматах А3 оформленных рамкой чертежа и штампом «Основная надпись» по форме №1 ГОСТ 2.104-2006. Ориентация формата – горизонтально. В маркировке чертежа указывается учебное заведение, номер контрольной работы, номер варианта, номер листа в контрольной работе, наименование изучаемого раздела (например, ЗабГУ 01 10 01, где 01 – контрольная работа №1; 10 – вариант № 10; 01 – первый лист контрольной работы).
Работы выполняются и оформляются согласно ГОСТам ЕСКД: ГОСТ 2.301-68 «Форматы», ГОСТ 2.302-68 «Масштабы», ГОСТ 2.303-68 «Линии», ГОСТ 2.305-2008 «Изображения», ГОСТ 2.307-2011 «Нанесение размеров», ГОСТ 2.109-73 – «Основные требования к чертежам», ГОСТ 2.702 - 2011 «Правила выполнения электрических схем». ГОСТ 2.710 - 81 «Обозначения буквенно-цифровые». ГОСТ 2.721 - 74 «Обозначения условные графические».
Для выполнения контрольных работ рекомендуется использовать учебные пособия для студентов-заочников:
Инженерная и компьютерная графика: учеб. пособие / , , . - Чита: ЧитГУ, 2007. – 251 с.
Графические дисциплины: учебное пособие / . – Чита: ЗабГУ, 2016. – 189 с.;
Задания для выполнения контрольной работы № 2
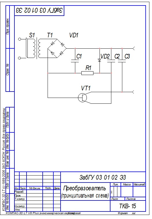
Схема №1 «Усилитель»
С2- Конденсатор 10мкФх16В; R3- Подстроечный резистор 15 кОм; R1- Резистор 560 Ом (0,125 Вт); VT2- Транзистор КТ315Б; VT1- Транзистор КТ361Е; VD1- Диод Д219А; DA1- Микросхема К118УН1Д; C10- Конденсатор 100мкФх16В.
Образец задания на контрольную работу № 2.

Образец выполнения структурной схемы

Образец выполнения принципиальной схемы

Образец выполнения документа «Перечень элементов»
Форма промежуточного контроля
Зачет в 1 семестре
Общие сведения о Компас-график LT. Пользование компьютером как средством управления и обработки информационных массивов. Основные элементы интерфейса Компас-график LT. Создание чертежа. Инструментальная панель. Панель расширенных команд, панель специального управления, строка параметров. Глобальные и локальные привязки. Выделение объектов. Использование вспомогательных построений. Простановка размеров. Ввод линейных, диаметральных, угловых размеров. Построение плоских изображений. Штриховка областей. Ввод и редактирование текста. Заполнение основной надписи. Ввод технических требований. Вывод на печать. ГОСТы 2.301-68; 2.302-68; 2.303-67; 2.304-81. Что называется, видом?14.1. Основные виды.
14.2. Дополнительные и местные виды.
14.3. Обозначение видов.
Правила нанесения размеров. Что называется, разрезом?16.1. Классификация разрезов.
16.2. Простые разрезы.
16.3. Сложные разрезы.
16.4. Местные разрезы.
16.5. Обозначение разрезов.
16.6. Совмещение части вида и части разреза.
16.7. Чем разрез отличается от сечения?
17. ГОСТ 2. 317 - 2011. Аксонометрические проекции: Прямоугольная изометрия.
Экзамен во 2 семестре
18. Какой конструкторский документ называется электрической схемой?
19. Виды и типы схем. Классификация по назначению. Обозначение различных видов и типов схем.
20. Основные термины используемые при составлении электрических схем.
20. Структурная схема. Правила по оформлению и выполнению схемы.
21. Принципиальная схема. Правила по оформлению и выполнению схемы.
22. Перечень элементов и функциональных частей.
23. Условное графическое обозначение элементов.
24. Стандартные буквенно-цифровое обозначение элементов.
Учебно-методическое и информационное обеспечение дисциплины
Основная литература
Инженерная графика: учебник / . - 4-е изд., перераб. и доп. - М.: Высш. шк., 2006. – 335 с.: ил. Инженерная графика: учебник / . – М.: Высшая школа, 2008. – 382 с.: ил. Основы инженерной графики: учеб. пособие / , , . - М.: Кнорус, 2007. - 426 с.
Дополнительная литература
Справочник по машиностроительному черчению / , . - 8-е изд., стер. - М.: Высшая школа, 2008. – 493 с.: ил. Справочник по техническому черчению / . – Минск: Книжный дом, 2004. – 320 с.: ил.
Собственные учебные пособия
Инженерная и компьютерная графика: учеб. пособие / , , . - Чита: ЧитГУ, 2007. – 251 с. Геометрическое черчение: учеб. пособие / . - Чита: ЧитГТУ, 2001. – 109с. Инженерная графика: эл. учеб. пособие – Чита, ЧитГу, 2008. Видеоуроки по компьютерной графике: эл. учеб. пособие / , , . – Чита, ЧитГУ, 2010. Инженерная и компьютерная графика: эл. учеб. пособие – Чита, ЧитГу, 2011.
Ст. преподаватель _________________
подпись
Заведующий кафедрой МиЧ___________
подпись



