Адрес изготовителя:
Россия, 456306, г. Миасс, Челябинская обл., а, ЗАО "ДЕЛСОТ"
Тел./, E-mail: *****@***ru
Водонагреватель
электрический проточный
ПЭВН 220 - 3,5
ПАСПОРТ
КТО.800.181.00.000 ПС

Сертификат соответствия №ТС RU C-RU. МЕ68.В.00060 от 01.01.2001 г. по 25.12.2019 г.
Патент на промышленный образец № 000
Внимание!
1 Электроводонагреватель оснащён термовыключателем без самовозврата, срабаты-вающим при аварийных ситуациях и обеспечивает безопасность при эксплуатации (для приведения электроводонагревателя в исходное состояние - см. п. 7.3).
2 Не допускайте установку запорной арматуры на отводе горячей воды.
В связи с систематически проводимыми работами по совершенствованию конструкции и технологии изготовления возможны расхождения между паспортом и поставляемым изделием, не влияющие на условия эксплуатации.
1 ОБЩИЕ УКАЗАНИЯ
1.1 Водонагреватель электрический проточный ПЭВH 220 - 3,5, в дальнейшем именуемый водонагреватель, предназначен для быстрого нагрева холодной воды в жилых и бытовых помещениях при наличии холодного водоснабжения или накопительного бака, поднятого на высоту около 4-х метров. Водонагревателю для работы необходимо относительно низкое рабочее давление воды, что позволяет использовать его в сельской местности и в садовых домиках. Установка водонагревателя на месте эксплуатации и подвод питания должны производиться специализированной организацией.
1.2 Рабочее положение водонагревателя вертикальное, штуцерами вниз.
2 ТЕХНИЧЕСКИЕ ТРЕБОВАНИЯ И ПОКАЗАТЕЛИ ЭНЕРГОЭФФЕКТИВНОСТИ
2.1 Напряжение питающей сети, В/частота тока, Гц | ~ 220/50 |
2.2 Величина потребляемого тока, А | 16 |
2 3 Номинальная потребляемая мощность, не более, кВт | 3,5 |
2.4 Класс электробезопасности по ГОСТ МЭК 60335-1-2008 | 1 |
2.6 Степень защиты от влаги по ГОСТ 14254-96 | брызгозащищённое, IP22 |
2.7 Минимальное допустимое давление на входе, МПа | 0,04 |
2.8 Производительность, при перепаде температур воды на выходе и входе 30 °С, не менее, л/мин | 1,7 |
2.9 Габаритные размеры (без излива), мм | 203х258х60 |
2.10 Масса, не более, кг | 2,1 |
2.11 Срок службы водонагревателя с момента ввода в эксплуатацию составляет не менее, лет | 10 |
3 КОМПЛЕКТHОСТЬ
ПЭВН 220 - 3,5 – И (поставки с изливом) | ПЭВН 220 - 3,5 – Д (поставки с душевой насадкой) | ||
Водонагреватель | 1 шт. | Водонагреватель | 1 шт. |
Монтажный кронштейн | 1 шт. | Монтажный кронштейн | 1 шт. |
Излив | 1 шт. | Душевая насадка с кронштейном | по 1 шт. |
Комплект вкладышей | 1 комплект | Комплект вкладышей | 1 комплект |
Штуцер переходной | 1 шт. | Штуцер переходной | 1 шт. |
Шланг L=350мм | 1 шт. | Шланг L=800мм, L=1200мм | 1 шт. |
Прокладка | 4 шт. | Прокладка | 6 шт. |
Фильтр | 1 шт. | Фильтр | 1 шт. |
Паспорт | 1 шт. | Паспорт | 1 шт. |
Упаковка | 1 шт. | Упаковка | 1 шт. |
4 ТРЕБОВАНИЯ БЕЗОПАСНОСТИ
4.1 Не включать, если существует возможность замерзания воды в водонагревателе.
4.2 Подключение к электрической сети производится только через 2-х полюсную розетку с боковым заземляющим контактом, расcчитанную на силу тока не менее 16 А, установка которой при её отсутствии производится специализированной организацией, с соблюдением требований безопасности. Водонагреватель подключается к электрическим сетям, снабженным защитным устройствам.
4.3 Перед включением водонагревателя в сеть убедитесь в исправности шнура, вилки, розетки.
4.4 Не допускается подавать на вход водонагревателя воду с температурой выше 35°С, что может привести к перегреву воды на выходе водонагревателя выше 95°С.
4.5 ЗАПРЕЩАЕТСЯ:
- оставлять без присмотра работающий водонагреватель;
- использовать водонагреватель с поврежденными органами управления, вилкой, розеткой;
- снимать верхнюю панель при включенной в розетку вилке;
- устанавливать запорную арматуру с вентилем на отводе горячей воды;
- производить регулировку, каких либо устройств и элементов водонагревателя, кроме регулировки подачи воды вентильной головкой;
- заземлять вывод розетки по трубе водопровода, газа или канализации.
4.6 При длительном неиспользовании водонагревателя необходимо отключать его от электросети, вынуть вилку шнура из розетки.
5 УСТРОЙСТВО ВОДОНАГРЕВАТЕЛЯ
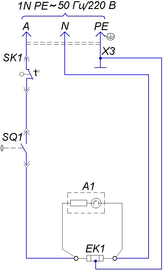
5.1 Водонагреватель состоит (см. рис. 4 и 5) из корпуса 3, панель 8, лампа светосигнальная 4 (А1), шнур питания 6 с вилкой, имеющей боковые заземляющие контакты.
5.2 Внутри водонагревателя (на рис. 4 не показан) установлены трубчатый электронагреватель ЕК1 с дополнительной оболочкой вокруг него (по которой протекает нагреваемая вода); микропереключатель SQ1 (включается от датчика давления при открывании вентиля подачи холодной воды), аварийный термовыключатель без самовозврата SК1, срабатывающим в аварийных режимах (см. п. 7.3).
5.3 Электрическая схема водонагревателя приведена на рис. 5.
6 ПОДГОТОВКА К РАБОТЕ
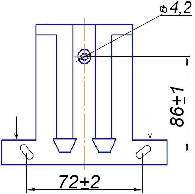
6.1 Водонагреватель закрепить на стене с помощью монтажного кронштейна (рис. 1) на максимально возможную высоту, оставив вокруг прибора свободное пространство не менее 60 мм с каждой стороны.
6.2 Снять монтажный кронштейн с задней стенки водонагревателя, нажав пальцами рук на выступающие его части в направлении стрелок рис. 1. Наложить монтажный кронштейн на стену, разметить и просверлить в стене отверстия под шурупы согласно рис. 1. Установить в отверстия пробки и закрепить монтажный кронштейн на стене направляющими пазами наружу. Установить вертикально водонагреватель в пазы монтажного кронштейна, заводя его вниз сверху вниз до защелкивания фиксаторов, штуцерами вниз.
6.3 Электрическое подключение водонагревателя заключается в установке (при её отсутствии) розетки штепсельной 2-х полюсной на 16А с боковыми заземляющими контактами, для чего необходимо с квартирного щита провести заземляющий провод и подключить к боковым контактам розетки. Работы по монтажу розетки и заземляющего провода должны производиться квалифицированным специалистом с соблюдением Правил устройства электроустановок.
6.4 Работы по подключению к водопроводной сети должны производиться специализированной организацией. Подключение производится через водопроводный кран или вентиль с помощью труб, шлангов. Магистраль, непосредственно подсоединяемая к водо-проводной сети до запорного вентиля, должна выдерживать давление воды этой сети.
6.5 Магистраль от запорного вентиля до водонагревателя монтируется гибким шлангом с резьбой G1/2’’-В, поставляемым в комплекте (рис. 2). Длина его при комплектовании изливом составляет 350 мм, душевой насадкой – 800 мм. Подача холодной воды производится подсоединением к штуцеру водонагревателя с синим уплотнительным кольцом, предварительно вставив в штуцер фильтр очистки воды. Для подсоединения шланга к смесителю ванной комнаты или кухни используется переходной штуцер с резьбой М22х1,5, поставляемый в комплекте. Подсоединение излива или шланга с душевой насадкой произвести к штуцеру водонагревателя с красным уплотнительным кольцом (рис. 2). Подтекание воды не допускается.
7 ПОРЯДОК РАБОТЫ
7.1 Проточный водонагреватель работает автоматически. Он автоматически включается в момент открывания вентиля входной магистрали и наоборот, выключается в момент закрытия этого вентиля.
7.2 Перед началом работы вставить вилку в розетку. Открыть вентильной головкой подачу воды, при этом должен загореться световой сигнал и установить необходимую температуру воды на выходе изменением положения вентильной головки.
7.3 Водонагреватель оснащён термовыключателем без самовозврата, обеспечивающим отключение от электросети в случае аварийной ситуации, вызванной:
- установкой запорной арматуры (вентилятора) на отводе горячей воды;
- перекрытием протока воды в водонагревателе посторонними частицами;
- залипанием (сваркой) контактов коммутационной аппаратуре при длительной работе с минимальным расходом воды.
В случае срабатывания аварийного термовыключателя необходимо выяснить причину аварийного отключения, затем прекратить подачу воды, отключить водонагреватель от электросети (вытащив вилку шнура из розетки), снять водонагреватель со стены, снять переднюю панель (открутив крепящие саморезы), нажать кнопку возврата термовыключателя (приведя его в исходное состояние). Установить на место панель, закрепить водонагреватель на монтажный кронштейн. Подключиться к розетке электросети, продолжить эксплуатацию водонагревателя, не допуская аварийной ситуации.
Внимание! При правильной эксплуатации водонагревателя никогда не будет про-исходить срабатывание защитных термовыключателей.
При повторном срабатывании защитных термовыключателей необходимо прекратить эксплуатацию водонагревателя и сдать его в ремонт или отправить изготовителю на гарантийный ремонт.
7.4 Для отключения водонагревателя необходимо перекрыть подачу воды вентильной головкой. При длительном неиспользовании водонагревателя необходимо отключать его от электросети, вынув вилку шнура из розетки.
8 ТЕХНИЧЕСКОЕ ОБСЛУЖИВАНИЕ
8.1 В процессе длительной эксплуатации по истечении гарантийного срока, не реже 1 - 2 раз в год, а также по мере необходимости, выполняются профилактические работы: - отключить водонагреватель от сети (вынуть вилку из розетки), снять верхнюю панель; - произвести осмотр всех частей водонагревателя, грязь удалить чистой ветошью, следы коррозии зачистить и покрыть слоем защитной смазки; - в случае засорения водонагревателя произвести очистку промывкой водой от сети в обратном направлении; - регулярно производить очистку фильтра и распылительных головок (излива или душевой насадки); - произвести подтяжку зажимных винтов, давление которых со временем ослабевает из-за циклических изменений температуры окружающей среды и текучести металла зажимаемых проводников.
8.2 Проточный водонагреватель комплектуется изливом или душевой насадкой со сменными вкладышами – рассекателями струи, которые по желанию потребителя можно менять, отвернув центральный винт (рис. 3). Максимально можно установить 3 рифлёных вкладыша, что будет соответствовать большой струе воды и меньшей температуре воды на выходе. Для рассеивания малой струи воды при большей температуре необходимо установить малый рифленый вкладыш.
8.3 В процессе эксплуатации водонагревателя необходимо регулярно очищать фильтр и пазы рифленых вкладышей от грязи, накипи и т. д. в зависимости от их состояния, но не реже одного раза в месяц. При подтекании воды через излив - заменить резиновый клапан запорного вентиля.
8.4 Поврежденный шнур питания заменяется шнуром с отпрессованной вилкой с боковым заземляющим контактом на 16А (ПВС-ВП 3 х 1,5 - 2 - 16 - 1,7).
8.5 Перед длительным хранением (без эксплуатации более 15 дней) рекомендуется удалить остатки воды из водонагревателя путем продувки воздухом через входной штуцер.
8.6 Работа по техническому обслуживанию должна быть произведена квалифицированным специалистом.
9 ПРАВИЛА ХРАНЕНИЯ И ТРАНСПОРТИРОВАНИЯ
9.1 Водонагреватель должен храниться в закрытых помещениях в условиях, исключающих возможность воздействия солнечных лучей, влаги, резких колебаний температуры.
9.2 Температура окружающего воздуха при хранении водонагревателя должна быть в пределах от +1°С до +40°С. Относительная влажность воздуха при температуре +25°С должна быть не более 80%.
9.3 Хранение водонагревателей в несколько ярусов без транспортной упаковки не допускается.
9.4 Условия транспортирования в части механических факторов – по группе Л ГОСТ 23216, в части воздействия климатических факторов – по группе 4 (Ж2) ГОСТ 15150.
9.5 Транспортирование водонагревателей может осуществляться всеми видами транспорта в крытых транспортных средствах в соответствии с правилами, действующими на данном виде транспорта.
9.6 При транспортировании должна быть исключена возможность перемещения водонагревателей внутри транспортных средств.
10 ГАРАНТИЙНЫЕ ОБЯЗАТЕЛЬСТВА
10.1 Изготовитель гарантирует соответствие водонагревателя требованиям ТУ 3468-008-12589972-2003 при соблюдении потребителем правил эксплуатации, транспортирования и хранения.
10.2 Гарантийный срок хранения - 1 год. Гарантийный срок эксплуатации - 1 год с момента продажи (передачи) водонагревателя. Гарантийный срок исчисляется со дня изготовления водонагревателя, если день его продажи (передачи) установить невозможно. В течение гарантийного срока завод - изготовитель в отношении недостатков водонагревателя удовлетворяет требования потребителя в соответствии с действующим законодательством, при условии соблюдения потребителем правил эксплуатации, хранения и транспортирования.
10.3 Гарантийное обслуживание производится при предъявлении документов, подтверждаю-щих факт и условия покупки водонагревателя. При отсутствии таких документов доказывание факта и условий покупки водонагревателя, в том числе факта предоставления гарантии и ее условий осуществляется потребителем в порядке, установленным законодательством.
Срок службы проточного водонагревателя составляет 8 лет с момента ввода в эксплуатацию. По истечении срока службы дальнейшая эксплуатация водонагревателя не допускается. При невыполнении изготовитель не несет ответственности за безопасность изделия.

Рисунок 1 – Монтажный кронштейн. Координаты отверстий для закрепления на стене

Рисунок 2 – Схема подсоединения к холодной воде и отвода горячей воды

Рисунок – 3 Комплектность вкладышей для излива

1 – шланг для подвода холодной воды;
2 – фильтр;
3 – корпус;
4 – лампа светосигнальная;
5 – кронштейн для крепления на стене;
6 – шнур питания;
7 – излив;
8 – панель
Рисунок 4 - Устройство водонагревателя и его размеры

XP1 – шнур питания с вилкой;
SQ1 – микропереключатель датчика давления;
SK1 – термовыключатель без самовозврата (с кнопкой возврата в исходное состояние после остывания);
A1 – лампа светосигнальная;
EK1 – электронагреватель
Рисунок 5 - Схема электрическая принципиальная
11 СВИДЕТЕЛЬСТВО О ПРИЁМКЕ
Водонагреватель ПЭВН 220 – 3,5 № _________________ соответствует ТУ 3468-008-12589972-2003 и признан годным к эксплуатации.
Дата выпуска "_____"_____________ 20___ г. Штамп ОТК
Продан ________________________________ Дата продажи _________________
Наименование предприятия торговли и печать



