Согласованы
приказом Комитета по государственному контролю за чрезвычайными ситуациями и промышленной безопасностью Министерства по чрезвычайным ситуациям Республики Казахстан
от «05» декабря 2013 года
№ 63
Методические рекомендации по консервации теплоэнергетического оборудования с применением пленкообразующих аминов
Переработаны Акционерным обществом «Национальный научно-технический центр промышленной безопасности» Министерства по чрезвычайным ситуациям Республики Казахстан по заданию Товарищества с ограниченной ответственностью «Экибастузская ГРЭС-1 имени Булата Нуржанова», взамен РД 34.20-596-87.
Настоящие Методические рекомендации распространяются на энергетические и водогрейные котлы и турбоустановки тепловых электростанций.
Методические рекомендации определяют основные технологические параметры консервации, устанавливают критерии выбора параметров, технологию проведения консервации котлов и турбоустановок при выводе в ремонт или длительный резерв.
Глава 1. Общие положения
1. Метод консервации с применением пленкообразующих аминов (далее - ПОА) используется для защиты металла от стояночной коррозии оборудования турбоустановок, энергетических, водогрейных котлов и вспомогательного оборудования при выводе их в средний или капитальный ремонт либо в длительный резерв (более 6 месяцев) наряду с известными способами.
2. 3ащитный эффект обеспечивается за счет создания на внутренних поверхностях оборудования молекулярной адсорбционной пленки консерванта, предохраняющей металл от воздействия кислорода, углекислоты, других коррозионно-агрессивных примесей и существенно снижающей скорость коррозионных процессов.
3.Выбор параметров процесса консервации (временные характеристики, концентрации консерванта и т. д.) осуществляется на основе предварительного анализа состояния оборудования энергоблока (удельной загрязненности поверхностей, состава отложений, проводимого водного химического режима и т. д.).
4. При консервации осуществляется сопутствующая частичная отмывка пароводяных трактов оборудования от железо - и медьсодержащих отложений и коррозионно-активных примесей.
5. Преимущества данной технологии консервации заключаются в следующем:
- обеспечивается надежная защита оборудования и трубопроводов, в том числе в труднодоступных местах и застойных зонах, от протекания стояночной коррозии в течение длительного промежутка времени (на срок не менее 1 года);
- обеспечивается возможность осуществления защиты от коррозии не только конкретного оборудования по отдельности, но и всей совокупности этого оборудования, т. е. энергетического блока в целом;
- коррозионно-защитный эффект сохраняется после дренирования и вскрытия оборудования, а также и под слоем воды;
- позволяет проводить ремонтные и регламентные работы со вскрытием оборудования;
- исключается применение токсичных консервантов.
6.На основе настоящих методических рекомендаций разрабатывается план организации работ (далее – ПОР) по проведению консервации оборудования с подробным указанием мероприятий, обеспечивающих выполнение технологии консервации и безопасность проводимых работ.
Глава 2. Сведения о консерванте
7. Для проведения консервации используется консервант флотамин (октадециламин стеариновый технический), являющийся одним из высших пленкообразующих алифатических аминов. Это воскообразное вещество белого цвета, основные свойства которого приведены в ТУ-6-36-1044808-361-89 от 20.04.90,может быть использован аналог ОДАСОN (далее - ОДА кондиционный) повышенной степени очистки, соответствующий европейскому стандарту DIN EN ISO 9001:1994 со следующими основными параметрами:
Массовая доля первичных аминов (С16 + С18 - 95,3%) | не менее 99,7 % |
Массовая доля вторичных аминов | не более 0,3 % |
Йодное число (г йода/100 г продуктов характеризует количество непредельных углеводородов) | не более 1,5 |
Массовая доля амидов | отсутствуют |
Массовая доля нитрилов | отсутствуют |
Точка затвердевания | 44,2 ° С |
8. Отбор проб консерванта и правил приемки необходимо осуществлять в соответствии с ГОСТ 6732 (красители органические, продукты промежуточные для красителей, вещества текстильно-вспомогательные). Показатели технических требований, предусмотренные ТУ, соответствуют мировому уровню и требованиям потребителей.
9. Предельно допустимая концентрация флотамина в воздухе рабочей зоны не более 1 мг/м3 (ГОСТ 12.1.005-88).
10. В соответствии с ГОСТ 12.1.005-88 предельно допустимая концентрация ОДА в воде для санитарно-гигиенического использования не более 0,03 мг/л (СанПиН № 000-88 от 04.07.88), в воде рыбохозяйственных водоемов не более 0,01 мг/л.
11. Молекулы консерванта адсорбируются на поверхности всех металлов, используемых в теплоэнергетике. Количество адсорбированного на поверхности металла консерванта зависит от его исходной концентрации, продолжительности процесса консервации, типа металла, температуры среды, ее скорости движения, от того, в какой среде происходит процесс адсорбции (вода, влажный или перегретый пар), а также от степени загрязненности консервируемых поверхностей металла.
Глава 3. Технология консервации
12. Технология консервации теплоэнергетического оборудования с использованием пленкообразующих аминов учитывает большое количество факторов, а именно: тип металла, удельную загрязненность поверхностей и состав отложений, используемый водный химический режим, скорости потока при консервации, состояние среды (вода, перегретый или влажный пар), температура, значение pH и т. д.
13. В этой связи для каждого конкретного объекта технология консервации адаптируется по месту дозирования ОДА, его концентрации, продолжительности проведения работы, гидродинамическим и термодинамическим условиям. Исходная концентрация консерванта в рабочей среде варьируется в диапазонах 1-5 мг/л до 30-100 мг/л при продолжительности консервации от 30 часов до 10-15 часов соответственно.
14. Процесс консервации контролируется по показаниям данных водно-химического режима (содержанию ОДА, Fe, Сu, Сl, pH, SiO2, æ и т. д.). При необходимости процесс дозирования ОДА может быть временно остановлен или, наоборот, вводимое количество ОДА увеличивается.
15. Критерием окончания процесса консервации является относительная стабилизация концентрации ОДА в контуре.
16. При дренировании температура воды, содержащей ОДА, не должна быть ниже 60°С во избежании ОДА с образованием дигидрата в виде парафиновой пленки.
17. Дренирование может быть осуществлено на шламоотвал или в канализацию с соблюдением норм ПДК.
Глава 4. Химический контроль
18. В процессе консервации необходимо периодически контролировать концентрацию консерванта в контуре по штатным пробоотборникам.
19. При необходимости оценки сопутствующего эффекта (отмывки от железо-окисных отложений хлоридов и проч.) в дополнительном объеме контролируется содержание в теплоносителе Fe, Cu, Cl, Na, SiО2.
20. Штатный химконтроль выполняется в обычном объеме.
21.Оценка качества защитной пленки на поверхности металла осуществляется следующими методами:
1) органолептический метод включает в себя визуальный осмотр обработанной поверхности и оценки степени ее гидрофобности путем набрызгивания на металлическую поверхность воды и определения краевого угла смачивания (для гидрофобных поверхностей эта величина > 90°);
2) химико-аналитический метод заключается в определении удельной адсорбции ОДА на законсервированной поверхности металла, которая не должна быть менее 0,3 мкг/см2.
22. При возможности проводятся гравиметрические исследования образцов-свидетелей и выполняются электрохимические испытания вырезанных образцов.
23. Методика определения концентрации октадециламина в воде приведена в Приложении.
Глава 5. Консервация теплоэнергетических блоков
Параграф 1. Подготовка к консервации
24. Блок разгружается до минимально возможной мощности. Температура конденсата в конденсатосборниках поддерживается не ниже 45°С. БОУ (если она есть) выводится из работы (байпасируется).
25. При консервации блоков с барабанными котлами режим включения периодической продувки корректируется в зависимости от результатов анализов при консервации.
26. За 10-12 часов до начала проведения консервации прекращают дозировку фосфатов, гидразина и аммиака.
27. Перед началом консервации проводится опрессовка системы дозирования. Система дозирования подключается на всас питательных насосов.
28. Для проведения химических анализов необходимо подготовить химреактивы, посуду и приборы в соответствии с методиками анализов, осуществить ревизию всех штатных пробоотборных точек.
Параграф 2. Перечень контролируемых и регистрируемых параметров
29. В процессе консервации необходимо контролировать и регистрировать следующие параметры работы блока:
электрическую мощность блока - 1 раз в час
температуру питательной воды - 1 раз в час
расход питательной воды - 1 раз в час
температуру пара - 1 раз в час
температуру конденсата - 1 раз в час
30. Регистрация показателей температуры по всем отборам турбины производится 1 раз в час.
Параграф 3. Указания по проведению работ при консервации
31.Начать дозировку консерванта на всас бустерных насосов. Требуемые концентрации консерванта и время консервация блока определяются в зависимости от его параметров, типов котлов, турбины и удельной загрязненности внутренних поверхностей.
32. По результатам химконтроля производится корректировка основных технологических параметров (концентрация консерванта и продолжительность дозирования).
33. При существенном повышении концентраций примесей в рабочем теле обеспечивается их удаление из тракта (продувка, размыкание контура).
34. При нарушениях в режиме работы блока проведение операций по консервации прекратить и продолжить после восстановления параметров работы блока.
35. По окончании консервации оборудование выводится в ремонт (резерв). При достижении температуры воды в полостях оборудования не ниже 60 °С сдренировать рабочее тело со сбросом на шламоотвал или в систему ГЗУ.
Глава 6. Консервация паровых и водогрейных котлов
Параграф 1. Подготовительные операции
36. После принятия решения о проведении консервации с использованием ОДА. производится вырезка и анализ образцов труб для оценки состояния внутренней поверхности и выбора параметров процесса.
37. Котел остановлен и сдренирован.
38. Выбор параметров процесса консервации (временные характеристики, концентрации консерванта на различных этапах) осуществляется исходя из предварительного анализа состояния котла, включая определение величины удельной загрязненности и химического состава отложений внутренних поверхностей нагрева котла.
39. Перед началом работ провести ревизию оборудования, трубопроводов и арматуры, используемых в процессе консервации, контрольно-измерительных приборов.
40. Собрать схему для проведения консервации, включающую котел, систему дозирования реагента, вспомогательное оборудование, соединительные трубопроводы.
41. Опрессовать систему консервации.
42. Подготовить требуемые для проведения химических анализов химреактивы, посуду и приборы в соответствии с методиками проведения анализов.
Параграф 2. Барабанные котлы
43. В процессе консервации необходимо контролировать следующие параметры:
- температуру питательной воды;
- температуру котловой воды;
- при включении горелок - температуру и давление в котле.
44. Показатели по п. 43. регистрировать каждый час.
45. Зарегистрировать время начала и окончания ввода и расход консерванта.
46. Консервация из «холодного» состояния:
47. Заполнить котел питательной водой с температурой не ниже 80°С через коллектор нижних точек с одновременным дозированием консерванта до растопочного уровня. Растопить котел для создания необходимой температуры не ниже 100°С и не выше 150°С.
48. Установить в контуре расчетную концентрацию консерванта. В зависимости от результатов анализов проводить периодическое дозирование консерванта либо в нижние точки экранов, либо в нижний пакет водяного экономайзера.
49. Периодически производить продувку котла через дренажи нижних точек для удаления шлама, образовавшегося в процессе консервация оборудования вследствие частичной отмывки. Во время проведения продувки дозирование консерванта прекратить. После продувки производить подпитку котла.
50. Периодической растопкой котла или регулировкой количества включенных горелок необходимо поддерживать в рабочем контуре требуемые для консервации параметры (температура, давление). При растопке котла открыть воздушник насыщенного пара с пароперегревателя для сдувки пара.
51. После окончания консервации погасить горелки, кратковременно провентилировать газо-воздушный тракт, отключить дымососы и закрыть шибера, отключить систему дозирования консерванта и перевести котел в режим естественного расхолаживания. При средней температуре воды в котле 60¸70°С сдренировать котел в систему ГЗУ или при соблюдении норм ПДК осуществить сброс воды в циркводовод.
52. При нарушении технологических параметров процесса консервации прекратить работы и начать консервацию после восстановления необходимых параметров работы котла.
53. Консервация в режиме останова:
54. 3а 10-12 часов до начала проведения консервации прекращают дозировку фосфатов, гидразина и аммиака.
55. Непосредственно перед отключением котла от паросборного коллектора желательно произвести удаление шлама через нижние коллекторы 7 (рис. 1) экранных поверхностей нагрева.
56. За 15-20 минут до отключения котла от общего паросборного коллектора прекращают продувку котла.
57. После отключения котла от паросборного коллектора включают линию рециркуляции котловой воды из барабана котла на вход экономайзера и подают консервант в питательную воду перед экономайзером по линии 9 и по линии 10 в линию фосфатирования и барабан котла.
58. Перед окончанием консервации согласно режимной карте останова открывают продувку котла. Продувку ведут с минимальными расходами, что обеспечивает сохранение высокой температуры, необходимой для обеспечения максимальной эффективности консервации.
59. Процессу пассивации сопутствует частичная отмывка поверхностей нагрева котла от рыхлых отложений, переходящих в шлам, который необходимо удалять с продувкой. В период консервация постоянная продувка закрыта. Первую продувку проводят через нижние коллекторы через 3-4 часа после начала дозирования, начиная с панелей солевых отсеков.

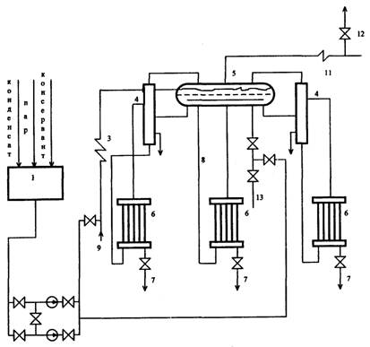
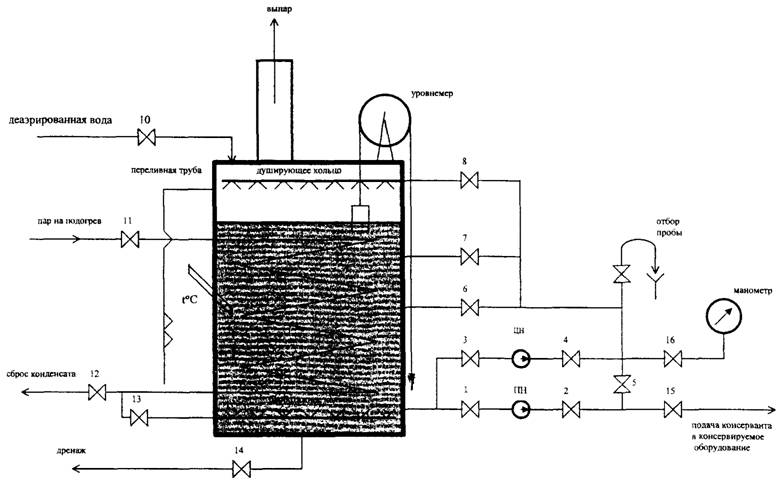
Рис. 1. Схема консервации барабанного котла в режиме его останова
1, 2- система дозирования консерванта; 3 - экономайзер; 4 - выносной циклон (соленый отдел); 5 - барабан котла (чистый отсек); 6 - экран (соленый отсек); 7 - линия периодической продувки; 8 - опускные трубы; 9 - трубопровод подачи водной эмульсии консерванта на вход экономайзера котла; 10 - трубопровод подачи водной эмульсии консерванта в барабан котла; 11 - пароперегреватель; 12 - воздушник пароперегревателя; 13 - линия фосфатирования.
60. При давлении в барабане котла на уровне 1,0-1,2 МПа осуществляют продувку котла, через воздушник 12. При этом пар с высоким содержанием консерванта проходит через пароперегреватель, что обеспечивает его более эффективную консервацию.
61. Консервация заканчивается при охлаждении поверхностей нагрева до 75°С. По окончании расхолаживания сдренировать котел в систему ГЗУ или при соблюдении норм ПДК осуществить сброс воды в циркводовод.
62. При нарушении технологических параметров процесса консервации прекратить работы и начать консервацию после восстановления необходимых параметров работы котла.
Параграф 3. Прямоточные котлы
63. В процессе консервации необходимо контролировать следующие параметры:
- температуру питательной воды;
- температуру и давление в котле.
64. Показатели по п. 63. регистрировать каждый час.
65. Зарегистрировать время начала и окончания ввода и расход консерванта.
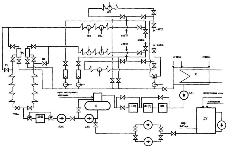
66. Схема консервации котла представлена на рис. 2. (на примере котла ТГМП-114). Для проведения консервации организуется контур циркуляция: деаэратор, питательный и бустерные насосы, собственно котел, БРОУ, конденсатор, конденсатный насос, ПНД и ПВД (БОУ байпасируется). В период прокачки консерванта через ПП обоих корпусов котла сброс происходит через СПП-1,2.
67. Дозировочная установка подключается на всас БЭН.
68. Производится заполнение контура циркуляции.
69. Включается в работу БЭН.
70. Производится разогрев рабочей среды до температуры 150-200 °С путем периодического включения горелок.
71. Приступить к дозированию консерванта на всас БЭН.
72. Поддержание необходимого диапазона температур циркулирующей среды обеспечивается путем периодического включения горелок.
73. После завершения процесса консервации подача пара в деаэратор прекращается, дренирование водопарового тракта производится при температуре не ниже 60¸70°С), вакуумная сушка консервируемых элементов и т. д.

Рис. 2. Схема консервации прямоточного котла СКД
Параграф 4. Водогрейные котлы
74. В процессе консервации необходимо контролировать следующие параметры:
- температуру котловой воды;
- при включении горелок - температуру и давление в котле.
75. Показатели по п. 75 регистрировать каждый час.
76. Зарегистрировать время начала и окончания ввода и расход консерванта.
77. Собрать схему для проведения консервации, включающую котел, систему дозирования реагента, вспомогательное оборудование, соединительные трубопроводы, насосы. Схема представляет собой замкнутый контур циркуляции. При этом необходимо отсечь контур циркуляции котла от сетевых трубопроводов и заполнить котел водой. Для подачи эмульсии консерванта в контур консервации может быть использована схема кислотной промывки котла.
78. Посредством насоса кислотной промывки (далее - НКП) организуется циркуляция в контуре котел - НКП - котел. Далее разогреть котел до температуры 110-150°С. Начать дозирование консерванта.
79.Установить в контуре расчетную концентрацию консерванта. В зависимости от результатов анализов проводить периодическое дозирование консерванта. Периодически (через 2-3 часа) производить продувку котла через дренажи нижних точек для удаления шлама, образовавшегося в процессе консервации оборудования. Во время проведения продувки дозирование прекращать.
80. Периодической растопкой котла необходимо поддерживать в рабочем контуре требуемые для консервации параметры (температура, давление).
81. После окончания консервации отключить систему дозирования, насос рециркуляции остается в работе в течение 3-4- часов.
82. Насос рециркуляции отключить, перевести котел в режим естественного расхолаживания. После отключения насоса произвести дренирование котла при температуре не ниже 60¸70°С.
83.При нарушении технологических параметров консервации прекратить процесс и начать консервацию после восстановления параметров работы котла.
Глава 7. Консервация паровых турбин
Параграф 1. Вариант 1
84. Наиболее благоприятными условиями проведения консервации турбины является совмещение штатного режима влажно-паровой промывки проточной части турбины (где это предусмотрено) с одновременным дозированием в пар консерванта или путем дозирования водной эмульсии консерванта в слабо-перегретый пар перед турбиной со сбросом конденсата (по разомкнутой схеме).
85. Объемные пропуски пара определяются условиями поддержания пониженных оборотов ротора турбины (с учетом критических частот).
86. Температура пара в выхлопном патрубке турбины должна поддерживаться не ниже 60-70°С.
Параграф 2. Вариант 2
87. Консервация турбины может выполняться отдельно от котла с использованием пара собственных нужд СН (Р = 10-13 кг/см2, t = 220-250 ° С) с раскруткой ротора турбины с частотой в диапазоне 800-1200 об/мин (в зависимости от критических частот).
88. В линию обеспаривания перед стопорным клапаном подается пар, насыщенный консервантом. Пар проходит проточную часть турбины, конденсируется в конденсаторе, а конденсат сбрасывается через линию аварийного слива за ПНД. При этом консервант адсорбируется на поверхностях проточной части турбины, трубопроводов, арматуры и вспомогательного оборудования.
89. На протяжении всего времени консервации турбины поддерживается следующий температурный режим:
- в зоне паровпуска в начале консервации температура составляет 165-170 °С, к моменту окончания консервации температура понижается до 150 °С;
- температура в конденсаторе поддерживается на уровне максимально возможной в пределах, определяемых инструкцией завода-изготовителя.
Параграф 3. Вариант 3
90. Консервация турбины осуществляется после останова при остывании корпуса за счет заполнения парового пространства конденсатора и турбины консервирующей смесью (конденсат + консервант).
91. Заполнение парового пространства конденсатора и турбины водой с консервантом производится при достижении в процессе расхолаживания температуры металла корпуса ЦВД примерно 150 °С и ЦНД 70-80 °С.
92. Одновременно с выполнением процедур по п. 7.3.2. включается валоповорот турбины.
93. Паровое пространство ЦНД и конденсатора заполняется через конденсатор, а паровое пространство ЦВД и ЦСД - через дренажные линии.
94. В зависимости от конструкции турбины и специфических условий конкретной станции заполнение производится до уровня, расположенного ниже горизонтального разъема турбины примерно на 200-300 мм.
95. Поддержание в период консервации постоянной температуры консерванта и металла турбоустановки осуществляется за счет барботажа через консервант пара низкого давления, поступающего от постороннего источника (например, от соседней работающей турбины или общестанционного паропровода и т. п.); пар подводится в конденсатор и расширители дренажей ЦВД и ЦСД.
96. Во время консервации для выравнивания температуры и концентрации консерванта производится его циркуляции в конденсаторе. Это осуществляется с помощью конденсатного насоса по линии рециркуляции на весь период консервации.
Глава 8. Система дозирования консерванта
Параграф 1. Вариант 1
97. Для обеспечения консервации энергетического оборудования необходимо провести подготовительные операции по приготовлению высококонцентрированной водной эмульсии октадециламина и по транспортировке ее в контур.
98. Подготовка эмульсии осуществляется в баке-смесителе дозировочного узла, в который подается обессоленная деаэрированная вода и реагент в определенной пропорции. В баке-смесителе производится интенсивное перемешивание реагента с водой до получения эмульсии, после чего готовая эмульсия с помощью насоса подается в контур.
99. Принципиальная схема дозировочного узла представлена на рис. 3. Основными элементами дозировочного узла являются бак-смеситель для приготовления водной эмульсии ОДА и группа электронасосов для подачи эмульсии в тракт теплоносителя и на рециркуляцию.
100. К баку-смесителю присоединяются:
- линия обессоленной деаэрированной воды;
- линия греющего пара для разогрева, перемешивания и поддержания необходимой температуры воды;
- линия отвода конденсата от бака в дренажную канализацию;
- линия подачи эмульсии в тракт теплоносителя и на рециркуляцию;
- линия дренирования воды из бака.
101. Для быстрого и качественного приготовления эмульсии ОДА необходимо интенсивное перемешивание в баке-смесителе. Перемешивание эмульсии обеспечивается центробежным насосом (далее - ЦН) за счет подачи эмульсии на перфорированное душирующее кольцо в верхней части бака (вентиль 8), путем подачи эмульсии в расположенные тангенциально к образующим бака соплам (вентили 6 и 7), а также барботированием пара через перфорированное барботажное кольцо, расположенное в нижней части бака (вентиль 13). Для разогрева и поддержания температуры воды (эмульсии) 80-90 °С, кроме барботирования, предусмотрена подача пара на змеевик (вентиль 11). Для сброса конденсата после обогрева предусмотрен вентиль 12.
102. На всасе и нагнетании ЦН предусмотрены задвижки 3 и 4. Подача эмульсии в контур теплоносителя обеспечивается плунжерными насосами (ПН), на всасе и нагнетании которых предусмотрены задвижки 1 и 2 , или центробежным насосом. На линии подачи эмульсии устанавливается обратный клапан 15.
103. Давление в трубопроводе подачи эмульсии в контур и на линии рециркуляции контролируется с помощью манометра. Температура эмульсии ОДА контролируется с помощью термометра, установленного в обечайке бака.
104. Для перепуска избыточного пара, образующегося в баке в процессе разогрева водной эмульсии ОДА, предусмотрена вестовая труба (выпар).
105. Исходная концентрация эмульсии ОДА контролируется с помощью химического анализа пробы, отбираемой через пробоотборник на напорном трубопроводе ЦН. Для отбора пробы предусмотрен вентиль 9. Уровень эмульсии в баке-смесителе контролируется уровнемером поплавкового типа.
106. В случае переполнения бака дозировочного узла предусмотрена переливная труба. Дренирование бака осуществляется открытием вентиля 14.
107. Бак-смеситель, водо - и паропроводы покрываются теплоизоляцией. Дозировочный узел компонуется на общей раме, что дает возможность его перемещения.
108. Для удобства эксплуатации дозировочный узел снабжен монтажными площадками и лестничным маршем. Для сборки электрической схемы питания электродвигателей насосов на раме монтируется электрощит. Вокруг дозировочного узла предусматриваются проходы не менее 1 м., а также достаточное электроосвещение.

Рис. 3. Принципиальная схема дозировочного узла
Параграф 2. Вариант 2
109. Для приготовления и дозирования консерванта используется компактная система дозирования, схема которой представлена на рис. 4.

Рис. 4. Схема дозировочной установки
1 - бак; 2 - насос; 3 - линия циркуляции; 4 - подогреватель;5 - электропривод с редуктором;
6 - патрубки; 7 - пробоотборник; 8 - кран сливной
110. В бак 1, где установлен теплообменник 4, загружается консервант. Путем обогрева бака питательной водой (Т = 100 °С) получают расплав консерванта, который насосом 2 подается в линию 9 на всас питательного насоса ПЭН.
111. В качестве дозирующего насоса можно использовать насосы типа НШ-6, НШ-3 или НШ-1.
112. Линия 6 соединяется с напорным трубопроводом насоса ПЭН.
113. Давление в линии циркуляции контролируется манометром.
114. Температура в баке 1 не должна снижаться ниже 70 °С.
115. Установка проста в эксплуатации и надежна. Компактная система дозирования занимает мало места, до 1,5 м2 и легко перемонтируется с одного объекта на другой.
Параграф 3. Вариант 3 (по методу выдавливания)
116. На рис. 5 приведена принципиальная схема установки дозирования, основанной на принципе выдавливания.

Рис. 5. Принципиальная схема дозирования консерванта по методу выдавливания
117. Указанная установка может быть использована при консервации и отмывке водогрейных котлов по замкнутому контуру циркуляции.
118. Установка подключается байпасом к насосу рециркуляции.
119. Расчетное количество консерванта загружается в емкость 8 с уровнемером и теплом рабочего тела (котловая вода, питательная вода) консервант расплавляется до жидкого состояния.
120. Расход рабочего тела через теплообменник 9 регулируется задвижками 3 и 4.
121. Необходимое количество расплава консерванта через задвижку 5 перепускается в дозировочную емкость 10 и далее задвижками 1 и 2 регулируется необходимый расход и скорость движения рабочего тела через дозировочную емкость.
122. Поток рабочего тела, проходя через расплав консерванта, захватывает последний в контур циркуляции котла.
123. Давление на входе контролируется манометром 11.
124. Для выпуска воздуха из дозировочной емкости при заполнении и дренировании служат задвижки 6 и 7. Для лучшего перемешивания расплава в дозировочную емкость монтируется диффузор.
Глава 9. Техника безопасности, охрана окружающей среды
125. Пленкообразующий амин (октадециламин) - воскообразное вещество со специфическим запахом. Плотность ОДА 0,83 г/см 3, температура плавления 54-55 °С, температура кипения 349 °С. При температуре выше 350 °С без доступа воздуха ОДА разлагается с образованием низкомолекулярных углеводородов и аммиака. ОДА не растворяется в холодной и горячей воде, но при температуре выше 75 °С образует с водой эмульсию, растворяется в спиртах, уксусной кислоте, эфирах и других органических растворителях.
126. Октадециламин относится к реагентам, применение которых одобрено и разрешено к использованию FDA|USDA и международной организацией World Association of Nuclear Operation (WANO).
127. Водная эмульсия октадециламина нетоксична даже при концентрации 200 мг/кг, что значительно превышает концентрации октадециламина в водных эмульсиях, которые используются для защиты металла энергетического оборудования от стояночной коррозии.
128. Предельно допустимые концентрации (ПДК) алифатических аминов с числом атомов углерода в молекуле 16-20 (октадециламин имеет 18 атомов углерода в молекуле) в воде водоемов санитарно-бытового использования составляет 0,03 мг/л (Санитарные правила и нормы № 000-88 от 04.07.88), в воздухе рабочей зоны - 1 мг/м3 (ГОСТ 12.1.005-88), в атмосферном воздухе - 0,003 мг/м3 (список № 000-84 от 27.08.84).
129. Октадециламин для человека практически безвреден, однако необходимо избегать прямого контакта с ним, так как в зависимости от индивидуальной восприимчивости иногда отмечается покраснение кожи, зуд, которые обычно через несколько дней после прекращения контакта с реагентом исчезают.
130. При осмотре дозировочного узла (при открытии крышки бака) следует избегать прямого контакта с горячими парами ОДА. После окончания работ с ОДА рабочим, имевшим контакт с ним, необходимо принять горячий душ. Работникам химлабораторий при работе с пробами, содержащими ОДА, следует выполнять анализы при включенном вытяжном устройстве, после окончания работы тщательно вымыть руки с мылом. Воду, содержащую ОДА, не допускается использовать для питьевых и бытовых целей.
131. При работе с пленкообразующими аминами необходимо строгое соблюдение правил личной гигиены, использование резиновых перчаток, фартука, защитных очков, при длительном контакте респиратора типа «лепесток».
132. При попадании эмульсии октадециламина на кожу необходимо промыть ее чистой водой и 5%-ным раствором уксусной кислоты.
При проведении ремонтных работ с использованием огневого нагрева на поверхностях оборудования, законсервированного ОДА, рабочая зона хорошо вентилируется.
133. На каждой электростанции с учетом местных условий разрабатываются технические решения по обезвреживанию и сбросу отработанных консервационных растворов ОДА.
134. При использовании октадециламина для консервации оборудования отработанный консервант, загрязненный продуктами коррозии конструкционных материалов и другими перешедшими из отложений примесями, рекомендуется сбрасывать в отстойник (шламоотвал, золоотвал, пруд-охладитель и т. п.), Благодаря способности октадециламина к биологическому расщеплению с течением времени нагрузка на отстойник по октадециламину при периодических консервациях энергетического оборудования незначительна.
135. После завершения консервации консервант из защищаемого оборудования в зависимости от имеющихся возможностей может быть сброшен: на шламоотвал; в систему золошлакоудаления; в циркводовод с разбавлением до ПДК.
136. При сбросе ПОА в воду поверхностных водоемов необходимо не превышать ПДК = 0,03 мг/кг - для водоемов санитарно-бытового назначения и 0,01 мг/кг - для водоемов рыбохозяйственного назначения.
________________
Приложение
к Методическим рекомендациям по консервации теплоэнергетического оборудования с применением пленкообразующих аминов
Методика определенная октадециламина
Ход анализа следующий: аликвотную пробу исследуемой водой эмульсии октадециламина доводит водой до 100 мл и помещают в делительную воронку, добавляют 4 мл ацетатного буферного раствора с pH=3,5, 2 мл 0,05%-го водного раствора индикатора метилового оранжевого, 20 мл хлороформа и встряхивают в течение 3 мин. Затем добавляют еще 50 мл хлороформа, встряхивают 1 мин, после чего дают смеси отстоятся. После расслоения хлороформный экстракт фотометрируют на фотоколориметре в кювете 1 см со светофильтром, имеющим максимум светопропускания при 430 нм. Калибровочный график для определения октадециламина в воде приведен на рисунке.
Реакция образования окрашенного комплекса весьма специфична. Определению не мешает присутствие солей аммония, железа и меди, а также гидразина. Чувствительность методики 0,1 мг/л. Закон Бугера-Ламберта-Бэра соблюдается вплоть до концентрации 4 мг/л [17].

Калибровочный график для определения концентрации октадециламина
______________
Принятые сокращения
БОУ – блочная обессоливающая установка;
БРОУ – быстро действующая редукционно-охладительная установка;
БЭН – бустерный электронасос;
ГЗУ – гидро золо удаление;
НКП – насос кислотной промывки;
ОДА – флотамин;
ОДАСОN – ОДА кондиционный;
ПВД – подогреватель высокого давления;
ПДК – предельно допустимая концентрация;
ПН – плунжерный насос;
ПОА – пленко образующие амины;
ПОР – план организации работ;
ПП – пароперегреватель;
ПНД – подогреватель низкого давления;
ПЭН – питательный электронасос;
СПП – сетевой пароподогреватель;
ЦВД – цилиндр высокого давления;
ЦНД – цилиндр низкого давления;
ЦСД – цилиндр среднего давления;
ЦН – центробежный насос;
__________________
Содержание
Глава, параграф | Методические рекомендации по консервации теплоэнергетического оборудования с применением пленкообразующих аминов | Стр. |
Глава 1. | Общие положения | |
Глава 2. | Сведения о консерванте | |
Глава 3. | Технология консервации | |
Глава 4. | Химический контроль | |
Глава 5. | Консервация теплоэнергетических блоков | |
Параграф 1. | Подготовка к консервации | |
Параграф 2. | Перечень контролируемых и регистрируемых параметров | |
Параграф 3. | Указания по проведению работ при консервации | |
Глава 6. | Консервация паровых и водогрейных котлов | |
Параграф 1. | Подготовительные операции | |
Параграф 2. | Барабанные котлы | |
Параграф 3. | Прямоточные котлы | |
Параграф 4. | Водогрейные котлы | |
Глава 7. | Консервация паровых турбин | |
Параграф 1. | Вариант 1 | |
Параграф 2. | Вариант 2 | |
Параграф 3. | Вариант 3 | |
Глава 8. | Система дозирования консерванта | |
Параграф 1. | Вариант 1 | |
Параграф 2. | Вариант 2 | |
Параграф 3. | Вариант 3 (по методу выдавливания) | |
Глава 9. | Техника безопасности, охрана окружающей среды | |
Приложение | Методика определенная октадециламина | |
Принятые сокращения | ||
Содержание |
_________________



