НОВОСИБИРСКИЙ ГОСУДАРСТВЕННЫЙ ТЕХНИЧЕСКИЙ УНИВЕРСИТЕТ
МЕХАНИКО-ТЕХНОЛОГИЧЕСКИЙ ФАКУЛЬТЕТ
Кафедра автоматизации производственных процессов в машиностроении
“УТВЕРЖДАЮ”
Декан
механико-технологического факультета
“___ ”______________200 г.
РАБОЧАЯ ПРОГРАММА учебной дисциплины
СИСТЕМЫ ГИДРОПНЕВМОАВТОМАТИКИ
ООП: 220301 ‑ Автоматизация технологических процессов и производств (в машиностроении), квалификация ‑ инженер.
Факультет механико-технологический.
Курс 4, семестр 7.
Лекции 34 час.
Практические работы 0 час.
Лабораторные работы 17 час.
Курсовая работа - семестр 7.
Самостоятельная работа 60 часов.
Экзамен – семестр 7.
Всего 111 часов.
Новосибирск
200_
Рабочая программа составлена на основании Государственного образовательного стандарта высшего профессионального образования по направлению 657900 – автоматизированные технологии и производства.
Регистрационный номер 514 ТЕХ/ДС, дата утверждения 28.02.2001 г.
Шифр дисциплины в ГОС: ДС. 00, вузовский компонент.
Шифр дисциплины по учебному плану специальности 220301 – «Автоматизация технологических процессов и производств (в машиностроении)» ‑4204.
Рабочая программа обсуждена на заседании кафедры автоматизации производственных процессов в машиностроении – протокол № _____ от __________________ 200 г.
Программу разработал доцент _________________
Заведующий кафедрой доцент, к. т. н. ________________
Ответственный за основную образовательную программу
заведующий кафедрой автоматизации производственных
процессов в машиностроении
доцент, к. т. н. ________________
1. Внешние требования
Общие требования к образованности:
1.4.5. Квалификационные требования.
Подготовка выпускника должна обеспечивать квалификационные умения
для решения профессиональных задач:
· выполнение работы в области научно-технической деятельности по проектированию, реорганизации, автоматизации, информационному обеспечению, организации производства, труда и управлению, метрологическому обеспечению, техническому контролю и обслуживанию;
· разработка методических нормативных материалов, технической документации;
· участие в работах по осуществлению исследований, в разработке проектов и программ, в проведении необходимых мероприятий, связанных с автоматизацией производства, испытаниями средств и систем автоматизации и управления, внедрение их в эксплуатацию, а также в выполнении работ по стандартизации технических средств, систем, процессов, оборудования, в составлении и анализе различной технической документации;
· проведение комплексного технико-экономического анализа для обоснованного принятия решений, изыскание возможности сокращения цикла работ, содействие подготовке процесса их реализации с обеспечением необходимыми техническими данными, материалами, оборудованием, средствами автоматизации и управления, системного, инструментального и прикладного программного обеспечения;
· изучение и анализ необходимой информации, технических данных, показателей и результатов работы, обобщение и систематизация результатов решений с использованием современных информационных технологий;
Инженер должен знать:
· принципы организации и архитектуру автоматических и автоматизированных систем контроля и управления для объектов и процессов отрасли;
· прогрессивные методы эксплуатации средств технологического оснащения, автоматизации и управления производством в отрасли;
· современное состояние и тенденции развития технологий, средств технологического оснащения, автоматизации и управления отрасли;
· принципы, методы и способы комплексирования аппаратных и программных средств при создании систем автоматизации и управления;
· технологию проектирования, производства и эксплуатации средств и систем автоматизации и управления;
· принципы работы, технические характеристики, конструктивные особенности разрабатываемых и используемых технических средств;
· технические характеристики и экономические показатели отечественных и зарубежных образцов программно-технических комплексов систем автоматизации и управления;
· методы анализа эксплуатационных характеристик средств и систем автоматизации и управления;
· основные требования, предъявляемые к технической документации, материалам, изделиям;
· стандарты и технические условия;
· методы проведения технических расчётов и определения экономической эффективности исследований и разработок;
· достижения науки и техники, передовой отечественный и зарубежный опыт в области знаний, способствующих развитию творческой инициативы в сфере организации производства, труда и управления;
2. Особенности (принципы) построения дисциплины
Особенности (принципы) построения дисциплины описываются в табл. 2.
Таблица 2
Особенности (принципы) построения дисциплины
Особенность (принцип) | Содержание |
Основание для введения курса | Дисциплина вузовского компонента введена решением Ученого совета механико-технологического факультета. |
Адресат курса | Студенты, обучающиеся по специальности 220301 "Автоматизация технологических процессов и производств" |
Главная цель | Разработка проектов автоматизации процессов и производств в машиностроении с применением систем гидро - и пневмоавтоматики. |
Ядро курса | Изучение средств и методов проектирования систем гидро - и пневмоавтоматики для управления рабочими циклами технологического оборудования. Курс делится на две части: системы гидроавтоматики (гидроусилители, гидравлические и электрогидравлические следящие приводы, копировальные гидросистемы, электрогидравлические шаговые приводы, гидроаппаратура с пропорциональным и цифровым управлением) и системы пневмоавтоматики (производство и распределение сжатого воздуха, исполнительные устройства, направляющая и регулирующая аппаратура, реализация логических функций средствами пневмоавтоматики, рачет и моделирование пневмосистем, электропневматические системы управления технологическим оборудованием) |
Требования к начальной подготовке, необходимые для успешного усвоения Вашего курса | Для успешного изучения дисциплины студенту необходимы знания, получаемые из курсов гидравлики и гидравлического привода машин, теории автоматического управления, прикладной механики, технических средства автоматизации. Опыт работы на компьютере с прикладными программами проектирования и разработки технической документации. |
Уровень требований по сравнению с ГОС | Требования к дисциплине соответствуют ГОС по направлению 657900 - "Автоматизированные технологии и производства" |
Объём курса в часах | 34 часа лекций, 17 часов лабораторных работ, 60 часов самостоятельной работы, курсовая работа. |
Обеспечение последующих дисциплин | Автоматизация технологических процессов и производств. Проектирование автоматизированных систем. Интегрированные системы проектирования и управления. Технические средства автоматизации. Оборудование машиностроительного производства. |
Практическая часть курса | На лабораторных работах студенты проводят исследование гидрокопировальной системы токарного станка, составляют принципиальные схемы пневматических систем управления технологическим оборудованием, проводят их физическое моделирование на действующих стендах и компьютерное моделирование в специализированной программе FluidSIM-P немецкой фирмы Фесто. Курсовая работа состоит из двух частей. В первой части студенты определяют ошибки копирования гидравлической следящей системы, во второй - проектируют и моделируют пневматическую систему управления технологическим оборудованием с автоматическим циклом работы. |
Особая технология организации учебного процесса | Лекции читаются в мультимедийном классе с использованием слайдов, анимационных фрагментов, видеороликов. Часть лекций проходит в режиме диалога со студентами. На лабораторных работах проводится экспериментальное исследование, физическое и компьютерное моделирование гидравлических и пневматических систем управления. |
Области применений полученных знаний и умений | Проектирование и эксплуатация технологического оборудования в машиностроительном и пищевом производстве, в легкой промышленности и др. |
Описание основных "точек" | На первой лекции проводится тестовый контроль начальных знаний, необходимых для усвоения курса и полученных в предыдущем семестре по дисциплине "Гидравлика и гидропривод". Промежуточный контроль в форме защиты лабораторных работ и курсовой работы. Итоговый контроль - устный экзамен. |
Ваш курс и современные информационные технологии | На лабораторных занятиях и в курсовой работе используется лицензионная программа моделирования пневматических систем управления немецкого концерна Фесто "FluidSIM", которая является средством проектирования, расчетов и анализа разрабатываемой пневмосистемы. |
Ваш курс и современное состояние науки и практики | В курс включены новинки отечественных и зарубежных разработчиков в области гидро - и пневмоавтоматики. |
3. Цели учебной дисциплины
Цели учебной дисциплины описываются в табл. 3.
Таблица 3
После изучения дисциплины студент будет
Номер цели | Содержание цели |
иметь представление | |
1 | о физических основах гидравлики и пневматики; |
2 | об основных сферах применения гидроусилителей, гидравлического следящего привода и пневматических системах управления; |
3 | об оценке устойчивости следящей системы методами ТАУ; |
знать | |
4 | принципы работы, технические характеристики, конструктивные особенности элементов систем гидро - и пневмоавтоматики; |
5 | связь между элементами и параметрами гидропневмосистемы, ее функционирование и состояние системы в целом; |
6 | природу ошибок воспроизведения контура в копировальных системах и методы их оценки; |
7 | правила выполнения принципиальных схем; |
8 | способы реализации логических функций управления средствами пневмоавтоматики; |
уметь | |
9 | классифицировать гидроусилители и гидравлические следящие приводы по различным классификационным признакам; |
10 | определять требуемые рабочие параметры пневматических систем управления; |
11 | выбирать средства автоматизации пневматических систем управления; |
иметь опыт | |
12 | оценки статических погрешностей (скоростной и силовой) однокаскадных ГСП копировальных систем; |
13 | проектирования и моделирования пневматических систем управления технологическим оборудованием; |
4. Содержание и структура учебной дисциплины
Описание лекционных занятий размещается в табл. 4 с указанием семестра, в котором организуется обучение по данной дисциплине.
Таблица 4
Темы лекционных занятий | Часы | Ссылки на цели |
Семестр №7 | ||
Введение. Цели дисциплины. Структура дисциплины. Ее связь с другими дисциплинами учебного плана. Предмет дисциплины. Понятие автоматики. Общее и различия гидравлических и пневматических систем автоматизации. Давление и расход в гидравлическом приводе с дроссельным управлением. | 2 | 1 |
Гидравлический следящий привод. Классификация гидроусилителей. Одно-, двух-, и четырехщелевые золотниковые дросселирующие гидрораспределители. Особенности взаимодействия жидкостей со стенками каналов: течение затопленной струи, эффект прилипания струи к стенке. Распределение давлений в кольцевых щелях золотника и отверстия. Облитерация и ее негативное действие. Средства борьбы с облитерацией. Схемы золотниковых дросселей. Течение жидкости через рабочие окна золотниковых дросселей. Силы, действующие на золотники. Типы перекрытий дросселирующей щели. Однокаскадные гидроусилители. | 4 | 1, 9 |
ГУ без обратной связи, с кинематической обратной связью, с гидромеханической обратной связью, с силовой обратной связью. Электрогидравлические усилители. Золотниковый двухкаскадный дросселирующий распределитель Г68-1. Схемы дросселирующих распределителей сопло-заслонка. Течение жидкости в зазорах между соплом и заслонкой. Двухкаскадный дросселирующий распределитель Г68-24. Двухкаскадный дросселирующий распределитель с двухщелевым распределителем сопло-заслонка в первом каскаде и четырехщелевым золотником с обратной связью по положению золотника во втором каскаде. Трехкаскадный дросселирующий распределитель 4WS3E (Германия) с электрической обратной связью по положению золотника третьего каскада. Струйный дросселирующий распределитель. | 2 | 4, 9 |
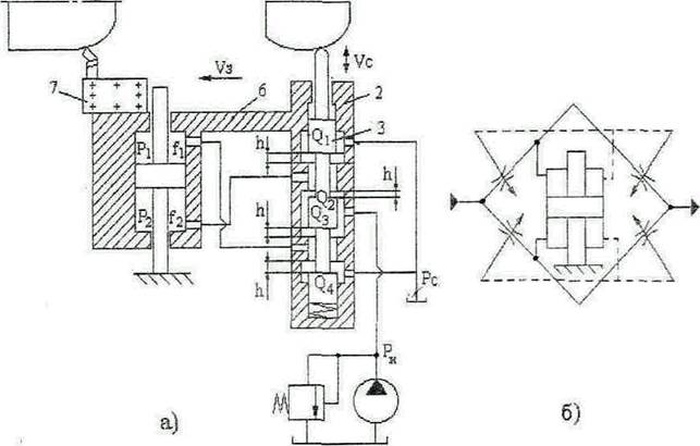
Гидравлические следящие приводы (ГСП). ГСП с четырещелевым дросселирующим распределителем копировально-фрезерного станка. Варианты схем следящих приводов с одно-, двух - и четырехщелевыми дросселирующими распределителями. ГСП с двухкаскадным дросселирующим распределителем. Гидросуппорт токарного станка. Погрешности воспроизведения копировальных систем, их природа и расчет в установившемся и переходном режимах. Влияние погрешностей воспроизведения ГСП на точность копировальной обработки. | 2 | 3, 4, 5, 6, 12 |
Компоновка ГСП на металлорежущих станках. Электрогидравлический следящий привод (ЭГСП) токарного станка. Коррекция задающей подачи для поддержания постоянной скорости по контуру. ГСП с зависимой задающей подачей. ГСП с корректирующим устройством для компенсации скоростной ошибки. Гидрокопировальная система вертикально-фрезерного станка. Двухкоординатный ГСП. | 2 | 2, 4, 5, 6 |
ЭГСП подачи АГ28-51 для электроэрозионных станков. Гидроаппаратура с пропорциональным управлением. Пропорциональные гидрораспределители, клапаны предохранительные, дроссели и регуляторы потока. Применение аппаратуры с пропорциональным управлением. Пропорциональные распределители в системе управления узла продольной подачи для поточных линий и специальных машин. Электрогидравлические шаговые приводы. Ротационные ЭГШП ЭМГ18-1, Э32Г18-2. Их область применения. Линейные ЭГШП Г28-2, Г28-32. Линейный ЭГШП с автономным задатчиком Г69-14 и типовые схемы его применения. | 2 | 2, 4, 5 |
Широкодиапазонные цифровые электрогидравлические приводы. Узел управления типа Г69-4. Аппаратура с цифровым управлением. Предохранительный клапан МКПВЦ-10/3С21. Регулятор расхода МЦПГ55-22М. Измерительные преобразователи обратной связи цифровых электрогидравлических систем. | 2 | 2, 4, 5 |
Пневмоавтоматика. Введение в пневмоавтоматику. Преимущества применения сжатого воздуха в системах автоматизации технологического оборудования. Область применения пневматических приводов. Цикл сжатого воздуха при промышленном применении. Структура пневматической системы управления: производство и потребление сжатого воздуха. Объемные компрессоры: поршневые, мембранные, пластинчатые, винтовые. Вакуумные компрессоры. Классы качества сжатого воздуха. Рекомендации по применению сжатого воздуха. Влажность воздуха. Точка росы. Диаграмма Мольера. Содержание воды в сжатом воздухе в функции температуры и давления. Датчик точки росы. Методы осушки воздуха: охлаждением, дополнительным сжатием, абсорбционный, адсорбционный, мембранный. Области применения различных типов осушителей. | 4 | 1, 2 |
Типы и размеры твердых частиц в воздухе. Фильтрация. Типы фильтров. Тонкость фильтрации. Выбор фильтра. Конденсатоотводчики. Смазка пневматического оборудования. Маслораспылители. Установка маслораспылителей. Регуляторы давления с разгрузкой и без разгрузки. Блоки подготовки воздуха. Усилители давления (мультипликаторы). | 2 | 4, 10, 11 |
Стандартные пневмоцилиндры. Пневмоцилиндры с тормозными устройствами. Монтажные элементы цилиндров. Цилиндры короткоходовые, ввертные, стопорные, мембранные. Зажимные модули. Баллонные цилиндры. Многопозиционные пневмоцилиндры. Пневмоцилиндры с прецизионным стопором. Пневмоцилиндры с защитой от проворота. Плоские и бесштоковые пневмоцилиндры. Преобразование поступательного движения в поворотное. Поворотные пневмодвигатели. Цилиндры с пустотелым штоком. Вакуумные захватные устройства. Способы создания вакуума с помощью эжектора. Эжекторные головки с импульсом сброса. Узлы линейного перемещения. Механические захватные устройства с пневмоприводом. Комбинированные приводы. Демпфирующие устройства (амортизаторы). Пневмомускулы. | 4 | 2, 4 |
Пневмогидравлические преобразователи давления прямого действия. Пневмогидравлические приводы подачи. Пневмораспределители прямого и непрямого действия: плунжерные, мембранные, поршневые, шиберные, шарнирные, рычажные, тарельчатые, золотниковые. Распределители с электромагнитным односторонним и двухсторонним управлением. Батарейный монтаж распределителей. Пропорциональный регулятор давления. Распределители с пропорциональным управлением. Пневмоострова. Распределители с ручным и механическим управлением. Применение переключающих распределителей и распределителей с ломающимся рычагом для устранения совпадающих сигналов. | 2 | 2, 4 |
Электропневматические системы управления. Прямое и непрямое управление. Реализация основных логических функций И, ИЛИ, НЕ. Блоки памяти. Бистабильные электропневматические системы с памятью. Пневматические схемы управления по давлению и положению. | 2 | 5, 8, 11 |
Пневматические бесконтактные датчики положения: упорные, кольцевые, пневмозатворы. Формирование информационных сигналов в пневматических датчиках различных конструктивных разновидностей. Электроконтактные датчики с магнитным воздействием для пневмоцилиндров и их установка. | 2 | 2, 4, 5 |
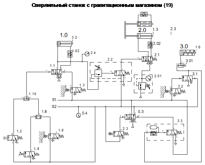
Электропневматические системы управления технологическим оборудованием. Управление выдвижными упорами. Пошаговое перемещение с контролем наличия детали. Координированное перемещение. Чеканка линеек. Штамповка с механической подачей деталей в рабочую зону. Перемещение пакетов по конвейерам. Схема управления перемещением с контроллером. Сверлильный станок с гравитационным магазином. | 2 | 4, 5, 7, 13 |
Описание лабораторных работ размещается в табл. 6 с указанием семестра, в котором организуется обучение по дисциплине.
Таблица 6
Темы практических занятий | Учебная деятельность | Часы | Ссылки на цели |
Семестр №7 | |||
Исследование гидрокопировального суппорта токарного станка | Экспериментальным путем определяются статические ошибки гидросуппорта (зона нечувствительности, скоростная и силовая ошибки) при разных настроенных давлениях. | 4 | 5, 6, 12 |
Разработка принципиальных схем пневматических систем управления технологическим оборудованием и их физическое и компьютерное моделирование. | Для заданных объектов управления и рабочих циклов разрабатываются принципиальные схемы с различными принципами управления (прямое и непрямое управление по перемещению, управление по давлению и по времени, реализация логических функций, управление с продолжительным циклом и самоблокировкой). Часть схем собираются на монтажных плитах из учебных элементов пневмоавтоматики немецкого концерна Festo и апробируется их работа. Другая часть - моделируется на компьютере в программе FluidSIM. | 10 | 2, 4, 5, 7, 8, 11, 13 |
Анализ сложных пневматических и электропневматических систем управления | Анализируется работа двух действующих систем управления с 5 - 7 пневмодвигателями с логическими связями между входными и выходными сигналами, составляются принципиальные схемы и циклограммы движения исполнительных элементов. | 3 | 2, 4, 5, 7, 8, 10, 11 |
5. Учебная деятельность
Курсовая работа выполняется по теме состоящей из двух частей: 1 ‑ определение ошибок копирования гидравлического следящего привода; 2 ‑ проектирование пневматической системы управления технологическим оборудованием.
При выполнении курсовой работы студенты в первой части определяют статические ошибки копирования по силе и скорости для заданной гидрокопировальной системы при заданных конструктивных и настроечных параметров, а также дают их оценку и доказывают справедливость приведенной математической зависимости одной из ошибок от этих параметров.
Во второй части курсовой работы студенты для заданного объекта управления (автоматизированного технологического оборудования) выбирают и обосновывают размеры, усилия, скорости конструктивных элементов, разрабатывают в соответствии с технологическим процессом циклограмму и принципиальную пневмосхему. Затем проводят моделирование пневмосистемы в программе FluidSIM немецкого концерна Festo, рассчитывают рабочие параметры и выбирают элементы системы. Образец задания на курсовую работу приведен ниже.
Министерство Образования Российской Федерации
Новосибирский Государственный Технический Университет
Кафедра «Автоматизация производственных процессов в машиностроении»
ЗАДАНИЕ НА КУРСОВУЮ РАБОТУ
по курсу «Системы гидропневмоавтоматики»


Студент Код Группа КП-21
Фамилия, инициалы

1. Тема: 1ч. Определение ошибок копирования гидравлического следящего привода.
2ч. Проектирование пневматической системы управления технологическим оборудованием.
2. Срок представления работы к защите

« 25 » декабря 2004 г.




3. Исходные данные для проектирования:
3.1. Конструктивная схема копировальной системы.
3.2. Числовые исходные данные для расчета копировальной системы.
3.3. Эскиз объекта управления пневматической системы ‑ (см. кн. «Пневмоавтоматика»).
3.4. Описание технологического процесса.
3.5. Каталоги элементов пневмоавтоматики Фесто.
3.6. Программное обеспечение по проектированию и моделированию пневмосистем.
4. Содержание пояснительной записки курсового проекта (работы) :
4.1. Введение.
4.2..Исходные данные для расчета гидравлического следящего привода. Принцип действия сист.
4.3. Вывод расчетной зависимости силовой / скоростной ошибки ГСП и ее оценка.
4.4. Эскиз объекта управления пневмосистемы и описание технологического процесса.
4.5. Перечень конструктивных элементов и обоснование выбора размеров, усилий и
скоростей.
4.6. Циклограмма. Принципиальная схема и ее описание. Моделирование схемы.

4.7. Расчет параметров и выбор элементов пневмосистемы (показать внешний вид с габаритными и присоединительными размерами и полную техническую характеристику).
4.8. Выводы. 4.9. Литература. 4.10. Оглавление.
5. Перечень графического материала
Принципиальная пневматическая схема (по ГОСТ 2.704-76).


Руководитель проекта (работы)
Подпись, дата инициалы, фамилия

![]()
Задание принял к исполнению « 7 » октября 2004 г.
Подпись
Образец исходных данных к первой части курсовой работы приведен ниже.
Исходные данные (7)
к первой части задания на курсовую работу
1. Определить ошибку копирования по силе для копировальной системы и дать оценку влияющего действия на нее различных конструктивных и настроечных параметров.

Коэффициент расхода ‑ μ = 0,63
Плотность рабочей жидкости ‑ ρ = 900 кг/м3
Сила резания ‑ Н = 500 н
Изменение силы резания ‑ ± 30%
Давление настройки предохранительного клапана ‑ Рк = 2,5 МПа
Производительность насоса ‑ Qн = 3,4 · 10-4 м3/с
Диаметр поршня ‑ Dп = 0,1 м
Диаметр штока ‑ dшт = 0,05 м
Диаметр золотника dзол = 0,016 м
Силами трения, гидродинамическими силами, гидравлическими и объемными потерями пренебречь.
2. Доказать справедливость зависимости для скоростной ошибки, полагая, что нагрузка отсутствует (Н=0), а соотношение площадей цилиндра f1=f2

или

Исходные данные
ко второй части задания на курсовую работу

6. Правила аттестации студентов по учебной дисциплине
Поскольку материал первого раздела курса по следящему гидроприводу базируются на знаниях, полученных в предыдущем семестре по дисциплине "Гидравлика и гидропривод", то на первой лекции проводится тестовый контроль на понимание основ функционирования простого гидропривода с дроссельным регулированием скорости с последующим обсуждением результатов. Тест представлен ниже.

Итоговый контроль по дисциплине предусматривается учебным планом в форме экзамена. К экзамену студенты допускаются при успешной защите лабораторных и курсовой работ. Экзамен проводится устно с применением иллюстративного материала, образцы которого приведены в п. 8.
7. Список литературы
Основной список
1. Лещенко следящие приводы станков с программным управлением. - М.: Машиностроение, 1975. - 288 с.
Чупраков и средства гидроавтоматики: Учеб. пособие для вузов по спец. «Гидропривод и гидропневмоавтоматика» - М. Машиностроение, 1979. - 232 с. , Усов гидроприводы: Справочник. - М.: Машиностроение, 1982, 1988, 1995. , , Кареев и пневматические системы. Издание 2-ое, дополненное. - М.:ИЦ МГТУ "Станкин", "Янус-К", 2003 -544 с. , , Троицкий и пневмоавтоматика: Учеб. пособие. - Новосибирск: Изд во НГТУ, 2001. - 53 с. Шинкоренко систем пневмоавтоматики: Учеб. пособие. - Новосибирск: Изд-во НГТУ, 2002. - 179с. Электропневмоавтоматика в производственных процессах: Учеб. пособие / , , ; Под. ред. . - 2-е изд., перераб. и доп. - Севастополь: Изд-во СевНТУ, 2003. - 496 с. Пневматика для автоматизации. Каталоги продукции Германского концерна Festo. Электронный каталог средств автоматизации Festo, программы расчета и моделирования пневматических систем.Дополнительный список
1. Гидравлические приводы и гидропневмоавтоматика / и др.; - Киев. : Вища шк., 1987. - 375 с.
2. , Денисов автоматики гидро - и пневмосистем: Учеб. пособие для технических вузов. - М.: Высш. школа, 1991.
3. Стефан Хессе. Сжатый воздух как носитель энергии. ДП «Фесто», 2004.
4. Стефан Хессе. Пневмоавтоматика: 99 примеров применения.
5. , , Трифонова системы приводов технологического оборудования. Учеб. пособие. - М: МГТУ «Станкин», 1998. - 119с.
6. Программа для создания принципиальных пневматических схем FluidDRAW.
8. Контролирующие материалы для аттестации студентов
по дисциплине
Вопросы к экзамену
1. Дросселирующий распределитель типа Г68-1. [л.3 сл.5], [2, стр. 239-244].
2. Дросселирующий распределитель типа Г68-24. [3, стр. 190-193].
Электрогидравлический преобразователь АГ-51.200. [л.3, сл.8], [2, стр. 253], [3, стр. 185-187].
3. Дросселирующий распределитель с соплом-заслонкой в первом каскаде без обратной связи. [л.3, сл. 9].
Дросселирующий распределитель УГЭ8. [л.3, сл. 10], [2, стр. 245-249].
4. Струйные дросселирующие распределители без обратной связи и с обратной связью. [л.3, сл. 12, 13].
5. Гидросуппорт токарного станка. [л.4, сл. 11].
6. ЭГСП токарного станка с гидроусилителем Г-68. [л.5, сл.2].
7. ГСП с зависимой задающей подачей. [л.5, сл.4], [4, стр.38].
8. ГСП с корректирующим устройством для компенсации скоростной ошибки. [л.5, сл. 5], [5, стр. 183].
9. Гидравлическая копировальная система вертикально-фрезерного станка. [л.5, сл.6-8] (эксклюзивные методические материалы).
10. Двухкоординатный ГСП. [л.5, сл.9], [4, стр.186].
11. ЭГСП подачи АГ28-51 для эрозионных станков. [л.6, сл.1], [2, стр.249-254].
12. Гидроаппаратура с пропорциональным управлением. Типы аппаратов, особенности конструкций, характеристики, область применения показать на примере. [л.6, сл.2-8], [2, стр.254-262].
13. Ротационные электрогидравлические шаговые приводы ЭМГ18-1 и Э32Г18-2. [л.7, сл.1,2], [1, стр.255-265].
14. Линейные электрогидравлические шаговые приводы Г28-2. [л.7, сл.3], [2, стр.269-272].
15. Электрогидравлический линейный модуль Г28-32. [л.7, сл.4], [3, стр.211].
16. Линейный ЭГШП с автономным задатчиком типа Г69-14. [л.7, сл.5,6], [2, стр. 273-278].
17. Широкодиапазонные цифровые электрогидравлические приводы. [л.7, сл.7-9], [3, стр.214-219].
18. Гидроаппаратура с цифровым управлением. [л.7, сл.10,11], [3, стр229- 232].
Литература:
1. , Усов гидроприводы. Справочник. М. Машиностроение. 1982.
2. , Усов гидроприводы. Справочник. 2-е изд. М. Машиностроение. 1988.
3. , Усов гидроприводы. Справочник. 3-е изд. М. Машиностроение. 1995.
4. Лещенко следящие приводы станков с программным управлением. М. Машиностроение, 1975.
5. Гидроприводы и гидропневмоавтоматика станков. / и др. – К. Вища шк. 1987.
6. Эксклюзивные методические материалы (в 5 – 224).
7. Конспект лекций.
Примечание: 1. Во всех вопросах, связанных со следящим гидроприводом, раскрыть природу нечувствительности, скоростной и силовой ошибки.
2. На примере принципиальной пневмосхемы по второму вопросу нужно осветить принципы построения, элементную базу, особенности расчета, проектирования и эксплуатации пневматических систем. (Шинкоренко систем пневмоавтоматики: Учебн. пособие. – Новосибирск: Изд-во НГТУ, 2002. и др. Пневмопривод и пневмоавтоматика. Учебн. пособие. – Новосибирск: Изд-во НГТУ, 2001.).
Ниже приведен образец экзаменационного билета и иллюстрации к нему по первому и второму вопросам.
Министерство образования ЭКЗАМЕНАЦИОННЫЙ БИЛЕТ № 15
Российской Федерации по дисциплине «Системы гидропневмоавтоматики»
--- *** ---- ,
Новосибирский Государственный
технический университет Факультет МТ курс 4
1. Электрогидравлический линейный модуль Г28-32.
2. Принципиальная пневматическая схема.
Составил
Заведующий кафедрой АППМ

Принципиальная пневматическая схема системы управления.

Дополнения и изменения к рабочей программе на 20 /20 учебный год
В рабочую программу вносятся следующие изменения: |
Рабочая программа пересмотрена и одобрена на заседании кафедры «___» ________ 20 г.
Заведующий кафедрой
«___»__________20 г.



