федеральное агентстВО по ОБРАЗОВАНИю РОССИЙСКОЙ ФЕДЕРАЦИИ
Государственное образовательное учреждение высшего профессионального образования
ТОМСКИЙ ПОЛИТЕХНИЧЕСКИЙ УНИВЕРСИТЕТ
Лабораторные работы
по аналоговой
электронике
в программно-аппаратной
среде NI ELVIS
® ALL RIGHTS RESERVED
, С. В. СИЛУШКИН
Лабораторная работа№1
Ознакомление с работой в программно-аппаратной среде NI ELVIS
Методические указания
Томск 2008
УДК 621.38
Лабораторные работы по аналоговой электронике в программно-аппаратной среде NI ELVIS. Кн. 2. , Силушкин работа №1. Ознакомление с работой в программно-аппаратной среде NI ELVIS. Методические указания к лабораторной работе. - Томск: Изд. ТПУ, 2008. – 16 с.
Печатается по постановлению Редакционно-издательского Совета Томского политехнического университета.
Темплан 2008
© Томский политехнический университет, 2008
![]() |
Лабораторная работа № 1
Ознакомление с работой в программно-аппаратной среде NI ELVIS
1. Цель работы: получить первоначальные навыки выполнения лабораторных работ по аналоговой электронике в программно-аппаратной среде NI ELVIS.
2. Задачи работы:
· изучить с целью дальнейшего использования в лабораторном цикле разделы книги №1 «Введение в NI ELVIS»;
· ознакомиться с инструкцией по охране труда в лабораториях кафедры КИСМ ЭФФ;
· подготовиться и практически освоить предложенную программу работ по аналоговой электронике и защитить ее.
3. Основные элементы измерительной системы:
- учебная лаборатория NI ELVIS, использующая программно-аппаратную среду для генерирования различных воздействий в электронные цепи и выполнения измерений их откликов (рисунок 1);
- лабораторный макет по аналоговой электронике кафедры КИСМ для построения схем, выбранных для исследований (рисунок 2).

Рисунок 1. Рабочая станция учебной лаборатории NI ELVIS

Рис. 2. Принципиальная схема лабораторной макетной платы.
4. Программа лабораторной работы
4.1. Осуществите запуск программного обеспечения NI ELVIS и его инициализацию.

4.2. Выполните измерения параметров различных электронных компонентов:
· Выберите Digital Multimeter (цифровой мультиметр) среди набора интерактивных инструментов, которые выполнены в LabVIEW.

· Измерьте с помощью DMM значения различных сопротивлений лабораторного макета, например, R1,R3,R4. С этой целью соедините выбранный резистор с токовыми входами DMM-current HI и current LO, а цифровой вольтметр переведите в режим омметра, нажав кнопку [Ω].
Проведите измерения и заполните следующие строчки:
R1=____кОм, (номинал 2,2 кОм); R3=____ком, (номинал 20 кОм);
R4=_______КОм, (номинал 100 кОм).
· Измерьте с помощью DMM значения различных конденсаторов лабораторного макета, например, C1,C10. С этой целью соедините выбранный конденсатор с токовыми входами DMM-current HI и current LO, а цифровой вольтметр переведите в режим измерения емкостей, нажав соответствующую кнопку (
).
Проведите измерения и заполните строчку:
C1=___nF, (номинал 1.0 микрофарада); C10=____nF, (номинал 47nF).
4.3. Освойте процесс получения вольт-амперных характеристик (ВАХ) двухполюсников и четырехполюсников:
· Соберите схему для снятия ВАХ двухполюсников (сначала резистора R1, потом диодов: VD1-кремниевого точечного диода, VD2-диода Шоттки, VD3- кремниевого стабилитрона).
Снятие ВАХ осуществляется с помощью анализатора ВАХ двухполюсников (Two Wire Current Voltage Analyzers).

Обобщенная схема эксперимента приведена на рисунке 3.

Рисунок 3. Схема эксперимента для снятия ВАХ двухполюсников (резисторов и диодов)
При получении ВАХ диодов необходимо следить за их включением (прямым или обратным), а также за грамотным выбором пределов изменения напряжения (Start, Stop, полярность), чтобы не вызывать превышения токов по сравнению с обозначенными на виртуальной панели предельными значениями.
Сохраните данные по ВАХ в виде файла с целью дальнейшего использования и распечатки для отчета.
· Соберите схему для снятия выходных ВАХ биполярного транзистора VT1-рисунок 4.

Рисунок 4. Схема эксперимента для снятия выходных ВАХ
транзистора в программно-аппаратной среде NI ELVIS.
· В меню запуска инструментов NI ELVIS выберите функцию Three-wire I-V Curve Tracer (трех проводной вольтамперный анализатор).

При получении выходных ВАХ транзистора необходимо задать количество кривых в характеристиках и следить за грамотным выбором пределов изменения выходного напряжения, чтобы не вызывать превышения токов коллектора по сравнению с обозначенными на виртуальной панели предельными значениями.
Сохраните данные выходных ВАХ транзистора в виде файла с целью дальнейшего использования и распечатки для отчета.
· Соберите схемы для снятия входных ВАХ биполярного транзистора VT1-рисунок 5.

а б
Рисунок 5. Схемы для снятия входных ВАХ транзистора в программно-аппаратной среде NI ELVIS:а) Uкэ=0V; б) Uкэ=+5V.
· В меню запуска инструментов NI ELVIS выберите функцию Two Wire Current-Voltage Analyzer (двухпроводной вольтамперный анализатор).
Входные характеристики транзистора получайте для двух значений выходного напряжения Uкэ=0 (рисунок 5а) и Uкэ=+5V (рисунок 5б). При снятии ВАХ обратите внимание на правильное взаимное расположение полученных характеристик.
Сохраните данные входных ВАХ транзистора в виде файлов с целью дальнейшего использования и распечатки для отчета.
4.4. Создайте и исследуйте схему делителя напряжения постоянного тока:
· Соберите схему делителя на резисторах R3 и R4-рисунок 6. При сборке схемы входное напряжение Vвх=+5V делителя подайте на его вход (на резистор R3) через дополнительные клеммы, расположенные левее клеммы CURRENT HI, чтобы иметь возможность в дальнейшем измерить входное напряжение с помощью DMM, подсоединив в эту точку потенциальный вход вольтметра VOLTAGE HI (на схеме показано пунктиром).

Рисунок 6. Схема исследования резистивного делителя напряжения постоянного тока.
· Выберите Digital Multimeter (цифровой мультиметр) среди набора интерактивных инструментов, которые выполнены в LabVIEW;
· Измерьте, используя DMM, входное Vвх и выходное Vвых напряжения делителя. Рассчитайте выходное напряжение, зная Vвх=+5V и значения резисторов делителя, измеренные ранее в п.4.2. Насколько хорошо совпадают теоретические и экспериментальные данные?
4.5. Создайте и исследуйте схему делителя с изменяющимися значениями выходного напряжения, используя Variable Power Supply:
· Соберите схему делителя на резисторах R3 и R4-рисунок 6, в котором вместо источника +5V используйте перестраиваемый источник питания (Variable Power Supply). С этой целью отсоедините провод от клеммы +5V и присоедините его к выводу Supply+.
· Выберите перестраиваемый источник питания (Variable Power Supply-VPS) среди набора интерактивных инструментов, которые выполнены в LabVIEW;

· Изменяя значения источника VPS как Vвх от 0 до +12V через 2V, получите и зафиксируйте значения Vвых, используя DMM.
· Введите массив полученных данных в EXCEL, с помощью которого рассчитайте коэффициенты передачи делителя по напряжению и обработайте их как массив случайных чисел.
4.6. Создайте и исследуйте схему делителя с изменяющимися значениями выходного напряжения, используя переменное сопротивление R22:
· Соберите делитель на резисторах R22 и R23-рисунок 6.
· Измерьте, используя DMM, входное Vвх и выходное Vвых напряжения делителя для различных положений движка потенциометра R22.
· Убедитесь в возможностях изменения выходного напряжения и коэффициента передачи делителя напряжения.
4.7. Проверка последовательной RC-цепи с помощью функционального генератора и осциллографа:
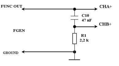
· Соберите схему последовательной CR-цепи - рисунок 7, источником питания для которой является функциональный генератор FGEN, а входной и выходной сигналы будут просматривается каналами A и B осциллографа SCOPE.

Рисунок 7. Схема исследования последовательной CR-цепи.
· Из меню запуска инструментов NI ELVIS выберите функцию Function Generator (Функциональный генератор).

· Выберите функцию Oscilloscope (Осциллограф) из меню запуска инструментов NI ELVIS.
· Рассчитайте частоту среза CR-цепи: fср=1/(6.28*R*C) и установите близкое к ней значение на функциональном генераторе, в режиме генерации синусоидального напряжения с амплитудным значением 1V.

· Измерьте значения входного и выходного напряжений (осциллограф способен измерять различные параметры сигнала, такие как частота, пиковая амплитуда и т. д). Эта возможность активируется нажатием на кнопку MEAS для каждого из каналов. Результаты измерений можно увидеть в нижней части экрана осциллографа.
· Сопоставьте между собой полученные значения и сделайте вывод о правильности выполненной работы.
· На экране осциллографа измерьте фазовый сдвиг между сигналами в каналах А и B на этой частоте. Совпадает ли он с известным теоретическим значением для цепи первого порядка?
· Уменьшайте частоту генератора по сравнению с частотой среза цепи. Что происходит с изменением модуля коэффициента передачи и фазовым сдвигом цепи? Зафиксируйте полученные данные.
· Увеличивайте частоту генератора по сравнению с частотой среза цепи. Что происходит с изменением модуля коэффициента передачи и фазовым сдвигом цепи? Зафиксируйте полученные данные.
Мы подготовились, чтобы в дальнейшем понять Bode-анализ электрических схем.
4.8. АЧХ/ФЧХ RC-цепи:
Амплитудно-частотная характеристика (АЧХ) или амплитудный отклик – это зависимость коэффициента усиления схемы, выраженного в децибелах, от десятичного логарифма частоты. Фазово-частотная характеристика (ФЧХ) или фазовый отклик – это зависимость разности фаз между входным и выходным сигналами от десятичного логарифма частоты.
· Проведите следующие изменения в схеме рисунка 7-выходные разъемы FGEN необходимо присоединить к входам исследуемой схемы, а также к контактам ACH1+. Выход схемы подается на контакты ACH0+.
· Выберите функцию Bode Analyzer (Анализатор Боде) из меню запуска инструментов NI ELVIS.

· Установите начальную частоту start=100Hz, конечную-stop=35kHz, а число шагов на декаду (Steps per decade) - Steps=10. Установите шкалу Y в режим Auto.
· Используйте опции из меню Display, чтобы выбрать формат отображения и курсоры для считывания значений частотных характеристик.
· Нажмите кнопку запуска Run.
· Зафиксируйте полученные данные, так как обе ИПУ –Oscilloscope и Bode Analyzer – содержат кнопку Log. При нажатии на эту кнопку данные, изображенные на графиках, будут записываться в текстовый файл на жесткий диск. Эти данные можно использовать для дальнейшего исследования с помощью Excel, LabVIEW, DIAdem или других программ анализа и построения данных.
4.9. Визуализация переходной характеристики RC-цепи:
· Для этого произведите следующие изменения в схеме рисунка 7. Удалите проводник, по которому подавалось переменное напряжение с выхода Func out генератора FGEN, и замените его проводником, присоединенным к выходу SUPPLY+ перестраиваемого источника питания VPS (Variable Power Supply).Установите значение на выходе источника, равное +5В. Вместо конденсатора С10 используйте конденсатор С1=1мкФ, а прежний резистор замените резистором R14=220кОм. Выходное напряжение цепи подайте на контакт ACH0[+].
· Закройте программное обеспечение NI ELVIS и запустите LabVIEW. Из библиотеки ВП NI ELVIS выберите ВП RC Transient.
В данной программе используются ВПП LabVIEW для включения и выключения источника питания через каждые 5 секунд с одновременным отображением напряжения на конденсаторе на развертке осциллограмм LabVIEW.
Такой тип возбуждения схемы – прямоугольным сигналом – позволяет четко увидеть этапы зарядки и разрядки простейшей RC-цепи. Произведение R3 на C называют постоянной времени цепи и обозначают буквой τ. Используя законы Кирхгофа, легко показать, что выходное напряжение при заряде емкости имеет следующую зависимость: Uвых = Vo(exp(- t/τ)), а напряжения при ее разряде Uвых = -(V0- Uвых(tи) (exp(- t/τ).
Инициализация перестраиваемого источника питания приводит в состояние готовности NI ELVIS и выбирает для последующей работы линию с положительным потенциалом источника питания.
Следующий ВП задает выходное напряжение в этой линии равным + 5 вольтам. Затем в первом кадре структуры последовательности происходит последовательное измерение 50 значений напряжения на конденсаторе с интервалом 1/10 секунды. В цикле с фиксированным числом итераций ВП Analog Input Multiple Point (Аналоговый ввод заданного количества точек) считывает 100 значений напряжения с частотой 1000 выборок в секунду, возвращая массив этих значений.
Затем этот массив поступает в ВП Mean (Усреднение), который возвращает среднее значение по 100 точкам. С помощью терминала локальной переменной среднее значение поступает на развертку осциллограмм (Зарядка и разрядка RC-цепи). В следующем кадре напряжение источника питания устанавливается равным 0 вольт, а в последнем кадре снова происходит измерение 50 усредненных значений, но уже в цикле разрядки конденсатора.
5. Контрольные вопросы к лабораторной работе
5.1. Каким образом включается и выключается аппаратура лабораторного комплекса, работающего в среде NI ELVIS?
5.2. Как выбрать и инициировать приборы и устройства (Digital Multimeter, Two Wire Current Voltage Analyzers, Three-wire I-V Curve Tracer, Variable Power Supply, Function Generator, Oscilloscope, Bode Analyzer) среди набора интерактивных инструментов, которые выполнены в LabVIEW?
5.3. Изобразите схему, которая используется для измерения значений сопротивлений резисторов.
5.4. Приведите на одном графике воль-амперные характеристики маломощных кремниевого диода и диода Шоттки. Укажите ожидаемые значения токов и напряжений.
5.5. Какая схема используется для снятия ВАХ диодов?
5.6. Изобразите схему, с помощью которой снимается выходные ВАХ транзистора.
5.7. По каким схемам снимаются входные ВАХ транзистора при различных значениях его выходного напряжения?
5.8. Как можно регулировать напряжение постоянного тока?
5.9. Приведите схемы регулирования напряжения постоянного тока с помощью Variable Power Supply, с помощью делителя напряжения с переменным сопротивлением (потенциометром).
5.10. Изобразите ожидаемые АЧХ и ФЧХ исследуемой RC-цепи.
5.11. Чему равен фазовый сдвиг между входным и выходным напряжениями исследуемой RC-цепи на частоте среза?
5.12. На входе схемы действует выходное напряжение
, t=RC.
5.13. Чему равно выходное напряжение
?
а)
;
б)
;
в)
;
г)
;
5.14. Какое из дифференциальных уравнений соответствует схеме (t=RC)?

а)
; б)
; в)
;
г)
; д)
.
5.15. Какие из приведенных схем обеспечивают опережающий фазовый сдвиг выходного гармонического сигнала относительно входного?

1. 2. 3.
а) 1 и 2; б) 1 и 3; в) 2 и 3; г) 1; д) 2.
5.16. Как сохраняются полученные при экспериментах данные?
6. Список используемых источников
1.Лабораторные работы по аналоговой электронике в программно-аппаратной среде NI ELVIS. Кн. 1 Цимбалист Эдвард Ильич, . Введение в NI ELVIS. Методические указания к циклу лабораторных работ по «Электронике».
2.СТО ТПУ 2.3.2006. Система образовательных стандартов. Занятия лабораторные. Общие требования к организации и проведению. System of educational standards. Laboratory lessons. General requirements to organization and carrying out.
Лабораторные работы по аналоговой электронике
в программно-аппаратной среде NI ELVIS
Кн. 2
Цимбалист Эдвард Ильич
Лабораторная работа №1. Ознакомление с работой в программно-аппаратной среде NI ELVIS.
Методические указания к циклу лабораторных работ
по «Электронике»
Подписано к печати
Формат 60´84/16. Бумага офсетная.
Печать RISO. Усл. печ. л. . Уч.- изд. л. .
Тираж 100 экз. Заказ № Цена свободная.
Издательство ТПУ. 634050, Томск, 30.






