Лабораторная работа №39
ОПРЕДЕЛЕНИЕ РАБОТЫ ВЫХОДА ДЛЯ ВОЛЬФРАМА
МЕТОДОМ ТЕРМОЭЛЕКТРОННОЙ ЭМИССИИ
ЦЕЛЬ И ЗАДАЧИ РАБОТЫ
Цель: определить работу выхода электрона для вольфрама.
Задачи: ознакомиться с явлением термоэлектронной эмиссии, вольтамперной характеристикой вакуумного диода, приобрести навыки работы с электроизмерительными приборами.
ТЕОРЕТИЧЕСКИЕ ОСНОВЫ
Работа выхода - основная характеристика поверхности проводника и полупроводника при данной температуре Т, определяющая закономерности электронной эмиссии с этой поверхности. Работой выхода поверхностей двух проводников определяют также контактную разность потенциалов между ними.
Работа выхода F в одноэлектронном приближении равна разности энергий E0 электрона, покоящегося вне тела на расстоянии, где силами, действующими на электрон со стороны этой поверхности, можно пренебречь, и энергией m, соответствующей уровню Ферми внутри тела
![]()
Энергия Ферми m равна изменению свободной энергии системы при добавлении в нее одного электрона при условии постоянства температуры Т и объема V.
В изолированном атоме электроны этого атома локализованы вблизи его ядра, то есть область вблизи ядра является для электрона потенциальной ямой, для преодоления которой у электрона не хватает кинетической энергии. При сближении атомов и образовании из них кристалла потенциальные барьеры для электронов, отделяющие соседние атомы, понижаются и сужаются. Электроны преодолевают эти барьеры путем туннельного просачивания и становятся коллективизированными. Потенциальный же барьер у поверхности кристалла остается практически столь же высоким, как и у изолированного атома и препятствует выходу электрона на поверхность кристалла. Таким образом, электроны в кристалле находятся в потенциальной яме, выход из которой требует затраты работы F по преодолению силы, действующей на них со стороны атомов кристалла.

На рис.1 изображены потенциальные ямы (потенциальные энергии электрона), в которых находится электрон в проводнике и беспримесном полупроводнике. Заштрихованная область в проводнике - это часть зоны проводимости, заполненная электронами. Заштрихованные области в полупроводнике демонстрируют примерное заполнение электронами валентной зоны и зоны проводимости. В действительности граница между заполненной частью разрешенной энергетической зоны и пустой частью сильно размыта, Eg-ширина запрещенной зоны.
При отличной от нуля температуре наблюдается статистический разброс скоростей электронов. Большинство электронов имеет кинетическую энергию
значительно меньше работы выхода и не может выйти из твердого тела на поверхность, то есть не может преодолеть потенциальный барьер на границе твердое тело - вакуум. Однако имеется незначительное количество электронов, с кинетической энергией, превышающей работу выхода. Эти электроны, преодолев потенциальный барьер, выходят за пределы твердого тела. Поверхность приобретает положительный потенциал и, притягивая к себе вылетевшие электроны, формирует вблизи себя электронное облако. В состоянии равновесия количество электронов, в секунду покидающих единицу поверхности твердого тела, равно количеству электронов, возвращающихся из облака.
Количество электричества, покидающего в секунду единицу поверхности твердого тела в состоянии равновесия, называется плотностью тока насыщения.
Для того, чтобы плотность тока насыщения достигла измеряемой величины, необходимо чтобы температура тела была много выше комнатной.
Испускание электронов нагретым телом называется явлением термоэлектронной эмиссии.
Связь плотности тока j насыщения с температурой T дается формулой Ричардсона-Дешмена
, (1)
здесь k –постоянная Больцмана.
Прологарифмируем формулу Ричардсона-Дешмена (1)
. (2)
Изобразим графически данное уравнение (2)(рис.2).
![]() |
Очевидно, что tgb=F/k.
Если на данном графике взять какие - либо две точки 1и 2, то

Обычно работа выхода определяется в электрон –вольтах, обозначим - j
. (3)
Здесь e - заряд электрона. Эту формулу мы будем использовать для определения работы выхода электрона.
ОРГАНИЗАЦИЯ ЛАБОРАТОРНОЙ РАБОТЫ
1. Время выполнения работы –2 часа.
2. Работа выполняется бригадой из двух человек.
ОБОРУДОВАНИЕ И ИНСТРУМЕНТЫ
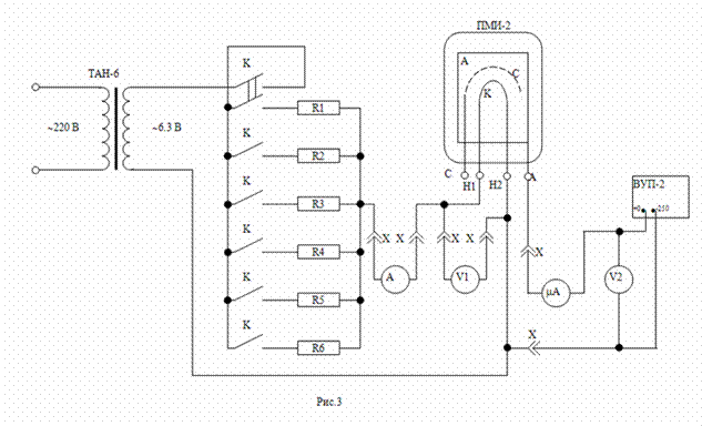
1. ПМИ-2 -вакуумная лампа с вольфрамовым катодом, для которого мы определяем работу выхода.
2. ТАН-6 - блок питания для подачи напряжения на клеммы катода. Данное напряжение вызывает катодный ток. Ток разогревает катод до высокой температуры, достаточной, чтобы вызвать наблюдаемый ток насыщения Iн.
3. Тумблеры K1 - K6 предназначены для задания ряда фиксированных значений тока катода. Определенный набор включенных тумблеров задает режим, при котором снимается вольтамперная характеристика, соответствующая определенному току насыщения. Выбрав несколько режимов, можно получить ряд различных значений тока насыщения и по этим точкам построить график, соответствующий уравнению (2).
4. ВУП-2 - источник анодного напряжения.
5. Амперметр А - измеряет силу тока в катоде.
6. Вольтметр V1 показывает напряжение на катоде.
7. Вольтметр V2 измеряет напряжение между анодом и катодом.
8. Микроамперметр mА измеряет анодный ток.
ТЕХНИКА БЕЗОПАСНОСТИ
1. Проверить наличие заземления металлического корпуса установки.
2. При подключении анодного напряжения пользоваться только проводами с металлическими контактами.
3. Операции, связанные с анодными клеммами, производить лишь в отсутствии напряжения.
4. Тумблеры включать и выключать резким движением во избежание их подгорания.

5. Сборка и разборка схемы производится лишь в обесточенном состоянии
Электрическая схема установки для измерения работы выхода из вольфрама имеет вид (рис.3)
ПОРЯДОК ВЫПОЛНЕНИЯ РАБОТЫ
1. Собрать установку согласно схеме.
2. Все тумблеры установить в верхнем положении, регуляторы ВУП-2 - в
нулевое положение.
3. Включить установку в сеть через стабилизатор напряжения.
4. Включить тумблер «ВКЛ» (то есть на номинальный режим), лампа ПМИ-2 должна светиться.
5. Набрать тумблерами К необходимый режим измерения.
6. Анодное напряжение (с помощью ВУП-2)вывести на максимум (250В),
оставить установку с такими параметрами в течение 3-х минут, не меняя параметров.
7. Снять вольтамперную характеристику лампы ( то есть зависимость анодного тока I от анодного напряжения U в данном режиме в обратном порядке от 250 В до 0 согласно таблице):
U, В | 250 | 200 | 175 | 150 | 125 | 110 | 100 | 90 | 80 | 75 | 70 | 65 | 60 | 50 | 25 | 0 |
I, mA |
8. По этим точкам построить график вольтамперной характеристики лампы и определить ток насыщения Iн при данном режиме. Ток насыщения - это сила тока на вольтамперной характеристике, которая остается неизменной с ростом анодного напряжения.
9. Повторив пункты 5-8 еще для четырех других режимов измерения, получим пять значений токов насыщения для пяти различных температур.
10. Сопротивление катода при данном режиме определить согласно закону Ома.

Здесь Uk-напряжение на катоде, измеряемое вольтметром V1, а Ik-ток в катоде
по показаниям амперметра А.
11. Для определения температуры катода в каждом режиме воспользоваться формулой зависимости сопротивления вольфрама R от температуры Т в виде
![]()
Здесь R0=0,7 Ом - сопротивление катода при t=0°C, a=4,5×10-3 1/°C – температурный коэффициент сопротивления.
Тогда абсолютную температуру определим по формуле

12. Плотность тока насыщения определим согласно выражению
.
Здесь S-площадь катода (17 ×10-6 м2).
13. Полученные при измерениях значения плотности тока насыщения j и соответствующие им температуры записать в таблицу
j | |||||
T | |||||
ln(j/T2) |
14. Построить график зависимости ln(j/T2) от 1/T.
15. Взять на этом графике две точки и в соответствии с формулой (3) рассчитать работу выхода в электрон вольтах.
КОНТРОЛЬНЫЕ ВОПРОСЫ
1. Что такое работа выхода?
2. От чего зависит работа выхода?
3. Описать явление термоэлектронной эмиссии.
4. Объяснить ход вольтамперной характеристики лампового диода.
5. Почему сопротивление проводника растет с ростом температуры.
СПИСОК РЕКОМЕНДУЕМОЙ ЛИТЕРАТУРЫ
1. Сирота, твердого тела/-Брянск: БГТУ, 2001 - 228 с.
2. Епифанов, электроника / , -
М.:Высшая школа, 1986 – 304 с.




