МАШИНОСТРОЕНИЕ И ТРАНСПОРТ
УДК 621.874
,
СИСТЕМА УПРАВЛЕНИЯ ЭЛЕКТРОПРИВОДА ПЕРЕДВИЖЕНИЯ
МОСТОВОГО КРАНА[1]
Предложен способ ограничения перекоса и поперечного смещения мостового крана с целью повышения срока службы колес и подкрановых рельсов. Приведены структурная схема системы управления, описание электромеханической модели крана, а также результаты моделирования, подтверждающие эффективность разработанной системы.
Ключевые слова: мостовой кран, системы управления электроприводов, перекос, поперечное смещение, блок коррекции, бесконтактные датчики, электромеханическая модель.
Одной из основных проблем, возникающих при эксплуатации тяжелых мостовых кранов, является перекос фермы моста относительно подкрановых путей, неизбежно возникающий в процессе работы крана. Перекос, являясь, по сути, поворотом крана относительно вертикальной оси, сопровождается обычно поперечным смещением и обусловлен следующими факторами: 1) разбросом параметров оборудования (электродвигателей, передаточных механизмов, пускорегулирующей аппаратуры); 2) технологической разницей между диаметрами крановых колес; 3) переменным характером взаимодействия колес с подкрановыми рельсами; 4) несимметричной нагрузкой на опоры крана; 5) колебаниями груза. Перекос и поперечное смещение моста относительно направления движения, в свою очередь, вызывают контакт реборд крановых колес с рельсами. Реборды, воспринимая нагрузку, ограничивают дальнейшее смещение крана. Тем самым предотвращается сход крана с рельсов. При этом в точках контакта реборд с рельсами возникает процесс трения скольжения, что способствует сокращению срока службы как крановых колес (вследствие интенсивного износа реборд), так и подкрановых путей. Из-за сокращения срока службы ходовой части снижается коэффициент использования оборудования, увеличиваются расходы на содержание и ремонт крана.
Для ограничения перекоса и снижения негативных последствий, вызванных взаимодействием реборд с рельсами, применяются различные системы синхронизации [1;2]. Такие системы в автоматическом режиме поддерживают равенство друг другу скоростей приводных электродвигателей в пуско-тормозных режимах. При длительном установившемся движении синхронизация выполняется неэффективно. Кроме того, требуется установка дополнительного оборудования (электродвигателей, трансформаторов), значительно увеличивающая потребляемую мощность по сравнению с расчетной мощностью электропривода, а также стоимость системы в целом.
Существуют также системы ограничения перекоса, основанные на сравнении абсолютных перемещений опор крана [3]. Перемещение каждой опоры измеряется с помощью прижимного ролика, на валу которого установлен энкодер. Ролик прижимается к ведомому колесу с целью исключения проскальзывания приводных колес относительно рельсов. Перед началом работы специальное приспособление позволяет определить радиус ролика. Система построена таким образом, что число импульсов энкодера пропорционально линейному перемещению опоры независимо от диаметра колеса. Исходя из разности перемещений опор крана формируется корректирующий сигнал, который вычитается из сигнала задания скорости опережающей опоры и суммируется с сигналом задания скорости отстающей опоры. При данном подходе точность измерения линейного перемещения опоры определяется точностью измерения радиуса прижимного ролика. Учитывая особенности конструкции устройства (пружина, соленоид, реостат, подвижный контакт), добиться высокой точности измерения будет непросто. Даже небольшая погрешность с течением времени приведет к накоплению ошибки и, как следствие, перекосу моста.
Основным недостатком рассмотренных систем является то, что для ограничения перекоса используется информация о косвенных величинах (скорость, перемещение), которые не определяют однозначно положение крана относительно рельсов. Процессы, происходящие при движении крана, весьма сложны и обусловлены многими факторами, учесть которые при измерении косвенных величин практически невозможно, - это крип, кривизна рельсов, начальная установка крана и т. д. Другими словами, такие системы не реагируют непосредственно ни на перекос, ни на поперечное смещение моста.
Известны системы, непосредственно фиксирующие перекос крана с последующей его коррекцией [4-6]. Указанные ограничители содержат пороговые датчики различного принципа действия (бесконтактные, механические контактные), срабатывающие при достижении заданного предельного положения опоры относительно рельса. Выходы датчиков включены в систему управления привода передвижения крана. В зависимости от комбинации сработавших датчиков происходит корректировка, заключающаяся в замедлении забегающей вперед опоры. Общим недостатком систем в [4;5] является нечувствительность к поперечному смещению крана, а также сложная конструкция датчиков. Недостатками устройства в [6] являются: низкая надежность из-за большого числа коммутационной аппаратуры, необходимость применения асинхронных электродвигателей с фазным ротором, дополнительные потери энергии в резисторах, коррекция перекоса относительно только одного из рельсов подкранового пути.
Целью данной работы является разработка и исследование на основе моделирования системы управления электропривода передвижения мостового крана, обеспечивающей непрерывную корректировку положения моста относительно рельсов таким образом, чтобы исключить контакт реборд крановых колес с рельсами во всех режимах работы крана. При этом управление основывается на непосредственной идентификации перекоса и бокового смещения.
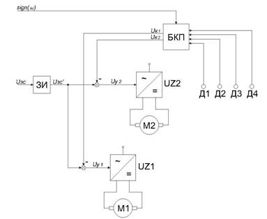
Для определения положения крана относительно рельсов используются четыре бесконтактных датчика, измеряющие расстояния до рельсов вблизи каждого из крановых колес. Датчики Д1, Д2, Д3, Д4 закреплены на раме крана так, как показано на рис. 1. Это позволяет с заданной точностью идентифицировать положение крана, учитывая как его перекос, так и поперечное смещение.

Рис.1. Схема расположения бесконтактных датчиков:
М1 и М2 - электродвигатели левой и правой опор соответственно
Информация от датчиков поступает в систему управления электропривода передвижения крана, где после соответствующей обработки полученных данных формируется корректирующее воздействие.
На рис. 2 представлена структурная схема системы управления электропривода механизма передвижения мостового крана с двигателями постоянного тока (возможно также использование частотно-регулируемого электропривода на базе асинхронных двигателей с короткозамкнутым ротором). Сигнал задания скорости UЗС поступает с пульта управления из кабины крана на задатчик интенсивности ЗИ, служащий для ограничения предельных ускорений привода при разгоне или торможении. Напряжения на якоре электродвигателей постоянного тока М1 и М2 изменяются пропорционально управляющим сигналам Uу1 и Uу2 преобразователей UZ1 и UZ2. Функции сбора информации с датчиков расстояния, обработки данных и формирования сигналов коррекции выполняет блок коррекции перекоса БКП. Сигналы коррекции Uk1 и Uk2 поступают в сумматор, где вычитаются из сигнала UЗС’. Так как в каждый момент времени активным может быть только один сигнал коррекции, корректирующее воздействие сводится к уменьшению напряжения на одном из электродвигателей, что приводит к замедлению соответствующей опоры. При этом также учитывается текущее направление движения крана (сигнал sign(ω)), так как для эффективного устранения перекоса при различных направлениях движения требуются разные корректирующие воздействия. В случае когда кран остановлен и скорости опор равны нулю, сигналы коррекции всегда отсутствуют, независимо от того, как кран расположен на рельсах.

Рис. 2. Структурная схема системы управления
электропривода передвижения крана
Положение крана определяется по дифференциальным значениям, получаемым путем вычисления разности показаний бесконтактных датчиков, измеряющих расстояния от мест их установки до рельсов, в соответствии с формулами
Δ12=LД1- LД2,
Δ34= LД3- LД4,
где Δ12, Δ34 – дифференциальные значения; LД1, LД2, LД3, LД4 – показания датчиков Д1, Д2, Д3, Д4 соответственно. Диапазон изменения - [0… LДi max].
Это позволяет однозначно идентифицировать перекос крана и его поперечное смещение относительно подкрановых путей. Каждая из величин Δ12 и Δ34 может принимать три группы значений: отрицательные, положительные и ноль. В случае отрицательного значения имеет место смещение соответствующей оси влево, при положительном значении – вправо. При нулевом значении Δ смещение отсутствует – колеса расположены практически симметрично относительно рельсов. Всего возможно 32=9 различных комбинаций Δ12 и Δ34. С учетом двух возможных направлений движения крана общее число возможных комбинаций достигает 32∙2=18, каждая из них требует определенного корректирующего воздействия. При неподвижном состоянии моста сигналы коррекции отсутствуют (равны нулю) независимо от значений Δ12 и Δ34. В таблице представлено описание всех возможных положений крана с указанием корректирующих воздействий в зависимости от направления движения.
Таблица
Идентификация положения крана относительно рельсов
и определение корректирующего воздействия
Значения Δ | Направление движения крана | Положение мостового крана относительно рельсов. Корректирующее воздействие | Активный корректирующий сигнал | |
Δ12 | Δ34 | |||
0 | 0 | Вперед | Перекос отсутствует | - |
+ | 0 | Вперед | Перекос вправо. Необходимо снизить скорость левой опоры (двигатель М1) | Uk1 |
– | 0 | Вперед | Перекос влево. Необходимо снизить скорость правой опоры (двигатель М2) | Uk2 |
0 | + | Вперед | Перекос влево. Необходимо снизить скорость правой опоры (двигатель М2) | Uk2 |
+ | + | Вперед | Боковое смещение крана вправо. Необходимо снизить скорость левой опоры (двигатель М1) | Uk1 |
– | + | Вперед | Перекос влево. Необходимо снизить скорость правой опоры (двигатель М2) | Uk2 |
0 | – | Вперед | Перекос вправо. Необходимо снизить скорость левой опоры (двигатель М1) | Uk1 |
+ | – | Вперед | Перекос вправо. Необходимо снизить скорость левой опоры (двигатель М1) | Uk1 |
– | – | Вперед | Боковое смещение крана влево. Необходимо снизить скорость правой опоры (двигатель М2) | Uk2 |
0 | 0 | Назад | Перекос отсутствует | - |
+ | 0 | Назад | Перекос вправо. Необходимо снизить скорость правой опоры (двигатель М2) | -Uk2 |
– | 0 | Назад | Перекос влево. Необходимо снизить скорость левой опоры (двигатель М1) | -Uk1 |
0 | + | Назад | Перекос влево. Необходимо снизить скорость левой опоры (двигатель М1) | -Uk1 |
+ | + | Назад | Боковое смещение крана вправо. Необходимо снизить скорость левой опоры (двигатель М1) | -Uk1 |
– | + | Назад | Перекос влево. Необходимо снизить скорость левой опоры (двигатель М1) | -Uk1 |
0 | – | Назад | Перекос вправо. Необходимо снизить скорость правой опоры (двигатель М2) | -Uk2 |
+ | – | Назад | Перекос вправо. Необходимо снизить скорость правой опоры (двигатель М2) | -Uk2 |
– | – | Назад | Боковое смещение крана влево. Необходимо снизить скорость правой опоры (двигатель М2) | -Uk2 |
Любое | Любое | 0 | Мост крана находится в неподвижном состоянии. Сигналы коррекции отсутствуют | - |
Значение корректирующего воздействия рассчитывается пропорционально максимальной из величин Δ12 и Δ34 по формуле
Uk=k∙max(Δ12; Δ34),
где Uk – значение корректирующего воздействия; k – коэффициент пропорциональности, который выбирается в зависимости от уровней сигналов и заданного максимального допустимого смещения крана.
Для исследования динамических характеристик и отработки алгоритма управления, обеспечивающего бесперекосное движение мостового крана, разработана его электромеханическая компьютерная модель, состоящая из двух подсистем.
Подсистема № 1 включает в себя собственно механическую модель мостового крана, выполненную в программном комплексе «Универсальный механизм» [7]. ПК «Универсальный механизм» (далее «УМ») предназначен для моделирования динамики и кинематики плоских и пространственных механических объектов. Механизмы в «УМ» описываются как системы твердых тел, шарниров и силовых элементов. Каждому телу назначается соответствующий трехмерный графический образ, созданный в графическом редакторе «УМ». Это позволяет визуально наблюдать анимацию работы модели. При этом также возможно построение и последующая обработка временных диаграмм различных переменных состояния: перемещений, скоростей, ускорений, сил.

Мостовой кран представлен системой связанных тел с заданными инерционными параметрами (рис. 3). Тела соединены друг с другом с помощью различного рода шарниров, которые, в свою очередь, задают положение и возможные перемещения тел. Так, рама крана имеет все шесть степеней свободы. К раме неподвижно крепятся кабина и площадка для обслуживания цеховых троллеев. Балансирные тележки соединены с рамой с помощью вращательных шарниров с одной степенью свободы. Таким же образом с балансирами соединены крановые колеса. Тележка имеет одну степень свободы относительно рамы и может перемещаться вдоль пролета между концевыми балками. Груз представляет собой физический маятник, который может совершать пространственные колебания относительно точки крепления каната к тележке.
ПК «УМ» позволяет моделировать динамику взаимодействия колес с рельсами, учитывая происходящие при этом сложные процессы. Для этого в программе имеются средства задания профилей колес и рельсов, а также вертикальных и поперечных неровностей подкрановых путей.
Прототипом данной модели служит мостовой кран для транспортировки слябов, выпускаемый и эксплуатируемый на одном из металлургических предприятий Украины. Вес крана составляет 120 т. Номинальная грузоподъемность – 70 т. Размеры модели выполнены в соответствии с документацией на кран.
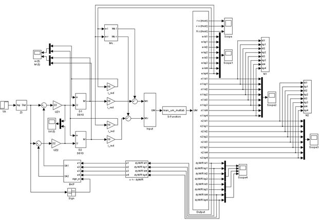
Подсистема №2 включает математическое описание системы управления электропривода передвижения мостового крана, выполненное средствами пакета Matlab Simulink (рис. 4).
Рассматриваемый мостовой кран оснащен электродвигателями постоянного тока Д810, модели которых представлены блоками D1 и D2. Функции коррекции перекоса выполняет блок BKP, представляющий собой логическую реализацию таблицы. Также в систему входят модели преобразователей UZ1 и UZ2 и задатчика интенсивности ZI.
Подсистемы № 1 и 2 объединяются в общую интегрированную модель мостового крана. Совмещение реализуется посредством включения модели механической подсистемы крана, выполненной в «УМ», в модель электрической подсистемы, разработанную в Matlab Simulink, с помощью S-функции (рис. 4). В процессе расчета обе подсистемы обмениваются данными, составляя единую электромеханическую модель [7]. Так, из Matlab в «УМ» передаются значения электромагнитных моментов двигателей М1 и М2. В свою очередь из «УМ» в Matlab передаются скорости колес, а также скорость и перемещение моста в направлении движения, угол поворота рамы относительно вертикальной оси, силы реакции, смещения колес относительно рельсов. При этом на каждом шаге моделирования осуществляется синхронизация обеих подсистем.

Рис. 4. Модель системы управления электропривода передвижения мостового крана в Matlab Simulink
На рис. 5-7 представлены результаты моделирования движения мостового крана для следующих режимов работы:
· плавный пуск (t=0…10 с), реализуемый с помощью задатчика интенсивности;
· движение с установившейся номинальной скоростью υ=1,2 м/с (t=10…100 с).
Моделирование выполнено для случаев с отсутствием коррекции и с коррекцией перекоса. В модель крана не вводился разброс параметров. Электрические и механические параметры обеих опор идентичны друг другу. Несимметрию в рассматриваемой модели создает положение кабины и площадки для обслуживания цеховых троллеев, которые расположены на противоположных опорах и имеют разные инерционные параметры (рис. 3). Масса кабины составляет 1740 кг, масса площадки – 200 кг. Нагрузка на левую опору больше, поэтому она отстает от правой опоры, что при отсутствии коррекции вызывает перекос влево (рис. 5, кривая phi1) и боковое смещение крана в левую сторону (рис. 6, кривая l1). При t ≈ 29 с. происходит контакт реборд с рельсами, посредством которого прекращается смещение крана в поперечном направлении, уменьшается также и перекос. Но дальнейшее движение крана сопровождается непрерывным трением реборд о подкрановые рельсы.

Рис. 5. Временная диаграмма угла поворота крана
относительно вертикальной оси: phi1 – без коррекции; phi2 – с коррекцией

Рис. 6. Временная диаграмма поперечного смещения крана:
l1 – без коррекции; l2 – с коррекцией

Рис. 7. Временная диаграмма корректирующих сигналов Uk1 и Uk2
При управлении с коррекцией БКП в каждый момент времени формирует корректирующие сигналы Uk1 и Uk2 таким образом, чтобы ограничить смещение крана и вернуть его в симметричное положение относительно рельсов. В данном случае в установившемся режиме движения активным является сигнал Uk2 (рис. 7), который, вычитаясь из сигнала задания на скорость опережающей правой опоры, способствует замедлению последней. Скорости обеих опор устанавливаются так, что происходит существенное ограничение перекоса крана (рис. 5, кривая phi2) и его поперечного смещения (рис. 6, кривая l2). При этом в процессе дальнейшего движения не зафиксировано ни одного контакта реборд с рельсами.
Достоверность полученных результатов обеспечивается поэтапной проверкой отдельных режимов электрической и механической подсистем (в частности, удовлетворительным совпадением результатов моделирования номинального режима двигателя Д810 со справочными данными, удовлетворительным совпадением распределения вертикальных нагрузок на колеса крана, полученных при моделировании, с результатами аналитического расчета статического режима), а также использованием хорошо себя зарекомендовавших промышленных программных комплексов.
По работе можно сделать следующие выводы:
1. Перекос крана в процессе работы неизбежен и возникает постоянно. Даже если пренебречь разбросом параметров электродвигателей и передаточных механизмов противоположных опор, нагрузка на них будет разной из-за особенностей конструкции мостовых кранов. В данном случае по указанной причине контакт реборд с рельсами происходит уже на 29-й секунде движения крана.
2. При достижении максимального поперечного смещения перекос несколько снижается. Однако дальнейшее движение крана при этом сопровождается трением реборд о рельсы, т. е. бесперекосное движение не может гарантировать отсутствие контакта. Для полного контроля необходимо учитывать также и поперечное смещение.
3. Предлагаемая система управления позволяет ограничить нагрузки на ходовую часть мостового крана путем полного исключения контакта реборд с рельсами. Коррекция выполняется как по перекосу, так и по поперечному смещению. При этом также учитывается направление движения крана, что позволяет обеспечить корректировку положения крана во всех режимах работы.
СПИСОК ЛИТЕРАТУРЫ
1. Теличко, динамических нагрузок в ферме моста крана при помощи «электрического вала» / , , // II Международная выставка-интернет-конференция, посвященная 50-летию и 10-летию кафедры «Электроснабжение» / Орл. гос. аграр. ун-т. – 2007.
2. Теличко, двухдвигательного асинхронного электропривода / , // Электротехнические комплексы и системы управления. – 2008. – №4. – С. 23-28.
3. Щедринов, ограничения перекоса мостового крана на основе сравнения абсолютных перемещений опор / , // Электротехнические комплексы и системы управления. – 2008. – №2. – С. 76-80.
4. А. с. 998307 СССР, МПК5 В66 С9/16. Ограничитель перекоса опор крана мостового типа / , (СССР). – № 000/29-11; заявл. 18.09.81; опубл. 23.02.83. Бюл. №7. – 2 с.: ил.
5. Пат. 2061645 Российская Федерация, МПК6 В66 С9/16. Ограничитель перекоса опор крана мостового типа / , ; заявитель и патентообладатель Оренбург. политехн. ин-т. – №/11; заявл. 21.06.93; опубл. 10.06.96.
6. Пат. 2405735 Российская Федерация, МПК В66 С9/16. Устройство для направления движения мостового крана / – №/11; заявл. 29.06.09; опубл. 10.12.10.
7. www. umlab. ru.- Официальный сайт лаборатории вычислительной механики БГТУ.
Материал поступил в редколлегию 11.05.12.
[1] Исследования выполнены в рамках государственного задания Министерства образования и науки РФ, НИР № 06/62 «Прогнозирование динамических процессов в электромеханотронных системах».



