МИНИСТЕРСТВО ОБРАЗОВАНИЯ И НАУКИ, МОЛОДЕЖИ И СПОРТА УКРАИНЫ
ДОНБАССКАЯ ГОСУДАРСТВЕННАЯ МАШИНОСТРОИТЕЛЬНАЯ АКАДЕМИЯ
МЕТОДИЧЕСКИЕ УКАЗАНИЯ К ПРОВЕДЕНИЮ ПРАКТИЧЕСКИХ ЗАНЯТИЙ ДЛЯ СТУДЕНТОВ СПЕЦИАЛЬНОСТЕЙ 6. 6. 6.050202
Затверджено
на засіданні методичного семінару
кафедри ОПМ
Протокол №6 від 14.02.2012 р.
КРАМАТОРСК 2012
Методические указания к проведению практических занятий для студентов специальностей 6. 6. 6.050202 / Сост. . – Краматорск: ДГМА, 2012. – 20 с.
В методическом указании приведены тема и цель каждого практического занятия, план и регламент его проведения, а также контрольные вопросы по каждой теме.
Данное методическое указание предназначено для преподавателей, проводящих практические занятия по дисциплинам «Стандартизация, метрология, контроль» и «Метрология, стандартизация, сертификация» для студентов специальностей 6. 6. 6.050202.
Составитель , ст. преподаватель
Отв. за выпуск , ст. преподаватель
СОДЕРЖАНИЕ
………………………………………………………………………………стр.
Введение …………………………………………………………………... 4
Практическое занятие № 1. Допуски и посадки гладких цилиндри-
ческих соединений ……………………………………………………….. 5
Практическое занятие № 2. Допуски и посадки подшипников
качения …………………………………………………………………….. 8
Практическое занятие № 3. Допуски и посадки шпоночных и
шлицевых соединений ……………………………………………………. 11
Практическое занятие № 4. Простановка шероховатости поверхности, допусков формы и расположения на эскизе детали …………………….. 16
ВВЕДЕНИЕ
Данное методическое указание предназначено для преподавателей, проводящих практические занятия по дисциплинам «Стандартизация, метрология, контроль» и «Метрология, стандартизация, сертификация» для студентов специальностей 6. 6. 6.050202.
Приведенные в методическом указании план и регламент проведения занятия не является строго обязательным для выполнения и может быть измерен по мере надобности в соответствии с уровнем подготовки аудитории. Время, отведенное на контроль усвоения теоретического материала, сравнительно небольшое, поэтому желательно использовать тестовую форму контроля, хотя живое общение со студентом исключать из работы, конечно, нежелательно.
О наличии методического материала, как то плакаты и справочные таблицы, следует позаботиться заранее. Необходимо также продумать в какой последовательности и как их разместить в аудитории, чтоб, с одной стороны, к ним был свободный доступ, а с другой, они не мешали работе у доски.
Уже с первых занятий необходимо добиваться того, чтобы студенты приходили подготовленные. Поэтому в конце каждого урока необходимо подробно изложить какой теоретический материал они должны будут подготовить к следующей паре и какие контрольные точки им предстоит сдать.
ПРАКТИЧЕСКОЕ ЗАНЯТИЕ № 1
Тема: Допуски и посадки гладких цилиндрических соединений.
Цель: Изучить типы посадок, определить систему образования посадок,
найти и указать на схемах предельные отклонения, предельные
зазоры или натяги и научиться строить схемы полей допусков
соединений.
Литература к занятию
1. Мартынов , метрология, стандартизация. Конспект лекций для студентов всех специальностей направления «Инженерная механика». – 2-е изд., стер. –Краматорск: ДГМА, 2004. - 180с. . (Перезатверджено на засіданні метод. Ради факультету інженерної механіки, протокол від 16.04.08)
2. Якушев имозаменяемость, стандартизация и технические измерения / , , . – 6-е изд., перераб. и доп.-М.: Машиностроение, 1987. – 352 с.
3. Палей, и посадки : справочник : в 2 ч. Ч.1. / , , . – 8-е изд., пере раб. и доп. – СПб. : Политехника, 2001. – 576 с.
4. Палей, и посадки : справочник : в 2 ч. Ч.2. / , , . – 8-е изд., пере раб. и доп. – СПб. : Политехника, 2001. – 608 с.
5. Методические указания к выполнению контрольних и расчетно-графических работ по дисциплине „Взаимозаменяемость, метрология, стандартизація” (для студентов всех спеціальностей) / Сост. , . – Краматорськ: ДГМА, 2004. – 44 с. . (Перезатверджено на засіданні метод. Ради факультету інженерної механіки, протокол від 16.04.08)
6. Выбор, обоснование и обозначение в чертежах допускаемых отклонений геометрических параметров поверхностей деталей при проектировании изделий. Методическое пособие к курсовому и дипломному проектированию для студ. спец. напр. «Инженерная механика» / Сост. – Краматорск: ДГМА, 2001. – 132 с. . (Перезатверджено на засіданні метод. Ради факультету інженерної механіки, протокол від 16.04.08).
Наглядные пособия
Плакаты:
1. «Допуски для номинальных размеров до 500 мм»;
2. « Основные отклонения валов ГОСТ »;
3. «Основные отклонения отверстий ГОСТ ».
Справочные таблицы для решения задач по курсу ВМС.
Организационная часть
1. Перекличка – 2 минуты.
2. Ознакомление студентов с темой и целью занятия - 3 минуты.
3. Опрос студентов перед решением задач – 10 минут.
4. Решение преподавателем у доски задач – 15 минут.
5. Самостоятельное решение студентами задач – 15 минут.
Типовые задачи
Задача. Для заданного соединения составить схему расположения полей допусков, определить систему образования и вид посадки, найти и указать на схеме предельные отклонения и размеры отверстия и вала, предельные зазоры или натяги, допуск посадки в соединении. Определить, являются ли годными поверхности деталей, по приведенным их действительным размерам ( Dд = 80,0мм и dд = 80,005 мм).
Ǿ 80 М7/ к6.
Решение
Расшифровываем запись:
Ǿ 80 – номинальный диаметр соединения (отверстия, вала);
М7 – поле допуска отверстия;
к6 – поле допуска вала;
М и к – основные отклонения диаметров отверстия и вала;
7 и 6 – квалитеты диаметров отверстия и вала.
Для построения схем расположения полей допусков и решения задачи воспользуемся таблицами ГОСТ : основные отклонения валов; основные отклонения отверстий; допуски для размеров до 500 мм (см. наглядные пособия).
По таблице основных отклонений отверстий находим, что основное отклонение М – это верхнее отклонение ES и определяем
ES = - 11 + ∆ = - 11 + 11 = 0,
где ∆ - поправка для квалитета 7.
По таблице допусков устанавливаем, что допуск размера 80 мм по 7-му квалитету равен ТD = 30 мм. Тогда из формулы ТD = ES – ЕI находим нижнее отклонение отверстия ЕI = ES – ТD = 0 – 30 = - 30 мкм. Определяем предельные размеры отверстия
Dmax = D + ES = 80 + 0 = 80 мм, Dmin = D + EI = 80 + (- 0,030) = 79,970 мм.
Аналогично, воспользовавшись таблицами основных отклонений валов и допусков размеров, находим, что основное отклонение к – это нижнее отклонение ei = + 2 мкм, допуск размера вала Тd = 19 мкм.
Из формулы Td = es – ei определяем верхнее отклонение вала. Тогда
es = ei + Td = 2 + 19 = + 21 мкм. Определяем предельные размеры вала
dmax = d + es = 80 + 0,021 = 80,021 мм, dmin = d + ei = 80 + 0,002 = 80,002 мм.
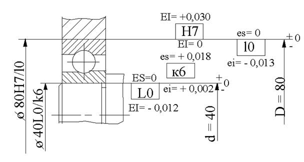
Ниже представлена схема расположения полей допусков соединения (рис. 1). Как видно из схемы, данное соединение – соединение с натягом и посадка внесистемная.
Определяем предельные натяги в соединении:
Nmax = es – EI = 21 – (-30) = 51 мм, Nmin = ei – ES = 2 – 0 = 2 мм.
Допуск посадки ТП = TD + Td = 30 + 19 = 49 мм.
Допуск натяга TN = Nmax – Nmin = 51 – 2 = 49 мм.
TN = ТП, что и требовалось доказать. Необходимые обозначения приведены на рис. 1.

Рисунок 1 – Схема расположения полей допусков
С учетом вычисленных предельных диаметров отверстия и вала устанавливаем, что действительный размер отверстия Dд = 80,0мм годен, поскольку он равен наименьшему предельному размеру отверстия, т. е. находится в границах поля допуска, а действительный размер вала dд = 80,005 мм годен, поскольку он находится между предельными размерами вала, т. е. в границах поля допуска. Действительные размеры отверстия и вала указываем на схеме полей допусков соединения (см. рис. 1).
Контрольные вопросы
1. Дать определение номинального, действительного, предельных размеров.
2. Дать определение допуска, поля допуска, предельных отклонений, предельных зазора и натяга.
3. Дать определение системы образования посадок и привести примеры посадок в этих системах.
4. Три группы посадок: характеристики, основные отклонения (буквы латинского алфавита) для образования полей допусков этих групп посадок (примеры).
5. Дать определение квалитета точности (количество, обозначение, назначение).
6. Определение годности деталей.
ПРАКТИЧЕСКОЕ ЗАНЯТИЕ № 2
Тема: Допуски и посадки подшипников качения.
Цель: Определение размеров подшипника, выбор посадок, предельных
отклонений и построение схемы полей допусков соединений обоих
колец с сопрягаемыми деталями.
Литература к занятию
1. Мартынов , метрология, стандартизация. Конспект лекций для студентов всех специальностей направления «Инженерная механика». – 2-е изд., стер. –Краматорск: ДГМА, 2004. - 180с. . (Перезатверджено на засіданні метод. Ради факультету інженерної механіки, протокол від 16.04.08)
2. Якушев имозаменяемость, стандартизация и технические измерения / , , . – 6-е изд., перераб. и доп.-М.: Машиностроение, 1987. – 352 с.
3. Палей, и посадки : справочник : в 2 ч. Ч.1. / , , . – 8-е изд., пере раб. и доп. – СПб. : Политехника, 2001. – 576 с.
4. Палей, и посадки : справочник : в 2 ч. Ч.2. / , , . – 8-е изд., пере раб. и доп. – СПб. : Политехника, 2001. – 608 с.
5. Методические указания к выполнению контрольних и расчетно-графических работ по дисциплине „Взаимозаменяемость, метрология, стандартизація” (для студентов всех спеціальностей) / Сост. , . – Краматорськ: ДГМА, 2004. – 44 с. . (Перезатверджено на засіданні метод. Ради факультету інженерної механіки, протокол від 16.04.08)
6. Выбор, обоснование и обозначение в чертежах допускаемых отклонений геометрических параметров поверхностей деталей при проектировании изделий. Методическое пособие к курсовому и дипломному проектированию для студ. спец. напр. «Инженерная механика» / Сост. – Краматорск: ДГМА, 2001. – 132 с. . (Перезатверджено на засіданні метод. Ради факультету інженерної механіки, протокол від 16.04.08).
7. Методическое указание к курсовому и дипломному проектированию для студентов всех специальностей вуза. Выбор и расчет подшипников качения / Сост. , – Краматорск: ДГМА, 2003. – 52 с. . (Перезатверджено на засіданні метод. Ради факультету інженерної механіки, протокол від 16.04.08).
8. Методические указания к курсовому и дипломному проектированию. Выбор и обозначение посадок подшипников качения и технических требований к сопрягаемым поверхностям / Сост. – Краматорск: КИИ, 1990. – 28 с. (Перезатверджено на засіданні метод. Ради факультету інженерної механіки, протокол від 16.04.08).
Наглядные пособия
Плакаты:
1. «Типы подшипников качения»;
2. «Выбор посадок подш8ипников качения ГОСТ 3325-85»;
3. «Допуски для номинальных размеров до 500 мм»;
4. « Основные отклонения валов ГОСТ »;
5. «Основные отклонения отверстий ГОСТ ».
Справочные таблицы для решения задач по курсу ВМС. Таблицы
« Размеры и основные характеристики подшипников». Таблицы «Нижнее предельное отклонение среднего внутреннего диаметра и среднего наружного диаметра шариковых и роликовых радиальных и радиально-упорных подшипников по ГОСТ 250-89».
Организационная часть
1. Перекличка – 2 минуты.
2. Ознакомление студентов с темой и целью занятия - 3 минуты.
3. Опрос студентов перед решением задач – 10 минут.
4. Решение преподавателем у доски задач – 15 минут.
5. Самостоятельное решение студентами задач – 15 минут.
Типовые задачи
Задача. В соответствии с исходными данными определить номинальные диаметры посадочных поверхностей внутреннего и наружного колец подшипников, указать предельные отклонения, назначить посадки колец подшипников, привести эскиз узла и схему расположения полей допусков соединений обоих колец с сопрягаемыми деталями.
Решение
Например, дан подшипник с условным обозначением 208, нормальные требования к точности вращения вала, действующая радиальная нагрузка
Р = 25 кН.
Определяем вид подшипника, номинальные диаметры отверстия внутреннего кольца d и внешней поверхности наружного кольца D, а также динамическую грузоподъемность Сд, используя таблицы соответствующих стандартов, помещенные в [7]. Тогда в нашем случае:
208 – радиальный однорядный шарикоподшипник с номинальными диаметрами колец d = 40 мм, D = 80 мм и динамической грузоподъемностью Сд = 25,6 кН.
Определяем вид нагружения колец подшипников: местное, циркуляционное или колебательное. Поскольку в данном изделии вращается вал, кольца подшипников имеют следующие виды нагружений: внутреннее кольцо – циркуляционное, наружное – местное.
Определяем режим работы подшипника из соотношения Р/Сд = 25/25,6 = 0,97 – это нормальный режим работы.
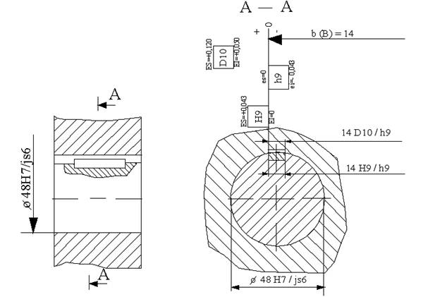
Воспользовавшись таблицами ГОСТ 3325-85 с учетом полученных данных назначаем посадку внутреннего кольца на вал Ǿ40 L0/ к6, а посадку наружного кольца в отверстие корпуса Ǿ80 Н7/l0.
Далее изображаем эскиз подшипника и схему расположения полей допусков соединений внутреннего и наружного колец подшипников с сопрягаемыми деталями (вал и корпус) и указываем предельные отклонения (рис. 2).

Рисунок 2 – Схема расположения полей допусков соединений внутреннего
и наружного колец подшипников с валом и корпусом
Контрольные вопросы
1. Перечислить классы точности подшипников качения по ГОСТ 520-89. Что влияет на назначение класса точности подшипников?
2. Особенности расположения полей допусков на диаметры посадочных поверхностей колец подшипников качения.
3. Какие факторы определяют выбор посадки подшипников на вал и в корпус?
4. Как обозначаются посадки подшипников качения на чертежах (примеры)?
ПРАКТИЧЕСКОЕ ЗАНЯТИЕ № 3
Тема: Допуски и посадки шпоночных и шлицевых соединений.
Цель: Определение размеров шпонок и шлицев в соответствии с ГОСТ
и ГОСТ 1139-80, выбор посадок, предельных отклонений и
построение схемы полей допусков соединений.
Литература к занятию
1. Мартынов , метрология, стандартизация. Конспект лекций для студентов всех специальностей направления «Инженерная механика». – 2-е изд., стер. –Краматорск: ДГМА, 2004. - 180с. . (Перезатверджено на засіданні метод. Ради факультету інженерної механіки, протокол від 16.04.08)
2. Якушев имозаменяемость, стандартизация и технические измерения / , , . – 6-е изд., перераб. и доп.-М.: Машиностроение, 1987. – 352 с.
3. Палей, и посадки : справочник : в 2 ч. Ч.1. / , , . – 8-е изд., пере раб. и доп. – СПб. : Политехника, 2001. – 576 с.
4. Палей, и посадки : справочник : в 2 ч. Ч.2. / , , . – 8-е изд., пере раб. и доп. – СПб. : Политехника, 2001. – 608 с.
5. Методические указания к выполнению контрольних и расчетно-графических работ по дисциплине „Взаимозаменяемость, метрология, стандартизація” (для студентов всех спеціальностей) / Сост. , . – Краматорськ: ДГМА, 2004. – 44 с. . (Перезатверджено на засіданні метод. Ради факультету інженерної механіки, протокол від 16.04.08)
6. Выбор, обоснование и обозначение в чертежах допускаемых отклонений геометрических параметров поверхностей деталей при проектировании изделий. Методическое пособие к курсовому и дипломному проектированию для студ. спец. напр. «Инженерная механика» / Сост. – Краматорск: ДГМА, 2001. – 132 с. . (Перезатверджено на засіданні метод. Ради факультету інженерної механіки, протокол від 16.04.08).
Наглядные пособия
Плакаты:
1. «Допуски и посадки шпоночных соединений с призматическими шпонками. Основные размеры соединений, мм ГОСТ »;
2. « Предельные отклонения размеров шпонок и пазов по ширине шпоночных соединений ГОСТ »;
3. «Предельные отклонения несопрягаемых размеров соединения ГОСТ »;
4. «Номинальные размеры прямобочных шлицевых соединений, мм ГОСТ 1139-80»;
5. «Поля допусков и посадки для размеров d и b при центрировании по d ГОСТ 1139-80». «Поля допусков и посадки для размера b при центрировании по b ГОСТ 1139-80». « Поля допусков и посадки для размеров D и b при центрировании по D ГОСТ 1139-80». «Поля допусков нецентрирующих диаметров ГОСТ 1139-80».
Справочные таблицы для решения задач по курсу ВМС.
Организационная часть
1. Перекличка – 2 минуты.
2. Ознакомление студентов с темой и целью занятия - 3 минуты.
3. Опрос студентов перед решением задач – 10 минут.
4. Решение преподавателем у доски задач – 30 минут.
5. Самостоятельное решение студентами задач – 45 минут.
Типовые задачи
Задача. Назначить посадки шпоночного соединения с призматической шпонкой и прямобочного шлицевого соединения согласно эксплуатационным условиям и номинальным размерам. Разработать эскизы продольных и поперечных сечений соединений, вала и втулки с указанием для обоих видов соединений полей допусков размеров. Привести схемы расположения полей допусков соединений шпонки по ширине b и соединений поверхностей шлицев по размерам d, D, b.
Решение
1. Дано: 48 мм диаметр вала, 1 – посадка с большей вероятностью зазора в соединении втулки и вала, 1 – затрудненные условия сборки, действие нереверсивных равномерных нагрузок.
По таблицам ГОСТ находим номинальные размеры шпонки b x h = 14 х 8 мм, глубину паза на валу t1 = 5,5 мм и паза во втулке t2 = 3,8 мм.
Для соединения втулки и вала назначаем посадку Ǿ48 Н7/js6, т. к. необходимо назначить посадку с большей вероятностью зазора в соединении (см. условие задачи).
Так как заданы затрудненные условия сборки, действуют нереверсивные равномерные нагрузки, назначаем тип шпоночного соединения на ширину шпонки свободное и устанавливаем следующие поля допусков: на ширину шпонки - h9, на ширину паза вала - Н9, на ширину паза втулки - D 10.
Для соединений шпонки по ширине строим схему расположения назначенных полей допусков шпонки и пазов на валу и во втулки и указываем предельные отклонения. Разрабатываем эскизы продольного и поперечного сечений соединения, поперечных сечений вала и втулки.
Для размера (d + t2) паза во втулке задаем предельные отклонения в «тело» детали, т. е. в «плюс» (+ 0,2), а для размера t1 паза на валу в «плюс» (+0,2).
Что касается соединения шпонки по длине l, то ГОСТ устанавливает для шпонки поле допуска h14, а для паза Н15.
На рис. 3 приведены эскизы продольного и поперечного сечений соединения и схема полей допусков.


Рисунок 3 – Эскизы продольного и поперечного сечений шпоночного
соединения и поперечные сечения втулки и вала
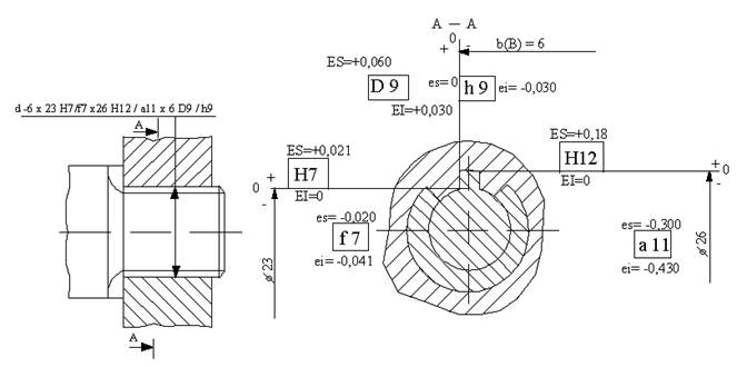
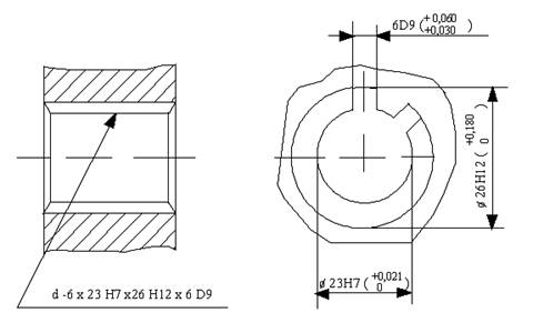
2. Дано: шлицевое соединение 6х23х26, 1 – требования к точности центрирования - высокие, термообработка шлицевой втулки – 50…59 НRCэ, вид соединения – подвижное.
Согласно ГОСТ 1139-80 устанавливаем ширину шлица b и окончательно номинальные размеры z x d x D x b = 6х23х26х6.
Назначаем способ центрирования по внутреннему диаметру d, т. к. требования к точности центрирования – высокие, твердость втулки больше, чем 350 НВ. В этом случае втулку нельзя обработать чистовой протяжкой (отверстие шлифуют на внутришлифовальном станке), а вал обрабатывают на шлицешлифовальном станке. По центрирующему диаметру d назначаем посадку с зазором, т. к. задан вид соединения – подвижное.
По способу центрирования d из таблиц ГОСТа 1139-80 назначаем посадки по центрирующему диаметру и по b, а по таблице полей допусков нецентрирующих диаметров ГОСТ 1139-80 – посадку для нецентрирующего диаметра D.
Запишем обозначение шлицевого соединения:
d – 6 x 23 H7/f7 x 26 H12/a11 x 6 D9/h9.
Изображаем схему расположения полей допусков шлицевого соединения с указанием предельных отклонений, продольных и поперечных сечений шлицевого соединения, шлицевого вала и шлицевой втулки в соответствии с ЕСКД. Примеры оформления этих эскизов приведены на рис. 4 и на рис. 5.

Рисунок 4 – Эскиз продольного и поперечного сечения шлицевого
соединения


Рисунок 5 – Эскизы продольных и поперечных сечений
шлицевого вала и шлицевой втулки
Контрольные вопросы
1. Как назначают размер шпонки?
2. Как задают варианты посадок при свободном, нормальном и плотном видах соединений по ширине шпонки?
3. Какие поля допусков предусмотрены ГОСТ на высоту шпонки, длину шпонки?
4. Факторы, влияющие на выбор метода центрирования шлицевого соединения.
5. Особенности назначения посадок по нецентрирующим диаметрам.
6. Записать и расшифровать условное обозначение прямобочного шлицевого соединения при центрировании по D, d, b и привести примеры.
ПРАКТИЧЕСКОЕ ЗАНЯТИЕ № 4
Тема: Простановка шероховатости поверхности, допусков формы и
расположения на эскизе детали.
Цель: Разработать эскиз вала с указанием размеров, допусков формы и
расположения, шероховатости поверхностей, обосновать все
выбранные параметры точности и их численные значения.
Литература к занятию
1. Мартынов , метрология, стандартизация. Конспект лекций для студентов всех специальностей направления «Инженерная механика». – 2-е изд., стер. –Краматорск: ДГМА, 2004. - 180с. . (Перезатверджено на засіданні метод. Ради факультету інженерної механіки, протокол від 16.04.08)
2. Якушев имозаменяемость, стандартизация и технические измерения / , , . – 6-е изд., перераб. и доп.-М.: Машиностроение, 1987. – 352 с.
3. Палей, и посадки : справочник : в 2 ч. Ч.1. / , , . – 8-е изд., пере раб. и доп. – СПб. : Политехника, 2001. – 576 с.
4. Палей, и посадки : справочник : в 2 ч. Ч.2. / , , . – 8-е изд., пере раб. и доп. – СПб. : Политехника, 2001. – 608 с.
5. Методические указания к выполнению контрольних и расчетно-графических работ по дисциплине „Взаимозаменяемость, метрология, стандартизація” (для студентов всех спеціальностей) / Сост. , . – Краматорськ: ДГМА, 2004. – 44 с. . (Перезатверджено на засіданні метод. Ради факультету інженерної механіки, протокол від 16.04.08)
6. Выбор, обоснование и обозначение в чертежах допускаемых отклонений геометрических параметров поверхностей деталей при проектировании изделий. Методическое пособие к курсовому и дипломному проектированию для студ. спец. напр. «Инженерная механика» / Сост. – Краматорск: ДГМА, 2001. – 132 с. . (Перезатверджено на засіданні метод. Ради факультету інженерної механіки, протокол від 16.04.08).
7. Методические указания к курсовому и дипломному проектированию. Шероховатость поверхностей деталей. Выбор параметров и обозначение в чертежах / Сост. . – Краматорск: ДГМА, 2000 – 28 с. . (Перезатверджено на засіданні метод. Ради факультету інженерної механіки, протокол від 16.04.08).
8. Анухин и посадки. Выбор и расчет, указание на вертежах: Учеб. Пособие. 2-е изд., перераб. и доп. – СПб: изд-во СПбГТУ, 2001. – 219 с.
Наглядные пособия
Плакаты:
1. «Обозначение шероховатости поверхности»;
2. «Правила нанесения шероховатости на чертежах»;
3. «Примеры нормирования шероховатости деталей»;
4. «Правила нанесения допусков формы и расположения на чертежах»;
5. Допуски формы и расположения поверхностей по ГОСТ »;
6. «Допуски формы и расположения посадочных поверхностей под подшипники качения ГОСТ 3325-85».
Справочные таблицы для решения задач по курсу ВМС.
Организационная часть
1. Перекличка – 2 минуты.
2. Ознакомление студентов с темой и целью занятия - 3 минуты.
3. Опрос студентов перед решением задач – 10 минут.
4. Решение преподавателем у доски задач – 30 минут.
5. Самостоятельное решение студентами задач – 45 минут.
Типовые задачи
Задача. Исходя из заданного сборочного чертежа разработать эскизвала с указанием размеров, допусков формы и расположения, шероховатости поверхностей и привести обоснование всех выбранных параметров точности и их численных значений.
Решение
Исходя из сборочного чертежа, выполняем чертеж вала с указанием размеров всех шеек. Указываем также диаметры свободных поверхностей и длины участков вала от обоих торцов вала.
Для всех свободных поверхностей указываем поля допусков в технических требованиях чертежа (над угловым штампом): Н14, h14, IT14/2.
Для подшипниковых шеек в соответствии с ГОСТ 3325-85 указываем допуски: круглости, профиля продольного сечения, соосности и торцового биения заплечиков вала, допуск непостоянства диаметров шеек (это требование заносится в технические требования).
Для остальных шеек вала допуски формы принимаем, задаваясь нормальной относительной геометрической точностью формы (А). По таблице ГОСТ устанавливаем допуски круглости и профиля продольного сечения.
Если на валу имеется шпоночный паз и шлиц, то приводим сечения шеек вала и даем размеры шпоночного паза и шлицев (см. практическое занятие № 3). Для шпоночного паза указываем допуски: симметричности и параллельности относительно оси базовой поверхности. Допуск симметричности определяется Т ≡ = 2Тшп.. Допуск параллельности Т// = 0,5Тшп., где Тшп. – допуск на ширину шпоночного паза.
Для подшипниковых шеек шероховатость выбираем из таблицы ГОСТ 3325-85 на подшипниковые соединения. Для других шеек и поверхностей шпоночного паза и шлицев значение шероховатости назначаем на основе таблицы шероховатости для этих соединений [3, 4, 6,7].
Пример оформления эскиза вала приведен на рис. 6.


… 280 НВ
2. Н14; h14; ± IT14/2
3. Допуск непостоянства диаметров шеек
Ǿ 75к6 в продольном и поперечном
сечениях 0,01 мм
Рисунок 6 – Пример оформления эскиза вала
Контрольные вопросы
1. Дать определение шероховатости поверхности.
2. Перечислить параметры шероховатости нормируемые стандартом.
3. Дать пояснение относительной опорной длины профиля.
4. Привести примеры обозначения шероховатости в чертежах.
5.Что такое отклонение и допуск формы поверхности?
6. Что такое базовая поверхность и как она обозначается в чертежах?
7. Что такое отклонение и допуск расположения поверхности?
8. Что такое суммарные отклонения и допуски формы и расположения поверхности?
9. Привести примеры обозначения в чертежах допусков формы, расположения и суммарных допусков формы и расположения.
Навчальне видання
МЕТОДИЧЕСКИЕ УКАЗАНИЯ К ПРОВЕДЕНИЮ ПРАКТИЧЕСКИХ ЗАНЯТИЙ ДЛЯ СТУДЕНТОВ СПЕЦИАЛЬНОСТЕЙ 6. 6. 6.050202
(Російською мовою)
Укладач АБРАМОВА Любов Миколаївна
Редактор
Комп’ютерна верстка
234/2008 Підп. до друку Формат 60х84/16
Папір офсетний. Ум. друк. арк. Обл.-вид. арк. .
Тираж прим. Зам.№
Видавець і виготівник
«Донбаська державна машинобудівна академія»
84313, м. Краматорськ, вул. Шкадінова, 72
Свідоцтво про внесення суб’єкта видавничої справи до Державного реєстру
серія ДК № 000 від 24.12.2003 р.



