МИНистерство ОБРАЗОВАНИЯ И НАУКИ РФ
ГОСУДАРСТВЕННОЕ ОБРАЗОВАТЕЛЬНОЕ УЧРЕЖДЕНИЕ
ВЫСШЕГО ПРОФЕССИОНАЛЬНОГО ОБРАЗОВАНИЯ
«ВОЛГОГРАДСКИЙ ГОСУДАРСТВЕННЫЙ ТЕХНИЧЕСКИЙ УНИВЕРСИТЕТ»
КАМЫШИНСКИЙ ТЕХНОЛОГИЧЕСКИЙ ИНСТИТУТ (ФИЛИАЛ)
ГОУ ВПО «ВОЛГОГРАДСКИЙ ГОСУДАРСТВЕННЫЙ ТЕХНИЧЕСКИЙ УНИВЕРСИТЕТ»
КАФЕДРА «ТЕХНОЛОГИЯ МАШИНОСТРОЕНИЯ»
Технологические процессы
в машиностроении
Методические указания к лабораторным работам
Часть II
Волгоград
2011
УДК 621.9(07)
Т 38
Технологические процессы в машиностроении: методические указания к лабораторным работам. Ч. II / Сост. ; Волгоград. гос. техн. ун-т. – Волгоград, 2011. – 27 с.
Приводятся краткие теоретические сведения о технологических процессах изготовления деталей литьем, обработкой давлением, резанием и описывается порядок выполнения работ.
Предназначены для студентов направления 150900.62 «Технология, оборудование и автоматизация машиностроительных производств» и специальности 151001.65 «Технология машиностроения» всех форм обучения.
Ил. 8. Табл. 1. Библиогр.: 5 назв.
Рецензент: к. т. н., доцент
Печатается по решению редакционно-издательского совета
Волгоградского государственного технического университета
Мартыненко
Технологические процессы в машиностроении
Методические указания к лабораторным работам
Часть II
Под редакцией автора
Темплан 2011 г., поз. № 8К.
Подписано в печать г. Формат 60×84 1/16.
Бумага листовая. Печать офсетная.
Усл. печ. л. 1,63. Уч.-изд. л. 1,69.
Тираж 100 экз. Заказ №
Волгоградский государственный технический университет
г. Волгоград, пр. Ленина, 28, корп. 1.
Отпечатано в КТИ
, каб. 4.5
Ó Волгоградский
государственный
технический
университет, 2011
Лабораторная работа № 5«Осадка в плитах»
5.1. Цель работы
Освоить методику экспериментального определения силовых зависимостей осадки. Выявить факторы и оценить характер их влияния на усилие осадки
5.2. Теоретическая часть
Свободная ковка – наиболее распространенный в единичном и мелкосерийном производствах метод обработки металлов давлением для получения заготовок деталей машин массой от нескольких килограммов до 200 тонн. Заготовки, получаемые ковкой, называют коваными поковками. В качестве исходных заготовок используется прутковый металлопрокат круглого или квадратного профиля, горячетянутые трубы и слитки. Форма поковки приближена к готовой детали, что снижает трудоемкость последующей обработки резанием.
Формоизменение при свободной ковке происходит вследствие пластического течения металла в направлении перпендикулярном к прилагаемой деформирующей силе. Воздействие на заготовку передается через инструмент (боёк), устанавливаемый в бабе молота или на штоке пресса. Иначе, направление течения металла перпендикулярно деформирующему движению бойка. Течение металла ограничено касательными напряжениями, действующими по контактным поверхностям заготовки, верхнего и нижнего бойков. В ряде случаев течение металла ограничено поверхностью инструмента (подкладной шайбы) или объемом заготовки при прошивке отверстий. Свободной ковкой получают заготовки гладких и ступенчатых тел вращения с прямой, изогнутой осью (валы, диски, зубчатые колеса, коленчатые валы), а также изделий прямоугольного и переменного сечения (шатуны, рычаги, кривошипы, лопатки турбин).
Широкое распространение свободной ковки объясняется рядом преимуществ.
Свободная ковка позволяет повысить качество структуры металла, улучшая эксплуатационные характеристики деталей машин.
Возможно, получать крупные заготовки с улучшенными характеристиками металла, изготовление которых другими способами не возможно или не рационально.
Для изготовления крупных заготовок требуются сравнительно малые усилия, так как обработка выполняется деформированием отдельных участков, а удельные усилия невелики ввиду относительно свободного течения металла.
Применение универсального инструмента и машин с достаточно широкими технологическими возможностями, снижающими затраты на изготовление небольшого числа поковок.
Недостатки свободной ковки ограничивают её применение.
Низкая производительность по сравнению со штамповкой.
Низкая размерная и геометрическая точность, высокая шероховатость и большая глубина дефектного слоя поковок. В связи с этим требуется последующая обработка резанием со значительными припусками.
Необходимость назначения напусков для упрощения процесса ковки сложных поковок.
Технологический процесс свободной ковки предполагает вспомогательные, основные и отделочные операции. Вспомогательные операции подготавливают исходную или промежуточную заготовку для последующего формообразования, которое выполняется на основных операциях. К основным кузнечным операциям относятся: осадка, протяжка, раскатка, прошивка, передача, рубка, гибка и закручивание. Отделочные операции необходимы для повышения геометрической точности поковки после основных операций.
Кузнечная операция характеризуется особенностями пластического течения металла, что определяет вид применяемой вспомогательной и отделочной операции, предварительные размеры заготовки, требуемое усилие деформирования, конструкцию инструмента и технологической оснастки. Для разработки технологического процесса свободной ковки необходимо знать параметры, характеризующие кузнечную операцию.
Для практического освоения и более глубокого понимания теоретических основ обработки металлов давлением студентам предлагается лабораторная работа, посвященная экспериментальному определению силовых зависимостей осадки в плитах.
Осадка в плитах (плоских бойках) наиболее распространенная операция, с которой в большинстве случаев начинается свободная ковка. На протяжении осадки повышается площадь поперечного сечения заготовки, что является причиной увеличения силы деформирования. Требуемое усилие осадки за весь технологический процесс свободной ковки является наибольшим. Если мощность молота или пресса достаточна для осадки до требуемых размеров, тогда возможно выполнение других кузнечных операций технологического процесса получения данной поковки. Поэтому выбор молота или пресса для свободной ковки выполняют по усилию осадки. На практике требуемое усилие осадки определяют по экспериментальным зависимостям, потому что теоретически полученные зависимости, не обеспечивают достаточной точности расчетов и не учитывают в полной мере влияние различных факторов. К этим факторам относятся: трение на контактных поверхностях инструмента и заготовки; внутреннее трение материала заготовки; равномерность прогрева заготовки, скорость деформирования. Зная силовые зависимости осадки, возможно, выделить способы снижения требуемых усилий деформирования.
Осадкой называется кузнечная операция, при которой увеличиваются размеры поперечного сечения исходной заготовки за счет уменьшения её высоты (рис. 5.1-5.3). Деформирование выполняют вдоль оси вертикально установленной заготовки. Скорость течения точек продольного сечения больше, чем поперечного, поэтому, при осадке степень деформации по диаметру меньше, чем по высоте. Диаметр осаженной заготовки определяется на основании закона постоянства объема: при обработке давлением объем металла до деформирования равен объему после деформирования, то есть при пластическом течении металла происходит лишь изменение формы. На основании этого закона, кроме массы и размеров исходной заготовки, определяют размеры ручьев молотовых, подкладных, закрытых штампов и специального кузнечного инструмента (прошивни, разгонные бойки, призмы, подкладные шайбы, кольца для осадки и шайбы для высадки).
До осадки имеем
| (5.1) |
где D, H – соответственно диаметр и высота исходной заготовки (мм).
После осадки имеем
| (5.2) |
где D1,H1 – соответственно диаметр и высота осаженной заготовки (мм).
Приравниваем правые части формулы 5.1 и 5.2 и получаем выражение для определения диаметра поковки после осадки
| (5.3) |
Отношение высоты заготовки к высоте поковки определяет величину деформации и называется величиной осадки
| (5.4) |
где А, А1 – площадь поперечного сечения соответственно исходной и осаженной заготовки (мм).
Степень деформации при осадке (степень осадки) определяется отношением
| (5.5) |
Кроме изменения размеров, при осадке искажается форма продольного и поперечного сечений. Причиной этого являются силы трения на контактных поверхностях заготовки, верхнего и нижнего бойков (рис. 5.4). Закон трения: поверхностное трение из-за шероховатости контактных поверхностей заготовки и бойка (ручья штампа) создает значительное сопротивление пластическому течению металла и приводит к образованию зон затрудненной деформации. Вредное влияние трения снижается за счет смазки, тщательной шлифовки, полировки и скругления контактной плоскости бойка (ручья штампа). Искажение формы подчиняется закону наименьшего сопротивления: пластическое течение металла всегда происходит в направлении наименьшего сопротивления. Направление течения металла, как следует из формулировки закона, совпадает с прямой перпендикулярной стороне поперечного сечения. Внешние точки круглого сечения равноудалены от его центра, линия наименьшего сопротивления совпадает с радиусом, поэтому силы трения по всем направлениям одинаковы, при осадке, круг лишь увеличивается в диаметре. Точки периметра некруглой формы (рис. 5.5) по-разному удалены от центра вписанной окружности, радиус которой перпендикулярен стороне поперечного сечения и указывает направление пластического течения металла. Скорость пластического течения металла на периферийных участках поперечного сечения разная (рис. 5.5), например, углы прямоугольника или треугольника деформируются менее интенсивно, хотя давление, создаваемое бойком, одинаково по всей плоскости контакта. Ближе к центру вписанной окружности, объемы металла в направлении наименьшего сопротивления больше, значит, больше сила деформирования и скорость пластического течения. Как видно из рисунка 5.5, при таком расположении и длине лучей течения металла, сечение должно принять прежнюю угловатую форму. Силы трения по всей плоскости различны, поэтому скорость пластического течения не соответствует длине луча, а стороны сечения выгибаются. Участки, деформирующиеся наиболее интенсивно, увлекают за собой менее поддатливые (углы сечения), поэтому, по мере увеличения степени (величины) осадки, силы трения постепенно уравниваются во всех направлениях, что позволяет получить круг из любой формы поперечного сечения. Если осаживать заготовку прямоугольного сечения, тогда, сначала образуется овальная форма, при увеличении деформации, силы трения выравниваются по всем направлениям – сечение стремится принять круглую форму. Для треугольника свойственно промежуточное образование граненой формы из трех дуг.
На рисунке 5.4 показано деформационное состояние продольного сечения осаживаемой заготовки, которое определяется образованием трех основных зон (областей). Зоны 1 характеризуются затрудненной деформацией, так как объемы находятся в состоянии всестороннего сжатия. Влияние сил трения на скорость течения металла по мере удаления от контактных поверхностей к середине высоты заготовки снижается, что является причиной возникновения области 2, которая интенсивно деформируется в осевом и радиальном направлениях. Зона 3 представляет собой растягивающееся кольцо, здесь наблюдается менее интенсивное течение металла, чем в области 2. С увеличением высоты исходной заготовки расширяется зона 2. При отношении высоты исходной заготовки к её диаметру H/D£2,5 образуется одинарная бочка (рис. 5.1). При отношении H/D>2,5 осаживаемая на прессе заготовка, приобретает форму двойной бочки (рис. 5.3), которая с увеличением степени осадки переходит в одинарную. При отношении H/D³3 возможен продольный изгиб заготовки, который повышает трудоемкость и снижает качество поковки. Наиболее распространена одинарная бочка (рис. 5.1). При слабых ударах молота и неравномерном прогреве заготовки по высоте, пластическая деформация за короткое время удара распространяется в близи контактных поверхностей и не успевает проникнуть к средним слоям металла, поэтому продольное сечение приобретает рюмкообразную форму (рис. 5.2). Сила удара молота зависит от мощности его привода (паровоздушной системы), массы падающих частей (бабы) и высоты свободного падения бойка. Расплющивание с одного торца заготовки также выполнимо при более интенсивном охлаждении заготовки со стороны нижнего бойка (плиты) и большей шероховатости его поверхности.
Осадка применяется в следующих случаях:
- как основная операция для получения поковок фланцев, зубчатых колес, дисков с увеличенными поперечными размерами из прутка (слитка) меньшего сечения;
- как основная операция для увеличения наружного и уменьшения внутреннего диаметров полых поковок колец, муфт перед раскаткой или протяжкой на оправке;
- как предварительная (вспомогательная) операция перед протяжкой слитков для наибольшего разрушения литой дендритной структуры, повышения однородности металла и повышения механических свойств в поперечном и продольном направлениях;
- как вспомогательная операция перед прошивкой для выравнивания торцов исходной заготовки с незначительным деформированием продольного сечения.
|
Рис. 5.1. Схема осадки при получении одинарной бочки |
|
Рис. 5.2. Схема осадки при получении продольного сечения в виде рюмки |
|
Рис. 5.3. Схема осадки при получении двойной бочки |
|
Рис. 5.4. Зоны деформации при осадке |
|
Рис. 5.5. Схема деформации поперечного сечения заготовки при осадке. |
5.3. Порядок выполнения работы
Для достижения поставленной цели лабораторной работы перед студентом ставится ряд задач, последовательное решение которых определяет ход работы. Эксперимент разбит на две части по три опыта в каждой. Первая часть – определение зависимости усилия от высоты осадки. Вторая часть – определение зависимости усилия от диаметра осадки. На основании результатов опытов выводится уравнение усилия осадки.
1. Ознакомиться с теоретической частью работы. Осознать цель и последовательность её достижения.
2. Подготовить три образца из свинца диаметром 20 мм и высотой 30; 40; 50 мм.
3. Подготовить черновик отчета с таблицей 5.1.
4. На основании закона постоянства объема определить высоту H1 каждого образца при осадке до диаметра D1=40 мм. Вычисленные значения занести в таблицу 5.1 отчета.
Таблица 5.1
Экспериментальные данные
№ опыта | Исходные размеры образцов и заданный диаметр осадки | Параметры, вычисленные перед началом опытов | Экспериментальные данные | Параметры, вычисленные на основании экспериментальных данных | |||||
D (мм) | H(мм) | D1(мм) | H1(мм) | Pi(H)* | xi* | x | CHi* | СH | |
1 | 20 | 30 | 40 | 7,5 | P1 | X1 | CH1 | ||
2 | 20 | 40 | 40 | 10 | P2 | X2 | CH2 | ||
3 | 20 | 50 | 40 | 12,5 | P3 | X3 | CH3 |
5. Выполнить осадку образцов до высоты H1, замерить усилие деформирования и занести данные в таблицу 5.1 отчета. В отчете выполнить эскизы трех осаженных образцов.
6. Получить уравнение вида
| (5.6) |
где С – коэффициент, учитывающий механические свойства материала образца и условия трения на контактных поверхностях заготовки и бойка;
x,y – показатели степеней, указывающие влияние соответственно высоты и диаметра осадки на усилие деформирования.
На основании результатов опытов в логарифмической системе координат строим кривые
, отображающие влияние высоты и диаметра на усилие осадки. В логарифмической системе координат данные зависимости имеют линейный характер, поэтому математическое описание каждой кривой имеет вид
| (5.7) |
здесь СH , CD – свободные члены линейной зависимости;
x , y – коэффициенты пропорциональности линейной зависимости.
Если проведено три опыта по определению силы осадки, тогда имеем три точки на логарифмической координатной плоскости, соединенные между собой тремя отрезками. Каждый отрезок имеет свой угол наклона к горизонтальной координатной оси (lgH1 или lgD1). Коэффициент пропорциональности равен тангенсу угла наклона линии, соединяющей точки графика, к горизонтальной оси (lgH1, lgD1). Показатели степеней и значения свободных членов для каждого опыта определяем на основании следующих формул:

|
7. Сделать вывод по результатам проведенных опытов.
5.4. Содержание и оформление отчета
Отчет выполняется на отдельных листах. На титульном листе указываются название и номер лабораторной работы, фамилия студента, номер группы.
Отчет должен содержать:
- цель работы;
- таблицу результатов эксперимента;
- расчеты коэффициента и показателей степеней уравнения силы осадки;
- полученное уравнение силы осадки;
- выводы по работе.
5.5. Контрольные вопросы
1. С чем связано искажение формы продольного сечения осаживаемой заготовки?
2. С чем связано искажение поперечного сечения осаживаемой заготовки?
3. Поясните деформационное состояние продольного сечения осаживаемой заготовки.
4. Поясните законы, по которым происходит пластическое течение металла.
5. Как определить направление наименьшего течения металла?
6. Почему поперечное сечение любой геометрической формы при осадке стремится принять круг?
7. Какие величины характеризуют осадку?
8. Поясните уравнение силы осадки.
9. Почему при осадке заготовка интенсивнее деформируется в продольном направлении, чем в поперечном?
10. Для чего используется осадка?
5.6. Техника безопасности
Перед началом лабораторной работы студент должен пройти инструктаж по технике безопасности.
Лабораторная работа № 6
«Обработка заготовок на сверлильных станках»
6.1. Цель работы
Целью настоящей работы является изучение основных видов работ, выполняемых на сверлильных станках различными осевыми режущими инструментами.
6.2. Теоретическая часть
Сверление – наиболее распространенный метод получения отверстий в сплошном материале. При сверлении главным является вращательное движение, в движении подач – поступательное. Эти движения могут сообщаться как инструменту, так и заготовке. При сверлении на большинстве сверлильных станках оба движения совершает режущий инструмент, а заготовка остается неподвижной. На специальных станках для глубокого сверления сверлу сообщается только поступательное движение подачи, а заготовка совершает вращательное движение.
Существуют следующие типы сверлильных станков: настольно-сверлильные станки; вертикально-сверлильные станки; радиально-сверлильные станки; многошпиндельные сверлильные станки; горизонтально-сверлильные станки и агрегатные станки.
Наибольшее распространение получили вертикально и радиально-сверлильные станки. Вертикально-сверлильные станки предназначены для обработки отверстий в деталях малых и средних размеров массой до 25 кг., с наибольшим диаметром сверления в стали средней прочности 75 мм. У этих станков ось обрабатываемого отверстия совмещается с осью инструмента за счет перемещения заготовки. У радиально-сверлильных станков совмещение осей достигается за счет перемещения шпиндельной головки. Поэтому на этих станках обрабатываются отверстия массовых и крупногабаритных заготовок. У универсальных радиально-сверлильных станков траверса и шпиндельная головка делаются поворотными, что дает возможность устанавливать ось шпинделя под любым углом в пространстве для сверления наклонных отверстий.
В условиях крупносерийного и массового производства применяются многошпиндельные сверлильные станки. Они используются для последовательного сверления отверстий различного диаметра на одной детали или для последовательной обработки одного отверстия несколькими режущими инструментами.
Глубокое сверление осуществляется на горизонтально-сверлильных станках специальным инструментом – сверлами для глубокого сверления с внутренним подводом охлаждающей жидкости. Их диаметр доходит до 25 мм.
Агрегатными называются станки, которые состоят из стандратных нормализованных узлов. Они работают по полуавтоматическому циклу и обработка на них производится одновременно большим количеством разнообразных режущих инструментов с одной, двух или нескольких сторон заготовки.
Там же используются специальные сверлильные станки. специальные станки, полуавтоматы и автоматы служат для ограниченного количества работ, но на них достигается более высокая производительность труда. Переналадка специальных станков почти невозможна и связана с конструктивной переделкой всего станка.
Сверлильные станки в основном предназначены для получения отверстий в сплошном материале или для увеличения имеющихся отверстий, но на них можно производить и другие работы (рис. 6.1):
1. Сверление сквозных (рис. 6.1, б) и глухих (рис. 6.1, а) отверстий в сплошном материале.
2. Рассверливание уже имеющегося отверстия (рис. 6.1, в).
3. Зенкерование отверстия (рис. 6.1, г).
4. Развертывание отверстий цилиндрической (рис. 6.1, д) или конической разверткой (рис. 6.1, е).
5. Цекование торцевой поверхности отверстий торцевым зенкером (цековкой) (рис. 6.1, ж).
6. Зенкование, т. е. получение цилиндрических (рис. 6.1, з) или конических (рис. 6.1, и) углублений в уже имеющихся отверстиях, соответственно цилиндрическим или коническим зенкером.
7. Нарезание резьбы (рис. 6.1, к) метчиком напроход или на части длины отверстия.
8. Получение отверстий сложного профиля (рис. 6.1, л) комбинированным инструментом.
Метод сверления заключается в том, что сверло работает по сплошному материалу и лишь иногда по предварительно обработанному отверстию. В зависимости от назначения сверла по конструкции подразделяются на спиральные, перовые, центровочные сверла для глубокого сверления и другие.
Они изготавливаются из инструментальных сталей, оснащаются пластинками из твердого сплава, а иногда – целиком из твердого сплава. Наиболее широко применяются спиральные сверла. Они изготавливаются в диапазоне 0,1 – 80 мм.
Сверло состоит из рабочей части, шейки, хвостовика и лапки. Сверла малого диаметра изготавливаются с цилиндрическим хвостовиком, а большего с коническим. На рабочей части отличают режущую и направляющую части. Направляющая часть направляет сверло по оси и позволяет осуществлять многократную его переточку. По всей ее длине выполнены узкие направляющие ленточки, которые служат для направления инструмента в отверстии. С целью уменьшения сил трения сверла об обработанную поверхность на направляющей части сверла делается небольшой обратный конус (0,04 – 0,09 мм на 100 мм длины).
Шейка соединяет рабочую часть и хвостовик и служит для вывода шлифовального круга при обработке хвостовика и направляющих ленточек.
Хвостовик служит для закрепления сверла в шпинделе станка, а лапка упором при его выбивании из шпинделя.

Рис. 6.1. Виды работ, выполняемые на сверлильных станках.
Главные функции в процессе резания выполняет рабочая часть, на которой расположены все ее режущие кромки: поперечная режущая кромка, передние и задние поверхности, вспомогательные режущие кромки.
Сверло состоит из двух симметрично расположенных относительно оси режущих зубьев, каждый из которых, по сути, является тем же самым токарным резцом. Поэтому аналогично резцу режущая часть сверла характеризуется передним углом γ, задним углом α, углом при вершине 2γ, углом наклона поперечного режущего лезвия ψ и углом винтовой канавки ω.
Для обработки полученного ранее отверстия применяется зенкерование, которое обеспечивает более высокое качество обработки, чем сверление. В отличие от сверл зенкер имеет три или четыре режущих зуба, на каждом из которых имеется главная и вспомогательная режущие кромки. Наличие большого числа режущих кромок обеспечивает высокую точность обработки по сравнению со сверлением. Припуск под зенкерование оставляют в диапазоне 0,5 – 3,5 мм на сторону.
Развертывание применяется для изготовления наиболее точных отверстий высокой чистоты, предварительно обработанных сверлом и зенкером. Число зубьев у развертки делается четным (6-12) для удобства измерения рабочего диаметра. Чтобы избежать огранку обрабатываемого отверстия, развертки делают с неравномерным угловым шагом, но так, чтобы противоположные зубья попарно лежали в диаметральной плоскости. Припуск на развертывание находится в пределах 0,05 – 0,5 мм.
6.3. Порядок выполнения работы
Для достижения поставленной цели лабораторной работы перед студентом ставится ряд задач, последовательное решение которых определяет ход работы.
1. Ознакомиться с устройством и системой управления сверлильным станком, на котором будет производиться обработка заготовки.
2. Установить и закрепить заготовку в приспособлении.
3. Выбрать необходимый режущий инструмент для обработки отверстия заданного размера, определенной точности и чистоты поверхности.
4. Просверлить отверстие в заготовке.
5. Произвести обработку отверстия зенкером разверткой.
6. Ответить на контрольные вопросы.
Составить письменный отчёт по лабораторной работе.
6.4. Содержание и оформление отчета
Отчет выполняется на отдельных листах. На титульном листе указываются название и номер лабораторной работы, фамилия студента, номер группы.
Отчет должен содержать:
- краткое описание теоретической части с указанием цели работы;
- рисунки поверхностей, которые можно обрабатывать на сверлильных станках;
- классификацию сверлильных станков;
- перечень работ, которые можно выполнять на сверлильных станках;
- эскиз заготовки, обрабатываемой на сверлильных станках.
6.5. Контрольные вопросы
1. Какие основные виды работ выполняются на сверлильных станках?
2. Какие инструменты применяются для обработки отверстий?
3. Какие существуют типы сверлильных станков?
4. За счет чего совмещается ось отверстия с осью инструмента в вертикально-сверлильных и радиально-сверлильных станках?
5. В каком случае применяют многошпиндельные сверлильные станки?
6. На каких станках производят глубокое сверление?
7. Какие станки называют агрегатными?
8. Сколько режущих кромок имеет сверло, зенкер и развертка?
9. Для чего на направляющей части сверла делают обратный конус?
10. Каким инструментом и для чего производят цекование и зенкование?
11. Что обеспечивает получение более точных отверстий зенкование или развертывание и почему?
6.6. Техника безопасности
1. Сверлильный станок должен быть заземлен.
2. Запрещается включать станок и проводить работу без присутствия лаборанта.
3. Одежда не должна иметь частей, которые могли бы быть захвачены вращающимися шпинделем станка.
4. Глаза должны быть защищены очками, а длинные волосы убраны под головной убор.
5. Нельзя убирать стружку незащищенными руками.
Лабораторная работа № 7«Обработка заготовок на станках токарной группы»
7.1. Цель работы
Целью настоящей работы является изучение основных частей токарно-винторезного станка, ознакомление с основными операциями, выполняемыми на этом станке и приобретение практических навыков получения наружных цилиндрических поверхностей точением.
7.2. Теоретическая часть
Станки токарной группы предназначены для обработки наружных и внутренних поверхностей вращения (цилиндрических, конических и фасонных), обработки плоских торцевых поверхностей (подрезание торцев), нарезания резьбы и некоторых других работ. Для обработки отверстий используются сверла, зенкера, развертки и др. для нарезания резьб наряду с резьбонарезными резцами часто используют метчики и плашки.
Главным движением у всех станков токарной группы является вращение заготовки. Движение подачи сообщается режущему инструменту.
Станки токарной группы делят на следующие типы:
1) Токарно-винторезные станки предназначены для обработки тел вращения, на них выполняются все виды токарных работ в условиях единичного и мелкосерийного производства.
2) Лобовые и токарно-карусельные станки предназначены для обработки тяжелых заготовок большого диаметра и малой длины, у которых отношение L/d = 0,3 – 0,7. Лобовые станки конструктивно подобны токарным станкам, но у них отсутствует задняя бабка. заготовки закрепляются в планшайбах, диаметр которых составляет 1000 – 4000 мм. Обработка производится инструментами, закрепленными в резцедержателе суппорта.
Карусельные станки характеризуются наличием круглого горизонтального стола-планшайбы с вертикальной осью вращения. благодаря этому облегчаются установка, выверка и закрепление тяжелых заготовок.
3) Многорезцовые токарные станки применяются для обработки заготовок, на которых возможно одновременная обработка поверхностей резцами в условиях крупносерийного и массового производства. Они работают по полуавтоматическому циклу и имеют один или два передних или два задних суппорта. На каждом из суппортов одновременно крепят по несколько резцов. Передние суппорты имеют продольную подачу, задние – поперечную.
4) Токарно-револьверные станки предназначены для обработки деталей-тел вращения, имеющих отверстия, расположенных на оси и требующих многоинструментальной обработки различными режущими инструментами. В отличии от токарно-винторезных станков они вместо задней бабки имеют револьверный суппорт, имеющий механическую продольную подачу и несущий поворотную револьверную головку. В гнездах револьверной головки устанавливают все необходимые для обработки инструменты (резцы, сверла, зенкеры, метчики и т. д.), которые вводят в работу последовательно или параллельно.
5) Токарные автоматы и полуавтоматы применяются для обработки заготовок при крупносерийном и массовом производствах. автоматами называют станки, на которых после их настройки обработка производится без участия рабочего, а полуавтоматами-станками, - у которых автоматизированы все движения, кроме установки заготовки и снятия готовых деталей.
Токарные автоматы и полуавтоматы подразделяются на одно - и многошпиндельные. Одношпиндельные токарные автоматы подразделяются на револьверные, фасонно-отрезные и продольно-фасонного точения. Многошпиндельные токарные автоматы подразделяются на многопозиционные и отрезные.
6) Специализированные токарные станки применяются для обработки определенных деталей (труб, муфт, коленчатых валов и т. д.). на этих станках обрабатывают детали одного наименования, сходные по конфигурации, но разных типоразмеров.
7) Специальные токарные станки служат для обработки деталей одного типоразмера или для обработки одной определенной поверхности. Они используются в массовом и крупносерийном производствах.
8) Токарные станки с числовым программным управлением наиболее перспективны для автоматизации производства при мелкосерийном выпуске продукции и являются основным типом станков, предназначенных для построения гибких автоматических производств.
Токарно-винторезный станок состоит из узлов, обозначенных на рис. 7.1. Станина с горизонтальными направляющими служит для монтажа узлов станка и установлена на двух тумбах. В передней тумбе смонтирован электродвигатель главного привода станка, в задней тумбе – бак для смазочно-охлаждающей жидкости и насосная станция для ее подачи в зону резания. В передней бабке находится коробка скоростей и шпиндель станка. На шпинделе закрепляются зажимные приспособления для закрепления заготовки и передачи ей вращения. На лицевой стороне передней бабки расположена панель управления механизмами и передачами коробки скоростей. Коробку передач крепят к лицевой стороне станины; и ее назначение – придавать суппорту с резцами, установленными в резцедержателе, разные скорости перемещения. Задняя бабка имеет выдвижной вал-пиноль. В пиноль вставляется либо центр, необходимый для поджатия с торца длинных деталей, либо режущий инструмент (сверло, зенкер и др.). Задняя бабка перемещается по продольным направляющим, по которым перемещается и фартук суппорта. Срезанная стружка падает и собирается в корыте станка.

Рис. 7.1. Сборочные единицы (узлы) и механизмы токарно-винторезного станка:
1 – передняя бабка, 2 – суппорт, 3 – задняя бабка, 4 – станина, 5 и 9 – тумбы, 6 – фартук, 7 – ходовой винт, 8 - ходовой валик, 10 – коробка подач, 11 – гитары сменных шестерен, 12 – электро-пусковая аппаратура, 13 – коробка скоростей, 14 – шпиндель.
Наиболее характерной операцией для токарных станков является обточка цилиндрической поверхности, которая выполняется токарным проходным резцом.
В зависимости от выполняемой операции, шероховатости поверхности, особенностей конфигурации детали токарные проходные резца бывают:
1) Прямые, предназначенные для обработки цилиндрического валика, не имеющего буртика.
2) Упорные – для обтачивания участка валика определенной длины до упора в торец с подрезкой торца.
3) Отогнутые, могут выполнять две операции: подрезку торца при работе с поперечным перемещением и обточку цилиндрической поверхности этой же детали при работе с продольным перемещением.
Широкие – для чистовой обточки с малой глубиной резания.
Также на токарном станке резцами можно получить следующие поверхности: наружную цилиндрическую и коническую, цилиндрическую внутреннюю, резьбовую внутреннюю и наружную, фасонную, сферическую, торцевую, кольцевую канавку, канавочную внутреннюю.
Для получения вышеперечисленных поверхностей в соответствии с видом токарной обработки применяют следующие типы резцов: токарный проходной, упорный, подрезной, фасочный, канавочный отрезной, резьбовой, фасонный и расточной.
7.3. Порядок выполнения работы
Для достижения поставленной цели лабораторной работы перед студентом ставится ряд задач, последовательное решение которых определяет ход работы.
1. Ознакомиться с устройством и системой управления токарно-винторезным станком.
2. Установить и закрепить заготовку.
3. Выбрать и установить режущий инструмент для обточки наружной цилиндрической поверхности.
4. Проточить и измерить поясок детали.
5. Откорректировать наладку и произвести обработку заданной поверхности заготовки.
6. Снять со станка обработанную деталь и инструмент.
7. Ответить на все вопросы отчета.
Составить письменный отчёт по лабораторной работе.
7.4. Содержание и оформление отчета
Отчет выполняется на отдельных листах. На титульном листе указываются название и номер лабораторной работы, фамилия студента, номер группы.
Отчет должен содержать:
- краткое описание теоретической части с указанием цели работы;
- эскиз закрепления детали на станке с указанием направлений вращения детали и перемещения резца;
- классификацию станков токарной группы;
- перечень работ, которые можно выполнять на станках токарной группы.
7.5. Контрольные вопросы
1. Какие виды работ выполняются на станках токарной группы?
2. Какие существуют типы станков токарной группы?
3. Назначение токарно-винторезного станка?
4. Назначение лобовых и токарно-карусельных станков?
5. Назначение многорезцовых токарных станков?
6. Назначение токарно-револьверных станков?
7. Назначение токарных автоматов, полуавтоматов?
8. Назначение специальных и специализированных токарных станков?
9. Из каких основных узлов состоит токарно-винторезный станок?
10. Какие существуют типы токарных резцов и для каких операций они предназначены?
11. Какие поверхности на токарном станке модно получить резцами?
7.6. Техника безопасности
1. Станок должен быть заземлен.
2. Запрещается включать станок и проводить работу без присутствия лаборанта.
3. Одежда не должна иметь частей, которые могли бы быть захвачены вращающимися деталями станка.
4. Зона резания должна быть прикрыта защитным кожухом.
5. Нельзя убирать стружку незащищенными руками.
Лабораторная работа № 8
«Обработка заготовок на станках фрезерной группы»
8.1. Цель работы
Целью настоящей работы является изучение возможностей оборудования, инструмента и оснастки для фрезерной обработки.
8.2. Теоретическая часть
Окончательную форму и размеры большинства деталей машин получают после обработки резанием, потому что технологические процессы заготовительного производства не позволяют получить изделие требуемого качества при меньших затратах времени и средств. В зависимости от требований точности размеров и шероховатости поверхности детали назначается величина удаляемого припуска, которая учитывается при проектировании заготовки.
В зависимости от формы поверхностей и особенностей конструкции детали для получения точности и шероховатости, заданной чертежом, выбираются станки, инструменты, приспособления и последовательность выполнения операций технологического процесса обработки резанием. Технология обработки резанием составляется на основании оборудования, инструмента и оснастки, для чего инженеру особенно важно знать их возможности. В серийном производстве стремятся снизить затраты на изготовление, поэтому применяемое оборудование, инструмент и оснастка должны быть универсальны. В крупносерийном и массовом производствах стремятся повысить производительность, поэтому используют специальное оборудование, инструмент и оснастку для каждой операции технологического процесса. В последнее время наиболее широкое распространение получило серийное производство.
Фрезерование является методом механической обработки, при котором многолезвийный инструмент, вращаясь, совершает главное движение резания, а заготовка выполняет поступательное движение подачи. Конструкция фрезы предопределяет прерывистый характер резания, при котором, припуск удаляется в виде отдельных слоев металла. Фрезерованием получают плоские и криволинейные поверхности. В серийном производстве наибольшее распространение получили горизонтально - и вертикально - фрезерные консольные станки. Шпиндель горизонтально-фрезерного станка смонтирован в станине и расположен параллельно основанию. На шпинделе крепится инструментальная оправка, на которой устанавливается фреза. На верхней части станины расположен хобот, по направляющим которого перемещается подвеска, поддерживающая свободный конец оправки. Ниже шпинделя на станине имеются вертикальные направляющие, по которым перемещается консоль при вертикальной подаче заготовки. На консоли расположены поперечные салазки, при перемещении которых по поперечным направляющим станины реализуется поперечная подача заготовки. На салазках есть продольные направляющие по которым перемещается стол и выполняется продольная подача заготовки. Стол имеет поворотную часть. Консоль размещает внутри себя коробку подач. В направлении подач возможны установочные перемещения при настройке станка. Вертикально-фрезерный консольный станок имеет вертикально расположенную ось вращения шпинделя. По коническому отверстию шпинделя устанавливается оправка с фрезой. Вертикально-фрезерные станки удобны для контурной обработки криволинейных поверхностей (ручей штампа, полость прессформы, кулачки).
Для закрепления заготовки на столе станка применяют универсальные поворотные тиски, либо универсальные прихваты. Для фрезерования впадин зубчатых колес, шлиц и винтовых канавок используют делительную головку. В случае фрезерования винтовой канавки, шпиндель делительной головки соединяется с ходовым винтом продольной подачи через гитару сменных зубчатых колес.
Фрезы классифицируют по назначению и конструкции. Для обработки горизонтальных плоскостей используют цилиндрические и торцовые фрезы. Торцовые фрезы обеспечивают большую производительность и лучшее качество обработки, чем цилиндрические. Цилиндрические фрезы применяют только на горизонтально-фрезерных станках. Наклонные плоскости обрабатывают угловыми фрезами, хотя возможно использование концевых и торцовых с установкой заготовки на поворотном столе. Для формирования пазов и уступов применяют концевые, дисковые трех - и двухсторонние фрезы. Для Т-образного паза и "ласточкиного хвоста" используют сначала дисковую фрезу, а затем, соответственно Т-образную и концевую одноугловую фрезы. Шпоночный паз в сплошном материале обрабатывается шпоночной фрезой, имеющей возможность врезаться в осевом направлении. Если паз открытый, его выгоднее обрабатывать дисковой трехсторонней фрезой, так как у ней больше зубьев и выше производительность, чем у шпоночной или концевой. Полуоткрытый паз фрезеруют концевой фрезой. Концевая фреза имеет центровое отверстие со стороны рабочего торца, поэтому она не может врезаться в направлении своей оси вращения. Шпоночная фреза имеет перемычку, благодаря которой, она врезается в сплошной материал, как сверло. Разное число зубьев концевой и шпоночной фрез определяет разную производительность. Выпуклые и вогнутые фасонные фрезы используют для обработки соответствующих криволинейных профилей.

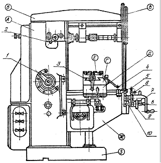
Рис. 8.1. Внешний вид станка модели 6Н81.
Основные узлы станка
А – станина с коробкой скоростей и шпиндельным узлом (рис. 3.5);
Б – хобот с подвесками;
В – дополнительная связь консоли с хоботом;
Г – поворотная часть стола;
Д – поперечные салазки;
Е – стол;
Ж – консоль с коробкой подач;
3 – основание с резервуаром для охлаждающей жидкости.
Органы управления
1 – рукоятка переключения коробки скоростей;
2 – рукоятка включения перебора шпинделя;
3 – рукоятка ручного продольного перемещения стола;
4 – рукоятка управления продольной подачей стола;
5 – рукоятка управления поперечной подачей;
6 – рукоятка управления вертикальной подачей;
7 – рукоятка ручного вертикального перемещения стола;
8 – рукоятка ручного поперечного перемещения стола;
9 – маховичок переключения коробки подач;
10 – рукоятка переключения перебора коробки подач.
8.3. Порядок выполнения работы
Для достижения поставленной цели лабораторной работы перед студентом ставится ряд задач, последовательное решение которых определяет ход работы.
1. Ознакомиться с устройством и системой управления фрезерным станком, на котором будет производиться обработка детали.
2. Выполнить эскиз, поясняющий конструкцию станка с изображением основных узлов, органов управления, направлений формообразующих и вспомогательных движений.
3. Установить и закрепить заготовку в приспособлении.
4. Выбрать необходимый режущий инструмент для обработки заданной поверхности.
5. Фрезеровать поверхность детали.
6. Ответить на контрольные вопросы.
Составить письменный отчёт по лабораторной работе.
8.4. Содержание и оформление отчета
Отчет выполняется на отдельных листах. На титульном листе указываются название и номер лабораторной работы, фамилия студента, номер группы.
Отчет должен содержать:
1. Цель работы;
2. Эскиз станка и его описание;
3. Рисунки поверхностей, которые можно обрабатывать на фрезерных станках;
4. Классификацию фрезерных станков и работы, которые можно выполнять на фрезерных станках.
8.5. Контрольные вопросы
1. Какие основные виды работ выполняются на фрезерных станках?
2. Какие существуют типы станков фрезерной группы?
3. Типы фрез?
4. Из каких основных узлов состоит фрезерный станок?
5. Какие приспособления применяют на фрезерных станках?
8.6. Техника безопасности
1. Станок должен быть заземлен.
2. Запрещается включать станок и проводить работу без присутствия лаборанта.
3. Одежда не должна иметь частей, которые могли бы быть захвачены вращающимися деталями станка.
4. Перед началом лабораторной работы студент должен пройти инструктаж по технике безопасности.
Список использованной литературы
1. , , «Технология конструкционных материалов». – М: Машиностроение, 2004 г. – 512 с.
2. , «Технология конструкционных материалов и материаловедение». М: Высшая школа, 1990 г. – 446 с.
3. «Технологические процессы в машиностроении». М: Высшая школа, 2007 г. – 927 с.
4. , «Технологические процессы в машиностроении». Старый Оскол «ТНТ», 2010 г – 523 с.
5. , , «Технологические процессы машиностроительного производства». М: Учебная литература, 2010 г. в 3-х т.









