ФЕДЕРАЛЬНОЕ АГЕНСТВО ПО ОБРАЗОВАНИЮ
Государственное образовательное учреждение высшего профессионального образования
«ТОМСКИЙ ПОЛИТЕХНИЧЕСКИЙ УНИВЕРСИТЕТ»
_____________________________________________________________________________
УТВЕРЖДАЮ
Директор ИДО
_____________ C. И. Качин
«___»____________2008 г.
ПРОГРАММНОЕ ОБЕСПЕЧЕНИЕ
ЗАДАЧ ЭЛЕКТРОСНАБЖЕНИЯ
Рабочая программа, методические указания и контрольные задания
для студентов специальности 140211 «Электроснабжение»,
Института дистанционного образования.
Семестр | 10 | 11 |
Лекции, часов | 2 | 6 |
Лабораторные занятия, часов | 4 | |
Контрольная работа | 1 | |
Самостоятельная работа, часов | 132 | |
Формы контроля | экзамен |
Томск 2008
УДК 628.352
Программное обеспечение задач электроснабжения: рабочая программа, метод. указ. и контр. задания для студентов спец. 140211 «Электроснабжение» ИДО / Сост. . – Томск: Изд. ТПУ, 2008. – 16 с.
Рабочая программа, методические указания и контрольные задания рассмотрены и рекомендованы к изданию методическим семинаром кафедры «Электроснабжение промышленных предприятий»
16 февраля 2008 г.
Зав. кафедрой, профессор, д. т.н. _________________
Аннотация
Рабочая программа, методические указания и контрольные задания по дисциплине «Программное обеспечение задач электроснабжения» предназначены для студентов специальности 140211 «Электроснабжение» ИДО. Данная дисциплина изучается один семестр.
Рабочая программа включает в себя основные сведения о принципах построения систем электроснабжения с жесткой и гибкой логикой управления.
Приведено содержание основных тем дисциплины, указан перечень лабораторных занятий. Приведены варианты заданий для контрольной работы. Даны методические указания по выполнению контрольной работы.

1.ЦЕЛИ И ЗАДАЧИ УЧЕБНОЙ ДИСЦИПЛИНЫ
Дисциплина «Программное обеспечение задач электроснабжения» ориентирована на изучение микро-ЭВМ, как объекта управляющего технологическим процессом. Применение методов и технических средств обработки информации цифровой вычислительной техникой при ее микропроцессорной реализации привело к созданию автоматических комплексов противоаварийного управления, программно выполняющих функции традиционных автоматических устройств релейной защиты и собственно противоаварийной автоматики. Они являются интеллектуальными техническими средствами с присущими микропроцессорной технике информационными свойствами и сервисными функциями, существенно повышающими эффективность автоматического управления.
В результате изучения дисциплины студенты должны знать:
· принципы построения и методы расчета жестко/гибко запрограммированных устройств управления;
· состав и принцип действия типовых микропроцессорных комплектов;
· физические процессы, происходящие в системах управления, понимать назначение и выполнение функций отдельных узлов микро-ЭВМ;
· условные, буквенные и графические обозначения элементов и устройств систем автоматики.
В результате изучения дисциплины студенты должны уметь:
· составлять структурные и функциональные схемы устройств автоматики на базе интегральных микросхем и микропроцессоров;
· программировать на языках высокого и низкого уровней;
· правильно применять и эксплуатировать технические средства как локальной, так и системной автоматизации управления энергоснабжением;
· использовать стандартную терминологию.
Теоретической базой дисциплины «Программное обеспечение задач электроснабжения» являются дисциплины «Теоретические основы электротехники», «Электроснабжение промышленных предприятий», «Системы автоматического управления энергетическими объектами предприятий», «Промышленная электроника» и «Релейная защита и автоматика».
В свою очередь, знания, полученные при изучении дисциплины «Программное обеспечение задач электроснабжения», используются при изучении специальных дисциплин, преподаваемых на старших курсах.
Дисциплина «Программное обеспечение задач электроснабжения» разбита на 2 темы. Для овладения теоретическими знаниями и практическими навыками предлагаются литература и методические указания, контрольные вопросы по каждой теме, контрольные задания и лабораторные работы на компьютере-тренажере.
2. СОДЕРЖАНИЕ ТЕОРЕТИЧЕСККОГО РАЗДЕЛА ДИСЦИПЛИНЫ
Тема 1. Особенности и задачи противоаварийного управления электроснабжения промышленного предприятия
Предмет дисциплины и ее задачи.
Возмущающие воздействия на электроэнергетические системы и управляющие противоаварийные воздействия. Основные функции и особенности противоаварийных устройств. Назначение и виды противоаварийной автоматики. Теория графов. Жесткая логика управления (автомат Мура).
Рекомендуемая литература: [1, 2, 4, 9].
Вопросы для самопроверки
1. В чем отличие жесткой и гибкой логики управления систем электроснабжения?
2. Какими автоматическими устройствами производятся управление нормальными режимами работы системы электроснабжения
3. Какова роль микропроцессорной вычислительной техники в совершенствовании автоматических устройств противоаварийной автоматики?
4. В чем состоит особенность программной продольной токовой защиты трансформатора, реализуемой микропроцессорными автоматическими устройствами?
5. Каковы цели и задачи теории графов?
6. Каково назначение логической части автоматических устройств электроэнергетических систем?
Тема 2. Микропроцессорные комплекты
Структура элементарного микропроцессора на примере микропроцессорного комплекта серии К1804. Использование указателя стека, программирование микропроцессора. Классификация микропроцессоров (МП). Организация логической структуры МП. Управление виртуальной памятью, защита информации в памяти. Особенности программного и микропрограммного управления операциями. Функционирование логических блоков прерывания работы МП. Виды запросов на прерывания
Рекомендуемая литература: [2, 5, 7].
Вопросы для самопроверки
1. Каковы принципы классификации микропроцессоров?
2. Почему сдвиги относятся к разряду операций над двоичными аргументами?
3. Поясните функционирование секции управления адресом микрокоманды?
4. В чем различие виртуальных и физических адресов?
5. С какой целью используется стек?
6. В чем отличие маскируемых и немаскируемых прерываний?
3. СОДЕРЖАНИЕ ПРАКТИЧЕСКОГО РАЗДЕЛА ДИСЦИПЛИНЫ
3.1. Перечень лабораторных работ
Содержание лабораторного практикума имеет целью ознакомление со SCADA системой ТРЕЙС МОУД.
1. Пример использования объектно-ориентированного программирования (4 часа).
4. КОНТРОЛЬНАЯ РАБОТА
4.1. Общие методические указания
Рассмотрим упрощенную схему сверлильного станка рис.1 [1], которая содержит:
Командные аппараты:
· SW – переключатель режимов ручной/автоматический;
· SA – пуск автоматически;
· SV – ход вперед со скоростью подачи;
· SR – ход назад со скоростью подачи.
Конечные выключатели:
· S1 – деталь закреплена;
· S2 – стол в исходном состоянии;
· S3 – переключение ускоренный ход/рабочая скорость подачи;
· S4 – заданная глубина сверления достигнута;
· S5 – ограничение перемещения.
Исполнительные органы:
· Q1 – защита перемещения стола вперед;
· Q2 – защита перемещения стола назад;
· Q3 – защита двигателя шпинделя;
· Y1 – муфта ускоренного хода;
· Y2 – муфта подачи.
Индикация: HV – прямой ход стола; HR – обратный ход стола; HB – двигатель шпинделя включен.
Сигналы:
– переменные обратной связи;
– управляющие переменные;
– информационные переменные;
– задающие величины.

Возможны два режима работы – автоматический и ручной (при условии личной ответственности рабочего). Режим работы устанавливается переключателем SW. Для того чтобы начать работу в автоматическом режиме при условии, что стол находится в исходном положении (S2 = 1), а деталь закреплена (S1 = 1), необходимо нажать на пусковую кнопку SA. При этом стол сначала перемещается ускоренным ходом вправо. Как только деталь оказывается непосредственно перед столом, конечный выключатель S3 производит переключение с ускоренного хода на рабочую скорость подачи и начинает работать шпиндель. Начинается процесс сверления.

Срабатывание конечного выключателя S4 говорит о том, что заданная глубина сверления достигнута, и привод подачи отключается.
Через определенный промежуток времени TW стол станка ускоренным ходом возвращается в исходное состояние. При замыкании контактов конечного выключателя S3 привод шпинделя отключается.
В ручном режиме с помощью кнопок SV и SR должен осуществляться стартстоповый (толчковый) режим перемещения стола подачи.
В обоих режимах работы рабочие состояния «Перемещение стола вперед», «Возврат стола в исходное состояние», «Работа сверла» должны быть отображены световыми индикаторами HV, HR и HB.
Функционально содержание автоматического и ручного режимов отражено на рис.2а и в таблице состояний процесса рис.2б. Эти материалы дают основу для проектирования жестко запрограммируемого управляющего устройства или системы с программным управлением.
Операционный блок строят в форме, например, автомата Мура и к нему подключают в виде отдельного элемента реле времени, необходимое для задания времени ожидания TW.
Необходимые элементы для согласования уровней сигнала на входе и выходе системы формирования сигналов, фильтры, аварийный выключатель, «обнуление», памяти при включенном управляющего устройства, остаются сначала неучтенными, пока они не реализуют логических операций.
В начале программирования следует произвести кодирование исходных состояний управляющего устройства – в графе последовательного выполнения программы (рис.2а) состояниям A0 – A7 следует поставить в соответствие двоичные элементы памяти и отдельные состояния обозначить в соответствии с распределением памяти.
Если N – число состояний то
,
где n – число элементов памяти.
В дальнейшем элементы памяти обозначаются как
.
С целью снижения затрат на проектирование следует применять такой код, который имеет минимальное число изменяемых двоичных разрядов при переходе от одного кодового слова к другому. Этому требованию наилучшим образом удовлетворяет код Грея [2].
Для автомата Мура символом A0 отмечается начальная и конечная вершина графа, при этом целесообразно состоянию покоя назначить нулевой адрес
(таблица 1).
На следующем этапе проектирования, исходя из графа рис.2а, вычерчивается автоматный граф рис.3. В его узлах записываются обозначения исходных состояний и соответствующие им коды, определенные в таблице 1. Данная комбинация двоичных разрядов соответствует значениям переменных
запоминающего устройства, как указано в узле A5.
Таблица 1
Состояние вспомогательных устройств и устройств индикации | Распределение памяти | |||||||||||
Q1 | Q2 | Q3 | Y1 | Y2 | TW | HV | HR | HB | q2 | q1 | q0 | |
A0 | 0 | 0 | 0 | 0 | 0 | 0 | 0 | 0 | 0 | 0 | 0 | 0 |
A1 | 1 | 0 | 0 | 1 | 0 | 0 | 1 | 0 | 0 | 0 | 0 | 1 |
A2 | 1 | 0 | 1 | 0 | 1 | 0 | 1 | 0 | 1 | 0 | 1 | 1 |
A3 | 0 | 0 | 1 | 0 | 0 | 1 | 0 | 0 | 1 | 0 | 1 | 0 |
A4 | 0 | 1 | 1 | 1 | 0 | 0 | 0 | 1 | 1 | 1 | 1 | 0 |
A5 | 0 | 1 | 0 | 1 | 0 | 0 | 0 | 1 | 0 | 1 | 1 | 1 |
A6 | 0 | 1 | 0 | 0 | 1 | 0 | 0 | 1 | 0 | 1 | 0 | 1 |
A7 | 1 | 0 | 0 | 0 | 1 | 0 | 1 | 0 | 0 | 1 | 0 | 0 |

На ветвях графа указаны весовые функции
. Там же отмечается, какой элемент памяти
при переходе из одного состояния в другое устанавливается
или сбрасывается
.
Для весовых функций ветвей
, необходимых для составления условий установки и сброса, из рис.2а следуют выражения:







а для весовых функций
собственных контуров (петель) имеем:




Весовые функции
должны быть определены, если намереваются проверить автоматический граф на полноту и непротиворечивость. Для дальнейшего проектирования они не используются, потому что они не несут информации о функциях установки и сброса элементов памяти.
Проверка осуществляется для каждого состояния отдельно на основе следующих критериев.
Полнота; дизъюнкция весовых функций всех ветвей, исходящих из узла, должна давать 1.
Непротиворечивость: попарная конъюнкция весовых функций всех ветвей исходящих из узла, должна давать 1. Например, для состояния А6:
при проверке на полноту:

при проверке на непротиворечивость:

После того как автоматический граф составлен (рис.3), на его основе определяют функции установки и сброса для памяти управляющего устройства. В качестве элементов памяти можно применять двухступенчатые триггеры или триггеры, управляемые фронтом [3]. В данном случае использованы двухступенчатые JK – триггеры. Благодаря этому можно определять указанные функции для
и
, где
и
обозначают сигналы установки и сброса для - го JK-триггера, на выходе которого появляется сигнал
. Комбинация сигналов
, т. е. работа элементов памяти в качестве делителя частоты, при этом заранее исключается.
Функция установки
для элемента памяти
получается из логической функции всех членов, которые содержат в качестве логических сомножителей весовую функцию, значение 1 которой вызывает установку элемента памяти
, и кодовое состояние из которого исходит соответствующая ветвь:



Функция установки
для элемента памяти
получается из логической функции всех членов, которые содержат в качестве логических сомножителей весовую функцию, значение 1 которой вызывает сброс элемента памяти
, и кодовое состояние из которого исходит соответствующая ветвь:



На следующем рабочем шаге определяются выходные функции. Из таблицы 1 имеем:







Необходимость минимизации последних выражений зависит от того, какие элементы используются для построения логики вывода. Так, например, при использовании дешифратора – демультиплексора «3 линии на 8» от минимизации можно отказаться.
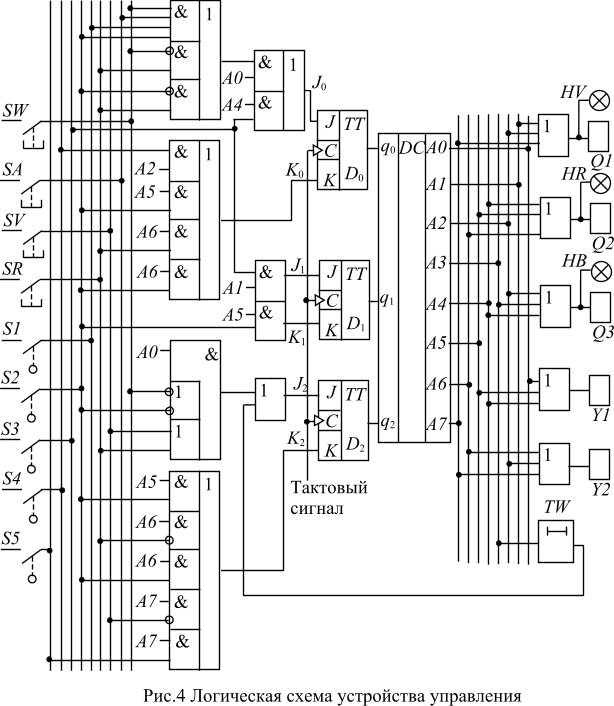
На основе выражений для
,
и учитывая значения выходных функций можно разработать техническую структуру управляющего устройства, используя реальную элементную базу рис.4.
Полученная схема в ходе последующего проектирования дополняется блоками, оговариваемыми в перечне дополнительных условий.
4.2. Варианты контрольных заданий и методические указания
По курсу «Программное обеспечение задач электроснабжения» предусмотрено выполнение 1 контрольного задания. К выполнению контрольного задания следует приступить только после изучения соответствующих тем и материала по курсу. Выполняя контрольное задание, студент приобретает навыки работы с научно-технической литературой и самостоятельной инженерной работы.
При выполнении контрольного задания должны быть соблюдены следующие обязательные условия:
1. Номер варианта YY контрольного задания определяется последними двумя цифрами XX личного дела студента (при не соответствии, пользуемся формулой 14+YY=XX).
2. К решению задач должны быть даны краткие пояснения, свидетельствующие о сознательном применении каждой расчетной зависимости.
К сдаче зачета студент допускается только при наличии допуска по контрольному заданию и лабораторным работам.
Задача №1
Для процесса пуска высоковольтного (6 кВ) двигателя от сети бесконечной мощности (рис.5), в соответствии с заданным вариантом (таблица 2):
Таблица 2
№ | Тип электродвигателя | Тип высоковольтного выключателя |
1 | АКСБ – 15 – 44 – 6УХЛ2 | масляный |
2 | АКСБ – 15 – 54 – 6УХЛ2 | маломасляный |
3 | АКСБ – 15 – 69 – 6УХЛ2 | элегазовый |
4 | АОК2 – 560 | |
5 | АОК2 – 630 | масляный |
6 | АК4 P = 400 кВт | маломасляный |
7 | АК4 P = 1000 кВт | элегазовый |
8 | АДО P = 1250 кВт | вакуумный |
9 | АДО P = 3150 кВт | масляный |
10 | СДК2 – 16 – 24 – 10КУ4 | маломасляный |
11 | СДК2 – 17 – 29 – 14КТ4 | элегазовый |
12 | СДК2 – 16 – 36 – 12КУ4 | вакуумный |
13 | СДКП2 – 17 – 31 – 12КУХЛ4 | масляный |
14 | СДКМ2 – 16 – 24 – 12КУХЛ4 | маломасляный |
· составить граф последовательного выполнения команд и таблицу состояния процесса (рис.2);
· представить автоматный граф (рис.3):
· рассчитать и построить логическую схему устройства управления пуска двигателя с обязательным учетом особенностей машины [6, 8];
· представить схемную реализацию работы логического устройства, реализованную в среде Workbench (управляющие воздействия представить как входные): [3];
· осуществить выбор высоковольтного выключателя, кабельной линии и устройств защиты с проведением поверочного расчета [6, 9].
Структурная схема пуска высоковольтного двигателя (рис.5) содержит следующую информацию. Исполнительные органы:
· М – трехфазный асинхронный двигатель с фазным ротором;
· М1 – привод масляного насоса системы принудительной смазки;
· М2 – сервопривод устройства замыкания ротора накоротко и подъема щеток (УЗЩ);
· М3 – привод вентилятора для форсированного воздушного охлаждения асинхронного двигателя;
· М4 – сервопривод для управления пусковым реостатом;
· R – пусковой реостат;
· Q – силовой выключатель.
· Управляющие сигналы:
·
/
– включить/выключить силовой выключатель;
·
– включить/выключить привод масляного насоса;
·
/
– включить/выключить УЗЩ;
·
– включить/выключить привод вентилятора;
·
– включить/выключить привод пускового реостата (прямо ход);
·
– включить/выключить привод пускового реостата (обратный ход).
Сигналы обратной связи:
·
– состояние силового выключателя (вкл/выкл);
·
– напряжение сети;
·
– состояние защиты от перегрузок;
·
– состояние защиты от КЗ;
·
– режим работы масляного насоса;
·
– давление масла;
·
– температура подшипников;
·
– температура обмотки;
·
– режим работы привода вентилятора;
·
– воздушный поток;
·
– сопротивление изоляции;
·
– щетки подняты, ротор замкнут накоротко;
·
– пусковой реостат в конечном положении (R=0);
·
– пусковой реостат в исходном положении.
Двигатель снабжен системой принудительной вентиляции и масляным насосом для системы смазки. В двигателе имеется устройство для замыкания щеток накоротко и щеткоподъемный механизм (УЗЩ), а также пусковой реостат R. Предусмотрен контроль времени разгона двигателя.
Процесс пуска завершается за 7 шагов. Сначала по команде «Пуск» включается вентилятор и масляный насос (шаг 1). Как только получены сообщения об этом и информация о напряжении сети, состоянии устройств защиты, подаче воздуха для охлаждения, давлении масла, температуре подшипников и обмоток, сопротивлении изоляции, положении щеток и пускового реостата, включается силовой выключатель Q, и подается сигнал «Пуск начат» (шаг 2). После включения силового выключателя (шаг 3) устанавливается время ожидания
c и начинается время контроля пуска
мин. По истечении времени ожидания
включается сервопривод пускового реостата и начинается отсчет времени наблюдения
с (шаг 4). Если пусковой реостат находится в конечном положении, сервопривод отключается, ротор замыкается накоротко и щетки поднимаются (шаг 5). Если об этом поступило сообщение, пусковой реостат переводится в исходное положение и наблюдение прекращается (шаг 6). Как только пусковой реостат займет исходное положение, на последнем шаге (шаг 7) отключается сервопривод пускового реостата, время слежения за пуском обнуляется и подается сигнал «Пуск окончен».
5. УЧЕБНО-МЕТОДИЧЕСКОЕ ОБЕСПЕЧЕНИЕ ДИСЦИПЛИНЫ
5.1. Литература обязательная
1. Автоматизированные электроприводы. – Л.: Энергоатомиздат, 1985 – 464 с.
2. Основы цифровой электроники. – М.: Мир, 1988. – 392 с.
3. Карлащук лаборатория на IBM PC. Программа Electronics Workbench и ее применение. – М. «Солон-Р», 2001, - 726 с.
4. Овчаренко электрических станций и электроэнергетических систем. – М.: Изд-во НЦ ЭНАС, 2001. – 504 с.
5. Мик Дж., Бриг Дж. Проектирование микропроцессоров устройств с разрядно - модульной организацией. В 2-х кн. - М.: Мир, 1984.
5.2. Литература дополнительная
6. http://www. *****
7. Шахнов и микропроцессорные комплекты интегральных микросхем: Справочник в 2 - х. т. - М.: Радио и связь, 1989
8. Копылов по электрическим машинам. В 2 т.– Т.1 – М.: Энергоатомиздат, 1988 – 456 с.
9. Рожкова станций и подстанций. – М.: Энергоатомиздат, 1987. – 648 с.
ПРОГРАММНОЕ ОБЕСПЕЧЕНИЕ
ЗАДАЧ ЭЛЕКТРОСНАБЖЕНИЯ
Рабочая программа, методические указания и контрольные задания
Составитель: Евгений Алексеевич Шутов
Рецензент: , к. т.н., доцент, кафедры ЭСВТ ЭЛТИ
Подписано к печати Формат 60х84/16. Бумага «Классика». Печать RISO. Усл. печ. л. 0,93. Уч.-изд. л. 0,84. Заказ . Тираж экз. | ||
| Томский политехнический университет Система менеджмента качества Томского политехнического университета сертифицирована NATIONAL QUALITY ASSURANCE по стандарту ISO 9001:2000 |
|
|




