Лабораторная работа № 14
определение УДЕЛЬНОГО ЗАРЯДА ЭЛЕКТРОНА
МЕТОДОМ МАГНЕТРОНА
Цель работы. Экспериментально определить величину удельного заряда электрона.
Обоснование метода измерения
|
Магнетроном называется двухэлектродная лампа, помещенная во внешнее магнитное поле. Электроны за счет термоэлектронной эмиссии вылетают из катода, попадают в электрическое поле, определяемое конфигурацией катода-анода, и летят к аноду. Наряду с электрическим полем электроны подвергаются воздействию внешнего магнитного поля. В простейшем случае катод и анод представляют собой коаксиальные цилиндры (Rк « Ra), а магнитное поле создается соленоидом, в который помещается лампа. Вектор индукции внутри лампы направлен вдоль катода и анода (рис.1). Движение электронов происходит в кольцевом пространстве, заключенном между анодом и катодом.
Отметим основные особенности движения электронов. При этом будем полагать:
1) что скорость вылета электронов из катода мала, и ею можно пренебречь, т. е. Vо =0;
2) что радиус катода Rк = 0, вследствие того, что радиус анода Ra » Rк
В отсутствие магнитного поля (В = 0) электроны летят к аноду прямолинейно по радиусам под действием силы электрического поля.
(1)
Вектор
направлен вдоль радиуса от анода к катоду.
При включении магнитного поля
на движущийся электрон будет действовать сила Лоренца [1].
(2)
где
- заряд электрона;
- скорость движения электрона;
- индукция магнитного поля.
Согласно уравнению (2) эта сила направлена перпендикулярно скорости движения электрона и индукции магнитного поля.
На рис. 3 показано направление силы Лоренца в момент вылета электрона из катода. Под действием этой силы траектория движения из прямолинейной превращается в криволинейную (рис.2). Сила Лоренца не изменяет величины скорости, а только - ее направление [2]. Пока магнитное поле невелико, все электроны попадают на анод (рис.2,б). Чем больше индукция магнитного поля
, тем меньше радиус кривизны траектории, и при некотором значении
(критическое) траектория электрона искривляется так, что почти касается анода (рис.2,в).
![]() |
При
Рис.2
Характеристика магнетрона - зависимость анодного тока Iа от индукции магнитного поля В показана на рис.4. Если исходить из предположения, что для всех электронов V0 = 0, то зависимость Iа = f(B) должна имеет вид кривой 1 (рис.4). Практически же получаемые характеристики имеют вид кривой 2 на рис.4. Это происходит от того, что электроны, движущиеся от катода к аноду, имеют различные скорости (V0 ¹ 0), кроме того, всегда существует некоторое отступление от строгой симметрии в размерах цилиндрических электродов.
Экспериментальное определение критического магнитного поля Вкр позволяет рассчитать удельный заряд электрона
. Рассмотрим эту возможность.
В условиях критического магнитного поля ВКР для электронов, попадающих на анод (определяющих величину анодного тока), справедливо следующее: на пути от катода к аноду ускоряющее электрическое поле совершит работу по перемещению электрона, равную А = еUa. Согласно закону сохранения энергии
, (3)
где Ua - анодное напряжение; е - заряд электрона; m - масса электрона; VКР. - критическая скорость электрона.
![]() |
При коаксиальной конструкции катода и анода ускорение электрона электрическим полем осуществляется в основном в небольшой области вблизи катода. Следовательно, в остальной области ускорение электрона связано только с силой Лоренца.
Тогда, согласно второму закону Ньютона, можно записать
(4)
Так как сила Лоренца
перпендикулярна скорости движения электрона , то
в уравнении (4) является нормальным ускорением и, следовательно,
, где rКР. - радиус кривизны траектории электрона при критическом магнитном поле.
Уравнение (4) может быть записано
(4х)
В условиях ВКР, rКР = (рис.2,в). Из соотношений (3) и (4х) следует
(5)
Так как магнитное поле создается соленоидом, длина которого намного больше его диаметра, то
, (6)
где m0 - магнитная постоянная; m - относительная магнитная проницаемость среды (m = 1); IКР - критический ток через соленоид; N - число витков соленоида; l - длина соленоида.
Согласно (5) с учетом (6), находим
. (7)
Теперь можно, определив магнитное поле ВКР или соответствующий ток соленоида IКР, при котором электроны перестают попадать на анод, пользуясь уравнением (7), рассчитать удельный заряд электрона
.
Описание установки и порядок выполнения работы
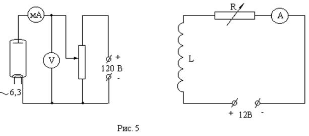
1. Соберите схему измерений, показанную на рис.5.
2. Снимите зависимость анодного тока магнетрона Ia от тока соленоида Ic при различных напряжениях на аноде Ua. Результаты занесите в таблицу измерений.
3. Постройте график зависимости Ia = f(Ic). По точке перегиба полученной кривой определите IКР.
4. По формуле (5) с учетом (6) или по (7) рассчитайте удельный заряд электрона
.
5. Найти среднее значение
из трех опытов.
|
Контрольные вопросы
1. Что такое магнетрон?
2. Какие силы действуют на электрон при его движении к аноду?
3. Куда направлена сила, действующая на электрон со стороны электрического поля?
4. Куда направлена сила, действующая на электрон со стороны магнитного поля?
5. Выведите рабочую формулу для определения
.
6. Почему при выводе рабочей формулы не учитывается сила, действующая на электрон со стороны электрического поля? Можно ли ее учесть?
7. Какие зависимости необходимо снять для определения
?
8. Какое магнитное поле называется критическим?
9. Как определяется в работе ВКР, при каких предположениях формула для определения ВКР верна?
10. Объясните зависимость анодного тока магнетрона от индукции магнитного поля В.
Список литературы
1. Калашников .- М., 1977
2. Савельев общей физики.- М., 1978.- Т.2 и последующие издания этого курса.
Вывод: Исходя из результатов эксперимента, мы вычислили удельный заряд электрона. Не смотря на возможную погрешность вычислений «на глаз», у нас получился довольно точный результат. Следует сделать вывод, что чем хуже зрение студента, тем больше погрешность и ниже оценка.
Благодарим за сотрудничество.
Любящие вас студенты АВТФ J







