МИНИСТЕРСТВО ОБЩЕГО И ПРОФЕССИОНАЛЬНОГО ОБРАЗОВАНИЯ РФ КРАСНОЯРСКИЙ ГОСУДАРСТВЕННЫЙ ТЕХНИЧЕСКИЙ УНИВЕРСИТЕТ | |||||||||||||||||||||
Кафедра | Робототехники и технической кибернетики | ||||||||||||||||||||
К У Р С О В О Й П Р О Е К Т | |||||||||||||||||||||
по дисциплине “Управление и автоматизация в технических системах” | |||||||||||||||||||||
Система управления СВЧ предварительного нагрева | |||||||||||||||||||||
Пояснительная записка | |||||||||||||||||||||
Руководитель проекта | |||||||||||||||||||||
Разработал студент | группы ЭМ 36-1 | ||||||||||||||||||||
Красноярск 1999 г. | |||||||||||||||||||||
З А Д А Н И Е по курсовому проектированию студенту | |||||||||||||||||||||
1. Тема проекта | Система управления СВЧ предварительного нагрева | ||||||||||||||||||||
2. Утверждена | |||||||||||||||||||||
3. Срок сдачи студентом законченного проекта | |||||||||||||||||||||
4. Исходные данные к проекту | |||||||||||||||||||||
5. Содержание расчетно-пояснительной записки (перечень под- | |||||||||||||||||||||
лежащих разработке вопросов) | |||||||||||||||||||||
1. Разработка технического задания | |||||||||||||||||||||
2. Разработка комплекса технических средств | |||||||||||||||||||||
3. Разработка принципиальных электрических схем | |||||||||||||||||||||
6. Перечень графического материала (с точным указанием обя- | |||||||||||||||||||||
зательных чертежей) | |||||||||||||||||||||
1-й лист: функциональная | |||||||||||||||||||||
временные диаграммы | |||||||||||||||||||||
2-ой лист: принципиальная электрическая схема | |||||||||||||||||||||
изм. | лист | докум. | № подп. | дата | |||||||||||||||||
лит. | лист | листов | |||||||||||||||||||
Разработал | |||||||||||||||||||||
Проверил | |||||||||||||||||||||
Содержание
Введение | 3 |
1.Техническое задание | 6 |
2. Разработка комплекса технических средств | 16 |
3. Разработка принципиальных технических средств | 20 |
Заключение | 28 |
Литература | 29 |
Введение
Последнее десятилетие характеризуется все возрастающим использованием индукционных печей для плавки цветных и чёрных металлов. Как известно, эти печи обладают рядом преимуществ перед другими видами плавильного оборудования (высокое качество получаемого металла и стабильность его свойств, возможность использования дешевого сырья, малый угар металла и легирующих элементов, высокая производительность, возможность полной автоматизации производства и т. п.) в производстве фасонного литья и слитков для дальнейшего передела (проката, ковка, штамповка). Так, например, плавка практически всех медных сплавов, цинка, жаропрочных сплавов и сплавов сопротивления производится в индукционных печах как открытых, так и вакуумных. В этих же печах в большом объёме осуществляется плавка алюминиевых сплавов, в первую очередь для фасонного литья, и различных марок стального фасонного литья.

Рис. 1-1 Виды электрического нагрева.
а и б - непосредственный нагрев (электроконтактный и индукционный);
в и г - косвенный нагрев (сопротивлением и электрической дугой).
Непосредственный нагрев
При непосредственном нагреве электрический ток протекает по нагреваемому телу. Это может быть осуществлено прямым соединением нагреваемого тела с электрической сетью (прямой нагрев током) или индуцированием электрического тока в нагреваемом теле электромагнитным полем (индукционный нагрев).
Косвенный нагрев
При косвенном нагреве электрический ток протекает по электронагревательному элементу (нагрев электросопротивлением), или по ионизированному газовому столбу (электродуговой нагрев); выделяющаяся при этом энергия передаётся нагреваемому телу или излучением, или конвекцией, или теплопроводностью, или и тем, и другим вместе.
Индукционный нагрев
1. ИНДУКТОРЫ ДЛЯ ЗАКАЛКИ ВНЕШНИХ ЦИЛИНДРИЧЕСКИХ ПОВЕРХНОСТЕЙ
1.ОБЩИЕ СВЕДЕНИЯ
Индукционный нагрев металлических изделий осуществляется с помощью специального устройства, называемого индуктором. Простейшим видом индуктора является кольцевой виток, согнутый из медной шины или трубки. При пропускании переменного тока через индуктор вокруг его привода возникает магнитное поле, напряжённость которого периодически изменяется во времени по величине и направлению.
Напряжённость магнитного поля, а следовательно, и плотность магнитного потока индукция - будет наибольшей внутри витка индуктора вблизи привода.
Если поместить внутрь индуктора металлический цилиндр, то переменный магнитный поток, пронизывающий этот цилиндр, вызовет появление в нём индуктированного тока. Индуктированный ток вследствие эффекта близости будет сконцентрирован под проводом индуктора, и путь его будет иметь кольцевую форму. Чем выше частота тока, тем в более тонком слое протекает ток в цилиндре, т. е. тем сильнее проявляется поверхностный эффект.
Ток, индуцированный в поверхностных слоях цилиндра, вызывает его нагрев, причём температура поверхности и глубина нагрева зависят от проводимой к индуктору мощности, частоты и времени нагрева. С другой стороны, ширина полосы нагрева, её форма и равномерность нагрева поверхности зависят от формы индуктора.
Таким образом, с помощью индуктора электромагнитная энергия, а следовательно, и выделение теплоты концентрируются в заданной области. Индуктированный ток сосредотачивается в полосе, ширина которой близка к ширине индуктора. Соответственно этому и ширина нагретой полосы также мало отличается от ширины индуктора.
Поверхностный нагрев металла индуктированными токами высокой частоты используется для поверхностной закалки стальных деталей.
В практике встречаются детали самой разнообразной, часто очень сложной формы. Соответственно изменяются и конструкции индукторов. Однако существуют общие основные принципы, которыми необходимо руководствоваться при их конструировании.
В брошюре рассмотрены только основные типы закалочных индукторов: индукторы для нагрева внешних цилиндрических поверхностей; индукторы для нагрева внутренних цилиндрических поверхностей; индукторы для нагрева плоских поверхностей; основные типы индукторов для нагрева поверхностей сложной формы.

Рис.1. Индуктор для закалки способом одновременного нагрева цилиндрической детали:
1- для присоединения индуктора к понижающему трансформатору;
2- Трубки для подачи воды, охлаждающей соединительные колодки;
3- Трубки для подачи воды, охлаждающей индуктор и нагретую поверхность детали индуктирующий провод, создающий переменное магнитное поле.
4- Токоподводящие шины;
5- Колодки.
Самые сложные индукторы представляют всегда ту или иную комбинацию перечисленных выше типов.
Любой индуктор состоит из следующих основных частей: индуктирующего провода 1, создающего магнитное поле, необходимое для индуктирования тока в нагреваемой детали; токоподводящих шин 2; колодок 3, служащих для соединения индуктора с понижающим трансформатором; устройства 4 для подачи воды, охлаждающей индуктор и нагреваемую деталь с целью её закалки (на рис.1 на внутренней стороне индуктирующего провода видны отверстия, через которые на закаливаемую деталь поступает закалочная вода).
Основной частью индуктора является индуктирующий провод, конструкция которого в значительной степени определяет результат закалки. Остальные части носят вспомогательный характер, и их конструирование обычно затруднений не вызывает.
Все перечисленные выше типы индукторов можно разбить на две группы: индукторы для закалки на средних ( Гц) частотах; индукторы для закалки на высоких частотах (радиочастотах).
Принципиального различия между этими двумя группами нет. Однако часто наблюдается разница в конструкции, объясняющаяся тем, что при высоких частотах работа индуктора происходит при меньших удельных мощностях и, что особенно существенно, при меньших токах, так как активное сопротивление нагреваемого объекта возрастает с увеличением частоты. При равной мощности напряжение на индукторе в этом случае значительно выше, чем при работе на средних частотах.
В связи с этим индукторы второй группы, как правило, выполняются менее массивными. Они могут быть менее массивными ещё и потому, что при высоких частотах вследствие уменьшения токов резко ослабляются электродинамические взаимодействия между всеми токоведущими частями. Это особенно существенно при использовании разъёмных индукторов, так как возникающие под влиянием протекающего в индукторе тока усилия стремятся их разомкнуть.
Индукторы первой и второй группы различаются конструкцией токоведущих шин и соединительных колодок, что определяется различием конструкции выводов понижающих трансформаторов, используемых при средних и высоких частотах. Следует отметить, что это различие носит в значительной мере случайный характер.
При средних частотах у понижающих трансформаторов принята конструкция колодок вторичной обмотки в виде медных массивных брусков, в контактные поверхности которых ввернуты латунные шпильки диаметром 10-12 мм. Колодки индукторов делаются массивными - толщиной 8-12 мм - и снабжаются отверстиями для пропуска указанных шпилек, служащих для крепления индукторов. Подобными же, но менее массивными колодками индуктор присоединяется к выводам понижающего трансформатора, работающего на радиочастотах.
Индукторы, предназначенные для закалки на средних частотах, в случае необходимости могут быть легко применены и при радиочастотах, если изготовить к ним соответствующие переходные колодки, подходящие к выводам понижающего трансформатора.
Кроме указанных существуют еще некоторые другие различия в выполнении индукторов для работы на средних и высоких частотах. Более подробно рассмотрим особенности индукторов для каждой группы отдельно.
Существенным моментом при конструировании индуктора является выбор ширины индуктирующего провода и зазора между его внутренней рабочей поверхностью и поверхностью нагреваемого изделия. Ширина индуктирующего провода при одновременном способе нагрева определяется требуемой шириной закаливаемого слоя.
Возможны два случая: закаливается некоторый участок на поверхности длинной детали; закаливается вся боковая поверхность детали.
В первом случае ширина закаленной полосы определяется распределением индуктированного тока на поверхности детали и утечкой теплоты в осевом направлении. Обычно индукторы для одновременного нагрева имеют относительно большую ширину, в несколько раз превосходящую величину зазора между поверхностью детали и индуктирующим проводом. В этих условиях индуктированный ток сосредоточен в полосе, ширина которой близка к ширине индуктора. Обычно ширина закаленной полосы оказывается на 10-20 % меньше ширины индуктора, чем и следует руководствоваться при выборе ширины индуктирующего провода.
Если ширина индуктора меньше десяти зазоров, то закаленный слой в продольном разрезе приобретает серповидную форму (рис. 2). Чтобы избежать этого, зазор следует делать неравномерным - большим в средней части, малым по краям, что достигается при кольцевой выточке глубиной 2-3 мм в средней части индуктора.

Рис. 2. Характер нагрева детали узким индуктором:
а-индуктор нормальной конструкции; б-индуктор с выточкой для выравнивания толщины нагретого слоя
В многовитковом индукторе для указанной цели можно у краев уменьшить шаг витков, что вызовет повышение напряженности поля и увеличение плотности индуктированного тока под краями индуктора. Закалённый слой в этом случае становится ровнее. Если ширина индуктирующего провода больше десятикратного зазора, то достаточно ровный закалённый слой получается и при неизменном зазоре.
Когда деталь калится по всей длине, то ширина индуктирующего провода должна быть равна длине детали. При этом вся боковая поверхность нагревается равномерно, без заметного перегрева, и закаленный слой имеет почти неизменную глубину.
При непрерывно-последовательном способе нагрева деталей относительно большой длины ширина индуктирующего провода определяется или мощностью генератора, или заданной производительностью.
Время нагрева каждого элемента поверхности детали, проходящего под индуктирующим проводом, тем больше, чем больше ширина провода и меньше скорость движения детали относительно индуктора. Поэтому можно ввести понятие времени нагрева элемента поверхности, аналогичное понятию времени нагрева при одновременном способе нагрева,
tк = а/v, (1)
где tк - время нагрева элемента поверхности, с; а - ширина индуктирующего провода, см; v - скороcть движения, см/с..
Удельная мощность рассчитывается на пoвеpxнocть детали, охватываемую индуктором,
p0 = PT /(pD2a), (2)
где PT - полная мощность на поверхности детали, кВт; D2 - диаметр детали, см.
При заданной мощности генератора получим следующее соотношение для определения максимальной ширины индуктирующего провода:
a = Pт /(p D2 p0)
или, выражая мощность генератора,
a = hи hтрPт /(p D2 p0) (3)
где, Рт - мощность генератора, кВт; hи - КПД индуктора; hтр - КПД понижающего закалочного трансформатора.
В среднем можно принять hи ≈ hтр ≈ 0,8. Тогда ширина индуктора (см) будет
а = 0,64Рт/(p D2 p0)
а ≈ 0,2 Рт/(p D2 p
2. ИНДУКТОРЫ ДЛЯ ЗАКАЛКИ НА СРЕДНИХ ЧАСТОТАХ
Индукторы для закалки способом одновременного нагрева. Длительность нагрева детали составляет обычно единицы секунд. Поэтому часто представляется возможным изготовлять индукторы без охлаждения индуктирующего провода в процессе нагрева. Чтобы в этом случае избежать перегрева и расплавления индуктирующего провода, его выполняют массивным. Однако увеличение толщины индуктирующего провода не приводит к уменьшению электрического сопротивления и понижению потерь, так как глубина проникновения тока при частотах выше 2500 Гц составляет меньше 1,5 мм. Основная, не нагруженная электрическим током, масса металла служит только для отвода теплоты, выделяющейся в «активном слое», толщина которого примерно равна глубине проникновения тока.
Вследствие кольцевого эффекта и эффекта близости, действующих согласно при нагреве внешних поверхностей цилиндрических деталей, активный слой расположен со стороны внутренней поверхности индуктора.
Расчеты и опыт показывают, что для обеспечения надлежащего теплоотвода толщина индуктирующего провода должна быть в несколько раз больше требуемой глубины закаленного слоя
d1≈ (2,5÷5)xk (7)
где d1 - толщина внутренней внутренней стенки индуктирующего провода; xk - глубина закаленного провода.
Нижний предел в формуле (7) выбирается при глубине закалки больше 5 мм, верхний при меньших глубинах.
Чаще всего вода для закалки подается через отверстия в активной части индуктора. Эта же вода охлаждает и сам индуктор, подготавливая его к следующему циклу нагрева.
Все ответственные части индукторов, особенно токоведущие, спаивают между собой тугоплавкими припоями. Применять олово не рекомендуется вследствие низких температур плавления и механической прочности спая и большого переходного электрического сопротивления, что особенно необходимо учитывать при пайке токоведущих частей.
При закалке без вращения детали в месте попадания струй охлаждающей воды поверхности обнаруживаются микротрещины. В процессе чистового шлифования эти трещины удаляются. Однако в некоторых случаях можно обойтись без чистового шлифования и тогда наличие трещин недопустимо. Избежать появления трещин можно распылением струй воды так, чтобы она равномерно охлаждала всю поверхность.
Вода на поверхность нагретой детали должна подаваться равномерно под большим давлением, поэтому следует высоту водяной камеры в свету выбирать так, чтобы ее внутреннее сечение не было меньше суммарной площади отверстий.
Ввод воды в камеру осуществляется в двух - трех местах расширяющимися патрубками, причем суммарное сечение подводящих трубок должно быть в два - три раза больше суммарной площади отверстий для выпуска воды на закаливаемую поверхность.
Подвод тока к индуктору осуществляется шинами, имеющими форму трапеции, выполняемыми из листовой меди толщиной 2-3 мм. Ширина шин у колодок, служащих для присоединения к закалочному трансформатору, равна высоте выводов его вторичной обмотки. Шины обычно имеют постоянное водяное охлаждение, для чего к ним припаивают трубки, по которым пропускают воду. Трубки располагают так. чтобы охлаждение всей шины происходило наиболее равномерно. Например, не следует располагать трубки по краю шины, так как при этом будет плохо охлаждаться середина.
Для придания индуктору прочности шины стягивают латунными болтами, которые изолируют от шин втулками и шайбами из миканита или текстолита. В качестве изоляции между шинами помешают миканитовую прокладку. Шины припаивают к колодкам, служащим для присоединения к трансформатору.
Во многих случаях деталь, у которой закалке подвергаются отдельные участки, в целом имеет сложную форму (например, коленчатый вал автомобильного двигателя). Тогда индуктор приходится делать разъемным, с тем чтобы его можно было надеть на шейку вала.
Простейшие разъемные индукторы изготовляют так же, как и неразъемные из достаточно толстой шины, на которую напаивают камеру для воды. При этом в некоторых индукторах, особенно у станков-автоматов, одна половина делается съемной в виде полукольца, другая половина состоит из двух частей, присоединяющихся к трансформатору. Для соединения обеих половинок индуктора служат массивные контактные пластины. Прижим при неавтоматизированной ручной закалке осуществляется или с помощью латунной скобы с нажимным винтом, или посредством рычагов, что более удобно (рис. 3).

Рис 3. Разъемный индуктор для закалки способом одновременного нагрева с рычажным зажимом и магнитной цепью для выравнивания нагрева в местах токопроводов:
1 - ось шарнира верхней роловины индуктора, изолированная от нижней половины; 2 - магнитопроводы; 3 - ось рычага, изолированная от индуктора текстолитовой втулкой; 4 - нажимной ролик; 5 - нажимной рычаг; 6 - контактные плоскости.

Рис.4. Конструкция контактов индуктора: а - контактная часть с контактом у внутренней поверхности индуктора; б - пути тока при местном плохом контакте; в и г - то-же при контакте, удаленном от внутренней стороны; 1- индуктирующий провод; 2 - путь тока.
Чтобы облегчить установку замыкающей половины индуктора в нужном положении, на контактных плоскостях индуктора устанавливают направляющие шпильки, которые входят в соответствующие отверстия. Контактные плоскости могут не занимать всей поверхности разъема. Осуществление контакта по веси плоскости весьма затруднительно и не приносит большой пользы, так как вследствие поверхностного эффекта ток проходит лишь вблизи внутренней поверхности индуктора. В то же время при большой площади контакта общее усилие при зажиме, определяемое требуемым удельным давлением, будет велико, поэтому практически выгоднее обеспечить надежный контакт в узкой полоске, но обязательно по всей ширине индуктора (рис. 4). Очень плохо, если нарушение контакта наблюдается у края. Тогда ток проходит только по части ширины индуктора. Вследствие эффекта близости полоса нагрева окажется также суженой. Ее форма примерно будет повторять форму части индуктирующего провода, по которой идет ток.
Более сложные разъемные индукторы для работы на станках - автоматах делают массивными. Движение отъемной части осуществляется с помощью гидравлического или пневматического привода. Когда деталь снимается, верхняя половина индуктора поднимается вместе с головкой станка. Части индуктора изготовляют из целых медных поковок, в которых фрезеруются камеры для закалочной воды.
При закалке детали без вращения часто наблюдается уменьшение ширины закаленной полосы против токоподводов к индуктирующему проводу. Достаточная для закалки температура обеспечивается лишь под серединой индуктора в узкой зоне.
Индукторы для закалки непрерывно-последовательным способом. Индуктирующий провод обычно изготовляют из медной трубки прямоугольного сечения, непрерывно охлаждаемой водой. Толщина стенки трубки выбирается я занивимости от глубины проникновения тока в медь. Указанная глубина (см) приближенно равна
Δ1≈7/√f (8)
Оптимальная толщина стенки трубки, при которой активное сопротивление индуктирующего провода наименьшее, выражается соотношением
d1=π Δ1/2≈11/√f (9)
где d1 - толщина стенки трубки, см, Δ1 - глубина проникновения тока в медь, см, f - частота тока, Гц.
При частоте 2500 Гц имеем d1 =2,2 мм; при частоте 800 Гц d1= l,22 мм. В первом случае можно использовать трубку с толщиной стенки 2 мм, во втором - 1-1,5 мм.
Вола, охлаждающая индуктор, часто одновременно служит и для закалки. В последнем случае она подается с обоих концов индуктирующего провода, а при большом его диаметре - также с помощью дополнительных вводов с раструбами, устанавливаемых в нескольких местах по окружности, и выпускаются на нагретую поверхность через отверстия, просверленные в задней (по отношению к движению) кромке индуктирующего провода. Отверстия имеют диаметр 1,2 -1,5 мм. шаг 4-5 мм и сверлятся таким образом, чтобы угол падения воды на поверхность детали составлял 25-450. Когда необходимо в широких пределах регулировать давление волы (в дальнейшем будем называть, ее закалочной), индуктор делают из двух спаянных боковыми поверхностями трубок (рис. 6). Вода, пропускаемая через переднюю трубку, служит при этом только для охлаждения индуктора. Задняя трубка устроена с отверстиями для выхода закалочной воды, как указано выше.
В отдельных случаях, когда в течение некоторого времени после включения тока закалочная вода не должна подаваться
Индукционным нагревом называется способ нагрева, при котором с помощью электромагнитного поля в некотором металлическом теле наводится ток, необходимый для нагрева этого тела. Передача энергии от питающей сети к телу осуществляется без непосредственного контакта.
Принципиальные схемы для различных вариантов индуктивной передачи энергии показаны на рис.1-2.

Рис.1-2 Возможности индуктивной передачи энергии.
На рис.1-2,а изображен трансформатор, состоящий из: 1) первичной многовитковой обмотки, подключённой к питающей сети; 2) магнитопровода, выполненного из трансформаторной стали; 3) вторичной одновитковой обмотки, на выходе которой включена нагрузка - петля из высокоомной проволоки.
При подаче напряжения на первичную обмотку в последней протекает ток, который создаёт магнитный поток Ф, замыкающийся по магнитопроводу. Под действием магнитного потока во вторичной обмотке наводится напряжение и протекает ток. Величина тока зависит от наведённого напряжения и величины полного сопротивления вторичной цепи. При этом под полным сопротивлением понимается сопротивление переменному току, учитывающее омическую, индуктивную и ёмкостную составляющие.
Ток, протекающий во вторичной цепи, приводит к преобразованию электрической энергии в тепловую в соответствии с законом Джоуля-Ленца. Так как в схеме сопротивление петли из высокоомной проволоки существенно больше сопротивления вторичной обмотки из меди, то преобразование энергии в этой петле особенно велико. Петля легко может быть доведена до накала. Энергия, необходимая для этого, отбирается из электрической сети. Подобная передача энергии имеет место также тогда, когда сама вторичная обмотка изготовлена из высокоомной проволоки, т. е. она сама представляет сопротивление вторичной цепи. Как показано на рис.1-2,б, принципиально не имеет значения, находится ли вторичная обмотка внутри или вне первичной.
Так как магнитопровод служит только для снижения сопротивления магнитному потоку, то наличие его, вообще говоря, необязательно для осуществления индуктивного переноса энергии, т. е. внутренний сердечник трансформатора можно удалить (рис1-2, в).

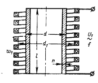
Рис.1-3 Нагрев трубы.
Роль вторичной короткозамкнутой обмотки с высоким электрическим сопротивлением при индукционной плавке выполняет металл. Поскольку внешние магнитопроводы предназначены лишь для проведения магнитного потока желаемым образом, от них также в ряде случаев можно отказаться (рис. 1-2,д). Эта схема является основной для индукционной тигельной печи.
Все варианты, приведённые на рис.1-2, положены в основу принципа работы различных конструкций индукционных печей.
По законам Максвелла для электромагнитного поля между наведённым электрическим напряжением и магнитной индукцией существует зависимость
в, (1-1)
где f - частота, гц; В - индукция, гс/см2; А - сечение магнитного потока, охваченное проводником, см2; v - число витков проводника.
Для трубы (рис. 3) с диаметром d
А = pd2/4 (1-2)
и v = 1.
С учётом (1-2) индуцированное напряжение
Uинд
(1-3)
На основании (1-1) индукция может быть рассчитана через параметры первичной цепи
(1-4)
гдеU1 - напряжение в первичной цепи, в; d1 - диаметр первичной катушки, см; v1 - число витков первичной катушки.
Из равенства (1-3) и (1-4) определяется напряжение, индуцированное в трубе,
Uинд
(1-5)
Итак, индуцированное напряжение повышается с увеличением диаметра трубы по квадратичному закону. Ток, протекающий в трубе, при малых значениях толщины стенок равен (приближённо, так как индуктивным сопротивлением пренебрегли):
Iинд
(1-6)
Индуцированный ток линейно зависит от диаметра трубы. Мощность, наведённая в трубе,
Pинд= UиндIинд
(1-7)
Увеличение температуры тела зависит от удельной мощности:
Ринд. уд=
Следовательно, температура трубы является квадратичной функцией её диаметра.
Высокочастотный нагрев при производстве изделий из реакластов
Предварительный нагрев таблетированных пресс-материалов
Высокочастотный предварительный нагрев перед прессованием таблетированных пресс-матириалов прочно вошел в технологические процессы производства изделий из пресс-порошков стеклопластиков, древесных пластиков как в отечественной, так и в зарубежной промышленности. Преимуществом этого метода нагрева являются: значительное снижение общего времени цикла изготовления изделий, снижение удельного давления прессования, улучшение качества готового изделия, возможность механизации и автоматизации технологических процессов.
Для обеспечения качественного нагрева таблетированных пресс-материалов в электрическом поле высокой частоты необходимо учитывать следующие требования: материал должен быть одной марки; все таблетки должны иметь одну и ту же плотность и влажность; толщина слоя уложенного материала в рабочем конденсаторе по всей площади укладки должна быть одинаковой; не рекомендуется одновременно нагревать таблетки различных геометрических размеров.
В последние годы значительно расширилась гамма используемых в промышленности таблетированных пресс-материалов, перерабатываемых с высокочастотным нагревом, выросли требования к технологическим процессам переработки.
Температуру предварительного нагрева в электрическом поле высокой частоты целесообразно выбирать близкой или равной температуре отверждения связующеого. Уровень этой температуры зависит от времени пребывания материала в вязкотекучем состоянии при данной температуре и определяется как временем нагрева в поле высокой частоты, так и временем с момента отключения нагрева до момента приложения давления к материалу.
Что рабочая область температур и время переноса строго фиксированы допустимой деформацией материала. Для материала К-78-51 время переноса не должно превышать 30 с, для К-211-3 – 45 с, для К-18-36 – 60 с. Сокращение времени высокочастотного нагрева при повышении частоты тока и увеличении напряженности электрического поля позволяет при одном и том же времени переноса, имеет материал с более высокой температурой, а значит, и с большей текучестью. При высоких температурах увеличивается скорость отверждения, что приводит к резкому сокращению выдержки при прессовании. Например, для древесных пластиков при температуре пресс-массы 170LС выдержка под давлением составляет 3 мин, а при температуре 140LС – 7 мин. При прессовании из материала К-78-51 основания контактора повышение температуры предварительного нагрева с 90 до 120LС позволило сократить общий цикл прессования в 3 раза.
Существующие установки для предварительного подогрева пресс-порошков имеют колебательную мощность 0,6 – 6,0 кВт и частоту тока 27,12; 40,68; 81,38 МГц. В настоящее время начинается серийное производство новых установок для предварительного нагрева таблетированных пресс - материалов типа ВЧД2-2,5/81 и ВЧД3-6/81. В них применена схема колебательной системы, обеспечивающая заданную стабильность частоты и плавное регулирование мощности в широких пределах. Имеется система автоматического поддержания мощности генератора в процессе нагрева материала. Установки снабжены съемными рабочими камерами, что позволит выпускать несколько модификаций. Одна из них – с камерой проходного типа, снабженной волноводными фильтрами и транспортной системой для автоматической подачей таблеток в рабочий конденсатор и затем на площадь съема – предназначена для поштучного скоростного (7-10 с) нагрева таблеток массой 80-250 г и входит в комплект высокопроизводительного оборудования с прессом роторного типа. Другая модификация рабочей камеры позволяет использовать установки при ручной загрузке и выгрузке таблеток.
1.Техническое задание
СВЧ печь предварительного разогрева порошкового брикета заготовки.
Управление временем разогрева, выбором подводимой мощности, контроль максимально допустимой температуры разогреваемого брикета заготовки, блокировки включения при нарушении правил безопасности эксплуатации, индикация установленных параметров работы устройства.
2.Разработка комплекса технических средств
В данном курсовом проекте представлена система управления, позволяющая управлять временем разогрева, управлять мощностью разогрева заготовки и температурой (контроль максимально допустимой температуры разогреваемого брикета заготовки), блокировки включения при нарушении правил безопасности эксплуатации, индикация установленных параметров работы, состояния узлов установки. С учетом этого, представим обобщенную схему функционального устройства, представленного на (рис.2.1а))
![]()
![]()
ОУ


P tº t
![]() |
Рис.2.1а) Функциональная схема СВЧ предварительного нагрева брикета заготовки
Рассмотрим функциональное устройство нашей системы управления где:
где СУ - система управления СВЧ предварительного нагрева;
Р - регулируемая величина мощности;
tº - регулируемая величина температуры;
t – регулируемая величина времени;
ОУ – объект управления, в который входит преобразователь частоты ПЧ и индуктор И.
Исходя из этого, функциональная схема блока управления устройства, будет иметь вид рис 2.1: о. с.
![]() |

![]()
![]()
![]()

![]()

|
|
|
|
![]() |
![]() |
запуск
![]() |
![]() |
Рис.2.1 Функциональная схема устройства
На рис.2.2 представлена функциональная схема управлением временем. По сигналу запуска и заданному значению параллельного двоичного кода задания времени, устройство формирует время разогрева заготовки в печи. Диапазон работы времени для устройства
60 c.
# код времени
|
запуска выходной сигнал 1
Рис.2.2 Функциональная схема управления временем
На рис.2.3 изображена функциональная схема управления мощностью. С приходом разрешающего сигнала запуска со схемы управления временем включается в работу схема управления мощностью, одновременно с заданным значением параллельного двоичного кода мощности. Всего 16 ступеней мощности от 0 до 100% с шагом 6.25%.
# код мощности
|
запуска выходной сигнал 2
![]()

Рис.2.3 Функциональная схема управления мощностью
|

Последов. Последов.

полупериодов импульсов
Рис. 2.4 Функциональная схема триггера Шмидта
|
Сигнал 1
Сигнал 2 разрешающий
Сигнал 3 сигнал
Рис. 2.5 Функциональная схема блокировки
На рис.2.5 представлена функциональная схема блокировки, где
- сигнал 1 – разрешающий сигнал со схемы управления временем;
- сигнал 2 – разрешающий сигнал со схемы стабилизатора температуры;
- сигнал 3 – разрешающий сигнал со схемы управления мощностью; Устройство выполняет функцию блокировки, т. е. при отсутствии, какого либо сигнала со схем: времени, температуры, мощности наша система просто перестает работать.
|
Сигнал 2
Сигнал 1
Рис.2.6 Функциональная схема блока индикации
На рис.2.6 представлена функциональная схема блока индикации, где
- сигнал 1 – разрешающий сигнал, идущий со схемы органов управления;
- сигнал 2 – сигнал, идущий со схемы формирователя задания (где преобразуется #код мощности (времени) в десятичный (понятный оператору)) идет на индикаторы.
Датчик температуры представляет собой защищенный специальным кожухом терморезистор, который располагают непосредственно на объекте управления.
Схема рабочей панели нашего устройства представлена на рис.2.7

|
|
|
| |||||
![]()
![]()
![]()
![]()
![]()
![]()
Грубо грубов
|

| ||
Рис.2.7 Рабочая панель устройства
В зависимости от выбора мощности (Р) или температуры (t), далее кнопками «Н» (high - быстро) и «L» (low - медленно), выбираем скорость набора значений Р или t. Кнопками «+» и « - » увеличиваем (уменьшаем) значения Р или t от 0 до заданного (от заданного до 0). После этого вводим выбранное значение кнопкой «Ввод». Для установления другого значения используем кнопку «Сброс». Температуру устанавливаем регуляторами «Г» (грубо) и «Т» (точно), в зависимости от требуемой.
3.Разработка принципиальных технических средств
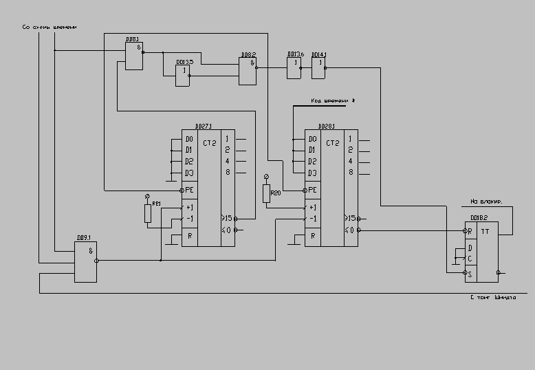
На рис. 3.1 представлена принципиальная схема управления временем.

Рассмотрим работу схемы управления временем.
На входах предустановки присутствует параллельный двоичный код задания времени. Извне устройства приходит общий сигнал запуска устройства низкого уровня и поступает на вход
D - триггера DD18.1. На выходе D - триггера устанавливается 1, которая разрешает работу одновибратору на элементах DD13.2-DD7.1 и мультивибратору на элементах DD7.2, DD13.3, DD13.4. Одновибратор выдает импульс низкого уровня, длительность которого определяется в соответствии с формулой T=RC, зависит от R и C. Выбираем С2=0,001мкФ=1нФ. Период нулевого уровня на выходе одновибратора примем Т=0,2с., тогда
. Этот импульс низкого уровня с выхода одновибратора записывает комбинацию двоичного кода времени в счетчики на элементах DD и перебрасывает выходной формирователь на элементе DD в единичное состояние на выходе
. Одновременно с этим начинает выдавать импульсы мультивибратор. Период колебаний мультивибратора определяется в соответствии с формулой Т=2,3RC также зависит от R и C. Установленный диапазон времени для устройства ≈60с., поэтому период колебаний мультивибратора выберем Т≈1с. Примем С3=0,001мкФ=1нФ, тогда
.
Далее импульсы с мультивибратора приходят на вход “-1” счетчика DD25.1 и счетная декада последовательно вычитает по 1 из кода, загруженного в нее до достижения нулевого значения. При достижении нулевого значения на выходе “≤0” счетчика на элементах DD26.1 появляется уровень логического “0”, который перебрасывает выходной формирователь на элементе DD19.1 в “0” состояние на выходе
, на выходе Q устанавливается логическая “1”, которая приходит на вход С элемента DD18.1 и устанавливает триггер в “0” состояние на выходе Q, запрещая тем самым работу схемы. Устройство ждет нового или предыдущего значения времени и нового запуска извне.

На рис.3.2 представлена принципиальная схема управления мощностью. Рассмотрим принцип ее работы.
На входах D0-D3 счетчика на элементе DD28.1 присутствует комбинация кода мощности. Общий сигнал запуска устройства приходит на одновибратор на элементах DD13.5, DD8.2 . Одновибратор выдает импульс низкого уровня,
, который записывает в счетчике комбинации, присутствующие на адресных входах и перебрасывает формирователь на элементе DD18.2 в единичное состояние, снимая тем самым блокировку от схемы управления мощностью. По окончании общего сигнала запуска на первом выводе разрешающего элемента DD9.1 установится логическая “1”. Затем, после срабатывания элемента DD18.1 схемы управления временем, на втором выводе разрешающего элемента DD18.2 также установится логическая “1” и, с приходом импульсов c триггера Шмидта, эти импульсы начинают поступать на вход “+1” счетчика на элементе DD27.1 и на вход “-1” cчетчика на элементе DD28.1. Первый счетчик, с приходом каждого импульса начинает увеличивать нулевую комбинацию, записанную в него ранее. Второй счетчик, одновременно с первым вычитает из заданного кода мощности по единице. При достижении вторым счетчиком нулевого значения на выходе “≤0” установится –0, который перебрасывает выходной формирователь в нулевое состояние. Первый счетчик, однако продолжает считать импульсы, идущие с триггера Шмидта. При достижении первым счетчиком 16 – го значения на его выходе “≥15” устанавливается –0, который снова запускает одновибратор, пройдя через смеситель на элементе DD8.1 , цикл повторяется до снятия первого сигнала на втором выводе элемента DD9.1 (то есть пока схема управления временем не закончит свой цикл). Задержка на элементах DD13.6, DD14.1 нужна для того, чтобы на входах
и
выходного формирователя (DD18.2) не возникло конкурирующего состояния, то есть сначала записываются комбинации предустановки в счетчики и, только потом, после снятия логического “0” с выхода второго счетчика “≤0” формирователь переводится в единичное состояние, которое разрешает работу схемы термостабилизатора.

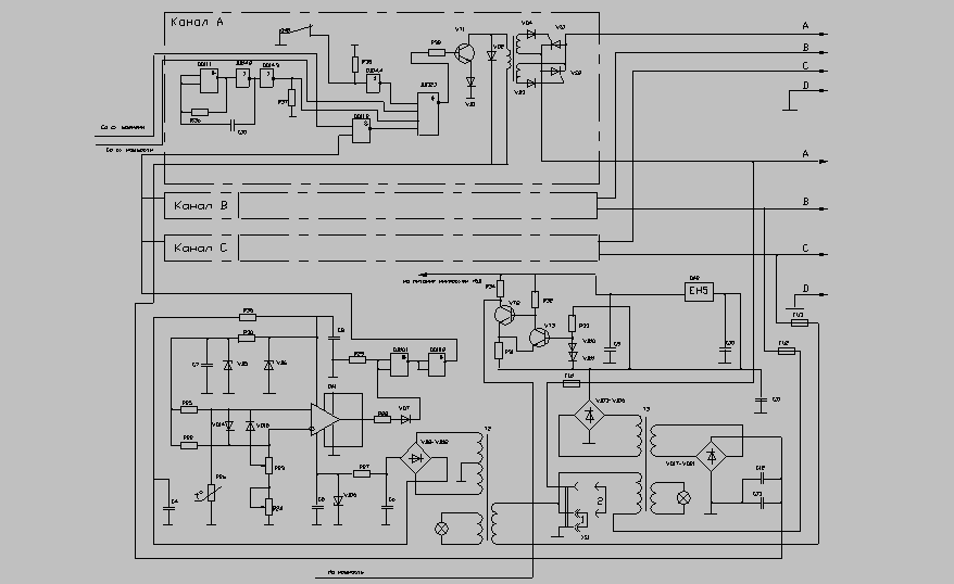
На рис.3.3 представлена принципиальная схема термостабилизатора
Рассмотрим принцип работы устройства термостабилизатора.
Основные технические характеристики
Максимальная мощность нагрузки, кВт.............................................................12
Пределы установки стабилизируемой температуры,ºС............................30...100
Точность поддержания температуры,ºС.........................................................
0,1
Напряжение питания, В......................................................................................220
Число фаз питающего напряжения........................................................................3
Термостабилизатор состоит из электронного термореле (см. Принципиальную схему) и трех одинаковых фазных каналов регулирования мощности. В состав термореле входят компаратор напряжения на ОУ DA1 и формирователь управляющих импульсов на элементах DD10.1, DD10.2. Каждый канал включает в себя генератор импульсов на элементах DD11.1, DD14.2, электронный коммутатор DD11.2, инвертор DD32.1, усилитель тока на транзисторе VT1, нагруженном импульсным трансформатором Т1, и тринисторный ключ VS1, VS2.
С выхода термореле на нижний (по схеме) вход элемента DD11.2 поступает сигнал высокого уровня, который разрешает прохождение импульсов с генератора через инвертор на базу транзистора. Диод VD1 способствует более надежному закрыванию транзистора VT1, а диод VD2 защищает его от напряжения обмотки трансформатора T1.
Датчиком температуры термореле служит терморезистор R26. Он включен в измерительный резистивный мост R22R25R23R24, питаемый стабилизированным напряжением.
Термореле питается от выпрямителя VD8-VD12, подключенного к сетевой обмотке трансформатора Т2. Второй сетевой трансформатор служит для питания транзисторного усилителя тока фазных каналов и микросхем термостабилизатора.
В положении 1 перемычки XS1 термостабилизатор рассчитан на питание от трехфазной сети напряжением 220В. При необходимости питания от сети напряжением 380В вилку переключателя XS1 надо переставить в положение 2.
Трансформаторы Т1 во всех каналах одинаковые и намотаны проводом ПЭВ-2 0,41 на кольцевых магнитопроводах типоразмера К31H18,5H7 из феррита 2000 НН. Обмотка I содержит 30, а обмотки II-III – по 80 витков.
Трансформатор Т2 выполнен на магнитопроводе Ш20H28. Первичная обмотка – 1430 витков провода ПЭЛ 0,18, обмотки II-III – соответственно 2H99 и 29 витков провода ПЭЛ 0,35.
Сетевой трансформатор Т3 блока питания каналов – готовый мощностью питания около 30 Вт. Его первичная обмотка рассчитана на напряжение 220В. обмотка II должна обеспечивать напряжение 6,5В при токе нагрузки 0,3А, III – 7,5В (3А), IV - 6В (0,3 А). Транзистор КТ805А (VT1) можно заменить на KT803, КТ802 с любым буквенным индексом, КТ801А – КТ602А.
Термостабилизатор собирают в металлическом кожухе. Тринисторы VS1-VS2 и транзисторы фазных каналов устанавливают на теплоотводы. Разъемы для подключения сети и нагрузки должны быть рссчитаны на соответствующие напряжение и мощность.
Следует отметить, что для более четкой работы термореле желательно корпус терморезистора соединить с общим проводом, а провод идущий от терморезистора к электронному блоку, экранировать.
На рис.3.3 представлена принципиальная схема, в которую входит блок индикации, формирователь задания и органы управления.

Рассмотрим принцип работы схемы. Cхема состоит из мультивибратора на элементах DD1.1, DD12.1, R1 и C1, который формирует последовательность прямоугольных импульсов, идущих на коммутатор на элементах DD12.3DD1.2-DD2.2 или на делитель на элементе DD15.1. Коммутатор с приходом разрешающего сигнала с элемента D – триггера (DD), пропускает частоту либо с мультивибратора, либо частоту, поделенную на 2, затем одна из выбранных последовательностей приходит опять же на коммутатор.
C приходом разрешающего сигнала с элемента D – триггера, при замыкании КМ2 (КМ3) счетная декада начинает прибавлять (вычитать) по единице из записанного в нее кода. Счетная декада считает импульсы либо до 16, либо до 64, в зависимости от выбора режима установки либо мощности, либо времени. Сброс декады может также осуществляться с приходом разрешающего сигнала при замыкании КМ4.
При замыкании КМ6 – осуществляется ввод информации со счетной декады на внутреннее устройство памяти на элементе DD29. Период колебаний мультивибратора определяется в соответствии с формулой Т=2,3RC также зависит от R и C. Период колебаний мультивибратора выберем Т≈0,1с. Примем С1=0,001мкФ=1нФ, тогда
.
Выходной ток I дешифраторов DD21.1DD24.1по каждому из выходов ограничен значением 7мА. Расчет величины токоограничивающих резисторов выполняется с учетом справочных данных индикатора (DD30.1-31.1), в которых указывается Iпрямой номинальный индикации и прямое падение напряжения (Uпр).
Uпр...............................................3,5В
Uпит..............................................5В
U0................................................0,4В
Iпрямой...........................................20мА

Временные диаграммы работы устройства

Из временных диаграмм работы устройства видно, что схема времени регулирует общий промежуток работы устройства. Схема мощности регулирует мощность выделяемую на нагрузку по средствам управляющего сигнала. Схема триггера Шмидта преобразует последовательность полупериодов в последовательность прямоугольных импульсов.
Заключение
В данном курсовом проекте разработана система управления СВЧ предварительного разогрева заготовок на производстве. Здесь разработана схема управления мощностью, временем, температурой. Схему стабилизатора температуры можно использовать как отдельное устройство для поддержания температуры различных объектов (например, для сушки фотоматериалов, для оснащения термошкафов, обеспечения нужной температуры фоторастворов).
Список литературы
1. Радио №2, 1988г.
2. , , «Аналоговые и цифровые интегральные микросхемы»-2-е изд., перераб. и доп. – М.: Радио и связь, 1984. – 432 с., ил. – (Проектирование РЭА на интегральных микросхемах).









