Тема 3.1. Назначение, состав и общая классификация систем теплоснабжения. Теплоносители систем теплоснабжения
Назначение систем теплоснабжения состоит в обеспечении потребителей необходимым количеством теплоты требуемого качества. Качество теплоты обеспечивается теплоносителем требуемых параметров.
В процессе теплоснабжения различают три стадии:
• подготовка теплоносителя;
• транспортировка и распределение теплоносителя;
• использование теплоносителя.
Система теплоснабжения - комплекс установок по подготовке, транспортировке и использованию теплоносителя. В состав систем теплоснабжения входят:
-теплоподготовительные установки на ТЭЦ, городские, районные и квартальные котельные;
-тепловые сети для транспорта и распределения теплоносителя;
-теплоприемники потребителей.
Общая классификация систем теплоснабжения.
Системы теплоснабжения подразделяют на централизованные и децентрализованные.
Децентрализованные системы теплоснабжения делятся на местные и индивидуальные. В индивидуальных системах теплоснабжения каждое помещение (комната, квартира, цех производственного здания) обеспечивается теплотой от отдельного источника теплоснабжения Пример: печное, поквартирное отопление. В местных системах каждое здание обеспечивается теплотой от отдельного источника теплоснабжения. Пример: индивидуальная котельная.
Централизованное теплоснабжение подразделяется на на групповое, районное, городское и межгородское. Групповое - теплоснабжение от одного источника группы зданий Районное - теплоснабжение от одного источника нескольких групп зданий (района). Городское - теплоснабжение от одного источника нескольких районов (города). Межгородское - теплоснабжение от одного источника нескольких городов.
Теплоснабжение России обеспечивают:
- 485 ТЭЦ,
- около 6,5 тыс. котельных мощностью более 20 Гкал/час,
- более 100 тысяч мелких котельных, - около 600 тысяч автономных индивидуальных теплогенераторов.
Размеры городов, климатические параметры и их влияние на структуры систем теплоснабжения.
За счет отпуска теплоты из систем централизованного теплоснабжения применяющих в качестве теплоносителя горячую воду или водяной пар, могут быть удовлетворены следующие виды теплоиспользования. Использование теплоты, связанное с климатическими условиями:
-использование теплоты в системах отопления зданий;
-использование теплоты в системах вентиляции зданий;
-использование теплоты в системах кондиционирования зданий.
Использование теплоты, не зависящее от климатических условий:
-использование теплоты в системах горячего водоснабжения жилых, общественных и административных зданий;
-использование теплоты в системах технологического пароснабжения и горячего водоснабжения.
Структура потребления теплоты зависит от климатических условий и численности населения микрорайона, района или города. На рис. 1 представлены диаграммы, отображающие удельное потребление теплоты в расчете на одного жителя в зависимости от численности населения и расчетной температуры наружного воздуха. Результаты получены по методу расчета потребления теплоты по укрупненным показателям. Такими показателями являются удельные характеристики зданий по отоплению, вентиляции и горячему водоснабжению. Из рассмотрения диаграмм видно, что с понижением расчетной температуры наружного воздуха удельное потребление теплоты растет, а с ростом численности жителей населенного пункта удельное суммарное потребление теплоты (рис. 2) растет за счет роста потребления теплоты системами отопления и вентиляции общественных зданий.

а) б)
Рис. 1. Удельное потребление теплоты в расчете на одного жителя в зависимости от численности населения и расчетной температуры наружного воздуха.
а) микрорайон с численностью населения 6-20 тыс. жителей. б) город с с численностью населения 50-250 тыс. жителей. 1- отопление жилых зданий; 2- отопление общественных зданий; 3- вентиляция общественных зданий; 4- горячее водоснабжение жилых зданий; 5- горячее водоснабжение общественных зданий

Рис. 2. Удельное суммарное потребление теплоты в расчете на одного жителя в зависимости от численности населения и расчетной температуры наружного воздуха.
Теплоносители.
В качестве теплоносителей в системах теплоснабжения используются вода и водяной пар.
Параметры теплоносителей следующие: горячая вода с рабочим давлением до 2,5 МПа и температурой до 200°С, пар с рабочим давлением в пределах до 6,3 МПа и температурой до 440 °С.
Согласно СниП «Тепловые сети» в системах централизованного теплоснабжения для отопления, вентиляции и горячего водоснабжения жилых, общественных и производственных зданий в качестве теплоносителя следует, как правило, принимать воду. Следует также проверять возможность применения воды как теплоносителя для технологических процессов.
Основные преимущества воды, как теплоносителя, по сравнению с паром:
• -большая удельная комбинированная выработка электрической энергии на ТЭЦ;
• -сохранение конденсата на ТЭЦ;
• -возможность центрального регулирования тепловой нагрузки;
• -более высокий КПД системы теплоснабжения из-за отсутствия потерь конденсата у потребителей.
Основные недостатки воды как теплоносителя:
• -большой расход электрической энергии на перекачку сетевой воды по сравнению с расходом электроэнергии на перекачку конденсата в паровых сетях;
• -большая чувствительность водяных систем к авариям;
• -большая плотность воды и жесткая гидравлическая связь между всеми точками системы.
Выбор теплоносителя в системах теплоснабжения. По условиям удовлетворения тепловых режимов абонентов вода и пар могут считаться равноценными теплоносителями. Только в случае использования пара в высокотемпературных технологических установках он не может быть заменен водой. Если основная тепловая нагрузка района складывается из нагрузок по отоплению, вентиляции и горячего водоснабжения, то применяется водяные двухтрубные системы теплоснабжения. Если в районе имеется небольшая тепловая технологическая нагрузка, требующая теплоносителя повышенного потенциала, то применяются водяные трехтрубные системы теплоснабжения. Если основная тепловая нагрузка района представлена тепловой технологической нагрузкой повышенного потенциала, то применяются паровые системы теплоснабжения.
Классификация водяных систем централизованного теплоснабжения
Системы теплоснабжения подразделяются на открытые (разомкнутые) и закрытые (замкнутые). В открытых водяных системах теплоснабжения сетевая вода частично разбирается у абонентов на горячее водоснабжение (рис.3. и 4). В закрытых водяных системах теплоснабжения циркулирующая сетевая вода используется как теплоноситель и из тепловой сети не отбирается (рис. 5 и 6).
В зависимости от числа трубопроводов, используемых с целью теплоснабжения потребителей, водяные системы делятся на одно-, двух-, трех - и многотрубные. В закрытых системах теплоснабжения минимальное количество трубопроводов равно двум, в открытых – одному.
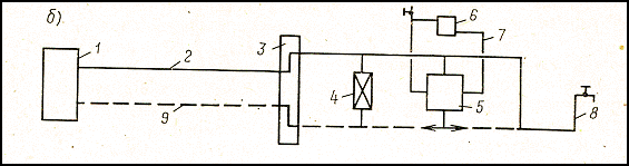
В большинстве случаев для теплоснабжения городов применяются водяные двухтрубные системы (рис. 3). Тепловая сеть состоит из двух трубопроводов: подающего, по которому теплоноситель поступает к абоненту, и обратного, по которому теплоноситель возвращается от абонента к источнику. Двухтрубные системы используются в случаях, когда тепловая нагрузка всех потребителей района (города) однородна, например, все потребители потребляют теплоту на нужды отопления, вентиляции и горячего водоснабжения, а технологическая нагрузка отсутствует
В промышленных районах, в которых актуальна технологическая тепловая нагрузка повышенного теплового потенциала, могут применяться трехтрубные системы теплоснабжения (рис. 4). Два трубопровода используются как подающие, а один - как обратный. К одному из подающих трубопроводов подключаются потребители с одинаковой по тепловому режиму нагрузкой (отопление, вентиляция). Ко второму подающему трубопроводу подсоединяются технологические установки промышленных потребителей и установки горячего водоснабжения.

Рис. 3. Принципиальная схема водяной открытой однотрубной системы теплоснабжения.
1-источник теплоты, 2-подающий трубопровод теплосети, 3-абонентский ввод, 4-калорифер вентиляционной системы, 5-теплолобменник системы отопления, 6- отопительный прибор, 7-трубопровод системы отопления, 8-система горячего водоснабжения.


Рис. 4. Принципиальная схема водяной открытой двухтрубной системы теплоснабжения.
Обозначения те же, что и на рис. 1.


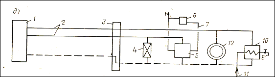
Рис. 5. Принципиальная схема водяной закрытой двухтрубной системы теплоснабжения.
9-обратный трубопровод тепловой сети, 10-теплообменник горячего водоснабжения, 11-холодная вода из водопровода.


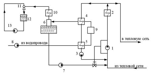
Рис. 6. Принципиальная схема водяной закрытой трехтрубной системы теплоснабжения. 12-технологическая установка промышленного потребителя.
Энергетическая эффективность централизованных систем теплоснабжения и теплофикации.
Энергетическая эффективность теплофикации оценивается по экономии топлива (ΔВ) при комбинированном производстве тепловой и электрической энергии на ТЭЦ (рис. 7) и их раздельном производстве в котельных (рис. 8) и конденсационных электростанциях (КЭС) (рис. 9).
ΔВ=Вр-Вт,
где Вр - расход топлива при раздельной выработке электроэнергии и теплоты, Вт- расход топлива при комбинированной выработке электроэнергии и теплоты.
При выработке тепловой энергии на КЭС в окружающую среду отводится около 60% теплоты, подводимой в цикле. В итоге КПД выработки электрической энергии составляет 36-40%. КПД местных котельных, работающих на твердом топливе, составляет 50-55%. КПД современных районных котельных, работающих на жидком или газообразном топливе сотавляет 80-85% и более.
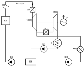
Рис. 7. Схема ТЭЦ.
КО – котельная установка; КА – котельный агрегат; ПЕ – пароперегреватель; Г – генератор; К – конденсатор; РО – регулирующий орган; ЧВД – часть высокого давления турбины; ЧНД – часть низкого давления турбины; ТП – тепловой потребитель; ПБ – питательный бак; КН – конденсатный насос.


Рис. 8. Принципиальная схема выработки тепловой энергии в водогрейной котельной
1 – сетевой насос; 2 – водогрейный котел; 3 – циркуляционный насос;
4 – подогреватель химически очищенной воды; 5 – подогреватель сырой воды; 6 – вакуумный деаэратор; 7 – подпиточный насос; 8 – насос сырой воды; 9 – химводоподготовка; 10 – охладитель выпара; 11 – водоструйный эжектор; 12 – расходный бак эжектора; 13 – эжекторный насос.
![]() |
Рис. 9. Схема простейшей паротурбинной КЭС:
КА – котельный агрегат; ПЕ – пароперегреватель; Т – турбина; Г – генератор; К – конденсатор; КН – конденсатный насос; ПБ – питательный бак, ПН – питательный насос
Ссылки
1. Соколов и тепловые сети: учебник для вузов.‑ 7-е изд. стереот. – М.: Издательство МЭИ, 2001.
2. Теплоснабжение: учебник для вузов / , , и др.. Под ред. . М.: Стройиздат, 1982.
3. Шубин вопросы проектирования систем теплоснабжения городов/. М.: Энергия, 1979.
4. Энергосбережение в теплоэнергетике и теплотехнологиях.: учебник для вузов / , , и др.; под ред. .- М.: Издательский дом МЭИ, 2010.
1. Назначение систем теплоснабжения.
2. Какие системы теплоснабжения применяются в России?
3. Какие преимущества и недостатки имеют водяные и паровые системы теплоснабжения?
4. Как размеры городов и климатические условия влияют на теплопотребление?
5. Преимущества и недостатки открытых и закрытых систем теплоснабжения. В чем их принципиальное различие?
6. Как оценивается энергетическая эффективность систем теплоснабжения?
7. Почему совместная выработка тепловой и электрической энергии имеет преимущество перед их раздельной выработкой?




