Содержание отчета
1. Цель работы.
2. Перечень основных команд, используемых при выполнении задания.
3. Результат индивидуального задания на ПЭВМ.
4. Выводы по работе.
Контрольные вопросы
1. Какие команды редактирования объектов вы знаете?
2. Какие команды конструирования объектов вы знаете?
3. Поясните, в чем состоит отличие команд Break и Trim.
4. Что позволяет делать команда Array? Назовите основные принципы работы с ней.
Лабораторная работа 5
Создание сложных объектов средствами
AutoCAD
Цель работы: формирование умений создания сложных объектов средствами AutoCAD.
Порядок выполнения работы
1. Изучить теоретический материал.
2. Выполнить практические задания.
3. Получить индивидуальное задание у преподавателя согласно варианту.
4. Выполнить индивидуальное задание.
5. Оформить отчет по лабораторной работе.
6. Ответить на контрольные вопросы.
Теоретические сведения
Под сложными объектами в AutoCAD понимаются объекты, созданные с использованием комбинации мультилиний, полилиний, штриховки, а также сплайнов. Все инструменты, за исключением штриховки, были рассмотрены ранее.
Рассмотрим основные способы создания шриховки.
Штриховка – это процесс и результат заполнения некоторой замкнутой области чертежа определенным «орнаментом» или узором. Штриховку используют для визуального отображения типа материала, из которого должен быть изготовлен проектируемый объект, например: металла, дерева, пластмассы и т. д.
Для выполнения штриховки применяются инструменты диалогового окна Boundary Hatch (Штриховка по контуру) (рис. 5.1), вызвать которое можно, нажав кнопку
в панели инструментов Draw.
Рис. 5.1. Окно Boundary Hatch (Штриховка по контуру)
Ниже приведена последовательность действий для штриховки простого объекта:
1) нарисуйте объект;
2) откройте диалоговое окно Boundary Hatch (Штриховка по контуру);
3) выберите любой из предложенных образцов штриховки. Для этого щелкните на окне Swatch, после чего откроется диалоговое окно Hatch Pattern Palette (Палитра образцов штриховки), в котором надо осуществить свой выбор;
4) щелкните на кнопке Pick Points (Выбор точек) для выбора области, подлежащей штриховке. Диалоговое окно Boundary Hatch (Штриховка по контуру) (временно) закроется, что даст доступ к графической зоне чертежа;
5) щелчком левой кнопки мыши выберите точку внутри области, которую надо заштриховать. AutoCAD проанализирует чертеж и примет решение, какие из объектов следует воспринимать в качестве контура штриховки.
Чтобы просмотреть результат, щелкните правой кнопкой мыши и выберите из курсорного меню элемент Preview (Предварительный просмотр);
6) нажмите Enter, указывая системе, что выбор закончен.
Диалоговое окно Boundary Hatch (Штриховка по контуру) вновь откроется;
7) щелкните на кнопке ОК.
AutoCAD заштрихует ту часть чертежа, которая указана.
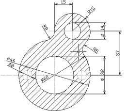
Практическое задание 5.1
Создайте объект, изображенный на рис. 5.2 без нанесения размерных линий и размеров.
![]() |
Рис. 5.2. Объект для выполнения практического задания 5.1
Стили контуров
При работе с объектом, охватываемым другим или несколькими объектами, задача точного определения, что именно необходимо штриховать, приобретает важное значение. Группа опций Island detection style (Стиль определения островков) на вкладке Advanced (Дополнительные опции) диалогового окна Boundary Hatch помогает решить эту задачу (рис. 5.3).
![]() |
Рис. 5.3. Выбор стиля штриховки
Ниже приведено краткое описание каждого из трех стилей определения контура, предлагаемых системой.
Normal (Нормальный). В этом случае штриховка замкнутых внутренних областей выполняется попеременно: вначале заштриховывается внешняя замкнутая область, причем внутренние островки (контуры) остаются нетронутыми; затем, если такой островок в свою очередь имеет внутренние островки, его штриховка осуществляется по тому же правилу и т. д., пока не окажется ни одного островка, имеющего внутренние замкнутые контуры. Этот стиль предлагается по умолчанию.
Outer (Внешний). В данном случае позволяется заштриховать только внешнюю замкнутую область. Анализ всех вложенных областей системой не выполняется.
Ignore (Игнорирование). Все островки игнорируются, и область внутри внешнего контура полностью заштриховывается.
На рис. 5.4 приведен пример использования различных стилей штриховки.
Рис. 5.4. Различные стили штриховки
Редактирование штриховки осуществляется после двойного щелчка на ней левой кнопкой мыши (в окне Boundary Hatch).
Практическое задание 5.2
1. Создайте объекты, изображенные на рис. 5.4.
2. Заштрихуйте их различными видами штриховки, используя различные стили контуров.
Содержание отчета
1. Цель работы.
2. Перечень основных команд, используемых при выполнении задания.
3. Результат индивидуального задания на ПЭВМ.
4. Выводы по работе.
Контрольные вопросы
1. Чем отличается вычерчивание полилиний и сплайнов?
2. Какие виды штриховки вы знаете?
3. Назовите стили штриховки объектов?
4. Как задается угол наклона штриховки?
5. Как изменить расстояние между штриховыми линиями?
Лабораторная работа 6
Формирование чертежей средствами AutoCAD
Цель работы: формирование умений создания текстов, нанесения размеров, создания размерных стилей и допусков, редактирования размеров, извлечения информации из чертежей.
Порядок выполнения работы
1. Изучить теоретический материал.
2. Выполнить практические задания.
3. Получить индивидуальное задание у преподавателя согласно варианту.
4. Выполнить индивидуальное задание.
5. Оформить отчет по лабораторной работе.
6. Ответить на контрольные вопросы.
Теоретические сведения
В большинстве случаев текст используется в качестве кратких пояснительных надписей и примечаний, но иногда он может состоять из обширных параграфов, предназначенных для разъяснения или аннотирования объектов чертежа.
Для облегчения работы с чертежом текст следует размещать в отдельном слое.
Ниже приведена последовательность действий по созданию слоя для комментариев и включению пояснительной надписи:
1) откройте чертеж;
2) чтобы создать слой, выберите команду Format/Layer или щелкните на кнопке Layers панели инструментов Object Properties (Свойства объектов), или введете в командной строке Layer и нажмите Enter. Откроется диалоговое окно Layer Properties Manager (Менеджер свойств слоя);
3) выберите New (Новый). В нижней части списка слоев (Layer Name list) появится новая строка;
4) введите имя нового слоя, например, «Текст»;
5) щелкните на кнопке Current (Текущий), чтобы придать слою статус текущего;
6) щелкните по кнопке ОК, чтобы завершить работу, связанную с созданием нового слоя;
7) щелкните на кнопке
Multiline Text (Многострочный текст);
8) укажите левой кнопки мыши положение контурной рамки, внутри которой будет размещена текстовая надпись. Расширить контурную рамку текста можно будет позже, захватив одну из ее угловых точек и перетащив в нужное место экрана.
Откроется диалоговое окно Multiline Text Editor (Редактор многострочного текста), показанное на рис. 6.1;
Рис. 6.1. Окно Multiline Text Editor
9) введите текст, например, «Технические требования»; укажите необходимый шрифт, его размер и цвет; щелкните на кнопке ОК.
По мере ввода пояснительного текста он будет отображаться в окне Multiline Text Editor. После щелчка по кнопке ОК, текст появится в том месте графической зоны чертежа, которое вы указали.
Четыре вкладки окна Multiline Text Editor изображены на рис. 6.1: Character (Символ), Properties (Свойства), Line Spacing (Межстрочный интервал) и Find/Replace (Поиск/Замена).
Для отображения значка диаметра (Æ) в тексте необходимо ввести «%%с», градуса (°) – «%%d», плюса-минуса (±) – «%%p».
Практическое задание 6.1
С использованием инструмента Multiline Text создайте текстовую надпись следующего содержания:
1. * Размеры для справок.
2. Печатную плату изготовить комбинированным позитивным методом.
3. Плата должна соответствовать ГОСТ 23752–79. Группа жесткости 1.
4. Шаг координатной сетки 2,5 мм.
5. Класс точности 2 по ГОСТ 23751–86.
6. Конфигурацию проводников выдержать по координатной сетке.
7. Параметры элементов рисунка печатной платы приведены в табл. 1, 2.
8. Форма контактных площадок произвольная.
9. Покрытие Сплав Розе ТУ–88.
10. Максимальное отклонение от рисунка ± 0,1 мм.
Команда Text
Команда Text (Текст) не позволяет выбирать шрифты. Ниже приведена последовательность рекомендаций по использованию команды Text (Текст) для размещения текста на чертеже:
1) введите команду Text в командной строке и нажмите Enter;
2) укажите точку вставки первого символа строки текста;
3) задайте высоту текста в командной строке;
4) укажите угол поворота строки текста вводом его значения в командной строке и нажатием Enter либо вращением линии на экране с помощью мыши;
5) введите содержимое первой строки текста и нажмите Enter;
6) введите дополнительные строки текста, завершая каждую из них нажатием Enter;
7) чтобы завершить выполнение команды, нажмите Enter, не введя ни одного символа в очередной строке.
Практическое задание 6.2
С использованием команды Text создайте текстовую надпись следующего содержания:
«Диаметр отверстия: Æ4».
«Балку расположить под углом 45°».
Нанесение размеров
Нанесение размеров в AutoCAD осуществляется при помощи инструментов панели Dimension (рис. 6.2).
Рис. 6.2. Панель инструментов для нанесения размеров
В табл. 6.1 указано назначение каждой из кнопок панели.
Т а б л и ц а 6.1
Назначение кнопок панели Dimension
Инструмент | Назначение |
| Линейный размер – это обычно горизонтальный или вертикальный размерный объект с выносными линиями, проходящими вертикально (в первом случае) или горизонтально (во втором) через определяющие точки исходного измеряемого объекта чертежа |
| Параллельный размер – это разновидность линейного размера, используемая в тех случаях, когда размерная линия вычерчивается под тем же углом, что и измеряемая сторона исходного объекта |
| Ординатный размерный объект – это выноска, сопровождаемая значениями пары координат (X, Y) некоторой точки |
| Радиальный размер – это объект, в котором размерная линия идет из точки центра дуги или окружности и завершается стрелкой, касающейся этой кривой (дуги или окружности) |
| Размерная линия диаметрального объекта пересекает дугу или окружность и проходит через точку ее центра. Места пересечений снабжаются размерными стрелками |
| Угловой размер предназначен для отображения величины углов. Размерная линия представляет собой дугу с размерными стрелками внутри измеряемого угла |
| Опция быстрого задания размеров позволяет единовременное построение групп размерных объектов вместо создания каждого отдельного объекта по очереди |
Окончание табл. 6.1 | |
Инструмент | Назначение |
| Базовый размер – это серия связанных между собой размерных элементов, вычерчиваемых от общей кромки измеряемого объекта. Базовые размеры могут быть линейными, угловыми или ординатными – в зависимости от типа предыдущего построенного размера. Если предыдущий размер не относится к одному из названных типов, AutoCAD выдаст запрос на указание одного из таких размерных объектов для использования его в качестве базового |
| Опция построения размерной цепи позволяет использовать вторую выносную линию предыдущего размерного объект в качестве базовой для следующего |
| Выноска – это графический указатель, который присоединяет текст комментария к некоторому геометрическому элементу |
| Допуск – это специальным образом формализованное описание допустимого интервала изменения размерного числа. Команда позволяет указать символ и другие параметры допуска |
| Маркером центра отмечаются точки центра окружностей и дуг. Внешним видом маркера можно управлять: указать, чтобы он выглядел как маленький символ плюса или крест большего размера, пересекающий линию окружности или дуги. Маркер центра обычно используется в сочетании с радиальным или диаметральным размерными объектами |
| Эта опция позволяет редактировать характеристики одного или сразу нескольких размерных объектов |
| Эта опция предлагает непосредственный доступ к характеристикам размерного текста |
| Применяет установки текущего размерного стиля и любые их изменения, действующие в данный момент, к одному или нескольким выбранным вами размерным объектам |
| Эта опция позволяет определить размерный стиль – множество параметров, объединенных в группу под заданным именем, и изменять характеристики стиля, используя диалоговое окно Dimension Style Manage (Менеджер размерных стилей) |
Настройка размерного стиля осуществляется в соответствующем окне Dimension Style Manager после нажатия кнопки
(рис. 6.3).
Рис. 6.3. Меню настройки размерных стилей
Нажатием кнопки Modify в окне Modify Dimension Style производится модификация текущего размерного стиля (рис. 6.4 и 6.5).
Окно Modify Dimension Style включает закладки (рис. 6.4):
Lines and Arrows – настройка типа линий, стрелок и маркера центра окружности;
Text и Fit – настройка шрифта, размеров символов и положения текста на размерных линиях;
Primary Units – настройка единиц измерения и коэффициента масштабирования (Scale factor) и др.;
Alternative Units – настройка отображения альтернативных единиц измерения совместно с основными;
Tolerances – настройка отображения допусков на размеры.
Рассмотрим пример (рис. 6.6):
1. Нажимаем кнопку
для простановки линейного размера.
2. Последовательно указываем точки.
3. Затем указываем отступ размерной линии от объекта (3).
Рис. 6.4. Настройка линий и размеров стрелок
![]() |
Рис. 6.5. Настройки размерного текста
Рис. 6.6. Пример простановки размеров
Для данного примера в закладке Tolerances окна Modify Dimension Style был выбран метод Symmetrical отображения допусков с точностью (Precision), равной «0.0» (одна цифра после запятой) и верхним значением допуска (Upper Value), равным 0,1 мм.
Для установки символа «диаметр» перед размерным числом на виде «сбоку» необходимо создать новый размерный стиль в окне Dimension Style Manager (рис. 6.3), а затем в закладке Primary Units созданного стиля в поле Prefix ввести «%%c» без кавычек (литера «с» – английская). Размер проставляется с помощью кнопки
панели Dimension с обязательным указанием стиля (на рис. 6.7 стиль назван My Style + diameter).
![]() |
Рис. 6.7. Указание диаметра на виде «сбоку»
На рис. 6.7 изображен боковой вид цилиндра с указанием его диаметра.
Практическое задание 6.3
1. Выполните задание 5.1 (с. 45 данного пособия) с простановкой размеров.
2. Постройте объект, изображенный на рис. 6.7.
3. Создайте собственный размерный стиль для обозначения диаметра на виде «сбоку».
Содержание отчета
1. Цель работы.
2. Перечень основных команд, используемых при выполнении задания.
3. Результат индивидуального задания на ПЭВМ.
4. Выводы по работе.
Контрольные вопросы
1. Назовите способы задания текста в программе AutoCAD.
2. Перечислите принципы работы с многострочным текстом.
3. Какие размеры можно проставить в программе, используя панель Dimension?
4. Назовите основные принципы работы с созданием новых размерных стилей, для чего это необходимо.
Лабораторная работа 7
Построение 3D-объектов
Цель работы: формирование умений построения 3D-объектов в программе AutoCAD.
Порядок выполнения работы
1. Изучить теоретический материал.
2. Выполнить практические задания.
3. Получить индивидуальное задание у преподавателя согласно варианту.
4. Выполнить индивидуальное задание.
5. Оформить отчет по лабораторной работе.
6. Ответить на контрольные вопросы.
Теоретические сведения
AutoCAD включает в себя средства трехмерного моделирования, которые позволяют работать как с простейшими примитивами, так и со сложными поверхностями и твердыми телами. Базовые типы пространственных моделей, используемых в AutoCAD, можно условно разделить на три группы:
1) каркасные модели;
2) модели поверхностей;
3) твердотельные модели.
Каркасная модель – это совокупность отрезков и кривых, определяющих ребра фигуры. В каркасном моделировании используются трехмерные отрезки, сплайны и полилинии, которые позволяют в общих чертах определить конфигурацию изделия.
Поверхностная модель – это совокупность поверхностей, ограничивающих и определяющих трехмерный объект в пространстве. Моделирование поверхностей применяется для детальной отработки внешнего облика изделия. Область применения данного вида моделирования – дизайн, решение задач компоновки сложных изделий и т. п.
Твердотельное моделирование – это самый простой способ 3D-моделирования. Средства AutoCAD позволяют создавать трехмерные объекты на основе базовых пространственных форм: параллелепипедов, конусов, цилиндров, сфер, клипов и торов (колец). Из этих форм путем их объединения, вычитания и пересечения строятся более сложные пространственные тела. Кроме того, тела можно строить, сдвигая плоский объект вдоль заданного вектора или вращая его вокруг оси.
Модификация тел осуществляется путем сопряжения их граней и снятия фасок. В AutoCAD имеются также команды, с помощью которых тело можно разрезать на две части или получить его двумерное сечение.
Построение простейших 3D-объектов
Простейшие элементы, из которых строятся сложные трехмерные объекты, называют твердотельными примитивами. К ним относятся: параллелепипед, клин, цилиндр (круговой, эллиптический), шар, тор. С помощью команд Box, Wedge, Cone, Cylinder, Sphere, Torus можно создать модели любого из этих тел заданных размеров, введя требуемые значения (меню Draw/Solids).
Пример построения 3D-объекта Box с размерами a:b:h = 100´100´50:
1) запускаем команду Box любым доступным способом;
2) отвечаем на запросы AutoCAD в командной строке (работа ведется в 2D-пространстве):
Command: box;
Specify corner of box or [CEnter] <0,0,0>: (указываем координату угла объекта);
Specify corner or [Cube/Length]: L (выбираем режим указания размеров граней – L);
Specify length: 100 (вводим значение длины, нажимаем Enter);
Specify width: 100 (вводим значение ширины, нажимаем Enter);
Specify height: 50 (вводим значение высоты, нажимаем Enter).
В результате получаем изображение, приведенное на рис. 7.1.
Рис. 7.1. Пример построения 3D-объекта Box
Вращение модели на экране осуществляется командой 3DOrbit.
Практическое задание 7.1
1. Создайте трехмерный объект, изображенный на рис. 7.1.
2. С помощью команды 3DOrbit осуществите его вращение.
Примитивы заданной формы создаются также путем выдавливания, осуществляемого командой Extrude, или вращения двумерного объекта – командой Revolve. Из примитивов получают более сложные объемные модели объектов. Запускаются все вышеназванные команды из меню Draw/Solids или из плавающей панели инструментов Solids (рис. 7.2).
![]() |
Рис. 7.2. Плавающая панель инструментов Solids
В табл. 7.1 приведены инструменты панели Solids.
Т а б л и ц а 7.1
Инструменты панели Solids
Пиктограмма | Команда | Назначение |
| Extrude | Служит для создания 3D-объектов из замкнутых контуров, образованных полилинией, путем выдавливания |
| Revolve | Служит для создания 3D-объектов из замкнутых контуров, образованных полилинией, путем вращения вокруг выбранной оси |
| Slice | Используется для разрезания трехмерных моделей заданной плоскостью |
| Section | Используется для создания сечений трехмерных моделей |
| Interfere | Создает третье тело из общего пространства двух пересекающихся тел |
Практическое задание 7.2
Создайте трехмерный объект «кувшин», изображенный на рис. 7.3, используя следующую последовательность:
1) с помощью полилинии в 2D-пространстве создаем контур кувшина;
2) запускаем команду Revolve и отвечаем на запросы AutoCAD:
Command: _revolve;
Current wire frame density: ISOLINES=4;
Select objects: 1 found (выделяем 2D-объект, нажимаем Enter);
Select objects:
Specify start point for axis of revolution or;
define axis by [Object/X (axis)/Y (axis)]: (указываем начальную точку оси вращения – а);
Specify endpoint of axis: (указываем конечную точку оси вращения – б);
Specify angle of revolution <360>: (указываем угол вращения, нажимаем Enter);
3) с помощью плавающих панелей инструментов Shade и 3DOrbit настраиваем вид объекта и его положение на экране.
В результате получаем заданный объект, изображенный на рис. 7.3.
Рис. 7.3. Пример использования команды Revolve
Раскрашивание 3D-объектов. Команда 3DOrbit
Раскрашивание 3D-объектов осуществляется с помощью инструментов плавающей панели Shade (рис. 7.4).
Рис. 7.4. Плавающая панель Shade
В табл. 7.2 приведены инструменты панели Shade.
|
Из за большого объема этот материал размещен на нескольких страницах:
1 2 3 4 |








