Министерство образования и науки Республики Казахстан
Павлодарский государственный университет
им. С. Торайгырова
Факультет машиностроения, металлургии и транспорта
Кафедра машиностроения и стандартизации
НАСТРОЙКА И НАЛАДКА ТОКАРНО-ВИНТОРЕЗНОГО СТАНКА НА ВЫПОЛНЕНИЕ ОПЕРАЦИЙ ТОКАРНОЙ ОБРАБОТКИ
Методические указания к выполнению практической работы № 5 по дисциплине «Металлорежущие станки» для студентов специальности 050712 – Машиностроение и 050732 – Стандартизация, метрология и сертификация (для внутривузовского пользования)
Павлодар
Кереку
2009
УДК 621.9(07)
ББК 63-5я7
К41
Рекомендовано к изданию заседанием кафедры машиностроения и стандартизации, факультета машиностроения, металлургии и транспорта Павлодарского государственного университета
им. С. Торайгырова
Рецензент:
– кандидат технических наук, профессор Павлодарского государственного университета им. С. Торайгырова
К41 Настройка и наладка токарно-винторезного станка на выполнение операций токарной обработки: методические указания к практической работе № 5 по дисциплине «Металлорежущие станки» для студентов специальности 050712 – Машиностроение и 050732 – Стандартизация, метрология и сертификация / сост. : – Павлодар : Кереку, 2009. – 24 с.
В методических указаниях рассмотрены вопросы подготовки оборудования к работе, расчета параметров движений, настройки и наладки станка на примере токарно-винторезного станка при обработке детали типа вал. Изложены причины формирования погрешности обработки. На основе приведенного примера студентам предлагается произвести анализ кинематической структуры станка по кинематической схеме согласно варианту задания.
Данная работа является завершающей в цикле работ по освоению методики анализа кинематической структуры станков.
УДК 621.9(07)
ББК 63-5я7
© 2009
© ПГУ им. С. Торайгырова, 2009
За достоверность материалов, грамматические и орфографические ошибки ответственность несут авторы и составители
Введение
Выполненные ранее практические работы (№ 1, 2, 3 и 4) дали чёткое представление о принципе получения поверхностей обрабатываемых деталей, формировании движений на станке и на этой основе построения структуры и расчета параметров движений. Дальнейшая задача заключается в использовании полученных знаний в решении более конкретной технологической задачи, заключающейся в расчете параметров движений, их настройке и наладке по кинематической схеме и паспортных данных конкретной модели станка. С решением подобной задачи наиболее часто приходится сталкиваться технологам на производстве. В работе приводятся примеры оценки формирования погрешностей, что также является неотъемлемой частью задачи, решаемой технологами. Данная работа является заключительной в плане формирования знаний в системном подходе к изучению металлорежущих станков.
1 Цели и задачи практической работы
1.1 Цель практической работы
– изучить настоящее методическое указание;
– освоить методику настройки и наладки станка на примере выполнения характерных операций на токарно-винторезном станке мод. 1А616;
1.2 Задачи практической работы:
– освоить порядок подготовки станка к выполнению заданной технологической операции;
– определить формообразующие и другие исполнительные движения и структуру станка для выполнения заданной операции;
– выполнить необходимые расчеты, настройку и наладку станка;
– оценить формирование погрешности обработки.
2. Назначение и техническая характеристика токарно-винторезного станка мод. 1А616
Станок предназначен для токарной обработки сравнительно небольших деталей из различных материалов в условиях единичного и мелкосерийного производства. На станке можно нарезать резцом метрические, дюймовые, модульные и питчевые резьбы.
Техническая характеристика станка.
Высота центров, мм 160
Максимальное расстояние между центрами, мм 710
Наибольший диаметр обрабатываемой детали, мм
– над станиной 320
– над суппортом 180
Пределы частот вращения шпинделя, об/мин 11-2240
Количество величин подач суппорта 22
Пределы величин продольных подач суппорта, мм/об 0,03-1,04
Типы нарезаемых резьб
– метрическая, шаг в мм 0,5-48
– дюймовая, число ниток на 1" 48-2,5
– модульная, модуль в мм 0,25-12
Мощность электродвигателя привода главного
движения, кВт 4,5
3. Настройка и наладка станка на обработку цилиндрических поверхностей вала
3.1 Подготовка станка и технологической оснастки
Рассмотрим методику настройки и наладки станка на примере обработки ступенчатого вала (рисунок 1).

Рисунок 1 – Ступенчатый вал
Считаем, что заготовка (прокат, сталь 40, Ø 60мм) поступила на обработку с предварительно обработанными торцами, центровыми отверстиями и предварительно обработанной шейкой вала Ø 35,4-0,2 х 25 с припуском под чистовую обработку (Ø 37) и шейкой Ø 45-0,2 х (60 – 25) также с припуском под чистовую обработку (Ø 46).
В качестве режущего инструмента принимаем резец проходной упорный отогнутый с углом φ = 900. Установку резца в резцедержателе производят по центру, установленному в коническое отверстие шпинделя или пиноли задней бабки.
Может быть принято две схемы обработки:
1) В центрах с передачей крутящего момента от поводкового патрона по схеме рисунка 2

Рисунок 2 – Обработка заготовки в центрах с приводом от поводкового патрона
Передача вращения в этом случае осуществляется поводковым патроном 1 через палец – поводок 2 хвостовику 3 хомутика, который крепится на детали винтом 4.
2) В трехкулачковом самоцентрирующем патроне с подводом вращающегося центра (рисунок 3).

Рисунок 3 – Схема обработки вала с закреплением в патроне и центрированием вращающимся центром задней бабки.
Как в первом, так и во втором случае необходима проверка соосности осей вращения шпинделя и вращающегося центра с целью исключения конусообразности при точении цилиндрических поверхностей. Проверка соосности выполняется либо посредством совмещения вершин центров установленных в шпинделе и пиноли задней бабки, либо посредством проверочных проходов резцом в заданном положении каретки суппорта (координата Х) по лимбу: диаметр у патрона и вблизи центра задней бабки должны быть одинаковыми. В случае наличия разности диаметров необходимо произвести смещение задней бабки в направлении, снижающем эту разницу согласно схеме (рисунок 4) до устранения этой разности.

Рисунок 4 – Схема формирования конусообразности и принцип ее устранения
Более высокую точность обработки деталей типа вал обеспечивает первый способ обработки (в центрах с передачей момента от поводкового патрона). Однако он требует значительных затрат времени на переналадку станка: снятие самоцентрирующего трехкулачкового патрона, установку поводкового патрона и переднего центра, установку детали и закрепление хомутика, установку заднего центра и подвод задней бабки. Второй метод требует только установку детали в трехкулачковом патроне и заднего центра задней бабки. Учитывая последующую финишную обработку с базированием в центровых отверстиях, можно считать второй вариант базирования и закрепления заготовки предпочтительным, особенно для условий единичного производства. Погрешность, вносимую этой схемой базирования и закрепления, будет составлять незначительную часть припуска под шлифование.
Перед настройкой станка и наладкой на заданные размеры необходимо проверить заземление станка, функционирование системы смазки, исправность механизмов переключения режимов обработки.
3.2 Кинематическая структура токарно-винторезного станка при точении
Образующая производящая линия (окружность) получается методом следа, реализуемого движением скорости резания Фv(В1), где В1 – вращение шпинделя с заготовкой. Направляющая производящая линия (прямая) получается также методом следа, реализуемого движением подачи Фs(П2), где П2 – поступательное перемещение суппорта с резцом вдоль оси заготовки. Таким образом, структуру станка образуют две простые кинематические группы и его структура – Э22 (рисунок 5)

Рисунок 5 – Кинематическая структура токарно-винторезного станка при точении
В состав первой кинематической группы, создающей движение скорости резания Фv(В1), входит внутренняя связь в виде кинематической пары шпиндель – опоры качения (1 – 2, рисунок 5), внешняя связь (7 – 5) с органом настройки iv в виде коробки скоростей с раздельным приводом (электродвигатель → ременная передача → коробка скоростей → ременная передача → перебор в шпиндельной бабке).
Направление вращения шпинделя на токарно-винторезном станке мод. 1А616 обеспечивается реверсивным электродвигателем. Поэтому реверсивный механизм Р2 во внешней связи 5 – 7 на этом станке отсутствует.
В состав второй кинематической группы, создающей движение подачи, входит внутренняя связь в виде кинематической пары суппорт – направляющие станины (3 – 4), внешняя связь в виде кинематической цепи шпиндель – ходовой вал (5 – 6) и далее на реечную передачу (механизм фартука суппорта). В качестве механизма для изменения направления перемещения суппорта используется реверсивное устройство Р1 во внешней связи. В станках других моделей для изменения направления перемещения суппорта используется реверсивное устройство, размещенное в фартуке суппорта, а упомянутое выше реверсивное устройство Р1 используется только при нарезании резьбы (правозаходной или левозаходной).
На станке имеет место движение врезания Вр(П3), где П3 поперечное перемещение каретки суппорта с резцом до получения заданного диаметрального размера. Это движение является установочным, т. к. выполняется до момента начала резания и является элементом наладки станка на заданный диаметральный размер, выполняемый оператором.
Механизированные вспомогательные движения на станке рассматриваемой модели не предусмотрены. Какие-либо специальные механизмы или устройства обеспечивающие возможность деления при нарезании многозаходных резьб на станке также не предусмотрены.
Рассмотренная структурная схема станка дает возможность перейти к анализу параметров движений и их настройке на основе кинематической схемы станка, которая, в свою очередь, разработана конструкторами на основе структурной схемы.
3.3 Анализ кинематической группы, создающей движение скорости резания
1) Траектория (окружность) не настраивается, т. к. обеспечивается кинематической парой шпиндель – опоры качения. Погрешность обработки (отклонение от круглости) зависит от класса точности подшипников, точности шпинделя и точности отверстия в корпусе под подшипники [8], а также от степени износа указанных элементов.
Следует отметить, что отклонение от круглости шейки вала со стороны задней бабки будет определяться, в основном, погрешностью вращающегося центра задней бабки. Отклонение от круглости со стороны передней бабки может определяться не только погрешностью кинематической пары шпиндель – опоры качения, но и точностью кулачков самоцентрирующего патрона (отсутствие износа базирующей поверхности и перекоса кулачков).
2) Настройка скорости резания.
УН: nэ, об/мин → nшп., об/мин

Предположим, что нам необходимо обеспечить на шпинделе частоту вращения nшп. = 450 об/мин. Тогда, воспользовавшись графиком частот вращения, приведенном на рисунке, запишем уравнение кинематического баланса:
УКБ:
= 463
Примечание: Условимся направление перемещения зубчатых колес, муфт и других устройств на кинематических схемах обозначать стрелками, направление которых совпадает с направлением перемещения по схеме.
Реальная частота вращения nшп. = 463 об/мин, что незначительно отличается от требуемой.
Эта частота вращения и другие устанавливаются путем переключения блоков в коробке скоростей на Z = 12 ступеней (Z = 3 · 4 = 12) и переключения перебора в шпиндельной бабке (муфта
). При левом положении муфты М1 все 12 частот вращения шпинделя передаются напрямую на шпиндель, что обеспечивает верхнюю, более высокую, область частот вращения. Блок зубчатых колес 68 – 20 при этом выключен. В случае переключения муфты М1 вправо (нейтральное положение), перемещается вправо блок 68 – 20 и все 12 частот вращения образуют нижнюю, более низкую, область частот вращения (в
раз)
Переключения рукояток производится по таблице, имеющейся в удобном для обзора месте на станке.
3) Настройка направления.
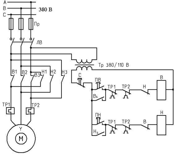
Направление вращения шпинделя обеспечивается электрической схемой состоящей из силовой цепи с реверсивным трехфазовым асинхронным электродвигателем М и цепи управления запитанной пониженным напряжением через трансформатор 380/110 В (рисунок 7).

Рисунок 7 – Принципиальная электрическая схема управления реверсивным электродвигателем
Силовая часть цепи и цепь управления запитывается от трехфазной сети напряжением 380 В через систему предохранителей Пр и линейный выключатель ЛВ. С целью повышения уровня безопасности цепь управления запитана через понижающий трансформатор.
Схема работает следующим образом.
При нажатии на кнопку ПВ («пуск вперед») срабатывает магнитный пускатель В. Его три замыкающие контакты в силовой цепи замыкаются и двигатель начинает работать в направлении «вперед». Чтобы магнитный пускатель не отключился после отпускания кнопки ПВ, последняя закорачивается четвертым замыкающим контактом В4 пускателя В (контакт самопитания). При нажатии кнопки С («стоп») цепь питания магнитного пускателя В прерывается, последний отключается размыкая контакты В1, В2, В3 и В4, двигатель останавливается.
При нажатии на кнопку ПН («пуск назад») происходит то же самое, что и при пуске «вперед», только ротор двигателя теперь будет вращаться в обратном направлении. Размыкающие контакты Н и В соответственно в цепи магнитного пускателя В и пускателя Н исключают возможность короткого замыкания в случае одновременного нажатия на кнопки ПВ и ПН, т. к. при включении одного из магнитных пускателей его размыкающий контакт размыкается и тем самым запрещает включение другого магнитного пускателя.
Для защиты от перегрузок и, как следствие, выхода из строя статорных обмоток электродвигателя, в силовой цепи установлены обмотки тепловых реле ТР1 и ТР2, а в цепи управления – их размыкающие контакты ТР1 и ТР2.
Направление вращения электродвигателя, а следовательно, и шпинделя обеспечивается простым поворотом удобно расположенной на станке рукоятки воздействующей на контакты ПВ, ПН, С.
Настройка на путь и исходное положение для рассмотренной кинематической группы не производится.
3.4 Анализ кинематической группы создающей движение подачи
1) Траектория (прямая линия) не настраивается, т. к. обеспечивается кинематической парой суппорт – направляющие станины (рисунок 5).
Погрешность траектории (отклонение от прямолинейности образующей цилиндра) при чистовой обработке (когда силы резания минимальны) зависит от точности направляющих и степени их износа. При черновой обработке, вследствие влияния значительных сил резания, вызывающих упругие отжатия формообразующих узлов, изменяется не только размер детали (как правило, увеличивается), но и прямолинейность перемещения, т. е. отклонение формы в продольном сечении детали. Это может быть вызвано колебанием сил резания из-за неравномерности припуска на обработку или не равномерной твердости заготовки, а также из-за неравномерности жесткости станка в различных положениях суппорта. Отклонение формы в продольном сечении в виде конусности при обработке в центрах может иметь место из-за смещения центра задней бабки относительно центра шпинделя (рисунок 4), при обработке в патроне – из-за непараллельности направления перемещения суппорта к оси шпинделя станка.
3) Настройка скорости подачи
УН: 1 об. шп. → S, мм перемещения суппорта с резцом.
Прежде чем записать УКБ для цепи, связывающей вращение шпинделя и перемещение суппорта, необходимо отметить следующее.
При разработке указанной кинематической цепи в процессе проектирования станка, прежде всего, учитывалась необходимость обеспечения стандартных шагов нарезаемых резьб. Для расширения диапазона типов и типоразмеров резьб в кинематической цепи от шпинделя к ходовому винту в токарно-винторезных станках установлены два органа настройки: сменные зубчатые колеса (как правило, обеспечивающие получение того или иного типа резьб) и коробки подач, обеспечивающей получение типоразмеров резьб (по шагу) через передачу ходовой винт – гайка. Величины же подач в требуемом диапазоне получаются той же кинематической цепью, но с переключением на ходовой вал и далее через механизм фартука суппорта и, в конечном итоге, через реечную передачу, преобразующей вращательное движение реечной шестерни в поступательное перемещение суппорта при точении. Если незначительное изменение в передаточном отношении цепи, связывающей вращение шпинделя и перемещение суппорта при нарезании резьбы, вызовет нарушение шага резьбы, т. е. погрешность траектории, то тоже самое незначительное изменение передаточного отношения в той же цепи при точении цилиндрической поверхности не приведет к искажению траектории (прямой линии) и даже не окажет заметного влияния на шероховатость поверхности. Это связано с тем, что рассматриваемая цепь в последнем случае является внешней связью.
При точении звено увеличения шага (блок Б4 в шпиндельной бабке, рисунок 6) ставится в положение «нормальный шаг» (т. е.
) как показано на схеме. При этом положении блока Б4 и при передаточном отношении сменных зубчатых колес ix =
при проектировании станка выполнялся подбор передаточных отношений в фартуке суппорта для обеспечения заданного интервала величин подач от 0,078 до 1,04 мм/об.
В качестве примера запишем УКБ цепи для минимальной величины подачи, соответствующей чистовой обработке вала (рисунок 6):

где iх =
− передаточное отношение сменных зубчатых колес соответствующее нарезанию наиболее распространенной метрической резьбы;
,
,
– соответственно : блок Б4 «влево» по схеме, муфта М2 «влево», шестерня Z=51 «вправо» (выключена); m и Zрш – параметры реечной шестерни.
Требуемая величина подачи настраивается с помощью рукояток, устанавливаемых в требуемое положение в соответствии с таблицей, размещенной на станке в удобном для обзора месте.
3) Настройка направления перемещения суппорта на станке мод. 1А616 обеспечивается реверсным устройством с перемещаемой шестерней Z = 34 в шпиндельной бабке. Положение шестерни, показанное на кинематической схеме (рисунок 6), соответствует наиболее распространенному перемещению суппорта справа налево.
Цена деления лимба продольного перемещения суппорта равна 1мм, поэтому величина перемещения суппорта равная 60 мм и 25 мм, согласно чертежу детали (рисунок 1), легко определяется по лимбу. Исходное положение резца определяется моментом касания режущей кромкой резца торца детали в процессе вращения последней.
3.5 Анализ механизма движения врезания
Установочные перемещения каретки суппорта с резцом в поперечном направлении (ось Х) с целью получения заданного диаметрального размера осуществляется по лимбу поперечной подачи. Цена деления лимба равна Ц = 0,05 мм, за один оборот рукоятки каретка суппорта с резцом переместится на 5 мм (шаг ходового винта tx. в..= 5 мм), т. е. лимб имеет 100 делений (0,05 мм х 100 = 5 мм). Перемещение каретки с резцом на одно деление обеспечивает уменьшение диаметра на 0,1 мм. Таким образом, число делений Z, на которые необходимо повернуть рукоятку по лимбу для получения заданного диаметра d по отношению к предыдущему диаметру D определяется по формуле

Например, диаметр D обрабатываемой поверхности после измерения оказался равным D = 46 мм, а необходимо получить по чертежу детали диаметр d = 45-0,2 мм (рисунок 1). С учетом необходимости получения диаметра посередине поля допуска число делений, на которое надо повернуть рукоятку по лимбу, определится следующим образом
.
Действительный же размер после измерения будет несколько отличаться от желаемого (Ø 44,9) в результате влияния ряда факторов как станочного происхождения, так и не по вине станка: точности передачи ходовой винт – гайка и степени ее износа, погрешности установки и закрепления детали, качества режущего инструмента, точности мерительного инструмента, квалификации оператора. Эта погрешность, как было указано ранее, и является погрешностью наладки.
4 Варианты заданий
| ||
№ варианта | Эскиз детали и другие исходные данные | Модель станка |
1 1.1 1.2 1.3 |
Обрабатывается поверхность диаметром d1 = 50мм; квалитет точности – 9, ℓ1 = 500мм, ℓ3 = 200мм Обрабатывается поверхность диаметром d1 = 50мм; квалитет точности – 7, ℓ1 = 500мм, ℓ3 = 200мм Обрабатывается поверхность диаметром d2 на длине ℓ2; d2 = 40мм, ℓ2 = 30мм, квалитет точности – 7 Примечание: ширина шлифовального круга больше ℓ2 | 16К20 3Е153 3Е153 |
2 2.1 2.2 2.3 |
Обрабатывается коническая поверхность длиной ℓ3; d2 = 40мм, d3 = 50мм, ℓ3 = 50мм, ℓ1 = 350мм, квалитет точности – 9 Обрабатываются поверхности диаметром d1, d2 (коническая поверхность) d3 на длине ℓ4: d1 = 30мм, d2 = 40мм, d3 = 50мм, ℓ1 = 220мм; ℓ2 = 30мм, ℓ3 = 50мм, ℓ4 = 100мм. Квалитет точности – 9 Обрабатываются поверхности диаметром d1, d2 (коническая поверхность), d3 на длине ℓ4; d1 = 30мм, d2 = 40мм, d3 =50мм, ℓ1 = 220мм; ℓ2 = 30мм, ℓ3 = 50мм, ℓ4 = 100мм Квалитет точности – 8 | 16К20 1722 16К20Ф3 |
3 3.1 3.2 3.3 3.4 |
d1 = 30мм, d2 = 24мм, ℓ3 = 100мм, ℓ1 = 170мм, ℓ2 = 30мм. Резьба трапецеидальная, Тr 30х4(Р2) – 8е9h шаг резьбы Р = 2мм, двухзаходная d1 = 30мм, d2 = 24мм, ℓ3 = 100мм, ℓ2 = 30мм, ℓ1 = 170мм. Резьба метрическая, М 24 – 8е8h (на диаметре d2) Тr 30х4(Р2) – 6е7h, ℓ1 = 170мм, ℓ3 = 100мм, ℓ2 = 30мм. d1 = 30мм, d2 = 24мм, ℓ1 = 170мм, ℓ2 = 30мм, ℓ3 = 100мм Винтовая канавка для смазки на диаметре 30мм, шаг винтовой канавки Т = 1200мм, квалитет точности – 9 | 16К20 5Б63 5П822 6Н82 и делительная головка |
4 4.1 4.2 |
ℓ1 = 70мм, d1 = 10мм, d2 = 6мм (М 1:1), Квалитет точности – 8 ℓ1 = 70мм, d1 = 10мм, d2 = 6мм (М 1:1), Квалитет точности – 8 | 1А12П 1А616Ф3 |
5 5.1 5.2 5.3 |
ℓ1 = 80мм, ℓ2 = 60мм, ℓ3 = 60мм, h1 = 40мм, h2 = 20мм Фрезерование поверхности А, h1 по 8-му квалитету точности ℓ1 = 80мм, ℓ2 = 60мм, ℓ3 = 60мм, h1 = 40мм, h2 = 20мм Фрезерование поверхности А, h1 по 8-му квалитету точности ℓ1 = 80мм, ℓ2 = 60мм, ℓ3 = 60мм, h1 = 40мм, h2 = 20мм Строгание поверхности А, h1 по 8-му квалитету точности | 6Т80Ш 6Т10 7305 |
6 6.1 6.2 6.3 6.4 | Зубчатое колесо
Прямозубое Z = 60, m = 3, степень точности – 8 Прямозубое Z = 60, m = 3, степень точности – 8 Косозубое Z = 60, m = 3, степень точности – 8 Прямозубое Z = 30, m = 5, степень точности – 6 Режущий инструмент – дисковый шлифовальный круг с периферийной частью, соответствующей профилю зуба производящей рейки | 5А122Е 5Б310П 5Б310П 5Д833 |
7 7.1 7.2 7.3 |
ℓ1 = 400мм, ℓ2 = 360мм, ℓ3 = 280мм, h1 = 300мм, h2 = 160мм, h3 = 20мм, Фрезерование поверхности А, квалитет точности – 8 ℓ1 = 400мм, ℓ2 = 360мм, ℓ3 = 280мм, h1 = 300мм, h2 = 160мм, h3 = 20мм, Растачивание отверстий d1 = 60мм, Вариант 1-ый: без поворота стола Вариант 2-ой: с поворотом стола, квалитет точности – 7 ℓ1 = 400мм, ℓ2 = 360мм, ℓ3 = 280мм, h1 = 300мм, h2 = 160мм, h3 = 20мм, Подрезка торцов (плоскости А) с планшайбы: d1 = 60мм, d2 = 90мм, квалитет точности 8 | 2Л614 2Л614 2Л614 |
8 8.1 8.2 8.3 |
Тонкое фрезерование поверхности А ℓ1 = 200мм, ℓ2 = 150мм, ℓ3 = 75мм, b1 = 120мм, b2 = 100мм h1 = 50мм, h2 = 20мм, h3 = 30мм, квалитет точности 7 Тонкое растачивание отверстий d1 = 30мм, d2 = 50мм, ℓ1 = 200мм, ℓ2 = 150мм, ℓ3 = 75мм, b1 = 120мм, b2 = 100мм, b3 = 60мм, h1 = 50мм, h2 = 20мм, h3 = 30мм, квалитет точности 7 Шлифование отверстий d1 = 30мм, d2 = 50мм, ℓ1 = 200мм, ℓ2 = 150мм, ℓ3 = 75мм, b1 = 120мм, b2 = 100мм, b3 = 60мм, h1 = 50мм, h2 = 20мм, h3 = 30мм, квалитет точности 6 | 2В430 2В430 Координатно-шлифо-вальный 3283 |
9 9.1 9.2 |
Нарезать прямозубое коническое колесо: Z = 35, m = 2, d = 25мм, b = 20мм, 2φ =600 Нарезать коническое зубчатое колесо с круговой формой зуба по длине: Z = 35, m = 2, d1 = 25мм, b = 20мм, 2φ =600 | 5236П 5С23П |
10 10.1 10.2 |
D = 100мм, D1 = 150мм, b1 = 50мм, b2 = 40мм, Шлицевое отверстие 100х4х9Н (Z = 24, m = 4) D = 100мм, D1 = 150мм, b1 = 50мм, b2 = 40мм, Шлицевое отверстие 100х4х7Н (Z = 24, m = 4) | 7Б420 (единичное) 7Б520 (массовое) |
5 Порядок выполнения практической работы
1) Изучить порядок подготовки станка, принцип расчета параметров настройки и наладки станка, оценки формирования погрешности на примере обработки детали типа вал на токарно-винторезном станке мод. 1А616.
2) Ознакомиться с технологическими возможностями, технической характеристикой и компоновкой станка согласно варианту задания.
3) Выполнить описание порядка подготовки станка к выполнению заданной технологической операции (приспособление, режущий инструмент, метод установки и закрепления), составить схему обработки.
4) Определить формообразующие и другие исполнительные движения и составить структуру станка.
5) Выполнить необходимые расчеты, настройку и наладку станка.
Примечание: настройку и наладку станка при наличии соответствующего оборудования в лабораториях кафедры выполнить реально под наблюдением учебного мастера.
6) Выполнить анализ формирования погрешности обработки.
Контрольные вопросы
1. Назовите основные технические характеристики токарно-винторезного станка мод. 1А616 и станка по варианту.
2. Поясните схематично базирование заготовки вала в центрах и в патроне с поджимом центром задней бабки.
3. Поясните схематично базирование и закрепление заготовки на станке по варианту.
4. Составьте уравнение кинематического баланса для минимальной частоты вращения шпинделя станка по варианту.
5. Составьте уравнение кинематического баланса для минимальной подачи станка по варианту.
6. Поясните работу принципиальной электрической схемы токарно-винторезного станка мод. 1А616.
7. Какая технологическая оснастка применяется на станке по варианту задания?
Литература
1 , , Носинов -ванные металлорежущие станки общемашиностроительного применения. Справочник. – М. : Машиностроение, 1983. – 287 с.
2 , Мещеряков и Р. К., ред. Справочник технолога-машиностроителя. – М. : Машиностроение, 1985. Том 2. – 496 с.
3 , ред. Проектирование металлорежущих станков и станочных систем. Справочник – учебник в трех томах. Проектирование станков. – М. : Машиностроение, 1994. – Том 1. – 444 с.
4 , , Покровский станки. Альбом общих видов, кинематических схем и узлов. – Л. : Машиностроение, 1972. – 306 с.
5 Металлорежущие станки, выпускаемые в СССР (в странах СНГ). Справочно-информационный материал. – М. : КНТЦ ЭНИКС, ЭНИМС, 1990. – 425 с.
6 Федотёнок структура металлорежущих станков. – М. : Машиностроение, 1970. – 407 с.
7 , и др. Металлорежущие станки. – М. : Машиностроение, 1980. – 500 с.
8 Кочергин и расчет металлорежущих станков и станочных комплексов. – Минск : Высшая школа, 1991. – 382 с.
Содержание
Введение ………………………………………………….....3
1 Цели и задачи практической работы…………………....…4
1.1 Цель практической работы…………………………….…..4
1.2 Задачи практической работы………………………….…...4
2 Назначение и техническая характеристика
токарно-винторезного станка мод. 1А616………………..4
3 Настройка и наладка станка на обработку
цилиндрических поверхностей вала…………………..…..5
3.1 Подготовка станка и технологической оснастки……..…..5
3.2 Кинематическая структура токарно-винторезного
станка при точении ……………………………….……......7
3.3 Анализ кинематической группы, создающей
движение скорости резания……………………….…….…9
3.4 Анализ кинематической группы создающей
движение подачи………………………………….…….…13
3.5 Анализ механизма движения врезания………….…….…15
4 Варианты заданий……………………………….……...17
5 Порядок выполнения практической работы………..…....21
Контрольные вопросы…………………………………….22
Литература…………………………………………………23













