Пояснительная записка
1. ВВЕДЕНИЕ
Проект «Автоматизация контроля и учета электропотребления жилых домов по адресу: Московская область, Посёлок коттеджного типа «Образцовый» выполнен в соответствии с техническими условиями № __________от ____________________03 г., выданными ______________________________________________.
Автоматизированная система контроля и учета электропотребления (далее по тексту АСКУЭ) выполнена на базе «Автоматизированной системы контроля и учета энергоресурсов» (АСКУЭР «Континиум»), разработанной ИАЦ НТИ «Континиум».
2. ХАРАКТЕРИСТИКА ОБЪЕКТА
Автоматизируемый объект является жилым поселком, состоящим из восемнадцати улиц, на каждой из которых расположены участки с жилыми домами (коттеджами). Дом может занимать один или несколько участков. Общее количество точек учёта – 142.
Во всех домах кроме № 3, 4, 26, 58, 63, 74 ведётся учёт по одному трёхфазному счётчику СЭТ-3А-02 (одна точка учёта).
В домах № 3, 4, 26, 74 (кондоминимумы) ведётся учёт по четырём однофазным счётчикам СЭТ-1-1 (четыре точки учёта).
В доме № 58 (кондоминимум) ведётся учёт по трём однофазным счётчикам СЭТ-1-1 (три точки учёта).
В доме № 63 (ресторан) ведётся учёт по двум трёхфазным счётчикам СЭТ-3А-02 (две точки учёта).
Электроснабжение каждого дома осуществляется по трём фазам. Электроснабжение домов осуществляется по трехфазным четырёхпроводным кабелям, идущим от шестнадцати распределительных шкафов (ШР) наружного исполнения.
Счётчики расположены в шестнадцати Шкафах Учёта (ШУ), смонтированных непосредственно рядом с шестнадцатью распределительными шкафами (ШР).
Электроснабжение посёлка осуществляется от ТП-414 с двумя трансформаторами 10/0,4 кВ по двум вводам.
3. НАЗНАЧЕНИЕ АСКУЭ
3.1 АСКУЭ предназначена для автоматизированного контроля и одно-, двух - и многотарифного учета потребления электроэнергии каждым бытовым абонентом, общего объема потребления на бытовые и технические нужды с использованием запатентованной технологии передачи и сбора информации по силовой сети.
3.2 АСКУЭ обеспечивает возможность расширения системы путем подключения дополнительных датчиков потребления ресурсов (например, датчиков холодной, горячей воды, газа), без замены смонтированной части системы.
3.3 АСКУЭ позволяет получать данные и автоматически выписывать счета по каждому абоненту об объеме потребленной электроэнергии по одно-, двух - и многотарифным временным зонам с разными тарифами, величине потребленной электроэнергии с начала текущего месяца, месячные объемы потребления электроэнергии на внутридомовые технические нужды и отдельным абонентом, а также получать энергобаланс дома по потребляемой электроэнергии (в пределах точности системы).
3.4 АСКУЭ позволяет обнаруживать потери электроэнергии через контроль баланса бытового потребления, осуществлять мониторинг реального электропотребления жилого сектора.
3.5 АСКУЭ спроектирована на основании следующих руководящих документов:
- ПУЭ, издание шестое, с изменениями, исправлениями и дополнениями,
принятыми Главгосэнергонадзором РФ в период с 01.01.92 по 01.12.99г.
- СНиП 3.05.07-85. Строительные нормы и правила. Системы автоматизации.
- СНиП 3.05.06-85. Строительные нормы и правила. Электротехнические устройства.
- ППБ-01-93. Правила пожарной безопасности в Российской Федерации.
- ВСН-59-88. Ведомственные строительные нормы. Электрооборудование жилых и общественных зданий. Нормы проектирования.
4. ТЕХНИЧЕСКИЕ СРЕДСТВА
4.1 Состав АСКУЭ, устанавливаемый на данный дом и необходимый ЗИП, приведен в спецификации оборудования.
Основными компонентами системы являются многоканальные электросетевые модемы ЭСМ PLM-4CN (далее по тексту ЭСМ) и локальный блок сбора данных (далее по тексту ЛБСД). ЛБСД обрабатывает информацию от ЭСМ, обеспечивает её хранение и передачу в центральную диспетчерскую.
4.2 ЭСМ устанавливают по 2, по 3 или по 4 на каждый шкаф учёта (ШУ) (в зависимости от количества счётчиков). Каждый ЭСМ рассчитан на подключение к нему до четырех счетчиков с телеметрическим импульсным выходом. ЭСМ реализует функцию сбора показаний счетчиков потребления ресурсов, накопление и сохранение данных при отключении сетевого напряжения (питание ЭСМ осуществляется от сети 220 В). Передача информации от ЭСМ в ЛБСД осуществляется по проводам силовой сети.
4.3 ЛБСД устанавливается в ТП и крепится к стене (в данном случае) при помощи дюбелей и саморезов диаметром 8 мм, через крепежные отверстия его корпуса. ЛБСД подключается к двум вводам через устройство связи. ЛБСД реализуют функции сбора, длительного хранения, привязки ко времени первичной информации о показаниях счётчиков учитываемых ресурсов.
4.4. Программно – аппаратный комплекс центральной диспетчерской, реализует функции длительного хранения, обработки и вывода информации (расчетных счетов и т. д.) о потреблении ресурсов.
4.5 Для индивидуального учета электропотребления в АСКУЭ используются (в данном случае) счетчики электрической энергии СЭТ-3А-02Т, СЭТ -1-1.
4.6. Для контроля общего электропотребления бытовыми абонентами на вводах трансформаторной подстанции предусмотрены счетчики типа СЭТ-3А-02Т c трансформатором тока «ЭТ-0,66 1000/5».
4.7. Стандартный вариант связи ЛБСД с компьютером центральной диспетчерской через GSM модем. В этом случае GSM-модем устанавливается внутри блока ЛБСД и на внешнюю панель ЛБСД выводится высокочастотный разъем BNC-101, к которому подключается радиоантенна (см. рис. 4).
5. ОСНОВНЫЕ РЕШЕНИЯ ПО ПРОИЗВОДСТВУ
МОНТАЖНО-НАЛАДОЧНЫХ РАБОТ
5.1 Монтаж элементов ШУ (шкафов учёта) осуществляется в стационарных условиях. ШУ поставляется в укомплектованном виде. Монтаж ШУ на объекте осуществляется с тыльной стороны ШР (шкафов распределительных).
При проведении монтажа ШУ:
- Установить сварную подставку ШУ с тыльной стороны ШР, заглубить ножки подставки в землю на 20 см. Установить ШУ на сварную подставку.
- Просверлить 2 отверстия диаметром 8 мм в верхней части корпуса ШР и с помощью болтов закрепить ШУ к ШР.
- Отсоединить провода домовых автоматов от вводного автомата (ВА). Протянуть из ШР в ШУ силовой кабель ВВГ. Подключить кабель марки ВВГ 3х10 к ВА в ШР.
- Подсоединить к кабелю ВВГ через «орешковые» изоляторы проводом ПВ-3 эл. счётчики. Подключить эл. счётчики проводом ПВ-3 к квартирным автоматам.
- Подсоединить провод автомата АВ питания нагревательного элемента к силовому кабелю ВВГ.
5.2. Монтаж ЭСМ в ТП осуществляется в горизонтальном положении.
При проведении монтажа ЭСМ в ТП :
- закрепить в горизонтальном положении рейку DIN-35 к монтажным стойкам электрощитка с помощью болтов и гаек М4 (по месту);
- установить ЭСМ на рейку DIN-35 и закрепить его защелкой корпуса;
- подключить телеметрические выходы электросчетчиков СЭТ-3А-02Т к соответствующим клеммам в соответствии со схемой подключения.
Примечание1. «+» (клемма 14) телеметрического выхода электросчетчика СЭТ-3А-02 подключается к четной клемме ЭСМ («16», «18», «20», «22»), «–» (клемма 18) к нечетной клемме («17», «19», «21», «23») ЭСМ.
ВНИМАНИЕ! Перепутывание полярности недопустимо.
Примечание 2. Для контроля правильности подключения телеметрических кабелей необходимо вести присоединение проводов телеметрического кабеля КТМ.8-00 по их цветовой маркировке. Для этого начало и конец провода в жгуте имеют одинаковую цветовую маркировку, а сами жилы провода имеют различный цвет.
- подключить питающее напряжение к ЭСМ, соединив при помощи проводов клеммы «10» и «11» с «фазой» и «нейтралью» ШУ, в соответствии со схемами подключения в ШУ и рис.2.
Провод, который присоединяется к входной клемме автоматического выключателя, имеет плоский наконечник. Он монтируется в соответствии с рис. 2. При монтаже необходимо обеспечить надежный контакт между питающим проводом и клеммами пакетного переключателя.

Рис. 1

Рис. 2
После проведения вышеназванных операций крышки, закрывающие клеммные колодки счетчиков СЭТ-3А-02, СЭТ -1-1 должны быть опломбированы.
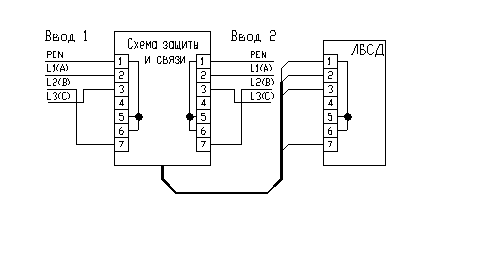
5.2 Монтаж ЛБСД производится в ТП, путем крепления при помощи дюбелей и саморезов диаметром 8 мм, через крепежные отверстия его корпуса к стене. ЛБСД подключается к двум фазам через устройство связи, смонтированное в щите «GW40-104», в соответствии со схемой подключения ЛБСД к питающей магистрали (рис.3) и схемами распределительной сети.

Рис.3
5.3 Счетчики СЭТ-3А-02, монтируются в шкафах учёта в соответствии со схемами соединений, схемами соединений телеметрии, схемами включения счетчиков и в соответствии с НД на эти счетчики.
5.4 Пуско-наладка АСКУЭ осуществляется специально подготовленными специалистами с использованием специализированного оборудования и в соответствии с руководством по эксплуатации 4205 – 004 – – 00 РЭ.
5.5 Монтаж выполнять по ГОСТ , провода по ГОСТ .
6. МЕРЫ БЕЗОПАСНОСТИ
6.1 При проведении работ по монтажу и наладке АСКУЭ должны соблюдаться требования, установленные ГОСТ 12.2.007.0-75, ГОСТ 12.2.007.3-75, ГОСТ , «Правилами техники безопасности при эксплуатации электроустановок потребителей», «Правилами устройства электроустановок» и «Правилами технической эксплуатации электроустановок потребителей».
6.2 Металлические корпуса устройств, входящих в АСКУЭ, должны быть надежно заземлены.
7. ПУСКО-НАЛАДОЧНЫЕ РАБОТЫ
И ЭКСПЛУАТАЦИЯ АСКУЭ
7.1 Выполнить начальную инсталляцию системы, заполнив «Ведомость системных номеров».
7.2 Провести проверку функционирования линий связи и проверку работоспособности системы в соответствии с «Руководством по эксплуатации 4205 – 004 – – 00 РЭ».
7.3 Эксплуатацию системы выполнять в соответствии с «Руководством по эксплуатации 4205 – 004 – – 00 РЭ».
7.4 Проверку ухода телеметрии от фактического значения на отсчетном устройстве проводить один раз в полгода.
8. СВЕДЕНИЯ О МЕТРОЛОГИЧЕСКОМ ОБЕСПЕЧЕНИИ
АСКУЭ.
8.1 Метрологическое обеспечение должно осуществляться в соответствии с ПР 50.2.006-94, ПР 50.2.009-94, МИ 2438-97 и «Методикой поверки 4205 – 004 – – 00 МП» утвержденной ГЦИ СИ ВНИИМС.
8.2 Периодичность поверки АСКУЭ – в соответствии с «Методикой поверки 4205 – 004 – – 00 МП», проведение текущего ремонта и технического обслуживания – в соответствии с «Руководством по эксплуатации 4205 – 004 – – 00 РЭ».
9. СОСТАВ ПРОГРАММНОГО ОБЕСПЕЧЕНИЯ.
Программное обеспечение (Комплект программ 4205 – 004 – – 00 КП) состоит из:
1. Базового ПО в составе:
1.1. Sybase SQL Anywhere 5.5 - СУБД фирмы Sybase,
1.2. Borland DataBase Engine - средство работы с БД для программ АСКУЭР,
2. ПО АСКУЭР “Континиум”.
ПО АСКУЭР “Континиум” расположено в директориях:
1. Continium\“АСКУЭР 2.0”\Пользователь – директория, в которой находятся программы пользователя АСКУЭР “Континиум”.
2. Continium\“АСКУЭР 2.0”\Служебные – директория, в которой находятся служебные программы АСКУЭР “Континиум”.
3. “Database” – директория, в которой находятся базы данных
4. Continium\“АСКУЭР 2.0”\“Doc” – директория, в которой находятся руководства пользователей по каждой программе пользователя АСКУЭР “Континиум”.
5. Continium\“Database” – директория, в которой находятся базы данных, обращение к которым происходит из программ системы АСКУЭР “Континиум” через SQL-сервер.
В состав программ пользователя АСКУЭР “Континиум” входят:
1. JekAdmin - программа для просмотра и редактирования структуры ЖЭКа, а именно: домов, квартир, жильцов,
2. LbsdAdmin - программа для просмотра и редактирования структуры АСКУЭР объекта, а именно: ЛБСД, ЭСМ, счетчиков ресурсов с привязкой к конкретной квартире,
3. LbsdLink - программа для считывания показаний счетчиков ресурсов из ЛБСД,
4. Tariff – программа для просмотра и редактирования тарифов на потребляемые ресурсы
5. ResBill - программа для выписки и обоснования счета за потреблённый ресурс конкретным потребителем.
6. BillsManager – программа для анализа выставленных и оплаченных счетов,
7. ReadingsManager – программа для детального анализа показаний датчиков,
8. EnBalance – программа для сведение энергетического баланса на объекте (управление балансными группами, расчёт баланса расхода),
9. TrendReport – программа для обобщенного анализа потребления на объекте,
Состав программного обеспечения, используемого при проведении пуско-наладочных работ АСКУЭ:
1. GaugeScale – программа для редактирования коэффициентов трансформации датчиков,
2. PlmReport – программа для подготовки файла изменения сетевых адресов PLM,
3. PlmSetup – программа для записи сетевых адресов модемов,
4. RetransList – программа для подготовки списка параметров ретрансляции PLM,
5. RetransManager – программа для установки параметров ретрансляции PLM,
6. GetPlmList – программа для подготовки файла с параметрами PLM, подлежащих обнулению.
7. ClearPlmReadings – программа для обнуления показаний PLM.
10. ПЕРЕЧЕНЬ СОПРОВОДИТЕЛЬНОЙ ДОКУМЕНТАЦИИ.
10.1 Руководство по эксплуатации 4205 – 004 – – 00 РЭ.
10.2 Методика поверки 4205 – 004 – – 00 МП
10.3 Паспорта счетчиков, ЭСМ, ЛБСД.
10.4 Ведомость установленного оборудования.
10.5 Паспорт (формуляр) на АСКУЭ.

Рис.4



