Проецирование как метод графического отображения формы предмета |
Проецирование — это процесс получения проекций предмета на какой-либо поверхности (плоской, цилиндрической, сферической, конической) с помощью проецирующих лучей. Проецирование может осуществляться различными методами. Методом проецирования называется способ получения изображений с помощью определенной, присущей только ему совокупности средств проецирования (центра проецирования, направления проецирования, проецирующих лучей, плоскостей (поверхностей) проекций), которые определяют результат — соответствующие проекционные изображения и их свойства. Для того чтобы получить любое изображение предмета на плоскости, необходимо расположить его перед плоскостью проекций и из центра проецирования провести воображаемые проецирующие |
Прямоугольное (ортогональное) проецирование на одну плоскость проекций |
В промышленности весьма широко используются так называемые плоские детали (пластины, уголки, прокладки, решетки, лекала швейного и обувного производств и т. д.), имеющие простую или сложную конфигурацию при незначительной толщине самих деталей (рис. 53). Для отображения их на чертеже достаточно построения одной проекции. Как вы уже знаете, при прямоугольном проецировании на одну плоскость проекций деталь следует расположить таким образом, чтобы полученное изображение давало наибольшую информацию о ее форме (рис. 54).
Рис. 53. Плоские детали: а — «Пластины»; б — «Уголок», в — «Прокладки»; г — «Решетки»
Рис. 53. Продолжение: д — лекала кроя
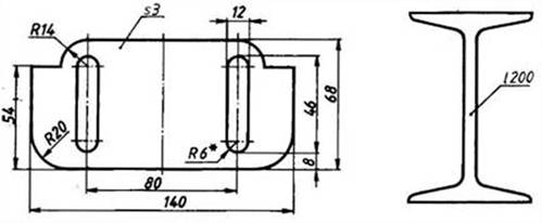
Рис. 54. Расположение детали относительно плоскости проекций: а — правильное расположение; Выберем для получения изображения вертикальную (фронтальную) плоскость проекций (К). Перед ней мысленно расположим деталь «Уголок» (рис. 54, в) так, чтобы формообразующая грань стала параллельно плоскости проекций. В результате прямоугольного (ортогонального) проецирования получим изображение детали, на котором грани предмета, параллельные плоскости проекций, отобразятся в натуральную величину. Боковые грани, перпендикулярные плоскости проекций, спроецируются в отрезки прямых. Ребра, параллельные фронтальной плоскости проекций, изобразятся в натуральную величину, а ребра, перпендикулярные ей, — в точки. Цилиндрические отверстия «Уголка» спроецируются в виде окружностей. Полученное изображение называется фронтальной проекцией. Эта проекция содержит основную информацию о форме детали, воспроизводит ее контур, дает представление о высоте и длине, не передавая при этом толщину или ширину. Информацию об этих величинах на некоторых деталях (малой толщины или изготовленных из профиля проката — уголок, тавр, швеллер, рельс) показывают с помощью знака толщины — «s» с указанием соответствующего размера (не более 5 мм) или знака длины «l», например l 200 (рис. 55). Проекции не содержат информацию о материале и цвете предмета. В дизайнерских проектных чертежах допускается показывать цвет предмета на прямоугольных (ортогональных) проекциях. Для выбора рационального способа построения чертежа любой плоской детали необходимо проанализировать форму, выявив ее особенности. Форма бывает симметричной и несимметричной (асимметричной). От этого зависит последовательность
Рис. 55. Чертежи плоских деталей с обозначением толщины и длины
Рис. 56. Последовательность построения проекции несимметричной (а) и симметричной (б) деталей
Рис. 57. Последовательность построения проекции детали, имеющей две оси симметрии построения изображений. На рисунке 56 показана последовательность построения фронтальных проекций плоских деталей несимметричной и симметричной формы. Если деталь симметрична и имеет две оси симметрии, то построение изображения формы детали ведется от точки пересечения осей симметрии в последовательности, показанной на рисунке 57.
Рис. 58. Определение соответствия чертежа и наглядного изображения многоугольника ABCD, расположив его относительно плоскости проекций Н: а) параллельно; б) перпендикулярно; в) наклонно. Назовите стороны прямоугольника, которые отобразились на плоскость H с искажением; в натуральную величину; в точку. 3. Определите соответствие чертежа и наглядного изображения (рис. 58) |
Использование сопряжения при построении чертежей. Черчение сопряжений |
Форма многих деталей имеет плавный переход одной поверхности в другую (рис. 59). Для построения на чертежах контуров таких поверхностей используются сопряжения — плавный переход одной линии в другую. Для построения линии сопряжений необходимо знать центр, точки и радиус сопряжения. Центром сопряжения является точка, равноудаленная от сопрягаемых линий (прямых или кривых). В точках сопряжений происходит переход (касание) линий. Радиусом сопряжения называется радиус дуги сопряжения, с помощью которой происходит сопряжение.
Рис. 59. Примеры плавного соединения поверхностей хлебницы и линий на проекции ее боковой стенки
Рис. 60. Сопряжение углов на примере построения проекции боковой стенки хлебницы Центр сопряжения должен находиться на пересечении дополнительно построенных линий (прямых или дуг), равноудаленных от заданных линий (прямых или дуг) либо на величину радиуса сопряжения, либо на специально рассчитываемое для данного типа сопряжения расстояние. Точки сопряжения должны находиться на пересечении заданной прямой с перпендикуляром, опущенным из центра сопряжения на заданную прямую, либо на пересечении заданной окружности с прямой, соединяющей центр сопряжения с центром заданной окружности. Сопряжение углов. Рассмотрим последовательность сопряжения углов (рис. 60) на примере построения проекции боковой стенки хлебницы: 1) построим трапецию, условно принимая ее за изображение формы заготовки для стенки хлебницы; 2) найдем центры сопряжения как точки пересечения вспомогательных линий, равноудаленных от сторон трапеции на расстояние, равное радиусу сопряжения, и параллельных им; 3) найдем точки сопряжения — точки пересечений перпендикуляров, опущенных на стороны трапеции из центров сопряжения; 4) из центров сопряжения проведем дуги радиусом сопряжения от одной точки сопряжения до другой; при обводке полученного изображения вначале обведем дуги сопряжений, а затем — сопрягаемые линии. Сопряжение прямой и окружности дугой заданного радиуса. Рассмотрим это на примере построения фронтальной проекции детали «Опора» (рис. 61). Будем считать, что большая часть построения проекции уже сделана; необходимо отобразить плавный переход цилиндрической части поверхности к плоской. Для этого необходимо выполнить сопряжение окружности (дуги окружности) с прямой линией заданным радиусом: 1) найдем центры сопряжения как точки пересечения четырех вспомогательных линий: двух прямых, параллельных верхнему ребру основания «Опоры» и удаленных от нее на расстояние, равное радиусу сопряжения, и двух вспомогательных дуг, отстоящих от заданной дуги (цилиндрической поверхности) «Опоры» на расстояние, равное радиусу сопряжения; 2) найдем точки сопряжения как точки пересечения: а) заданных прямых (ребер «Опоры») с перпендикулярами, опущенными к ним из центров сопряжения; б) заданной дуги, изображающей на чертеже цилиндрическую поверхность опоры, с прямыми, соединяющими центры сопряжения с центром сопрягаемой дуги; 3) из центров сопряжения проводим дуги радиусом сопряжения от одной точки сопряжения до другой. Обводим изображение. Сопряжение дуг окружностей дугами заданного радиуса. Рассмотрим это на примере построения фронтальной проекции формы для выпечки печенья (рис. 62), имеющей плавные переходы одной поверхности в другую: 1) проведем вертикальную и горизонтальные осевые линии. На них найдем центры и проведем три дуги радиусом R; 2) найдем центр сопряжения двух верхних окружностей как точку пересечения вспомогательных дуг радиусами, равными сумме радиусов заданной окружности (R) и сопряжения (R1), т. e.R + R1; 3) найдем точки сопряжения как точки пересечения заданных окружностей с прямыми, соединяющими центр сопряжения с центрами окружностей. Такое сопряжение называют внешним сопряжением;
Рис. 61. Сопряжение дуги и прямых линий на примере построения фронтальной проекции детали «Опора»
Рис. 62. Сопряжение трех дуг окружностей дугами заданных радиусов на примере 4) построим сопряжения двух окружностей дугой заданного радиуса сопряжения R2. Сначала найдем центр сопряжения перассечением дуг вспомогательных окружностей, радиусы которых равны разности радиуса сопряжения R2 и радиуса окружности R, т. е. R2 — R. Точки сопряжения получены на пересечении окружности с продолжением линии, соединяющей центр сопряжения с центром окружности. Из центра сопряжения проведем дугу радиусом R2. Такое сопряжение называется внутренним сопряжением; 5) аналогичные построения выполним с другой стороны от оси симметрии. |
Использование приемов деления окружностей на равные части при построении чертежей |
При выполнении прямоугольных (ортогональных) проекций используют различные геометрические построения, в том числе деление окружности на равные части. Деление окружности на три и шесть равных частей рассмотрим на примере построения фронтальной проекции маховика (рис. 65). Форма маховика водопроводного вентиля представляет собой треугольную призму со скругленными углами. Она имеет три плоскости симметрии, которые пересекаются в ее центре. На равном расстоянии от центра и друг друга находятся три сквозных отверстия цилиндрической формы одинаковых диаметров. В центре маховика имеется сквозное отверстие в форме шестиугольной призмы. Построение фронтальной проекции маховика начнем с проведения вертикальной оси симметрии, на которой зададим центр детали (точку О). Дальнейшие построения будем проводить в следующей последовательности: Деление окружности на три равные части 1) Построим внешний контур детали. Для этого проведем вспомогательную окружность диаметром 80 мм и разделим ее на три равные части; 2) из точки 1 пересечения осевой линии со вспомогательной окружностью проведем дугу радиусом, равным радиусу вспомогательной окружности (40 мм). Получим две точки 2 и 3. Длины дуг 2—3, 3—4, 4—1 равны 1/3 длины окружности; 3) точки 2, 3 соединим отрезками прямых с центром 0 окружности и продлим их до пересечения с горизонтальной прямой, перпендикулярной осевой линии, проведенной через точку 1. Получим изображение двух вершин (А, С) искомого треугольника. Вершину В получим, отложив от центра 0 окружности по вертикальной оси отрезок, равный OA, Последовательно соединив точки А, В, С, получим изображение формообразующего треугольника (при построении окружность была разделена на три равные части);
Рис. 65. Последовательность деления окружности на три и шесть равных частей 4) выполним сопряжения углов треугольника радиусом 20 мм, т. е. завершим построение внешнего контура изделия; 5) отобразим внутреннюю форму детали. Найдем центры отверстий, которые будут совпадать с точками 2, 3, 4, лежащими на вспомогательной окружности; проведем окружности радиусом 10 мм. Деление окружности на шесть равных частей Построим шестиугольное отверстие в центре маховика. Проведем из центра детали вспомогательную окружность диаметром 30 мм. Из точек пересечения вспомогательной окружности и вертикальной осевой линии проведем дуги радиусом этой же окружности, таким образом на ней появятся четыре точки (2, 3, 5, б). Эти точки и точки пересечения вспомогательной окружности и горизонтальной осевой линии будут вершинами шестиугольного отверстия. Соединив точки, получим правильный шестиугольник — проекцию шестиугольного отверстия. Деление окружности на четыре и восемь равных частей. На примере построения фронтальных проекций деталей «Решетка» и «Звездочка» рассмотрим такие деления окружности. «Решетка» (рис. 66) имеет цилиндрическую форму, в которой сделаны по четыре равноудаленных друг от друга полуцилиндрических паза и цилиндрических отверстия. Фронтальную проекцию «Решетки» будем выполнять в следующей последовательности: 1) построим контур детали. Для этого сначала проведем две взаимно перпендикулярные центровые линии. Из точки их пересечения проведем окружность диаметром 80 мм. Выполним изображения полуцилиндрических пазов радиусом 10 мм, центры которых лежат в пересечении центровых линий с окружностью;
Рис. 66. Последовательность деления окружности на четыре равные части на примере
Рис. 67. Последовательность деления окружности на восемь равных частей на примере 2) определим расположение центров цилиндрических отверстий. Для этого проведем вспомогательную окружность диаметром 50 мм и разделим ее на четыре равные части. Сначала соединим ближайшие концы взаимно перпендикулярных диаметров отрезками прямых AB и ВС, которые разделим пополам (см. рис. 15). Линии, делящие отрезки пополам, продлим до пересечения со вспомогательной окружностью. Таким образом на ней появятся четыре точки — центры цилиндрических отверстий, из которых и построим окружности диаметром 10 мм, являющиеся проекциями цилиндрических отверстий. Для того чтобы выполнить фронтальную проекцию «Звездочки», необходимо знать правила деления окружности на восемь равных частей. Построение изображения детали (рис. 67) сводится к следующему: 1) построим взаимно перпендикулярные осевые линии, задавая тем самым центр детали; 2) из центра проведем окружность диаметром, равным диаметру вершин «Звездочки»; 3) разделим окружность на восемь равных частей, повторив два варианта деления окружности на четыре части, как было показано выше (см. рис. 66); 4) поочередно соединим вершины «Звездочки»: 1—4, 1—6, 2— 5, 2—7, 3—6, 3—8, 4—7, 5— а — и получим чертеж детали. Научившись делить окружность на три и шесть, четыре и восемь равных частей, можно разделить окружность на 12, 16 и большее число частей.
В формообразовании некоторых кондитерских изделий участвует плоская деталь — вкладыш, представляющий coбой пластину с отверстием в форме звездочки, через которое проходит кондитерская масса (рис. 68). Для фиксации вкладыша в дозаторе имеются два паза полуцилиндрической формы, расположенные с противоположных концов одного из диаметров пластины. Начертите фронтальную проекцию вкладыша, если известно, что отверстие в форме звездочки имеет 16 лучей. (Размеры вкладыша выберите произвольно.) По наглядному изображению детали выполните ее фронтальную проекцию, содержащую сопряжения (рис. 69). |
Проецирование на две взаимно перпендикулярные плоскости проекций |
С помощью одной проекции не всегда можно выявить форму предмета. В этом нетрудно убедиться, рассмотрев рисунок 70. На нем представлены различные по форме объекты, фронтальная проекция которых одинакова. Следовательно, в данном случае фронтальная проекция не дает полного представления о форме отображенных объектов. Устранить неполноту информации возможно, используя вторую плоскость проекции. На рисунке 71 показан метод получения ортогональных проекций на две взаимно перпендикулярные плоскости: фронтальную — V и горизонтальную — H. Существует другое обозначение названных плоскостей, которое используется в учебниках для технических специальностей. Так, горизонтальная плоскость проекций обозначается ?1, а фронтальная плоскость проекции — ?2 и др. В систему плоскостей проекций (V, H) мысленно помещается предмет, через все точки которого проводятся проецирующие лучи, перпендикулярные плоскостям проекций. В пересечении проецирующих лучей с плоскостями проекций (V, H) получаются две проекции одного предмета. Как вы уже знаете, плоскость проекции V называется фронтальной плоскостью проекции; получаемое на ней изображение называется фронтальной проекцией. Плоскость H называется горизонтальной плоскостью проекций, а изображение предмета на ней — горизонтальной проекцией. Таким образом, имеем две проекции детали в системе плоскостей проекций. Для получения чертежа, содержащего две проекции, деталь удаляют из системы плоскостей проекций, а плоскость H поворачивают на 90° вокруг оси ОХ до совмещения с фронтальной плоскостью проекции (рис. 71, а, б). Так получается чертеж предмета в системе двух проекций. Теоретические основы построения изображений на черте - же были заложены в конце XVIII в. французским инженером ученым и политическим деятелем Гаспаром Монжем (1746—1818). Г. Монж привел а стройную систему обширный и разрозненный материал пo теории изображений. В 1799 г. был издан его классический труд, названный «Начертательная геометрия». Метод прямоугольного проецирования на две взаимно перпендикулярные плоскости проекций предназначался для использования в промышленности и военном деле, поэтому долгое время был достоянием только Франции. В последующие годы метод получил широкое распространение во всем мире и используется по настоящее время. На каждую плоскость проекций предмет спроецировался полностью. Грани, перпендикулярные плоскостям проекций, отобразились прямыми линиями, грани, параллельные плоскостям проекций, спроецировались без искажения (в натуральную величину), а наклонные грани — с искажением.
Рис. 70. Одна и та же проекция может соответствовать разным по форме объектам
Рис. 71. Проецирование на две плоскости проекций При проецировании на две плоскости проекций изображения на чертеже получаются проекционно связанными, т. е. фронтальная проекция располагается над горизонтальной. При этом проекции находятся между линиями проекционной связи, перпендикулярными оси проекции (ОХ). Анализируя изображения граней, ребер предметов на прямоугольных проекциях чертежа (см. рис. 71), можно прийти к следующим обобщениям (табл. 6). 6. Изображения на чертеже граней и ребер предмета
Рис. 73. Наглядное изображение и чертеж детали
Рис. 74. Призмы |
Проецирование на три взаимно перпендикулярные плоскости проекции |
Существует множество деталей, информацию о форме которых невозможно передать двумя проекциями чертежа (рис. 75). Для того чтобы информация о сложной форме детали была представлена достаточно полно, используют проецирование на три взаимно перпендикулярные плоскости проекции: фронтальную — V, горизонтальную — H и профильную — W (читается «дубль вэ»). Система плоскостей проекций представляет собой трехгранный угол с вершиной в точке О. Пересечения плоскостей трехгранного угла образуют прямые линии — оси проекций (OX, OY, OZ) (рис. 76). В трехгранный угол помещают предмет так, чтобы его формообразующая грань и основание были бы параллельны соответственно фронтальной и горизонтальной плоскостям проекций. Затем через все точки предмета проводят проецирующие лучи, перпендикулярные всем трем плоскостям проекций, на которых получают фронтальную, горизонтальную и профильную проекции предмета. После проецирования предмет удаляют из трехгранного угла, а затем горизонтальную и профильную плоскости проекций поворачивают на 90* соответственно вокруг осей ОХ и OZ до совмещения с фронтальной плоскостью проекции и получают чертеж детали, содержащий три проекции.
Рис. 75. Проецирование на две плоскости проекций не всегда дает полное представление о форме предмета
Рис. 76. Проецирование на три взаимно перпендикулярные плоскости проекций Три проекции чертежа взаимосвязаны друг с другом. Фронтальная и горизонтальная проекции сохраняют проекционную связь изображений, т. е. устанавливаются проекционные связи и между фронтальной и горизонтальной, фронтальной и профильной, а также горизонтальной и профильной проекциями (см. рис. 76). Линии проекционной связи определяют местоположение каждой проекции на поле чертежа. Во миогнх странах мира принята другая система прямо - угольного проецирования на три взаимно перпендикулярные плоскости проекций, которая условно называется «американская» (см. Приложение 3). Основное eе отличие состоит в том, что по-иному, относительно проецируемого объекта, в пространстве располагается трехгранный угол и в других направлениях разворачиваются плоскости проекций. Поэтому горизонтальная проекция оказывается над фронтальной, а профильная проекция — справа от фронтальной. Форма большинства предметов представляет собой сочетание различных геометрических тел или их частей. Следовательно, для чтения и выполнения чертежей нужно знать, как изображаются геометрические тела в системе трех проекций на производстве (табл. 7). (Чертежи, содержащие три проекции, называются комплексными чертежами.) 7. Комплексные и производственные чертежи деталей простой геометрической формы
П p и м e ч а н и я: 1. В зависимости от особенностей производственного процесса на чертеже изображают определенное число проекций. 2. На чертежах принято давать наименьшее, но достаточное число изображений для определения формы предмета. Число изображений чертежа можно уменьшить, используя условные знаки s, l, ? которых вы уже знаете. |

































