
ЗАКУПОЧНАЯ ДОКУМЕНТАЦИЯ
ОТКРЫТЫЙ ЗАПРОС ПРЕДЛОЖЕНИЙ
ПО ВЫБОРУ ПОДРЯДНЫХ ОРГАНИЗАЦИЙ
ДЛЯ ВЫПОЛНЕНИЯ РАБОТ ПО ПЕРЕМЕЩЕНИЮ
СТАЦИОНАРНЫХ ДИЗЕЛЬГЕНЕРАТОРОВ,
НАХОДЯЩИХСЯ В ЭКСПЛУАТАЦИИ В ТУ ПРАО «МТС УКРАИНА»,
СРОКОМ НА ОДИН ГОД
Порядок Проведения,
Коммерческие требования,
Технические требования
Киев
2011г.
Оглавление
1. Общие положения..................................................................................................................................... 3
2. Предмет закупки........................................................................................................................................ 4
3. Порядок проведения Запроса Предложений............................................................................................. 4
4. Подготовка Предложений......................................................................................................................... 5
5. Общие Требования к Участникам. Подтверждение соответствия предъявляемым требованиям............... 5
6. Подача и прием Предложений Участников Запроса Предложений............................................................ 6
7. Изменение и отзыв Заявок......................................................................................................................... 6
8. Вскрытие поступивших на Запрос Предложений конвертов..................................................................... 7
9. Оценка Предложений и проведение переговоров..................................................................................... 7
10. Определение Победителя Запроса Предложений.................................................................................. 8
11. Подписание Договора............................................................................................................................ 8
12 Уведомление Участников о результатах Запроса Предложений............................................................. 8
Приложение 1. ТРЕБОВАНИЯ ПО ПОДГОТОВКЕ КОММЕРЧЕСКОГО ПРЕДЛОЖЕНИЯ //……………………..9
Приложение 2. ТЕХНИЧЕСКОЕ ЗАДАНИЕ ……………...…………………………………………………………..….10
1. Общие положения
1.1. Общие сведения о процедуре Запроса Предложений
1.1.1. ПрАО «МТС УКРАИНА» - юридический адрес: Украина, 01601, 5 (далее — Организатор) Уведомлением о проведении открытого Запроса Предложений, размещенным на сайте Интернет Организатора 12 декабря 2011г. (адрес сайта: http://company. mts. /rus/purchases. php) приглашает подрядные организации (далее — Участники) к участию в процедуре открытого Запроса Предложений (далее — Запрос Предложений) по выбору подрядчиков для выполнения работ по перемещению стационарных дизель генераторов, находящихся в эксплуатации в ТУ ПрАО «МТС Украина», сроком на один год.
1.1.2. По результатам будет произведен выбор подрядчиков для выполнения работ по перемещению стационарных дизель генераторов.
1.1.3. Для справок обращаться к Организатору:
o по организационным и коммерческим вопросам контактное лицо – , , электронный адрес *****@***
o по вопросам, касающимся технических требований и условий, контактное лицо – , , электронный адрес *****@***
1.2. Правовой статус процедур и документов
1.2.1. Запрос Предложений не является конкурсом. Таким образом, данная процедура Запроса Предложений не накладывает на Организатора соответствующего объема гражданско-правовых обязательств в соответствии с Гражданским Кодексом Украины.
1.2.2. Опубликованное в соответствии с пунктом 1.1.1 Уведомление вместе с его неотъемлемым приложением - настоящей Документацией, являются приглашением делать оферты и должны рассматриваться Участниками с учетом этого.
1.2.3. Предложение Участника имеет правовой статус оферты и будет рассматриваться Организатором в соответствии с этим, однако Организатор оставляет за собой право разрешать или предлагать Участникам вносить изменения в их Предложения по мере проведения этапов Запроса Предложений.
1.2.4. Заключенный по результатам Запроса Предложений Договор, фиксирует все достигнутые сторонами договоренности.
1.2.5. При определении условий Договора с Победителем используются следующие документы с соблюдением указанной иерархии (в случае их противоречия):
o Уведомление о проведении Запроса Предложений и настоящая Документация по Запросу Предложений со всеми дополнениями и разъяснениями;
o Предложение Победителя со всеми дополнениями и разъяснениями, соответствующими требованиям Организатора.
1.2.6. Иные документы Организатора и Участников не определяют права и обязанности сторон в связи с данным Запросом Предложений.
1.3. Обжалование
1.3.1. Все споры и разногласия, возникающие в связи с проведением Запроса Предложений, в том числе, касающиеся исполнения Организатором и Участниками своих обязательств, должны решаться в претензионном порядке. Для реализации этого порядка заинтересованная сторона в случае нарушения ее прав должна обратиться с претензией к другой стороне. Сторона, получившая претензию, должна направить другой стороне мотивированный ответ на претензию в течение 10 рабочих дней с момента ее получения.
1.3.2. Если претензионный порядок, указанный в пункте 1.3.1., не привел к разрешению разногласий, Участники имеют право оспорить решение или поведение Организатора в связи с данным Запросом Предложений. Для этого Участник может отправить письмо на электронный адрес *****@***, которое будет рассмотрено согласно правил, описанных далее в пункте 1.5.6.
1.4. Прочие положения
1.4.1. Участники самостоятельно несут все расходы, связанные с подготовкой и подачей Предложения, а Организатор по этим расходам не отвечает и не имеет обязательств, независимо от хода и результатов данного Запроса Предложений.
1.4.2. Организатор обеспечивает разумную конфиденциальность относительно всех полученных от Участников сведений, в том числе содержащихся в Предложениях. Предоставление этой информации другим Участникам или третьим лицам возможно только в случаях, прямо предусмотренных действующим законодательством Украины или настоящей Документацией.
1.5. Противодействие коррупционной и мошеннической практике
1.5.1. Целью ПрАО «МТС УКРАИНА», (далее – Компания), является продвижение высоких этических норм во взаимоотношениях со своими поставщиками и построение взаимовыгодных отношений на долгосрочной основе. Отношения с поставщиками основываются на принципе, что все участвующие в процессе закупок организации, поставщики услуг и товаров для Компании, подрядчики и консультанты соблюдают наивысшие этические стандарты при взаимодействии с Компанией (включая процесс закупок).
1.5.2. Для всех этапов процесса закупок Компания устанавливает следующее:
Все процедуры закупок Компании проводятся на открытой и прозрачной основе с соблюдением всех требований местного законодательства, а также применимых требований международного права. Компания является частью ТелеСистемы» (NYSE: MBT), компания «Мобильные ТелеСистемы» котируется на Нью-Йоркской фондовой бирже и должна выполнять требования Акта Сарбейнса-Оксли.
Коррупционная практика означает действия, направленные на предложение, получение, передачу или требование, прямым или косвенным образом, любых материальных или нематериальных выгод с целью повлиять на действия другой стороны.
Мошенническая практика означает любое действие или бездействие, включая искажение фактов, что влечет за собой введение в заблуждение или попытку ввести в заблуждение другую сторону с целью получения материальных или нематериальных выгод.
1.5.3. Компания ПрАО «МТС УКРАИНА» имеет право отклонить Предложение, если она установит, что Участник был замешан в коррупционной или мошеннической практике на любом этапе Запроса Предложений, а также Компания имеет право незамедлительно расторгнуть заключенный с Победителем по результатам Запроса Предложений Договор, предоставив письменное уведомление за подписью Генерального директора ПрАО «МТС УКРАИНА», если в течении срока такого договора будет установлено, что Победитель был замешан в коррупционной или мошеннической практике.
1.5.4. Компания вправе отклонить Предложения Участников, заключивших между собой какое-либо соглашение с целью повлиять на определение Победителя Запроса Предложений.
1.5.5. Компания оставляет за собой право объявить Участника как сторону, не имеющую права принимать участие на определенный или неопределенный период времени, в любых дальнейших взаимоотношениях с Компанией, если будет обнаружено, что данный Участник был замешан в коррупционной или мошеннической практике как во время Запроса Предложений, так и после него или в случае, если данный Участник или его официальные лица по определению государственных органов были замешаны в подобной практике.
1.5.6. В случае, если у Участника имеются основания предполагать, что по какому-либо из проведенных Запросов Предложений было принято непрозрачное решение, или решение, не отвечающее максимально интересам Компании, то Участник может конфиденциально сообщить о таких фактах на горячую линию Компании в соответствии с Политикой по предупреждению противозаконных действий. Рассмотрение данного сообщения будет координироваться Руководителем Группы Внутреннего Аудита, о результатах данного расследования будет сообщено такому Участнику, так и руководству Компании.
Для этого Участник может воспользоваться любым почтовым ящиком на общедоступных серверах электронной почты, через интернет-кафе или с любого другого места, которое не требует обязательной регистрации пользователей, или не использует алгоритм удостоверения личности отправителя. Сообщение следует направлять по адресу: wbp@mts.com.ua. Также существуют другие способы передачи информации и сообщений, более подробную информацию можно получить по адресу: http://company. mts. /ukr/antiswindle_politicy. php.
Все электронные сообщения, поступившие на *****@***, в течении 2 рабочих дней будут рассмотрены Руководителем Группы Внутреннего Аудита, который определит предполагаемое время окончательного решения по каждому сообщению и сообщит об этом отправителю.
2. Предмет закупки
Предметом Закупки является: комплекс работ по перемещению стационарных дизель генераторов, находящихся в эксплуатации в территориальных управлениях ПрАО «МТС Украина».
3. Порядок проведения Запроса Предложений.
3.1. Уведомление о проведении Запроса Предложений опубликовано в порядке, указанном в пункте 1.1.1. Иные публикации не являются официальными и не влекут для Организатора Запроса Предложений никаких последствий.
3.2. Для принятия участия в Запросе Предложений Участники получают электронную копию Закупочной документации, на сайте Организатора, как это указано в Уведомлении о проведении Запроса Предложений. Плата за предоставление Закупочной документации не изымается.
3.3. Организатор Запроса Предложений отвечает за выполнение условий Уведомления о проведении Запроса Предложений и Закупочной документации только перед теми Участниками Запроса Предложений, которые получили Закупочную документацию в порядке, указанном в пункте 3.2.
3.4. Рассмотрение и оценка заявок Участников осуществляет Закупочная комиссия Заказчика в количестве не менее 5-ти человек, персональный состав Закупочной комиссии Заказчика утверждается Руководителем Заказчика.
4. Подготовка Предложений
4.1. Общие требования к Предложению
Участник имеет право подать только одно Предложение. В случае нарушения этого требования все Предложения такого Участника отклоняются без рассмотрения по существу.
Каждый документ, входящий в Предложение, должен быть подписан лицом, имеющим право действовать от лица Участника без доверенности, или надлежащим образом уполномоченным им лицом на основании доверенности. В последнем случае заверенная копия доверенности прикладывается к Предложению.
Каждый документ, входящий в Предложение, должен быть скреплен печатью Участника.
Документы (листы и информационные конверты), входящие в Предложение, должны быть скреплены или упакованы таким образом, чтобы исключить случайное выпадение или перемещение страниц и информационных конвертов.
Никакие исправления в тексте Предложения не имеют силу, за исключением тех случаев, когда эти исправления заверены рукописной надписью «исправленному верить» и собственноручной подписью уполномоченного лица, расположенной рядом с каждым исправлением.
Входящие в состав Предложения Участника Запроса Предложений документы возврату не подлежат.
4.2. Требования к языку Предложения
4.2.1. Все документы, входящие в Предложение, должны быть подготовлены на русском или украинском языках.
4.2.2. Организатор вправе не рассматривать документы, не переведенные на русский или украинский язык.
4.3. Разъяснение Документации по Запросу Предложений
4.3.1. На любом этапе Запроса Участники вправе обратиться к Организатору за разъяснениями настоящей Документации по Запросу Предложений. Запросы на разъяснение Документации по Запросу Предложений должны подаваться в письменной форме, по факсу или по электронной почте (п. 1.1.3.).
4.3.2. Организатор в разумный срок ответит на любой вопрос, который он получит не позднее, чем за 2 дня до истечения срока приема Предложения. Если, по мнению Организатора, ответ на данный вопрос будет интересен всем Участникам, копия ответа (без указания источника запроса на разъяснение) будет направлена всем Участникам, официально получившим настоящую Документацию (подраздел 3.2.).
4.4. Продление срока окончания приема Предложений
4.4.1. При необходимости Организатор имеет право продлевать срок окончания приема Предложений, с уведомлением всех Участников.
5. Общие Требования к Участникам. Подтверждение соответствия предъявляемым требованиям
5.1. Требования к Участникам
5.1.1. В процедуре Запроса Предложений могут принять участие:
- организации, своевременно подавшие надлежащим образом оформленную Заявку на участие в Запросе Предложений (коммерческое предложение).
5.1.2. К Участникам предъявляются следующие обязательные требования:
- участник должен иметь разрешение на начало выполнения работ повышенной опасности; участник должен иметь лицензию МЧС на проектирование и монтаж средств противопожарной защиты объекта; участник должен иметь лицензию Министерства регионального развития и строительства Украины на строительство объектов; участник должен иметь опыт работы по строительству объектов ДГУ и проведению пусконаладочных работ всего комплекса оборудования не менее одного года; участник должен иметь в своем штате не менее двух сертифицированых специалистов по монтажу и пусконаладочным работам ДГУ и по противопожарной защите.
Организатор имеет право отклонить Предложения, которые не отвечают данным требованиям.
5.1.3. Требования к документам, подтверждающим соответствие Участника установленным требованиям
Участник должен включить в состав Предложения следующие документы, подтверждающие его соответствие вышеуказанным требованиям:
- копия разрешения на начало выполнения работ повышенной опасности, выданного Государственным комитетом Украины по промышленной безопасности, охране труда и горному надзору; копия лицензии МЧС на проектирование и монтаж средств противопожарной защиты объекта; копия лицензии Министерства регионального развития и строительства Украины на строительство объектов; копии договоров по строительству объектов ДГУ и проведению пусконаладочных работ (только листы, содержащие предмет договора и подписи сторон); копии сертификатов не менее двух специалистов по монтажу и пусконаладочным работам ДГУ и по противопожарной защите.
6. Подача и прием Предложений Участников Запроса Предложений.
6.1. Предложения (оригинал и копия) должны быть упакованы в опечатанный печатью Участника конверт (пакет, ящик и т. п.).
На конверте необходимо указать следующие сведения:
o полное юридическое название Участника и его почтовый адрес;
o название и адрес Организатора:
01601 г. Киев , ПрАО «МТС Украина», Департамент управления закупками
o слова «Не вскрывать. Открытый запрос предложений по выбору подрядчика для выполнения работ по перемещению стационарных ДГУ». Начальнику ДУЗ , закупщику
6.2. Участники должны обеспечить доставку и регистрацию своих Предложений в главный офис ПрАО «МТС Украина» в рабочее время с 9-00 до 17-30 по адресу:
01601 г. Киев
Для предложений, направленных через курьерскую службу порядок оформления и доставки Предложений так же устанавливается согласно раздела 6 Закупочной документации, о чем Участники должны уведомить курьерскую службу.
6.3. Канцелярия ПрАО «МТС Украина» регистрирует дату и время поступления Предложения в Журнале регистрации поступления заявок и выдает лицу, доставившему конверт, номер и дату получения Предложения по Запросу (по необходимости).
6.4. Срок подачи Предложений – 13:00 26 декабря 2011 года
6.5. Предложения, оформленные ненадлежащим образом, доставленные после указанного срока подачи Предложений или не зарегистирированные в Канцелярии, к рассмотрению приниматься не будут.
7. Изменение и отзыв Заявок
7.1. Участник Запроса Предложений вправе изменить или отозвать поданную Заявку при условии, что его соответствующее письменное обращение поступит к Организатору Запроса Предложений за 2 рабочих дня до истечения срока окончания приема Заявок. Обращения об изменении Заявок, полученные с нарушением указанного срока, рассматриваться не будут.
7.2. В случае изменения Заявки Участник Запроса Предложений должен подготовить и направить Организатору Запроса Предложений следующие документы:
o обращение к Организатору Запроса Предложений с просьбой об изменении Заявки на бланке Участника Запроса Предложений;
o перечень изменений в Заявке с указанием документов первоначальной Заявки, которых данные изменения касаются;
o новые версии документов, которые изменяются.
7.3. Обращение об изменении или отзыве Заявки вместе со всеми прилагающимися документами должно быть запечатано в конверты, оформленные в соответствии с пунктами 6.1.— 6.2. На внешний конверт при этом следует дополнительно нанести маркировку «Изменение Заявки» или «Отзыв Заявки».
8. Вскрытие поступивших на Запрос Предложений конвертов
8.1. Организатор проводит процедуру вскрытия поступивших конвертов с заявками без Участников.
9. Оценка Предложений и проведение переговоров
9.1. Общие положения
Оценка Предложений осуществляется Закупочной комиссией по Запросу Предложений и иными лицами (экспертами и специалистами), привлеченными Закупочной Комиссией.
Оценка Предложений включает отборочную стадию, оценочную стадию, проведение при необходимости переговоров.
Порядок, критерии и методики оценки Предложений на последующие этапы проведения процедуры могут быть изменены. Это должно быть отражено в Документации на последующие этапы с уведомлением участников, прошедших первый этап.
9.2. Отборочная стадия
В рамках отборочной стадии проверяется:
o правильность оформления Предложений и их соответствие требованиям настоящей документации по существу;
o соответствие Участников требованиям настоящей документации;
o соответствие коммерческого предложения требованиям настоящей документации.
В рамках отборочной стадии Организатор может запросить у Участников разъяснения или дополнения их Предложений, в том числе представления отсутствующих документов. При этом Закупочная комиссия не вправе запрашивать разъяснения или требовать документы, меняющие суть Предложения.
По результатам проведения отборочной стадии Организатор имеет право отклонить Предложения, которые:
o в существенной мере не отвечают требованиям к оформлению настоящей документации;
o поданы Участниками, которые не отвечают требованиям настоящей документации;
o содержат предложения, по существу не отвечающие техническим, коммерческим или договорным требованиям настоящей документации;
o содержат очевидные арифметические или грамматические ошибки, с исправлением которых не согласился Участник.
9.3. Оценочная стадия
В рамках оценочной стадии оцениваются и сопоставляются Предложения, в том числе с учетом результатов переговоров, и проводится их ранжирование по степени предпочтительности для Организатора, исходя из следующих критериев, указанных в порядке убывания значимости:
- стоимость работ, услуг и материалов
- условия оплаты (обязательное требование - без авансирования работ);
- фиксация стоимости на весь срок действия контракта(один год), отказ от привязки к иностранным валютам;
- согласие со штрафными санкциями за задержку сроков выполнения работ по вине подрядчика - 0,5% от стоимости невыполненных в срок обязательств за каждый день просрочки без ограничения суммы;
- срок гарантийных обязательств на выполненные строительно-монтажные, электромонтажные, пусконаладочные работы (обязательное требование – гарантия не менее 1 года).
9.4. Проведение переговоров
После рассмотрения и оценки Предложений Организатор вправе провести переговоры с любым из Участников по любому положению его Предложения.
Переговоры могут проводиться в один или несколько туров. Очередность переговоров устанавливает Организатор.
Переговоры ведутся с каждым Участником отдельно.
При проведении переговоров Организатор будет избегать раскрытия другим Участникам содержания полученных Предложений, а также хода и содержания переговоров, т. е.:
o любые переговоры между Организатором и Участником носят конфиденциальный характер;
o ни одна из сторон переговоров не раскрывает никакому другому лицу никакой технической, ценовой или иной рыночной информации, относящейся к этим переговорам, без согласия другой стороны.
10. Определение Победителя Запроса Предложений
10.1. Закупочная комиссия на закрытом заседании определяет Победителя/Победителей Запроса Предложений по результатам оценки Предложений.
10.2. При прочих равных условиях преимущество в выборе поставщика будет предоставлено компании, которая является корпоративным клиентом ПрАО «МТС УКРАИНА».
10.3. Решение Закупочной комиссии по определению Победителя/Победителей Запроса Предложений оформляется отдельным протоколом заседания комиссии.
10.4. После утверждения решения Закупочной комиссии Участник Запроса Предложений уведомляется о признании его Победителем/Победителями процедуры Запроса Предложений и о месте и порядке подписания договора поставки.
11. Подписание Договора
11.1. Договор между Организатором и Победителем/Победителями подписывается в оптимальные для Организатора сроки.
11.2. Срок действия договора – один год.
11.2. ПрАО «МТС УКРАИНА» оставляет за собой право досрочно прекратить действие договора, уведомив контрагента в письменном виде не позднее, чем за 30 календарных дней до предполагаемой даты расторжения договора.
12 Уведомление Участников о результатах Запроса Предложений
12.1. После утверждения решения Закупочной комиссии Заказчика Участники Запроса Предложений в течение трех рабочих дней уведомляются о принятом решении путем адресного уведомления.
ПРИЛОЖЕНИЕ 1. ТРЕБОВАНИЯ ПО ПОДГОТОВКЕ КОММЕРЧЕСКОГО ПРЕДЛОЖЕНИЯ
Коммерческое предложение, подготовленное в соответствии с Техническим заданием (Приложение ), должно содержать следующие данные:
1. Ценовое предложение, по форме Приложения 3 (файл «Приложение 3 (Цены).xls». Необходимо заполнить ячейки, выделенные желтым цветом.)
2. Ориентировочные сроки выполнения работ в рабочих днях.
3. Копии документов, перечисленных в п.1.5.3.
4. Сведения о предприятии по форме Приложения 4 (файл «Приложение 4 (Сведения).xls». Необходимо заполнить ячейки, выделенные желтым цветом.)
5. Компакт диск, содержащий электронные версии следующих документов:
- ценовое предложение по форме Приложения 3. Файл должен быть поименован «Название_компании_Цены. xls».
- сведения о предприятии по форме Приложения 4. Файл должен быть поименован «Название_компании_Сведения.doc».
Данные в электронных версиях документов должны совпадать с данными, содержащимися в подписанных оригиналах документов.
ПРИЛОЖЕНИЕ 2. ТЕХНИЧЕСКОЕ ЗАДАНИЕ
на перемещение стационарных дизель – генераторов в контейнере
1. Требования
1.1. Описание объекта.
Дизель-генераторная установка размещена внутри контейнера на усиленных швеллерах в полу. Контейнер имеет наружные габаритные размеры:
Д=3300мм; Ш=2300мм; В=2900мм.
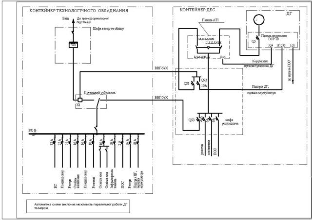
В контейнере также установлено другое оборудование: переключатель с моторприводом «Сеть-ДГУ» типа АТІ, щит собственных нужд, щит удаленного мониторинга, пожарная и охранная сигнализация, насосы подкачки топлива, топливный бак.
Для обеспечения электробезопасности обслуживающего персонала от поражения электрическим током предусматривается индивидуальный контур заземления, который подключается к контейнеру в двух местах. Внутренний контур выполнен, стальной полосой 3х50, что прокладывается внутри контейнера. Подведение кабелей электропитания и сигнализации к контейнеру ДГУ, выполнено сквозь водонепроницаемые системы кабельных вводов.
Отведение выхлопных газов осуществляется через выхлопной трубопровод, выведенный выше отметки крыши контейнера на 2м.
Для отвода паров из топливного бака устанавливается совмещенный механический дыхательный клапан, который устанавливается выше крыши контейнера в соответствии с требованиями пожарной безопасности.
Автономная установка порошкового пожаротушения «Спрут».
Огнетушитель типа ОУ5 (1 шт.).
Контейнер комплектуется электрозащитными средствами
Конструкция контейнера обеспечивает возможность его монтажа на ленточном бетонном фундаменте, или же на фундаменте из бетонных блоков, установленных на подготовленной площадке.
Внешний вид контейнера

Максимальная масса контейнера с установленной ДЭС – 4500кг.
Схема подключений.

1.2. Области, входящие в территориальные управления ПрАО «МТС УКРАИНА»
Таблица №1
Территориальные Управления
ВТУ
Донецкая и Луганская обл.
ДТУ
Днепропетровская, Запорожская, Кировоградская обл.
ЗТУ
Львовская, Волынская, Тернопольская, Ивано-Франковска, Закарпатская,
Черновицкая обл.
КТУ
Автономная республика Крым
СТУ
Черниговская, Харьковская, Сумская, Полтавская обл.
ЦТУ
Ровенская, Хмельницкая, Житомирская, Винницкая, Черкасская, обл.
КиТУ
Киевская область и г. Киев.
ЮТУ
Одесская, Николаевская, Херсонская обл.
1.3. Перечень ДГУ подлежащих переносу
№
п/п
ТУ
Освобождаемый сайт ДГУ
Адрес демонтажа ДГУ
Тип ДГУ
Сайт монтaжа
ДГУ
Адрес монтажа ДГУ
1
КТУ
SIM M17 HLG
Белогорский р-н
г. Холодная
KN9-S1
SIM BEL BEL
г. Белогорск -б
2
КТУ
SIM RZD SRB
Раздольненский р-н,
с. Серебрянка
KN9-S1
SIM KRA RRS
г. Красноперекопск , ОРТПЦ
3
КТУ
SIM SIM MRA
Симферопольский
р-н., г. Чатыр-Даг,
пещ. Мраморная
KN9-S1
SIM KGV BLI
Симферопольский р-н пгт. Красногвардейске
4
КТУ
SIM SAK STB
Сакский р-н.,
с. Столбовое
KN9-S1
SIM SEV SMG
г. Севастополь, ул.
5
КТУ
SIM YAL BDN
г. Ялта, г. Бадэне-Кыр
KN9-S1
SIM YAL KIN
,
( киностудия»)
6
КТУ
SIM M17 MAZ
Симферопольский
р-н, с. Мазанка
KN9-S1
SIM M25 LOB
Джанкойский р-н
с. Лобаново
7
КТУ
SIM LEN GOR
Ленинский р-н,
с. Горностаевка
KN9-S1
SIM FEO CHK
г. Феодосия, ул.
Чкалова 175а
8
КТУ
SIM LEN BAG
Ленинский р-н,
пгт. Багерово
P33E1
SIM M25 VLA
Кировский р-н., с. Владиславовка
9
ДТУ
DNE DNE BS1
г. Днепропетровск, ул. Мандрыковская
P50E3S
DNE KIR TVT
г. Кировоград,
10
ДТУ
DNE ZAP VES
г. Запорожье
ул. Заднепровская
P35E3S
DNE ZAP VES
г. Запорожье
ул. Заднепровская
11
ВТУ
DON OTR TOW
Донецкая обл., Великоновоселовский р-н., с Отрадное
P26E1S
DON SLG VOD
Донецкая обл., г. Святогорск
(Водоканал)
12
ВТУ
DON SLG VOD
Донецкая обл., г. Святогорск
(Водоканал)
P16,5E2S
DON OTR TOW
Донецкая обл., Великоновоселовский р-н., с Отрадное
13
ЗТУ
LVI RIV MLN
г. Ровно
P26E1S
LVI LUT KOT
г. Луцк
ул. Конякина, 24а
14
ЮТУ
ODE ODE VEG
г. Одесса, ул. 25 Чапаевской Дивизии
P40P3
ODE VMH VTV
Одесская обл., В. Михайловский р-н,
пгт. Михайловка
15
ЮТУ
ODE NIK SHV
г. Николаев ул.
Артиллерийская 19
РН24E2S
ODE BAS ZAV
Николаевская обл. г. Баштанка
1.4. Общие требования к подрядной организации.
o Участник должен иметь сертификат на соответствие системы управления качеством ДСТУ ISO (ISO ) по следующим видам работ: проектирование, производство, монтаж, пусконаладочные работы, техническое обслуживание электрогенераторных установок.
o Иметь разрешение на начало выполнения работ повышенной опасности, выданное Государственным комитетом Украины по промышленной безопасности, охране труда и горному надзору.
o Иметь лицензию на проектирование, монтаж, техническое обслуживание средств противопожарной защиты и систем отопления, оценка противопожарного состояния объектов.
o Иметь лицензию Министерства регионального развития и строительства Украины.
o Наличие соответствующего программного и аппаратного обеспечения для инсталляции ДГУ.
o Наличие Свидетельства на разработку документов, которые обосновывают объемы выбросов для предприятий, учреждений, организаций и граждан – субъектов предпринимательской деятельности.
2. Виды работ по переносу ДГУ
2.1.Исходные данные
Получение градостроительных условий и ограничений застройки земельного участка в специально уполномоченных органах по вопросам градостроительства и архитектуры.
(Закон України «Про регулювання містобудівної діяльності» від 17.02.2011р., вступив в дію з 12.03.2011р. Ст 29, п.3.)
2.2. Проектные работы для ДГУ моделей КН-9S1, P16,5E2S, РН24E2S, P26E2S, Р333Е2, P35E3S, P40P3, P50E3S в контейнере.
Рабочий проект в составе:
Пояснительная записка:
o Общие положения
o Архитектурно-строительные решения
o Электротехнические решения
o Технологические решения
o Оценка воздействия на окружающую среду
o Охрана труда
o Пожарная безопасность
o Чертежи:
o Электротехническая часть в части подключения ДГУ к новому объекту
o Технологическая часть
o Строительная часть
o Автоматическая пожарная сигнализация, оповещение о пожаре, пожаротушение
2.3. Экспертные заключения по проекту
Экспертиза проектной документации.
2.4. Декларация на начало выполнения строительных работ
Регистрация декларации на начало выполнения строительных работ в Государственной архитектурно-строительной инспекции.
2.5. Ввод в эксплуатацию оконченных строительством объектов
Регистрация Декларации о готовности объекта к эксплуатации в Государственной архитектурно-строительной инспекции.
2.6. Разрешительные документы электропередающей организации
Оформление разрешительных документов на эксплуатацию дизель-генераторной установки в електропередающей организации:
o Согласование однолинейной схемы подключения ДГУ к сетям электропередающей организации;
o Инструкции о взаимодействии с электропередающей организацией;
o Акта допуска (обследования).
2.7. Акт ввода в эксплуатацию системы пожаротушения и сигнализации
Получение Акта ввода в эксплуатацию системы пожаротушения и сигнализации в МЧС.
2.8. Разрешение на выбросы
Предоставление услуг по получению разрешения на выбросы загрязняющих веществ в атмосферный воздух стационарными источниками выбросов.
2.9. Работы по демонтажу контейнера с встроенным ДГУ (КН-9S1, P16,5E2S, РН24E2S, P26E2S, Р33Е2, P35E3S, P40P3, P50E3S) в контейнере
На объекте должны быть выполнены работы:
o Отключение электрических кабелей от контейнера ДГУ и контейнера с технологическим оборудованием.
o Отключение заземления.
o Демонтаж крепления контейнера к фундаменту (или бетонным опорным блокам).
o Демонтаж навесного оборудования на контейнере (дыхательный клапан, антенна связи, выхлопная труба, ступенька, ледозащитная сетка).
o Демонтаж системы пожаротушения (Спрут-3).
o Подготовка ДГУ к транспортировке.
o Проведение погрузочных работ контейнера на автомобильную платформу.
o Подключение глубинного заземления от ДГУ к существующему заземлителю работающего оборудования с использования отключенных электрических кабелей.
o Демонтаж ограждения ДГУ и восстановление ограждения остающихся объектов.
o Облагораживание площадки.
2.10. Транспортировка контейнера
Доставка контейнера на новый объект строительства или на склад.
2.11. Строительно-монтажные работы по установке контейнера с встроенным дизель-генераторной установкой типа (КН-9S1, P16,5E2S, РН24E2S, P26E2S, Р333Е2, P35E3S, P40P3, P50E3S).
На объекте должны быть выполнены работы:
o Подготовка площадки к строительно-монтажным работам
o Подготовительные работы под фундамент и кабельный ввод
o Изготовление фундамента или установка бетонных опорных блоков.
o Проведение разгрузочных работ.
o Установка контейнера с ДГУ на опорные блоки или фундамент, его крепление штатными кронштейнами.
o Монтажные и электромонтажные работы по подключению ДГУ (прокладка в траншее силовых и сигнальных кабелей, подключение демонтированного оборудования к ДГУ).
o Установка перекидного рубильника в помещении технологического оборудования.
o Изготовление и установка контура заземления ДГУ глубинного типа ГАЛЬМАР, сопротивление которого меньше 4 Ом. Подключение его к ДГУ и к существующему контуру заземления объекта.
o Установка шкафа пожарной сигнализации (прибор приемо-контрольный пожарный) «ТИРАС-2П» с релейным блоком МРА2.1.).
o Монтаж системы пожаротушения Спрут-3 с учетом оборудования и материалов.
o Подключение прибора-сигнализатора СА-6 (централь) плюс только на охранную сигнализацию.
o Монтаж дыхательной системы топливного бака (с учетом материалов), антенны, выхлопного тракта, ступеньки.
o Изготовление и установка системы топливозаправки ДГУ (Эл. двигатель, Трубопроводы и кнопка включения).
o Покраска и установка ледозащитной сетки.
o Восстановление лакокрасочного покрытия снаружи и внутри контейнера.
o Электроизмерения.
2.12. Проведение пусконаладочных работ
Выполнение работ по подготовке ДГУ к эксплуатации.
2.13. Облагораживание площадки
Облагораживание площадки по периметру контейнера щебенкой или гравием.
2.14. Ограждение контейнера
Ограждение прилегающей площадки контейнера ДГУ, сеткой рабицей.
2.15. Ледозащита контейнера ДГУ
Изготовление и установка ледозащитной сетки, на крыше контейнера ДГУ.
2.16. Прокладка кабеля
Прокладка электрических и информационных кабелей от контейнера с ДГУ до технологического контейнера, включая материалы.



